Реле напряжения, плюсы и минусы

Выбор и схемы подключения контакторов, пускателей, реле, различных датчиков, кнопок управления, переключателей и т.п.
Аватара пользователя
Lounger
Сообщения: 106
Зарегистрирован: 12 дек 2016, 14:08
Репутация: 13
Контактная информация:

Реле напряжения, плюсы и минусы

Сообщение Lounger » 02 апр 2019, 16:49

ПАВ, я в этих тиристорах-варисторах ничего не понимаю, меня эта банка в щитке шокировала))
Реклама
Аватара пользователя
elalex
Сообщения: 7423
Зарегистрирован: 21 июл 2015, 08:08
Репутация: 591
Откуда: [email protected]
Контактная информация:

Реле напряжения, плюсы и минусы

Сообщение elalex » 02 апр 2019, 16:58

Lounger:
А почитать Википедию не пробовали?
Одиночный свободный электрик
Опыт ремонтов квартир 20лет
Высшее электрическое образование
Бывший инженер-электрик
Пенсионер
64 года
Пишу для владельцев частного жилья
Запасной E–mail для россиян: [email protected]
Аватара пользователя
elalex
Сообщения: 7423
Зарегистрирован: 21 июл 2015, 08:08
Репутация: 591
Откуда: [email protected]
Контактная информация:

Реле напряжения, плюсы и минусы

Сообщение elalex » 02 апр 2019, 17:16

1.Автор видео - мастер лепить из дерьма пулю. На столе у него стоит половина самодельного электромеханического стабилизатора. Внешне - работает нормально, но автор утверждает, что он на 4кВт, и в схеме у него постоянный ток идёт по конденсатору.
2.Защита по перенапряжению делает КЗ через тиристоры, автомат отключает сеть.
3.Градуировки напряжения срабатывания нет.
Выдержку времени срабатывания нужно регулировать по миллисекундомеру.
4.За стабильность уставки напряжения срабатывания не знаю, у автора все схемы аналоговые.
5.Вводной автомат усиленно изнашивается при каждом КЗ. Взводить нужно руками.
6.Хорошо, что хоть схема не однократная, как у ПАВа на варисторе.
7.Все электрические изделия должны выдерживать 120% номинального напряжения хотя бы 3 мс. Не думаю, что производители электроаппаратуры выбирают настолько малое рабочее напряжение входных конденсаторов, что их пробивает сеть 380В за 40-120мс.
8.Автор оказался не в состоянии вести технический спор со мной и отвечать на возражения.
Последний раз редактировалось elalex 02 апр 2019, 17:25, всего редактировалось 1 раз.
Одиночный свободный электрик
Опыт ремонтов квартир 20лет
Высшее электрическое образование
Бывший инженер-электрик
Пенсионер
64 года
Пишу для владельцев частного жилья
Запасной E–mail для россиян: [email protected]
ПАВ
Сообщения: 7647
Зарегистрирован: 13 авг 2015, 19:54
Репутация: 923
Откуда: Одесса
Контактная информация:

Реле напряжения, плюсы и минусы

Сообщение ПАВ » 02 апр 2019, 17:23

Lounger писал(а):Источник цитаты ПАВ, я в этих тиристорах-варисторах ничего не понимаю, меня эта банка в щитке шокировала))

Аналог варистора из того, что было в закромах. А ток зависит от того, что было на производстве. Не эти, так другие, функция одна.
В жизни все не так, как на самом деле...
ПАВ
Сообщения: 7647
Зарегистрирован: 13 авг 2015, 19:54
Репутация: 923
Откуда: Одесса
Контактная информация:

Реле напряжения, плюсы и минусы

Сообщение ПАВ » 02 апр 2019, 17:37

elalex писал(а):Источник цитаты 4.За стабильность уставки напряжения срабатывания не знаю, у автора все схемы аналоговые.

- а то, что в продаже, всегда цифровое и с аццкой точностью/стабильностью? И надо вам ровно 0,5% или на 3 согласны?
Даже в РН с процессором все упирается в обычное реле или контактор, как с ними, они страдают стабильностью цифровых элементов?

elalex писал(а):Источник цитаты 6.Хорошо, что хоть схема не однократная, как у ПАВа на варисторе.

- писал уже- варистор в паре с нормальным АВ выдерживает не одно перенапряжение. А если и умирает, то цена, по сравнению с тем, что после него- копеечная.

elalex писал(а):Источник цитаты Не думаю, что производители электроаппаратуры выбирают настолько малое рабочее напряжение входных конденсаторов, что их пробивает сеть 380В за 40-120мс.

- чаще всего 400, иногда 450 В для эл-литов в БП. Любых. Если ваши 380 умножить на 1,41, скока будет? И я хотел бы видеть БП вашего кампутёра через 120 мс после 500 вольт.
В жизни все не так, как на самом деле...
Аватара пользователя
elalex
Сообщения: 7423
Зарегистрирован: 21 июл 2015, 08:08
Репутация: 591
Откуда: [email protected]
Контактная информация:

Реле напряжения, плюсы и минусы

Сообщение elalex » 02 апр 2019, 19:01

1.Точность и стабильность элементов реле мне нужна такая, чтобы электроаппаратура выдерживала ~380В на время отключения реле. Почему-то сильно предполагаю, что у цифровой техники показатели лучшие.
V-protector, Volt Control обещают время отключения 0,02с.
Всегда можно насобирать десяток целых, но ненужных высоковольтных конденсаторов и проверить их на доли секунды выпрямленным напряжением ~380В. Интересно бы узнать их стойкость.
2.Стабильность параметров реле или контактора опасений не вызывает - это передаточные, нерегулируемые элементы.
3.Что делает варистор в паре с автоматом, если поступает ~380В?
Одиночный свободный электрик
Опыт ремонтов квартир 20лет
Высшее электрическое образование
Бывший инженер-электрик
Пенсионер
64 года
Пишу для владельцев частного жилья
Запасной E–mail для россиян: [email protected]
ПАВ
Сообщения: 7647
Зарегистрирован: 13 авг 2015, 19:54
Репутация: 923
Откуда: Одесса
Контактная информация:

Реле напряжения, плюсы и минусы

Сообщение ПАВ » 02 апр 2019, 19:10

elalex писал(а):Источник цитаты 2.Стабильность параметров реле или контактора опасений не вызывает - это передаточные, нерегулируемые элементы.

- похоже, с ними вы никогда не работали и понятия о времени срабатывания, реальном, а не паспортном, не имеете.

elalex писал(а):Источник цитаты 3.Что делает варистор в паре с автоматом, если поступает ~380В?

- похоже, не читали, приведенные схемы не смотрели. Аллергия? Пробой варистора тянет за собой срабатывание АВ или ПВ.
В жизни все не так, как на самом деле...
Аватара пользователя
elalex
Сообщения: 7423
Зарегистрирован: 21 июл 2015, 08:08
Репутация: 591
Откуда: [email protected]
Контактная информация:

Реле напряжения, плюсы и минусы

Сообщение elalex » 02 апр 2019, 19:24

1.С реле и контакторами работал много лет, но их время срабатывания никогда меня не интересовало - они никогда не соревновались с синусоидой.
2.Т.е. поступление ~380В вызывает пробой варистора и отключение автомата? Т.е. такое сочетание - однократное, как я и говорил?
Одиночный свободный электрик
Опыт ремонтов квартир 20лет
Высшее электрическое образование
Бывший инженер-электрик
Пенсионер
64 года
Пишу для владельцев частного жилья
Запасной E–mail для россиян: [email protected]
ПАВ
Сообщения: 7647
Зарегистрирован: 13 авг 2015, 19:54
Репутация: 923
Откуда: Одесса
Контактная информация:

Реле напряжения, плюсы и минусы

Сообщение ПАВ » 02 апр 2019, 19:58

elalex писал(а):Источник цитаты 1.С реле и контакторами работал много лет, но их время срабатывания никогда меня не интересовало - они никогда не соревновались с синусоидой.

- а жаль, будь у вас хоть немного уже не любоЗНАТЕЛЬНОСТИ, а просто любопытства, то знали бы времена срабатывания таких устройств. Далеко не все реле, не говоря про контакторы, имеют время срабатывания, сравнимые с синусоидой, очевидно- 20 мс, или сколько это у вас?
Мне в году 90-м для реализации современного варианта УЗО для бурового судна пришлось перебрать кучу реле для поимения времени менее 50 мс, хоть паспорта грозились меньшим. А в них подвижные массы много меньше, чем у контакторов.

elalex писал(а):Источник цитаты 2.Т.е. поступление ~380В вызывает пробой варистора и отключение автомата? Т.е. такое сочетание - однократное, как я и говорил

- или тупите, или не понимаете.
В жизни все не так, как на самом деле...
Аватара пользователя
elalex
Сообщения: 7423
Зарегистрирован: 21 июл 2015, 08:08
Репутация: 591
Откуда: [email protected]
Контактная информация:

Реле напряжения, плюсы и минусы

Сообщение elalex » 02 апр 2019, 20:42

1.У меня есть горбачевских времён справочник реле, толщиной 5см, слегка смотрел времена срабатывания.
2.Тупит тот, кто спрашивает? Или тот, кто не хочет отвечать - да или нет?
Одиночный свободный электрик
Опыт ремонтов квартир 20лет
Высшее электрическое образование
Бывший инженер-электрик
Пенсионер
64 года
Пишу для владельцев частного жилья
Запасной E–mail для россиян: [email protected]
Аватара пользователя
Lounger
Сообщения: 106
Зарегистрирован: 12 дек 2016, 14:08
Репутация: 13
Контактная информация:

Реле напряжения, плюсы и минусы

Сообщение Lounger » 02 апр 2019, 22:24

Посмотрел в интернете про варисторы. Я так понял, что вот эти цифры 385 и 511- рабочее напряжение. Значит 511 лучше. Но он худой, а 385 толстый. Это варисторы расцепителей максимального напряжения. 385 - Шнейдер, 511 - Хагер.
20180107-122810-1.jpg

20190402_214023-1.jpg

И у Хагера ещё один жёлтый 431. Наверное, Хагер покрепче)
20180107-120518 (1)-1.jpg
Аватара пользователя
elalex
Сообщения: 7423
Зарегистрирован: 21 июл 2015, 08:08
Репутация: 591
Откуда: [email protected]
Контактная информация:

Реле напряжения, плюсы и минусы

Сообщение elalex » 02 апр 2019, 23:03

А расцепитель максимального напряжения - стоит где?
А варисторы - что делают?
Википедия не уточняет, что такое рабочее напряжение варистора.
Одиночный свободный электрик
Опыт ремонтов квартир 20лет
Высшее электрическое образование
Бывший инженер-электрик
Пенсионер
64 года
Пишу для владельцев частного жилья
Запасной E–mail для россиян: [email protected]
ПАВ
Сообщения: 7647
Зарегистрирован: 13 авг 2015, 19:54
Репутация: 923
Откуда: Одесса
Контактная информация:

Реле напряжения, плюсы и минусы

Сообщение ПАВ » 03 апр 2019, 07:40

Lounger писал(а):Источник цитаты Посмотрел в интернете про варисторы. Я так понял, что вот эти цифры 385 и 511- рабочее напряжение. Значит 511 лучше. Но он худой, а 385 толстый. Это варисторы расцепителей максимального напряжения. 385 - Шнейдер, 511 - Хагер.
20180107-122810-1.jpg

20190402_214023-1.jpg

И у Хагера ещё один жёлтый 431. Наверное, Хагер покрепче)
20180107-120518 (1)-1.jpg


"Крепость" варистора определяется диаметром шайбы. Тем больше, тем лучше. Я применяю в своем ВРУ диаметром 20 мм, самые ходовые. Есть и большего диаметра, точнее- габаритов, например EPCOS 40х55х14 мм. на напряжение от130 до 750 В, но редко.
С обозначения напряжения некоторая путаница от того, что разные фирмы по разному его пишут. А вааще, в гугле ПРО ЭТО полно.
Желательно бы схему тих расцепителей увидеть, т.к. тоже масса мнений и решений. Некоторые производители лепят УЗИП, в котором варистор включен последовательно с плавкой вставкой, что на мой взгляд абсурдно.
Про это все тоже было много трений и прений, каждый остался при своем.
В жизни все не так, как на самом деле...
ПАВ
Сообщения: 7647
Зарегистрирован: 13 авг 2015, 19:54
Репутация: 923
Откуда: Одесса
Контактная информация:

Реле напряжения, плюсы и минусы

Сообщение ПАВ » 03 апр 2019, 07:45

elalex писал(а):Источник цитаты Википедия не уточняет, что такое рабочее напряжение варистора.

Опять неправда.
Вики пишет:
...При описании характеристик варисторов в основном используются следующие параметры[1]:

Классификационное напряжение Un — напряжение при определённом токе (обычно 1 мА), условный параметр для маркировки изделий;
Максимально допустимое напряжение Um для постоянного тока и для переменного тока (среднеквадратичное или действующее значение), диапазон — от нескольких В до нескольких десятков кВ; может быть превышено только при перенапряжениях;
Номинальная средняя рассеиваемая мощность P — мощность в ваттах (Вт), которую варистор может рассеивать в течение всего срока службы при сохранении параметров в заданных пределах;
Максимальный импульсный ток Ipp (Peak Surge Current) в амперах (А), для которого нормируется время нарастания и длительность импульса;
Максимальная допустимая поглощаемая энергия W (Absorption energy) в джоулях (Дж), при воздействии одиночного импульса;
Ёмкость Co, измеренная в закрытом состоянии при заданной частоте; зависит от приложенного напряжения — когда варистор пропускает через себя большой ток, она падает до нуля.

Рабочее напряжение варистора выбирается исходя из допустимой энергии рассеяния и максимальной амплитуды напряжения. Рекомендуется, чтобы на переменном напряжении оно не превышало 0,6 Un, а на постоянном — 0,85 Un. Например, в сети с действующим напряжением 220 В (50 Гц) обычно устанавливают варисторы с классификационным напряжением не ниже 380…430 В.
Вот при токе 1 мА и начинается открывание варистора, вот по этому напряжению и делал отбор, т.к. даже в пределах одного класса напряжений есть неизбежный разброс, небольшой, но есть.
В жизни все не так, как на самом деле...
ПАВ
Сообщения: 7647
Зарегистрирован: 13 авг 2015, 19:54
Репутация: 923
Откуда: Одесса
Контактная информация:

Реле напряжения, плюсы и минусы

Сообщение ПАВ » 03 апр 2019, 08:53

Вот нормальная схема с варистором и его ВАХ :
Вложения
схема.png
схема.png (6.43 КБ) 4308 просмотров
вах.png
вах.png (7.91 КБ) 4308 просмотров
В жизни все не так, как на самом деле...
ПАВ
Сообщения: 7647
Зарегистрирован: 13 авг 2015, 19:54
Репутация: 923
Откуда: Одесса
Контактная информация:

Реле напряжения, плюсы и минусы

Сообщение ПАВ » 03 апр 2019, 09:28

И для общего развития: http://www.mt-system.ru/news/mt-sistem/ ... nii-mersen
В жизни все не так, как на самом деле...
Аватара пользователя
elalex
Сообщения: 7423
Зарегистрирован: 21 июл 2015, 08:08
Репутация: 591
Откуда: [email protected]
Контактная информация:

Реле напряжения, плюсы и минусы

Сообщение elalex » 03 апр 2019, 10:25

При нормальном изложении - сначала даётся определение параметра, а потом - как его подбирать.
В статье Википедии про варистора определения рабочего напряжения не дали, а сразу стали объяснять, как его подбирать.
Насколько понял, рабочее напряжение - это номинальное напряжение сети.
Одиночный свободный электрик
Опыт ремонтов квартир 20лет
Высшее электрическое образование
Бывший инженер-электрик
Пенсионер
64 года
Пишу для владельцев частного жилья
Запасной E–mail для россиян: [email protected]
Аватара пользователя
TOPMO3
Сообщения: 4181
Зарегистрирован: 29 фев 2016, 10:37
Репутация: 626
Откуда: Ижевск
Контактная информация:

Реле напряжения, плюсы и минусы

Сообщение TOPMO3 » 03 апр 2019, 11:18

elalex писал(а):Источник цитаты 1.Автор видео - мастер лепить из дерьма пулю.
Как я понимаю ... это вывод профессионального дерьмо_разбрасывателя ... похоже на банальную зависть неудачника.
Внешне - работает нормально,
А наружно как?
но автор утверждает, что он на 4кВт,
А чо не так? Что с того, что он поскромничал, и что в действительности около 70 кВт.
и в схеме у него постоянный ток идёт по конденсатору.
Покажи этот конденсатор ...
000.jpg

2.Защита по перенапряжению делает КЗ через тиристоры, автомат отключает сеть.
Походу только это правильно понято тобой. :wink:
3.Градуировки напряжения срабатывания нет.
Выдержку времени срабатывания нужно регулировать по миллисекундомеру.
Какую градуировку, какая выдержка? Вообще какой то бред ... не понят основная "хотелка" автора ... кстати успешно реализованная. :fool:
4.За стабильность уставки напряжения срабатывания не знаю, у автора все схемы аналоговые.
Таки да ... в схемах не разбираешься и от чего зависит стабильность не в курсе. :yes:
5.Вводной автомат усиленно изнашивается при каждом КЗ. Взводить нужно руками.
Также как и УЗО при каждой утечке ... механизмы одинаковые.
6.Хорошо, что хоть схема не однократная, как у ПАВа на варисторе.
Зато дешевле и проще.
7.Все электрические изделия должны выдерживать 120% номинального напряжения хотя бы 3 мс. Не думаю, что производители электроаппаратуры выбирают настолько малое рабочее напряжение входных конденсаторов, что их пробивает сеть 380В за 40-120мс.
Детский лепет ... всем известно, что производителю не выгодны "вечная" продукция.
8.Автор оказался не в состоянии вести технический спор со мной и отвечать на возражения.
Вот гад ... он даже не обратил внимания, на твой "жовто-блакитную" аватарку!!! :biggrin:
А если всерьез ... о каком состоянии идет речь? Во-первых, никакого спора не было ... во вторых, с твоей стороны написано "Небольшое уточнение"(с), что не является возражением ... и в-третьих, ему на это уже указывали, до тебя, и он закрепил это в шапке (как и свой ответ на это) ... а таких, как ты, тама еще с десяток ... с каждым диспуты начинать чоли? Читай и чужие коменты, а не тока свои ... меньше в луже сидеть буш.
00.JPG
Смеюсь последний ... тормоз однако!
ПАВ
Сообщения: 7647
Зарегистрирован: 13 авг 2015, 19:54
Репутация: 923
Откуда: Одесса
Контактная информация:

Реле напряжения, плюсы и минусы

Сообщение ПАВ » 03 апр 2019, 12:00

TOPMO3 писал(а):Источник цитаты 4.За стабильность уставки напряжения срабатывания не знаю, у автора все схемы аналоговые.

Таки да ... в схемах не разбираешься и от чего зависит стабильность не в курсе.

Ашотакое? В цифровом устройстве таки нет ничего аналогового, даже реле/контактор тоже цифровые. И резисторы там такие же, и остальное.
В жизни все не так, как на самом деле...
Аватара пользователя
Константин
Сообщения: 3464
Зарегистрирован: 16 сен 2015, 10:19
Репутация: 851
Откуда: Новосибирская область
Контактная информация:

Реле напряжения, плюсы и минусы

Сообщение Константин » 03 апр 2019, 18:05

Lounger писал(а):Источник цитаты Защита от перенапряжения.
Сегодня увидел эту ссылку, посмотрел видео, ничего не понял

Да да. Понять там трудно. Что автомты не срабатывают не встречал говорит он -Такого не бывает. Как же мля.. не бывает. Бывает да еще как бывает. И новые и старые. После таких не сработак либо с ожогами на больничном либо в морге.
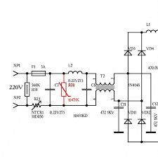
Lounger, Идея с варистором это стара как этот мир. Такая грубая защита применяется везде. Во всей бытовухе и электронике. Даже в удлинителях. Разбери у себя какой нибудь дешевенький удлинитель под названием сетевой фильтр и увидишь в нутри такую реализацию защиты от перенапряжения
6cfc99cs-960.jpg


  • Реклама

Вернуться в «Контакторы, пускатели, реле, датчики, кнопки и т.п.»

Кто сейчас на конференции

Сейчас этот форум просматривают: нет зарегистрированных пользователей и 5 гостей