Отказ модуля управления вытяжкой на кухне

Делимся информацией по ремонту бытовой техники (стиральные машины, пылесосы, фены, вентиляторы, электроплиты, холодильники, СВЧ-печи и т.п.)
Аватара пользователя
TOPMO3
Сообщения: 4181
Зарегистрирован: 29 фев 2016, 10:37
Репутация: 626
Откуда: Ижевск
Контактная информация:

Отказ модуля управления вытяжкой на кухне

Сообщение TOPMO3 » 09 ноя 2016, 09:53

ПАВ писал(а):Источник цитаты Откуда там дроссель взялся?
Гы ... поверил написаному на заборе (плате) да и бумашка "замаскировала" :pardon: ... Вы правы ... это не дроссель, а реле, включающее подсветку.
Фишка- понятие очень широкое, а вот зеленый клемник под винт на 2 к выше сетевого и варистора таки САР.
Я не спорю, что конденсатор ... не понятно, почему только два контакта ... один на два мотора может быть чтоли?!
Смеюсь последний ... тормоз однако!
Реклама
Аватара пользователя
Дмитрий 1
Сообщения: 16
Зарегистрирован: 07 ноя 2016, 16:23
Репутация: 0
Контактная информация:

Отказ модуля управления вытяжкой на кухне

Сообщение Дмитрий 1 » 09 ноя 2016, 19:39

Эта фишка соединяет (как сами пишите) моторы с платой ... откуда там могут быть провода от сети?!!! На лампочку отдельная фишка или тоже тут?[quote="TOPMO3" . На лапочку ДА отдельная фишка.К фишке которая на фото подключить провода от сети, то есть. Розетка 220 далее два провода в фишку ,из фишки провода уже идут в моторы.,но я не знаю к проводам какого цвета в фишке надо подключить две провода из 220 сети.
Вложения
20161109_192320[1].jpg
20161109_192110[1].jpg
Аватара пользователя
TOPMO3
Сообщения: 4181
Зарегистрирован: 29 фев 2016, 10:37
Репутация: 626
Откуда: Ижевск
Контактная информация:

Отказ модуля управления вытяжкой на кухне

Сообщение TOPMO3 » 09 ноя 2016, 20:30

Дмитрий 1 писал(а):Источник цитаты ... но я не знаю к проводам какого цвета в фишке надо подключить две провода из 220 сети.
Я могу подсказать, но боюсь, что им может придти хана, т.к. не знаю какие там установлены двигатели.
Если ассинхроники, то они тупо сгорят ... для их работы дополнительно требуются конденсаторы. А мне не известно, есть они или нет ... могут быть на двигателях, но могут быть и отдельно.
Двигатели могут быть коллекторные, тогда конденсаторы не нужны ... :pardon:
Не советую торопиться.
Вы в электронике как? Есть желание восстановить плату? Она по моему не работает по причине неполадки или в подсветке или на одном из двигателей ... сама электроника должна быть исправной ... дорожки прогорели по причине короткого замыкания вне платы.

Вопрос ... при подключении этой фишки на плату ... какой штырек (на плате) оказывается без провода? На плате пять штырьков - на фишке четыре ... так что или МС или М3 не подключаются ... какой?

Еще вопрос, плату, раньше не ремонтировали?
Последний раз редактировалось TOPMO3 09 ноя 2016, 20:52, всего редактировалось 1 раз.
Смеюсь последний ... тормоз однако!
ПАВ
Сообщения: 7647
Зарегистрирован: 13 авг 2015, 19:54
Репутация: 923
Откуда: Одесса
Контактная информация:

Отказ модуля управления вытяжкой на кухне

Сообщение ПАВ » 09 ноя 2016, 20:48

Асинхронников полно и без конденсатора, а последний может и для получения второй скорости служить. Коллекторные? ...не думаю!...
В жизни все не так, как на самом деле...
Аватара пользователя
Дмитрий 1
Сообщения: 16
Зарегистрирован: 07 ноя 2016, 16:23
Репутация: 0
Контактная информация:

Отказ модуля управления вытяжкой на кухне

Сообщение Дмитрий 1 » 09 ноя 2016, 21:09

Плату раньше не ремонтировали.Был случай с аналогичной вытяжкой .вытяжку использовали только как свет над плитой .через какое то время перегорела лампочка ( их две).лампочку заменили ,но света нет и сама вытяжка не крутит.звонок в сервис центр. пришел мастер,спросил как было дело.сказал что использовать свет без включенных вентиляторов нельзя, типо там что то должно охлаждаться.мастер достал плату ,там дорожки горелые.заменил плату по гарантии . Включать вытяжку напрямую(без платы) побаиваюсь за последствия .поэтому интересует мнение электриков .если ее можно реанимировать без покупки новой платы ,то я бы попробовал. Штырек МС без провода.
Аватара пользователя
TOPMO3
Сообщения: 4181
Зарегистрирован: 29 фев 2016, 10:37
Репутация: 626
Откуда: Ижевск
Контактная информация:

Отказ модуля управления вытяжкой на кухне

Сообщение TOPMO3 » 09 ноя 2016, 22:05

Дмитрий 1 писал(а):Источник цитаты... Штырек МС без провода.
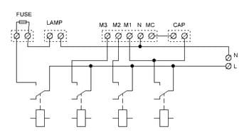
Вывод ... к двум клеммам САР тоже ничего не подключается.
Силовая часть схемы вырисовывается вот так ...
4.jpg

А фишка соответственно, вот так ...
0.jpg
0.jpg (15.42 КБ) 3737 просмотров
Последний раз редактировалось TOPMO3 10 ноя 2016, 09:38, всего редактировалось 2 раза.
Смеюсь последний ... тормоз однако!
ПАВ
Сообщения: 7647
Зарегистрирован: 13 авг 2015, 19:54
Репутация: 923
Откуда: Одесса
Контактная информация:

Отказ модуля управления вытяжкой на кухне

Сообщение ПАВ » 10 ноя 2016, 08:41

Вполне возможно, что плата используется и в иной версии, там конденсатор требуется. Насчет лампы без ничего- чушь, есть масса вытяжек, где раздельно все включается, да и зачем всякий раз вентиляторы, если надо посветить просто.
В жизни все не так, как на самом деле...
Аватара пользователя
TOPMO3
Сообщения: 4181
Зарегистрирован: 29 фев 2016, 10:37
Репутация: 626
Откуда: Ижевск
Контактная информация:

Отказ модуля управления вытяжкой на кухне

Сообщение TOPMO3 » 10 ноя 2016, 10:22

А как работали вентиляторы? Три режима ... три провода (М1, М2 и М3) по отдельности или в комбинации?
Дмитрий 1, У Вас на плате два обрыва дорожек ... надо их востановить.
Я обычно отрезаю (острым ножом) "висюльки" и соединяю разрыв изолированным проводом ... некоторые клеют ...
Потом прозвонить тестером контакты выходных реле (четыре шт.) ... вдруг есть залипшие т.е. относительно клеммы L клеммы М1, М2, М3 и FUSE.
Далее подав напругу проверить работу электроники в холостую (без ламп и моторов) ... т.е. ответим на мой вопрос (в начале поста).

з.ы.Я всё больше склоняюсь к мысли, что неисправность в подсветке ...
Смеюсь последний ... тормоз однако!
Аватара пользователя
Дмитрий 1
Сообщения: 16
Зарегистрирован: 07 ноя 2016, 16:23
Репутация: 0
Контактная информация:

Отказ модуля управления вытяжкой на кухне

Сообщение Дмитрий 1 » 10 ноя 2016, 19:03

Вентиляторы работали одновременно ,но на разных скоростях .малая ,средняя.,большая.Спасибо за подробную консультацию, но спаять сам,грамотно я не смогу,нет опыта.Я так понял, что без платы вытяжка работать не будет?
ПАВ
Сообщения: 7647
Зарегистрирован: 13 авг 2015, 19:54
Репутация: 923
Откуда: Одесса
Контактная информация:

Отказ модуля управления вытяжкой на кухне

Сообщение ПАВ » 10 ноя 2016, 19:17

Не будет.
В жизни все не так, как на самом деле...
Аватара пользователя
TOPMO3
Сообщения: 4181
Зарегистрирован: 29 фев 2016, 10:37
Репутация: 626
Откуда: Ижевск
Контактная информация:

Отказ модуля управления вытяжкой на кухне

Сообщение TOPMO3 » 11 ноя 2016, 10:14

Дмитрий 1 писал(а):Источник цитаты ... но спаять сам,грамотно я не смогу,нет опыта.
Ну вооот ... а писали ...
Дмитрий 1 писал(а):...если ее можно реанимировать без покупки новой платы ,то я бы попробовал...
:biggrin:
Вентиляторы работали одновременно ,но на разных скоростях
Это Вы точно знаете? Я думал, что по отдельности. :hmm:
Я так понял, что без платы вытяжка работать не будет?
На фишке, к каждому контакту, приходят по два провода (цвета: черный, синий, красный и белый) ... как эти провода распределены, по моторам?
Смеюсь последний ... тормоз однако!
ПАВ
Сообщения: 7647
Зарегистрирован: 13 авг 2015, 19:54
Репутация: 923
Откуда: Одесса
Контактная информация:

Отказ модуля управления вытяжкой на кухне

Сообщение ПАВ » 11 ноя 2016, 10:33

Я о моторах и проводах давно писал, без этого гадать сложно. Аналогично и с лампой- что там, у ламп?
В жизни все не так, как на самом деле...
Аватара пользователя
Дмитрий 1
Сообщения: 16
Зарегистрирован: 07 ноя 2016, 16:23
Репутация: 0
Контактная информация:

Отказ модуля управления вытяжкой на кухне

Сообщение Дмитрий 1 » 11 ноя 2016, 19:16

TOPMO3, Про вентиляторы ,точно не уверен. .как эти провода распределены, по моторам? сделал фото.
ПАВ,
Аналогично и с лампой- что там, у ламп? от ламп идет отдельный шнурок, фишка на два провода.
Что бы паять плату нужна точность и опыт .я могу все испоганить, опыта работы с паяльником нет ,да еще и плата ,тут нужна ювелирная работа. спаять тупо два три провода, не вопрос ,но с платой могу не справиться,
Вложения
20161111_190206[1].jpg
20161111_185156[1].jpg
Аватара пользователя
TOPMO3
Сообщения: 4181
Зарегистрирован: 29 фев 2016, 10:37
Репутация: 626
Откуда: Ижевск
Контактная информация:

Отказ модуля управления вытяжкой на кухне

Сообщение TOPMO3 » 11 ноя 2016, 21:07

Дмитрий 1 писал(а):Источник цитаты TOPMO3, Про вентиляторы ,точно не уверен. .как эти провода распределены, по моторам?
Надеюсь Вы не дальтоник?! Неужто не сможете ... написать/назвать количество и цвета приходящих проводов к каждому мотору?
сделал фото.
Я вижу три провода ... черный, красный и синий. А на второй мотор какие?
Смеюсь последний ... тормоз однако!
Аватара пользователя
Дмитрий 1
Сообщения: 16
Зарегистрирован: 07 ноя 2016, 16:23
Репутация: 0
Контактная информация:

Отказ модуля управления вытяжкой на кухне

Сообщение Дмитрий 1 » 12 ноя 2016, 08:11

TOPMO3, Я сделал фото,для того чтобы Вам было видно ,как провода идут внутри мотора.К каждому мотору идет четыре провода: синий ,красный ,черный расположены" сверху" мотора на фото слева ,белый провод идет в "нижнюю " часть мотора (на фото видно ,присмотритесь) .Коричневый провод соединяет что то внутри мотора ,на фишку он не выходит. Итог: на один мотор от фишки идет четыре провода ( белый , красный ,черный ,синий). На второй мотор также четыре провода.
ПАВ
Сообщения: 7647
Зарегистрирован: 13 авг 2015, 19:54
Репутация: 923
Откуда: Одесса
Контактная информация:

Отказ модуля управления вытяжкой на кухне

Сообщение ПАВ » 12 ноя 2016, 09:14

Скорее всего вариант такой- на малой скорости работает одна половина статора, на большей- две параллельно. Например С/К плюс Б/Ч
В жизни все не так, как на самом деле...
Аватара пользователя
TOPMO3
Сообщения: 4181
Зарегистрирован: 29 фев 2016, 10:37
Репутация: 626
Откуда: Ижевск
Контактная информация:

Отказ модуля управления вытяжкой на кухне

Сообщение TOPMO3 » 12 ноя 2016, 10:47

Дмитрий 1 писал(а):Источник цитаты Итог: на один мотор от фишки идет четыре провода ( белый , красный ,черный ,синий). На второй мотор также четыре провода.

ПАВ писал(а):Источник цитаты Скорее всего вариант такой- на малой скорости работает одна половина статора, на большей- две параллельно. Например С/К плюс Б/Ч
Тут я "поплыл" ... это что ... оба двигателя трехскоростные чтоли?
Как тогда реализованы эти три режима (при одинаковых раскладках проводов)?
Получается по одиночке они не работали!
Была бы плата на руках ... я бы узнал по алгоритму включений релюшек! :pardon:
Смеюсь последний ... тормоз однако!
Аватара пользователя
TOPMO3
Сообщения: 4181
Зарегистрирован: 29 фев 2016, 10:37
Репутация: 626
Откуда: Ижевск
Контактная информация:

Отказ модуля управления вытяжкой на кухне

Сообщение TOPMO3 » 12 ноя 2016, 11:39

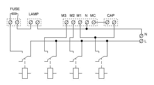
ПАВ, какие Ваши предположения по подключению этих проводов?
Вложения
0.jpg
0.jpg (12 КБ) 3679 просмотров
Последний раз редактировалось TOPMO3 12 ноя 2016, 11:40, всего редактировалось 1 раз.
Смеюсь последний ... тормоз однако!
ПАВ
Сообщения: 7647
Зарегистрирован: 13 авг 2015, 19:54
Репутация: 923
Откуда: Одесса
Контактная информация:

Отказ модуля управления вытяжкой на кухне

Сообщение ПАВ » 12 ноя 2016, 11:40

Тогда еще вариант- мин. скорость при двух последовательно, средняя- одна обмотка, макс- две параллельно получится? Коричнейвый там явно соединен с выводом верхней обмотки и нижней, а белый- с концом нижней.
Что-то нет вдохновения думать с утра...
В жизни все не так, как на самом деле...
Аватара пользователя
TOPMO3
Сообщения: 4181
Зарегистрирован: 29 фев 2016, 10:37
Репутация: 626
Откуда: Ижевск
Контактная информация:

Отказ модуля управления вытяжкой на кухне

Сообщение TOPMO3 » 12 ноя 2016, 11:56

А может М1, М2 - это отводы от общей обмотки (М3 - максимальные обороты) ... или наоборот. :ok:
Вложения
0.jpg
0.jpg (9.03 КБ) 3679 просмотров
Смеюсь последний ... тормоз однако!


  • Реклама

Вернуться в «Ремонт бытовой техники (стиральные машины, пылесосы, фены, вентиляторы, СВЧ-печи и т.п.)»

Кто сейчас на конференции

Сейчас этот форум просматривают: нет зарегистрированных пользователей и 4 гостя