
TOPMO3 писал(а):Источник цитаты Paul1978, вот скачайте (с моего яндекс_диска) документ по Вашему нагревателю. https://yadi.sk/i/cSUVV7Rd3QaMsK
Пригодится при востановлении.
Paul1978 писал(а):Источник цитаты но все же не уловил смысла отключения узо при заземлении корпуса и нормальной работе при подключении к корпусу нуля
elalex писал(а):Источник цитаты Paul1978, утечка на корпус есть, а УЗО срабатывать не должно - неправильная схема.
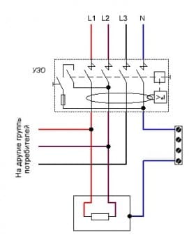
Paul1978 писал(а):Источник цитаты Дело в том , что при подключение заземления на корпус нагревателя, узо срабатывает,а если к корпусу подключить ноль,то все работает нормально , почему? Система заземления ТТ. Заранее спасибо за ответы.
elalex писал(а):Источник цитаты Да. Сначала обведите РЕ снаружи УЗО.
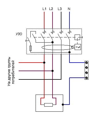
И вообще, различаете РЕ, N и РЕN? Знаете, что РЕN нельзя рвать аппаратами? Знаете, что на всякий случай 4-полюсные УЗО в 3-фазных 4-проводных сетях запрещены? - это для тех, кто после УЗО вздумает сделать систему TN-C, как у вас.
кви-45 писал(а):Источник цитатыPaul1978 писал(а):Источник цитаты Дело в том , что при подключение заземления на корпус нагревателя, узо срабатывает,а если к корпусу подключить ноль,то все работает нормально , почему? Система заземления ТТ. Заранее спасибо за ответы.
А вы не пробовали отсоединить нагреватели от фаз, а далее сделать все как вы делали раньше. Включить УЗО и сделать поочередное подсоединение N и PE.
Ваша схемане только некорректная, но и не дает полную инфу.Paul1978 писал(а):Источник цитаты Вот схема как сейчас ...


TOPMO3 писал(а):Источник цитатыВаша схемане только некорректная, но и не дает полную инфу.Paul1978 писал(а):Источник цитаты Вот схема как сейчас ...
Ответьте на вопросы:
1. Если имеется автомат на 20А ... зачем решили использовать УЗО, незнаючи как оно работает и как его надо подключать?
2. Зачем к "другим группам потребителей" отправили три фазы (L1, L2, и L3) ... хотя точно известно, что там только однофазные потребители (т.е. надо L1 и N)?
3. Что из этих "др.групп" у Вас подключено?
После подробных ответов ... будем (хором) исправлять.
Я, Вас, не просил рисовать, а просил ответить на вопросы.Paul1978 писал(а):Источник цитатыХорошо, буду рисовать
Paul1978 писал(а):Источник цитаты А вы не пробовали отсоединить нагреватели от фаз, а далее сделать все как вы делали раньше. Включить УЗО и сделать поочередное подсоединение N и PE.
Нет,а что бы это дало?
Вернуться в «УЗО и дифференциальные автоматы»
Сейчас этот форум просматривают: нет зарегистрированных пользователей и 11 гостей