Три однофазных вместо трехфазного? Тяжелый случай

Принцип работы, типы и разновидности, выбор, проверка, схемы подключения, причины отключения и т.п.
Аватара пользователя
TOPMO3
Сообщения: 4181
Зарегистрирован: 29 фев 2016, 10:37
Репутация: 626
Откуда: Ижевск
Контактная информация:

Три однофазных вместо трехфазного? Тяжелый случай

Сообщение TOPMO3 » 05 мар 2018, 08:07

Вы, мне кажется, меня не поняли ... я ничего не хочу ни доказывать, ни убеждать ... я действительно пытался понять смысл этого пункта
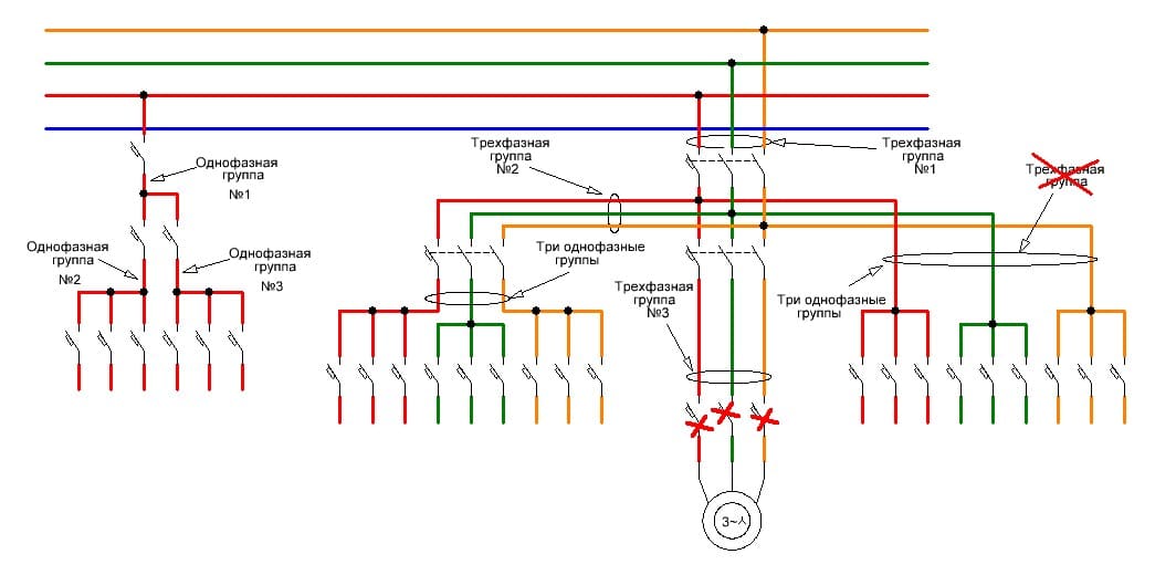
"10.1 Групповые линии освещения могут быть одно-, двух- и трехфазными в зависимости от их протяженности и числа присоединенных светильников. При этом в двух- и трехфазных групповых линиях запрещается применение предохранителей и однополюсных автоматических выключателей. ". :pardon:
Может я не понятно выражаю свой вопрос ... попробую графически и возможно "заблудился в трех соснах"! :biggrin:
Вложения
000.jpg
Смеюсь последний ... тормоз однако!
Реклама
Аватара пользователя
кви-45
Сообщения: 714
Зарегистрирован: 25 окт 2015, 20:31
Репутация: 254
Контактная информация:

Три однофазных вместо трехфазного? Тяжелый случай

Сообщение кви-45 » 05 мар 2018, 12:17

180305090735_0001.jpg
180305090815_0001.jpg
TOPMO3 писал(а):Источник цитаты "
10.1 Групповые линии освещения могут быть одно-, двух- и трехфазными в зависимости от их протяженности и числа присоединенных светильников. При этом в двух- и трехфазных групповых линиях запрещается применение предохранителей и однополюсных автоматических выключателей. "


Я считаю , что так будет правильно. Групповая линия это та , от которой запитан потребитель , но может и ошибаюсь.
За электробезопасность необходимо ПЛАТИТЬ,
за ее отсутствие РАСПЛАЧИВАТЬСЯ!
Аватара пользователя
TOPMO3
Сообщения: 4181
Зарегистрирован: 29 фев 2016, 10:37
Репутация: 626
Откуда: Ижевск
Контактная информация:

Три однофазных вместо трехфазного? Тяжелый случай

Сообщение TOPMO3 » 06 мар 2018, 09:52

кви-45 писал(а):Источник цитатыЯ считаю , что ... Групповая линия это та , от которой запитан потребитель ...
Походу у нас разное понимание в названии групп.
Я считаю, что одно-, двух- или трехфазная группа, свое название получает от количества фазных проводников ... вы определяете это название по потребителю, название которому сами же даете.
Мне не понятно, зачем/как, три однофазных светильника, превращаются в трехфазный потребитель! :help:
Смеюсь последний ... тормоз однако!
Аватара пользователя
mastervictor
Сообщения: 4494
Зарегистрирован: 23 июл 2015, 08:50
Репутация: 508
Откуда: Краснодар(почти)
Контактная информация:

Три однофазных вместо трехфазного? Тяжелый случай

Сообщение mastervictor » 06 мар 2018, 11:35

Если АВ питает СМ,это АВ-СМ.
Если АВ питает лампочку над воротами,это АВ лампочки над воротами.
Если АВ питает несколько розеток спальни,это будет групповой АВ.
Либо групповой АВ,это все АВ после вводного.
Нет ничего невозможного,необходимо две вещи,время и деньги!(Я :hi: )
Я отношусь к людям так,как они относятся ко мне!(Я :hi: )
Аватара пользователя
кви-45
Сообщения: 714
Зарегистрирован: 25 окт 2015, 20:31
Репутация: 254
Контактная информация:

Три однофазных вместо трехфазного? Тяжелый случай

Сообщение кви-45 » 06 мар 2018, 11:41

TOPMO3 писал(а):Источник цитаты
Мне не понятно, зачем/как, три однофазных светильника, превращаются в трехфазный потребитель!


Я имею ввиду трехфазную люстру, к которой подведена трехфазная групповая линия (три фазы + N), в такой линии обязательно должен быть установлен для защиты один трехфазный автомат, а не три однофазных. Если потребитель (светильник) однофазный , то линия защищается однофазным автоматом.
Ну а насчет разного понимания согласен, я уже писал , что мы каждый о своем.
За электробезопасность необходимо ПЛАТИТЬ,
за ее отсутствие РАСПЛАЧИВАТЬСЯ!
Аватара пользователя
TOPMO3
Сообщения: 4181
Зарегистрирован: 29 фев 2016, 10:37
Репутация: 626
Откуда: Ижевск
Контактная информация:

Три однофазных вместо трехфазного? Тяжелый случай

Сообщение TOPMO3 » 06 мар 2018, 13:21

mastervictor писал(а):Источник цитаты Если АВ питает ...
Вы привели соответствие названий автоматов/потребитель, к определению названия группы - не подходит. :pardon:
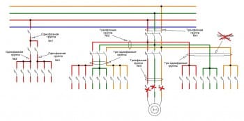
Кароче, кажется "догнал" я ... походу, или я тормоз, или авторы пункта:
"10.1 Групповые линии освещения могут быть одно-, двух- и трехфазными в зависимости от их протяженности и числа присоединенных светильников. При этом в двух- и трехфазных групповых линиях запрещается применение предохранителей и однополюсных автоматических выключателей. "... не сумели донести свою мысль грамотно.
Название группы не зависит от количества фазных проводников, а только от свойств потребителя (выше ... мое мнение было ошибочным).
Эти свойства определяют название подходящих к нему группу проводников. :yes:
Самое интересное ... эти же провода, одновременно,могут принадлежать и группам с другим названием, т.е. они могут называться и трехфазной группой, и тремя однофазными группами.
Вложения
01.JPG
Смеюсь последний ... тормоз однако!
ПАВ
Сообщения: 7647
Зарегистрирован: 13 авг 2015, 19:54
Репутация: 923
Откуда: Одесса
Контактная информация:

Три однофазных вместо трехфазного? Тяжелый случай

Сообщение ПАВ » 06 мар 2018, 13:42

Один хрен, не совсем понимаю, зачем освещение связывать трехполюсным АВ! Ну сработал он нечаянно, и все, ищи фонарики. Или же аварийное надо изобретать?
В жизни все не так, как на самом деле...
Аватара пользователя
кви-45
Сообщения: 714
Зарегистрирован: 25 окт 2015, 20:31
Репутация: 254
Контактная информация:

Три однофазных вместо трехфазного? Тяжелый случай

Сообщение кви-45 » 06 мар 2018, 14:48

mastervictor » Сегодня, 11:35

Если АВ питает СМ,это АВ-СМ.
Если АВ питает лампочку над воротами,это АВ лампочки над воротами.
Если АВ питает несколько розеток спальни,это будет групповой АВ.
Либо групповой АВ,это все АВ после вводного.

7.1.12. ПУЭ Групповая сеть — сеть от щитков и распределительных пунктов до светильников, штепсельных розеток и других электроприемников.
Да все автоматы после вводного это групповые автоматы, они могут быть как однофазными так и трехфазными.
За электробезопасность необходимо ПЛАТИТЬ,
за ее отсутствие РАСПЛАЧИВАТЬСЯ!
Аватара пользователя
кви-45
Сообщения: 714
Зарегистрирован: 25 окт 2015, 20:31
Репутация: 254
Контактная информация:

Три однофазных вместо трехфазного? Тяжелый случай

Сообщение кви-45 » 06 мар 2018, 15:09

[quote="TOPMO3"]Источник цитаты

Ну вот вроде подошли к одному знаменателю.
За электробезопасность необходимо ПЛАТИТЬ,
за ее отсутствие РАСПЛАЧИВАТЬСЯ!
Аватара пользователя
mastervictor
Сообщения: 4494
Зарегистрирован: 23 июл 2015, 08:50
Репутация: 508
Откуда: Краснодар(почти)
Контактная информация:

Три однофазных вместо трехфазного? Тяжелый случай

Сообщение mastervictor » 06 мар 2018, 15:59

TOPMO3 писал(а):Источник цитаты не подходит.

Либо мы друг друга не поняли,но цитата из ПУЭ,это не туда.
кви-45 писал(а):Источник цитаты 7.1.12. ПУЭ Групповая сеть

ВО!Это туда!БЗ!
кви-45 писал(а):Источник цитаты Ну вот вроде подошли к одному знаменателю.

:drink:
Нет ничего невозможного,необходимо две вещи,время и деньги!(Я :hi: )
Я отношусь к людям так,как они относятся ко мне!(Я :hi: )


  • Реклама

Вернуться в «УЗО и дифференциальные автоматы»

Кто сейчас на конференции

Сейчас этот форум просматривают: нет зарегистрированных пользователей и 8 гостей