Где правильно контролировать "рабочий" ноль?

Вопросы, связанные с устройством и монтажом заземления и зануления. Системы заземления и системы уравнивания потенциалов (СУП), молниезащита, грозозащита и т.п.
Аватара пользователя
кви-45
Сообщения: 714
Зарегистрирован: 25 окт 2015, 20:31
Репутация: 254
Контактная информация:

Где правильно контролировать "рабочий" ноль?

Сообщение кви-45 » 06 апр 2018, 20:12

TOPMO3 писал(а):Источник цитаты
От шины ГЗШ будут отходить все PEN_проводники (желто-зеленые) к потребителям (оборудованиям).


В нашем случае рассматривается система TN-C-S , получившиеся после разделения PEN проводника, поэтому от ГЗШ ,после разделения выполняющей функции РЕ шины , должны отходить только РЕ проводники. Вы наверное опечатались указав, что будут отходить PEN проводники. Так как после точки разделения РЕ и N проводники объединять нельзя.
За электробезопасность необходимо ПЛАТИТЬ,
за ее отсутствие РАСПЛАЧИВАТЬСЯ!
Реклама
Аватара пользователя
TOPMO3
Сообщения: 4181
Зарегистрирован: 29 фев 2016, 10:37
Репутация: 626
Откуда: Ижевск
Контактная информация:

Где правильно контролировать "рабочий" ноль?

Сообщение TOPMO3 » 06 апр 2018, 21:27

Ага ... опечатка. :blush:
Смеюсь последний ... тормоз однако!
Аватара пользователя
Леопольд
Сообщения: 2199
Зарегистрирован: 05 янв 2016, 14:35
Репутация: 74
Контактная информация:

Где правильно контролировать "рабочий" ноль?

Сообщение Леопольд » 07 апр 2018, 06:16

Мне не понятен заголовок "Где правильно контролировать "рабочий" ноль?". Ну вот объяснили где. И как Вы его теперь будете контролировать?
Кандидат в младшие помощники начинающего ученика электрика
ПАВ
Сообщения: 7647
Зарегистрирован: 13 авг 2015, 19:54
Репутация: 923
Откуда: Одесса
Контактная информация:

Где правильно контролировать "рабочий" ноль?

Сообщение ПАВ » 07 апр 2018, 08:03

Слово "контролировать" только в русском означает одно- наблюдать, проверять, бдить... У буржуев это и управление, и регурировка и проч, например- контроллер (англ. controller — регулятор, управляющее устройство), поэтому что в данном случае означает сие- уточнить у ТС.
В жизни все не так, как на самом деле...
Аватара пользователя
Леопольд
Сообщения: 2199
Зарегистрирован: 05 янв 2016, 14:35
Репутация: 74
Контактная информация:

Где правильно контролировать "рабочий" ноль?

Сообщение Леопольд » 07 апр 2018, 10:31

ПАВ писал(а):Источник цитаты уточнить у ТС

Именно это и пытаюсь узнать. Есть подозрение, что это связано с "отгоранием нуля". Фобия это или по инструкции так положено (и называется) прошу прокомментировать Константина.
ТС! Может следует переформулировать название темы (для лучшего взаимопонимания)?
Последний раз редактировалось Леопольд 07 апр 2018, 11:18, всего редактировалось 2 раза.
Кандидат в младшие помощники начинающего ученика электрика
Аватара пользователя
кви-45
Сообщения: 714
Зарегистрирован: 25 окт 2015, 20:31
Репутация: 254
Контактная информация:

Где правильно контролировать "рабочий" ноль?

Сообщение кви-45 » 07 апр 2018, 11:12

ПАВ писал(а):Источник цитаты
поэтому что в данном случае означает сие- уточнить у ТС.

Согласен, это должен уточнить ТС, но я думаю он под контролем нейтрали понимает контролируемую коммутацию нуля совместно с фазными проводниками, вот только не знает , где это надо производить в ВРУ, РП или ШР
За электробезопасность необходимо ПЛАТИТЬ,
за ее отсутствие РАСПЛАЧИВАТЬСЯ!
Аватара пользователя
elalex
Сообщения: 7423
Зарегистрирован: 21 июл 2015, 08:08
Репутация: 591
Откуда: [email protected]
Контактная информация:

Где правильно контролировать "рабочий" ноль?

Сообщение elalex » 07 апр 2018, 11:26

Таких дурных контролей можно придумать до чёрта. Скажем, контролировать целостность проводов или трезвость электрика. Наверно, у ТС всё остальное в порядке, и ему нечем заняться.
Одиночный свободный электрик
Опыт ремонтов квартир 20лет
Высшее электрическое образование
Бывший инженер-электрик
Пенсионер
64 года
Пишу для владельцев частного жилья
Запасной E–mail для россиян: [email protected]
Аватара пользователя
кви-45
Сообщения: 714
Зарегистрирован: 25 окт 2015, 20:31
Репутация: 254
Контактная информация:

Где правильно контролировать "рабочий" ноль?

Сообщение кви-45 » 07 апр 2018, 12:37

Да, трезвость электрика надо контролировать , а также обязательно их адекватность и психическое состояние. Один раз в два года по правилам.
За электробезопасность необходимо ПЛАТИТЬ,
за ее отсутствие РАСПЛАЧИВАТЬСЯ!
Аватара пользователя
Константин
Сообщения: 3464
Зарегистрирован: 16 сен 2015, 10:19
Репутация: 851
Откуда: Новосибирская область
Контактная информация:

Где правильно контролировать "рабочий" ноль?

Сообщение Константин » 07 апр 2018, 16:41

TOPMO3 писал(а):Источник цитаты Ага ... опечатка.

Думаю нет. Аль вы забросили свою идею с повторой(повторкой)? Ну то есть с повторным заземлением PEN в нутри щита. Просто я так не думаю что вы от этого откажитесь.
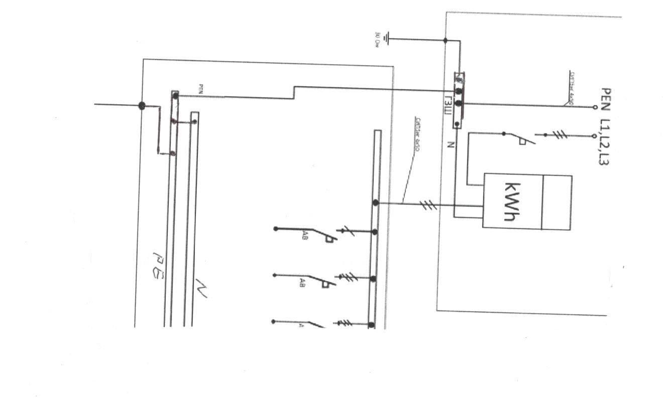
У меня есть подозрения, что на 1 фото пытались сделать шлейф ввода до второго ВРУ. Возможно на этом объекте их несколько. ТС об этом не говорит.
Вот поэтому мы видем на фото такую чепуху с неправильным расположением присоединения проводников. Помните когда то вы говорили, что зачем делить у как вы тогда назвали вроде ЩУ(Щит Учета) мол это не является ВРУ. А я утверждал об обратном. Что он будет являться ВРУ частного дома. Так вот. Вот походу монтажники и пытались выполнили так. Но по нормам повторное заземление нейтрали должно выполняться на ВЛ,а в нутри металлокорпуса в здании нет так как TN-C запрещена и не используется. Подавайте TN-C-S. Вот и получилась такая у них чихарда. Они дорабатывали схему разделением в щите на фото 1. Так как нужна TN-C-S в качестве защитной меры. А ввод один походу. И тянуть шлейф далеко. 5ти жильной брони нет. Вот и делят в двух местах.
Аватара пользователя
TOPMO3
Сообщения: 4181
Зарегистрирован: 29 фев 2016, 10:37
Репутация: 626
Откуда: Ижевск
Контактная информация:

Где правильно контролировать "рабочий" ноль?

Сообщение TOPMO3 » 08 апр 2018, 16:39

Константин писал(а):Источник цитаты
TOPMO3 писал(а):Источник цитаты Ага ... опечатка.

Думаю нет. ...
Честно признаюсь ... я так далеко не думал, и в мыслях было написать именно РЕ.
Хотя после прочтения Вашего поста ... получается (теоритически) правильно, но вот не уверен, что в городских условиях возможна "повторка", на практике.
Смеюсь последний ... тормоз однако!
Аватара пользователя
Константин
Сообщения: 3464
Зарегистрирован: 16 сен 2015, 10:19
Репутация: 851
Откуда: Новосибирская область
Контактная информация:

Где правильно контролировать "рабочий" ноль?

Сообщение Константин » 09 апр 2018, 17:36

TOPMO3 писал(а):Источник цитаты олучается (теоритически) правильно, но вот не уверен, что в городских условиях возможна "повторка", на практике.

А вот мне нужно скоро сделать подобное. Вот думаю над решением проблемы. Возможно попробую применить ваш способ как раз для ВПУ.
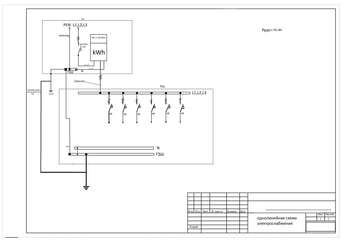
Повторное заземление нейтрали выполнить, а вот деление PEN на PE и N не делать. Выполнить его в РЩ. Так там уже это сделано.
Ситуация сложилась из за местных сетей с которым судился заказчик. Суд выиграл но. Сети отказались ставить расчетный прибор чета на ТП а тупо выполнили монтаж ВЛ к объекту.И расчетный счетчик сбросили на установку на фасад здания(к ближайшей точке присоединения). Соответственно силами заказчика. Доблестные робин гуды из энергосбыта пришли к заказчику и предложили собрать щит учета. Но я их работу устанавливать отказался. Со словами если они соберают пусть и устанавливают и подключают. Я под их работой подписываться не собираюсь. Заказчик зная меня от их услуг отказался.
у меня нарисовывается пока два варианта.
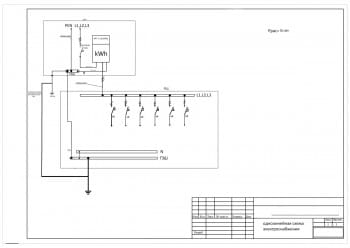
1.
Вармант 1.jpg

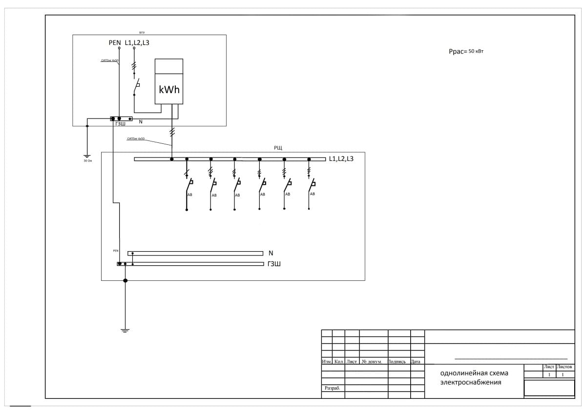
2.
ВАРИАНТ 2.jpg

Ну, что друзья коллеги. Какой вариант нравится?
PS. За масштабы извиняюсь так как листы в 4500 пикселей. форум такого не поддерживает пришлось изменить на 1200 к сожалению подписи некоторые проводников стали вовсе не видны. Кому если подробней надо могу масштабно увеличить фрагменты.
Аватара пользователя
TOPMO3
Сообщения: 4181
Зарегистрирован: 29 фев 2016, 10:37
Репутация: 626
Откуда: Ижевск
Контактная информация:

Где правильно контролировать "рабочий" ноль?

Сообщение TOPMO3 » 09 апр 2018, 20:38

Мне каажется сечения 50мм.кв. вполне достаточно ... на фига еще с полосой вазюкаться.
Или Вы его типа, горизонтального заземлителя ... под землю? Если нет - на фиг. :smile:
Последний раз редактировалось TOPMO3 09 апр 2018, 20:41, всего редактировалось 1 раз.
Смеюсь последний ... тормоз однако!
Аватара пользователя
кви-45
Сообщения: 714
Зарегистрирован: 25 окт 2015, 20:31
Репутация: 254
Контактная информация:

Где правильно контролировать "рабочий" ноль?

Сообщение кви-45 » 09 апр 2018, 20:39

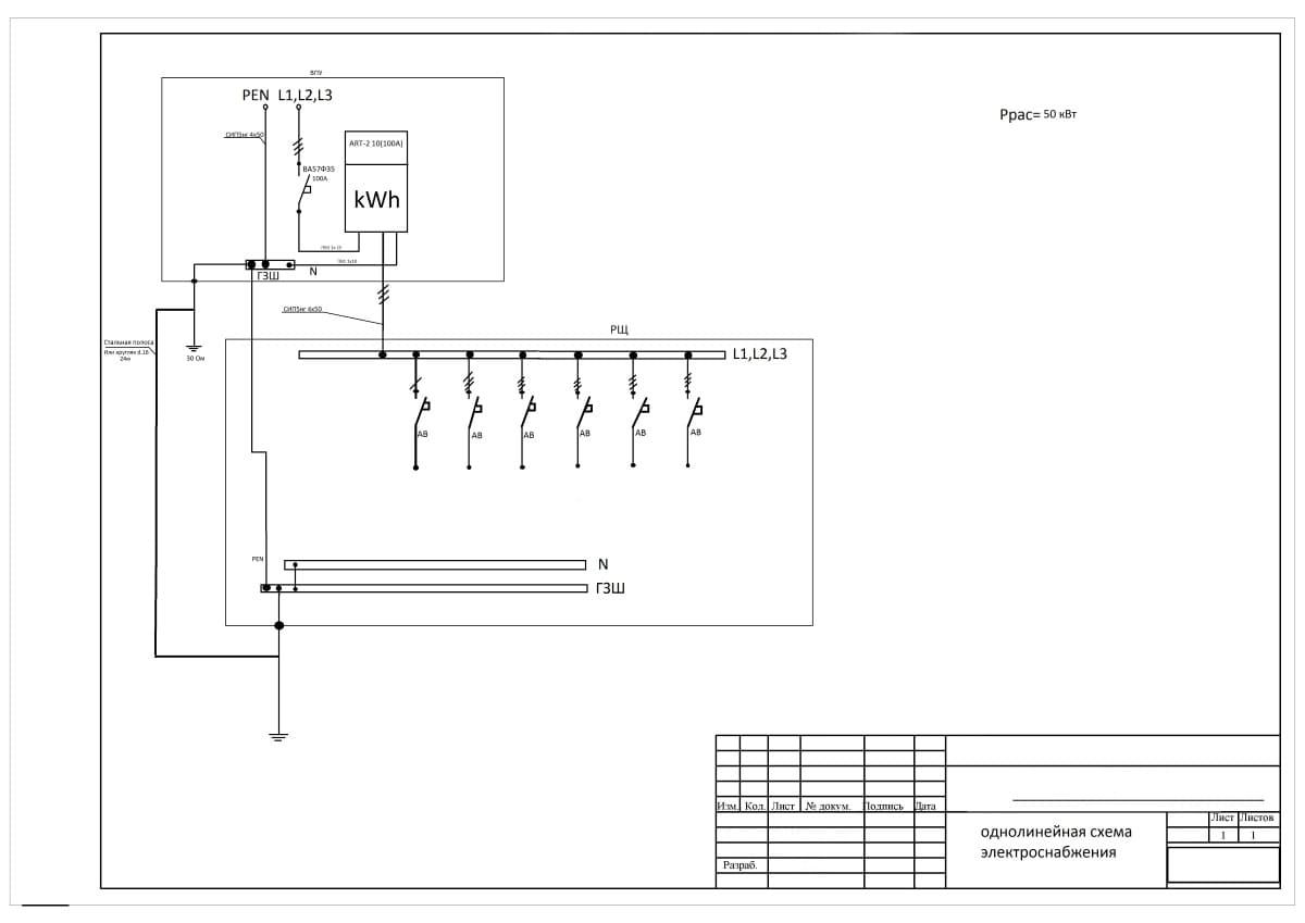
quote="Константин"]Источник цитаты Какой вариант нравится?[/quote]

Раз уже так сделано, то второй более надежный, но более затратный во всех отношениях. Только я бы изменил точки схемы расключения проводников, а то получается ток с перемычки N стекая на шину ГЗШ будет наводить потенциал
в зоне РЕ. Точка N должна должна подсоединяться между точкой PEN и точкой присоединения заземляющего проводника. В Ваш рисунок внес свои изменения, отсканировал, но что-то он не проходит.
За электробезопасность необходимо ПЛАТИТЬ,
за ее отсутствие РАСПЛАЧИВАТЬСЯ!
Аватара пользователя
TOPMO3
Сообщения: 4181
Зарегистрирован: 29 фев 2016, 10:37
Репутация: 626
Откуда: Ижевск
Контактная информация:

Где правильно контролировать "рабочий" ноль?

Сообщение TOPMO3 » 09 апр 2018, 20:47

кви-45 писал(а):Источник цитаты Только я бы изменил точки схемы расключения проводников, а то получается ток с перемычки N стекая на шину ГЗШ будет наводить потенциал в зоне РЕ.
Пока картинки нет ... я правильно понимаю, что Вы имеете в виду запрещение на прохождение рабочего тока (нулевого) по защитному?
Вложения
10.jpg
Смеюсь последний ... тормоз однако!
Аватара пользователя
Константин
Сообщения: 3464
Зарегистрирован: 16 сен 2015, 10:19
Репутация: 851
Откуда: Новосибирская область
Контактная информация:

Где правильно контролировать "рабочий" ноль?

Сообщение Константин » 09 апр 2018, 20:58

TOPMO3 писал(а):Источник цитаты не каажется сечения 50мм.кв. вполне достаточно ... на фига еще с полосой вазюкаться.
Или Вы его типа, горизонтального заземлителя ... под землю?

Угадали. Да под землю. Обрулить вокруг здания. 24 метра закопать на штык лопаты и объединить ЗУ воедино. Грунт вроде начинает отходить от морозов потихоньку. Ситуация похожа получается, что у нашего ТС. Один ввод и два щита.
кви-45 писал(а):Источник цитаты Только я бы изменил точки схемы расключения проводников, а то получается ток с перемычки N стекая на шину ГЗШ будет наводить потенциал
в зоне РЕ. Точка N должна должна подсоединяться между точкой PEN и точкой присоединения заземляющего проводника. В Ваш рисунок внес свои изменения, отсканировал, но что-то он не проходит.

Я понял вас. Скорректировал.
ВАРИАНТ 2.jpg
Аватара пользователя
кви-45
Сообщения: 714
Зарегистрирован: 25 окт 2015, 20:31
Репутация: 254
Контактная информация:

Где правильно контролировать "рабочий" ноль?

Сообщение кви-45 » 09 апр 2018, 21:09

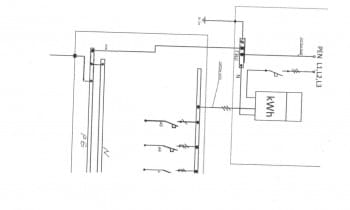
Да, все так как предлагал. Вот у меня тоже получилось
Рисунок (48).jpg
За электробезопасность необходимо ПЛАТИТЬ,
за ее отсутствие РАСПЛАЧИВАТЬСЯ!


  • Реклама

Вернуться в «Заземление и молниезащита»

Кто сейчас на конференции

Сейчас этот форум просматривают: нет зарегистрированных пользователей и 14 гостей