вкл. реверса АД с помощью одного реле времни

Выбор, пуск, схемы подключения и соединения обмоток, реверс различных электродвигателей.
Военпенс
Сообщения: 17
Зарегистрирован: 03 май 2018, 01:17
Репутация: 1
Откуда: Уфа
Контактная информация:

вкл. реверса АД с помощью одного реле времни

Сообщение Военпенс » 08 май 2018, 21:33

Или алгоритм предполагает приведение тут графиков.... звиняйте хлопцы. ..знал бы прикуп... жил бы в Сочи.. от того что академии не кончал, и обратился за помощью к уважаемым знатокам на этот форум
Реклама
Военпенс
Сообщения: 17
Зарегистрирован: 03 май 2018, 01:17
Репутация: 1
Откуда: Уфа
Контактная информация:

вкл. реверса АД с помощью одного реле времни

Сообщение Военпенс » 08 май 2018, 21:42

Или алгоритм предполагает приведение здесь всех графиков ....ну извините тогда.... я на этот форум за помощью... а вы меня сразу на ''место ставить''
Военпенс
Сообщения: 17
Зарегистрирован: 03 май 2018, 01:17
Репутация: 1
Откуда: Уфа
Контактная информация:

вкл. реверса АД с помощью одного реле времни

Сообщение Военпенс » 08 май 2018, 22:20

К сведению. .... Роман90 без показывания своей важности, сразу дал очень нужные советы... типа.... нате вам на любой ваш вкус...
Спасибо вам, Роман90, :good: за очень дельные и полезные советы!!!
Военпенс
Сообщения: 17
Зарегистрирован: 03 май 2018, 01:17
Репутация: 1
Откуда: Уфа
Контактная информация:

вкл. реверса АД с помощью одного реле времни

Сообщение Военпенс » 08 май 2018, 22:31

Буду собирать схему задержки после стоп... пусть оператор или как вы тут его обозвали.... слесарь... понажимает кнопки.... а то подшипники жечь мы все умеем
Последний раз редактировалось Военпенс 08 май 2018, 23:33, всего редактировалось 1 раз.
Военпенс
Сообщения: 17
Зарегистрирован: 03 май 2018, 01:17
Репутация: 1
Откуда: Уфа
Контактная информация:

вкл. реверса АД с помощью одного реле времни

Сообщение Военпенс » 08 май 2018, 23:08

Вот когда оператор поймёт, что не всё подчинено анархии, тогда и освободим мы ему его пальцы :biggrin:
Аватара пользователя
Роман90
Сообщения: 25
Зарегистрирован: 07 май 2018, 11:07
Репутация: 5
Откуда: Брянск
Контактная информация:

вкл. реверса АД с помощью одного реле времни

Сообщение Роман90 » 09 май 2018, 00:09

Военпенс, я уже расписал как в п. 3.3,3.4: но-контакт значит нормально-открытый контакт, у нашего реле это 8-9 и 11-12, режим В. Читайте, в руководстве на PCU-510 же написано всё.
Аватара пользователя
Роман90
Сообщения: 25
Зарегистрирован: 07 май 2018, 11:07
Репутация: 5
Откуда: Брянск
Контактная информация:

вкл. реверса АД с помощью одного реле времни

Сообщение Роман90 » 09 май 2018, 01:04

Военпенс,
Вложения
2.gif
2.gif (7.51 КБ) 2205 просмотров
1.gif
Аватара пользователя
elalex
Сообщения: 7423
Зарегистрирован: 21 июл 2015, 08:08
Репутация: 591
Откуда: [email protected]
Контактная информация:

вкл. реверса АД с помощью одного реле времни

Сообщение elalex » 09 май 2018, 03:09

1.Оказание помощи на форуме имеет вид советов, которые нужно выполнять.
Если считать выполнение советов оскорблением, "ставлением на место", не выполнять советы, то дела не будет. И на форуме время от времени появляются люди, считающие, что форум им неправильно (или вообще не) помогает.
2.Диаграмма работы схемы - графическое изображение порядка происхождения событий, описанного словами. Пример - диаграмма работы реле времени в заводской инструкции. В простейшем случае колонкой (а не в строчку) пишется порядок происхождения событий.
3.Конечно, если несложно, всегда стоит делать " защиту от дурака". Но дурак всегда найдёт способ сделать дурость. В сложных случаях бывает проще отбить дураку руки.
4.Я вроде понял из слов, что требуется, и тоже буду не рисовать, а писать.
Берётся стандартная схема реверсивного пускателя. Вместо НО (размыкающих) контактов кнопки "Стоп" ставятся такие же контакты (с задержкой на замыкание) реле времени. Брать электронное реле времени с высокой точностью поддержания выдержки времени и широким их диапазоном - смысла нет. Достаточно простейшее, типа советского РВП72.
Реле времени включается кратковременным нажатием на кнопку "Стоп".
Одиночный свободный электрик
Опыт ремонтов квартир 20лет
Высшее электрическое образование
Бывший инженер-электрик
Пенсионер
64 года
Пишу для владельцев частного жилья
Запасной E–mail для россиян: [email protected]
Военпенс
Сообщения: 17
Зарегистрирован: 03 май 2018, 01:17
Репутация: 1
Откуда: Уфа
Контактная информация:

вкл. реверса АД с помощью одного реле времни

Сообщение Военпенс » 09 май 2018, 05:50

Всем выношу огромную благоданность за помощь в моем вопросе. Вижу и чувствую, действительно помогли! Принимаю и буду стараться выполнять конкретные рекомендации по поведению на форуме ! Всем спасибо!!!
Военпенс
Сообщения: 17
Зарегистрирован: 03 май 2018, 01:17
Репутация: 1
Откуда: Уфа
Контактная информация:

вкл. реверса АД с помощью одного реле времни

Сообщение Военпенс » 09 май 2018, 06:08

''Александр Пушкин О сколько нам открытий чудных Готовят просвещенья дух И опыт, сын ошибок трудных, И гений, парадоксов друг, И случай, бог изобретатель''.
Аватара пользователя
TOPMO3
Сообщения: 4181
Зарегистрирован: 29 фев 2016, 10:37
Репутация: 626
Откуда: Ижевск
Контактная информация:

вкл. реверса АД с помощью одного реле времни

Сообщение TOPMO3 » 09 май 2018, 09:43

Военпенс, во втором посту своей темы, Вы привели схему и поставили вопрос ... как можно изменить её, чтобы она согласовывалась с Вашими "хотелками".
Вас попросили объяснить, чем эта схема не удовлетворяет, какой требуется алгоритм ... и пошла по теме бла-бла-бла. :biggrin:

з.ы. Как я понял, суть темы: "Хочу собрать вот такую схему ... какое реле времени применить?"
Смеюсь последний ... тормоз однако!
Аватара пользователя
TOPMO3
Сообщения: 4181
Зарегистрирован: 29 фев 2016, 10:37
Репутация: 626
Откуда: Ижевск
Контактная информация:

вкл. реверса АД с помощью одного реле времни

Сообщение TOPMO3 » 09 май 2018, 14:13

Гм ... взялся перечитывать тему ... обнаружил отредактированный пост от автора (третий из его постов) ... комментировать не буду.
Смеюсь последний ... тормоз однако!
Военпенс
Сообщения: 17
Зарегистрирован: 03 май 2018, 01:17
Репутация: 1
Откуда: Уфа
Контактная информация:

вкл. реверса АД с помощью одного реле времни

Сообщение Военпенс » 16 май 2018, 07:50

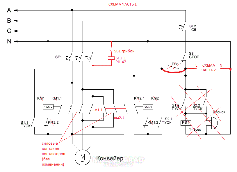
...реле времени всяких, разных много, но куда соединить исполнительные контакты оных в СТАНДАРТНУЮ ЭЛ. СХЕМУ РЕВЕРСА
, вот какой главный вопрос стоял в этой теме.


  • Реклама

Вернуться в «Электродвигатели переменного и постоянного тока»

Кто сейчас на конференции

Сейчас этот форум просматривают: нет зарегистрированных пользователей и 15 гостей