Подключение и заземление металлической бытовки

Вопросы, связанные с устройством и монтажом заземления и зануления. Системы заземления и системы уравнивания потенциалов (СУП), молниезащита, грозозащита и т.п.
Аватара пользователя
Sebr
Сообщения: 45
Зарегистрирован: 19 апр 2018, 19:07
Репутация: 1
Контактная информация:

Подключение и заземление металлической бытовки

Сообщение Sebr » 06 май 2018, 19:48

Константин писал(а):Источник цитаты Не надо этого делать было. Просто перетащите в окно.

Ну просто многолетняя привычка!) Опять же не хотел нагружать сервак форума!)
Реклама
Аватара пользователя
Sebr
Сообщения: 45
Зарегистрирован: 19 апр 2018, 19:07
Репутация: 1
Контактная информация:

Подключение и заземление металлической бытовки

Сообщение Sebr » 06 май 2018, 19:53

Константин писал(а):Источник цитаты Ничего если по бумагам строение есть. А то что вы его таким способом реконструируете(спалив) это законодательство не предусматривает.
Вот с бумагами там в лесу как раз всё и сложно! ;-) Пока всё это буду улаживать время идёт, а стройку начинать надо!
Аватара пользователя
Sebr
Сообщения: 45
Зарегистрирован: 19 апр 2018, 19:07
Репутация: 1
Контактная информация:

Подключение и заземление металлической бытовки

Сообщение Sebr » 06 май 2018, 20:03

Константин писал(а):Источник цитаты Нет. Вот что вижу я.

Интересно, а у меня всё показывает! )
Аватара пользователя
Константин
Сообщения: 3464
Зарегистрирован: 16 сен 2015, 10:19
Репутация: 851
Откуда: Новосибирская область
Контактная информация:

Подключение и заземление металлической бытовки

Сообщение Константин » 06 май 2018, 20:11

Sebr писал(а):Источник цитаты Интересно, а у меня всё показывает! )
Расположение ресурса потому что у вас на компьютере.
У меня нет к нему доступа,как я тогда его увижу. Поэтому пользуйтесь сервером обмена данными.
Аватара пользователя
Sebr
Сообщения: 45
Зарегистрирован: 19 апр 2018, 19:07
Репутация: 1
Контактная информация:

Подключение и заземление металлической бытовки

Сообщение Sebr » 06 май 2018, 20:57

IMG_20170908_171520.jpg
Аватара пользователя
Sebr
Сообщения: 45
Зарегистрирован: 19 апр 2018, 19:07
Репутация: 1
Контактная информация:

Подключение и заземление металлической бытовки

Сообщение Sebr » 06 май 2018, 20:59

IMG_20170908_171529.jpg
Аватара пользователя
Sebr
Сообщения: 45
Зарегистрирован: 19 апр 2018, 19:07
Репутация: 1
Контактная информация:

Подключение и заземление металлической бытовки

Сообщение Sebr » 06 май 2018, 22:43

Константин писал(а):Источник цитаты Расположение ресурса потому что у вас на компьютере.
У меня нет к нему доступа,как я тогда его увижу. Поэтому пользуйтесь сервером обмена данными.

Да нет, они на яндекс диске! Но сделал в итоге как вы сказали.
Аватара пользователя
Sebr
Сообщения: 45
Зарегистрирован: 19 апр 2018, 19:07
Репутация: 1
Контактная информация:

Подключение и заземление металлической бытовки

Сообщение Sebr » 07 май 2018, 10:49

Константин писал(а):Источник цитаты а вот что двухполюсной это не обязательно

Вот тоже слышал что энергетики не любят двухполюсные АВ (((, тогда нейтраль напрямую сразу на счётчик?
Аватара пользователя
Константин
Сообщения: 3464
Зарегистрирован: 16 сен 2015, 10:19
Репутация: 851
Откуда: Новосибирская область
Контактная информация:

Подключение и заземление металлической бытовки

Сообщение Константин » 07 май 2018, 15:00

Sebr писал(а):Источник цитаты Вот тоже слышал что энергетики не любят двухполюсные АВ (((, тогда нейтраль напрямую сразу на счётчик?

Ну я Энергетик. Я не работаю в городских электросетях,хоть не однократно туда звали. И кто вам сказал что я как то не люблю АВ на 2 полюса?
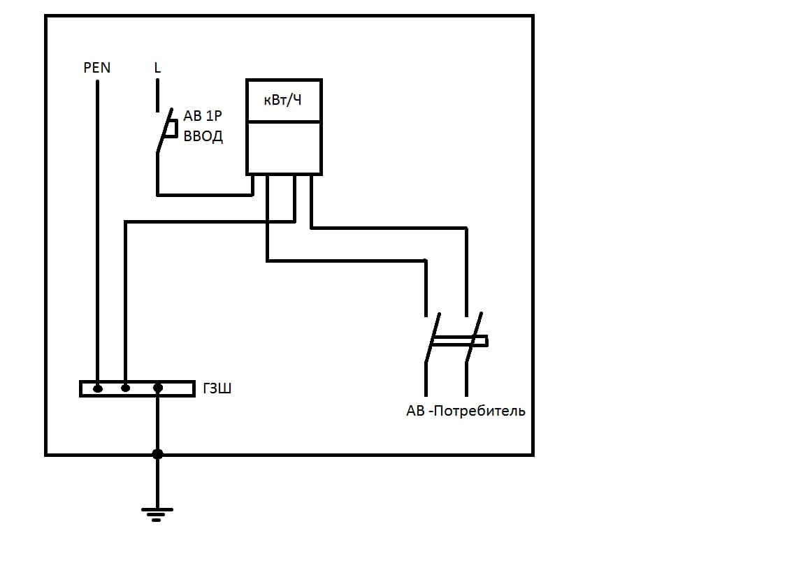
Если используем систему заземления TN-C-S то рвать защитно нулевой проводник нельзя. В таком случаи PEN проводник садим на шину ГЗШ. Если надо пломбировать 2 полюса(L + PEN) то установите в качестве ГЗШ распределительный блок типа РБД-80А в пломбировочном корпусе с АВ. Дальше по схеме.
Безымянный.jpg

Это если будите делать TN-C-S.
Аватара пользователя
Sebr
Сообщения: 45
Зарегистрирован: 19 апр 2018, 19:07
Репутация: 1
Контактная информация:

Подключение и заземление металлической бытовки

Сообщение Sebr » 08 май 2018, 00:20

Константин писал(а):Источник цитаты И кто вам сказал что я как то не люблю АВ на 2 полюса?

Ну вот уж Вас лично, я точно не подразумевал!))) И напротив всячески благодарен вам за советы! При этом, есть подозрения, что они мне ещё не раз понадобятся!) Т.К. новая мысль поставить всё же деревянную бытовку, с последующим переводом её в статус хоз-блока. Полагаю тут TT не актуальное решение?
Аватара пользователя
Константин
Сообщения: 3464
Зарегистрирован: 16 сен 2015, 10:19
Репутация: 851
Откуда: Новосибирская область
Контактная информация:

Подключение и заземление металлической бытовки

Сообщение Константин » 08 май 2018, 18:00

Sebr писал(а):Источник цитаты Полагаю тут TT не актуальное решение?

Почему актуально. Просто её применяют когда условия для формирования других систем заземления не могут быть выполнены. А значит их использование опасно.
Пример ваш.
Sebr писал(а):Источник цитаты Сети древнейшие. Сомневаюсь что опоры заземлены! Заземления в домах сроду не было.

Вы изложили плохого состояния ВЛ. Значит отсутствуют повторные заземлители нейтрали или их особое малое количество(по возможности).
Не равномерное не симметричное сечение проводников (возможно по воздушки пляшет 35-16-25-10кв.мм). Что явно не годится для использование систем TN-C-S. Ухудшенные контактные состояния на ВЛ(где то на бондажели где то вообще прикрутили бог знает как)При таких условиях большая вероятность, что ток стекания на ваше ЗУ будет очень большим.Особенно представляет опасность обрыв или отгорание нейтрали в районе ТП. Все же сеть у вас 0.4кВ. Хоть к вашему участку и подходит однофазная линия. Из за песчаного грунта занижен ток растекания что также обуславливает опасность применение системы TN-C-S. Про TN-S вообще речи нет так как обще распределительная сеть 4х жильная.
Аватара пользователя
elalex
Сообщения: 7423
Зарегистрирован: 21 июл 2015, 08:08
Репутация: 591
Откуда: [email protected]
Контактная информация:

Подключение и заземление металлической бытовки

Сообщение elalex » 08 май 2018, 19:53

Sebr, Вы находите что-то хорошее в TN-C-S и что-то плохое в ТТ?
Одиночный свободный электрик
Опыт ремонтов квартир 20лет
Высшее электрическое образование
Бывший инженер-электрик
Пенсионер
64 года
Пишу для владельцев частного жилья
Запасной E–mail для россиян: [email protected]
ПАВ
Сообщения: 7647
Зарегистрирован: 13 авг 2015, 19:54
Репутация: 923
Откуда: Одесса
Контактная информация:

Подключение и заземление металлической бытовки

Сообщение ПАВ » 08 май 2018, 19:56

elalex писал(а):Источник цитаты Sebr, Вы находите что-то хорошее в TN-C-S и что-то плохое в ТТ?


Он не находит, он выбрал бы, поэтому и совет нормальный не мешает. Можете, давайте конкретный и точный, не можете- отдыхайте на скамейке.
В жизни все не так, как на самом деле...
Аватара пользователя
Sebr
Сообщения: 45
Зарегистрирован: 19 апр 2018, 19:07
Репутация: 1
Контактная информация:

Подключение и заземление металлической бытовки

Сообщение Sebr » 15 май 2018, 10:49

Благодарю за советы! Стало быть TT. Буду признателен если набросаете схему сборки металлического ЩУ на столбе.
Аватара пользователя
elalex
Сообщения: 7423
Зарегистрирован: 21 июл 2015, 08:08
Репутация: 591
Откуда: [email protected]
Контактная информация:

Подключение и заземление металлической бытовки

Сообщение elalex » 15 май 2018, 15:05

Сначала разговоры.
Схема сильно зависит от разных факторов:
1.Кто собственник счётчика.
2.Степени понимания (Вашего и сетей) важности защиты от разных опасностей.
3.Степени страха сетей перед воровством электроэнергии.
4.Стоимости каждой дополнительной пломбы.
5.Соотношения стоимости перепломбирования в вводном щите по желанию клиента и стоимости УЗИП 1 класса.
6.Наличия достаточного места в вводном щитке для размещения полного комплекта защитной аппаратуры до счётчика.

Если владелец счётчика - сети, при ударах молнии по ВЛ чёрт его бери - пусть меняют сами. Но если владелец счётчика - клиент, нужно постараться защитить счётчик от молнии аппаратурой (УЗИП, заградительные дроссели) до счётчика, с соответствующим пломбированием.
Если хозяин не боится разрушения вводных автоматов при прямом ударе молнии по ВЛ - можно применять бытовые вводные автоматы. Если боится - нужно применять автоматы с высокой отключающей способностью.
Если сети боятся воровства электроэнергии, они не разрешат, чтобы из запломбированного бокса до счетчика выходил провод заземления УЗИП, требующийся при включении УЗИП треугольником.
Если стоимость перепломбирования в вводном щите по желанию клиента существенно выше стоимости УЗИП 1 класса - придётся параллельно каждому основному УЗИП ставить запасной (на случай выхода действующего УЗИП из строя).

Все УЗИП (основные и запасные) должны иметь индивидуальные выключатели (нагрузки) для быстрого отключения неисправного УЗИП.
Защитная характеристика вводного автомата должна быть выбрана по результатам измерения петли Фаза-ноль у ближайших соседей слева и справа.
При 3-фазном подключении вводные автоматы должны быть 1-полюсные.
Хозяин не должен иметь отношения к повторному заземления ноля.
Заземление вводного щитка должно быть выполнено по системе TN-C. Нужно считать щиток постоянно находящимся под напряжением: положить под него на землю всепогодную изолирующую подставку и первое дотрагивание производить правой рукой и быстро.

Так что выберите ваш случай, потом нарисуем схему.
Одиночный свободный электрик
Опыт ремонтов квартир 20лет
Высшее электрическое образование
Бывший инженер-электрик
Пенсионер
64 года
Пишу для владельцев частного жилья
Запасной E–mail для россиян: [email protected]
Аватара пользователя
Sebr
Сообщения: 45
Зарегистрирован: 19 апр 2018, 19:07
Репутация: 1
Контактная информация:

Подключение и заземление металлической бытовки

Сообщение Sebr » 15 май 2018, 16:32

Всё достаточно просто. (или наоборот!) Это глушь!!! Была изба, 100 лет примерно. Зарегистрирована ещё на дедов и бабок, да и то криво там всё с документами. Был просто кинут изолированный ввод со столба прямо на счётчик. Сетям вообще на всё пофиг, даже квитанции шли на уже давно умерших людей, главное что оплата была регулярно и всё! Сейчас дом сгорел. Ввод попросту отрезали со столба. На данный момент там нет ничего, но мне нужно начинать всё строить заново, соответственно нужна хотя бы розетка на столбе на первое время. Т.к. с документами полный бардак, просто договорился с местными электриками, что типа оформлю заявку за замену счётчика(с переносом его на столб), не акцентируя внимания на то, что строение сгорело. Так что всё буду покупать и собирать сам, они просто приедут кинут хвосты на ВЛ и шлёпнут пломбу.(ну естественно заинтересовал их) Молниезащиту пока не планировал. Нужно просто макс. просто и быстро подключиться.
Аватара пользователя
Константин
Сообщения: 3464
Зарегистрирован: 16 сен 2015, 10:19
Репутация: 851
Откуда: Новосибирская область
Контактная информация:

Подключение и заземление металлической бытовки

Сообщение Константин » 15 май 2018, 16:50

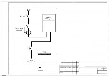
Sebr писал(а):Источник цитаты Благодарю за советы! Стало быть TT. Буду признателен если набросаете схему сборки металлического ЩУ на столбе.

ТТ Вариант 1.jpg

ТТ Вариант 2.jpg
Аватара пользователя
Sebr
Сообщения: 45
Зарегистрирован: 19 апр 2018, 19:07
Репутация: 1
Контактная информация:

Подключение и заземление металлической бытовки

Сообщение Sebr » 15 май 2018, 18:42

О! Благодарю за схемку! Противопожарное УЗО обязательно? Как правильно заземлиться у столба?
Аватара пользователя
Константин
Сообщения: 3464
Зарегистрирован: 16 сен 2015, 10:19
Репутация: 851
Откуда: Новосибирская область
Контактная информация:

Подключение и заземление металлической бытовки

Сообщение Константин » 15 май 2018, 19:38

Sebr писал(а):Источник цитаты Противопожарное УЗО обязательно?

Желательно. Но в обязаловку оно не входит. Для металлического ЩУ оно там не нужно. Поэтому установите такой аппарат уже в РЩ вашего будущего строения.В качестве 2й ступени защиты.
Sebr писал(а):Источник цитаты Как правильно заземлиться у столба?

Ну об этом уже говорили в начале темы. Но для функционирования ТТ достаточно будет 1 го вертикального электрода на 5м.
Аватара пользователя
Sebr
Сообщения: 45
Зарегистрирован: 19 апр 2018, 19:07
Репутация: 1
Контактная информация:

Подключение и заземление металлической бытовки

Сообщение Sebr » 15 май 2018, 19:50

Константин писал(а):Источник цитаты Поэтому установите такой аппарат уже в РЩ вашего будущего строения.В качестве 2й ступени защиты.

Именно такая мысль и была!)
Константин писал(а):Источник цитаты Но для функционирования ТТ достаточно будет 1 го вертикального электрода на 5м.

А вот тут я слабо себе представляю как это сделать у столба!


  • Реклама

Вернуться в «Заземление и молниезащита»

Кто сейчас на конференции

Сейчас этот форум просматривают: нет зарегистрированных пользователей и 13 гостей