Кабель для скрытой проводки двух выключателей.

Расчет и выбор сечения жил проводов и кабелей, их марки и заявленные характеристики, способы прокладки, соединения, маркировка и т.п.
Sergey/Z
Сообщения: 13
Зарегистрирован: 07 окт 2018, 14:59
Репутация: 2
Контактная информация:

Кабель для скрытой проводки двух выключателей.

Сообщение Sergey/Z » 07 окт 2018, 18:34

Заземление служит защитой человека и оборудования, если вы хотите выполнить заземление своего оборудования вам нужен будет контур заземления (состоящий из стержневых электродов и горизонтальных проводников в земле) далее необходимо соединить контур с щитком освещения вашей квартиры. Выполнить заземляющий проводник на оборудование отдельно от фазного провода и нулевого рабочего. Для более высокой защиты необходимо установить УЗО или диф автомат, после узо или диф автомата фазный провод подключается на группу авт. выключателей вашей квартиры для защиты от КЗ и перегрузки кабельных линий. Нулевой рабочий после узо или дифавтомата в щите освещения присоединяется к изолированной шине далее распределение по кабельным линиям. Необходимо понимание что заземлить и что ненужно на все оборудование прилагаются паспорта в которых данный момент прописывается. Расчеты кабелей и автоматики можно произвести самому исходя из количества оборудования и его мощности (смотри паспорта). На выключатели мое мнение достаточно будет и одной жилы, только не делайте меньше сечения фазных и нулевых рабочих проводников.
Реклама
Аватара пользователя
Rumato
Сообщения: 739
Зарегистрирован: 23 июл 2015, 22:15
Репутация: 107
Откуда: Щелково МО
Контактная информация:

Кабель для скрытой проводки двух выключателей.

Сообщение Rumato » 07 окт 2018, 18:39

ЛеонидЪ,
Мне непонятно как Вы собираетесь воплощать свою схему в жизнь, зачем себе устраивать такой геморрой с проводами и почему нельзя взять в руки карандаш и нарисовать свою хотелку. С учетом того времени, которое Вы потратили на обсуждение этого вопроса, я делаю вывод, что освещение Вам не сильно нужно.
Засим, кормление тролля заканчиваю.
https://instagram.com/dmytriy_kuskov
Аватара пользователя
elalex
Сообщения: 7423
Зарегистрирован: 21 июл 2015, 08:08
Репутация: 591
Откуда: [email protected]
Контактная информация:

Кабель для скрытой проводки двух выключателей.

Сообщение elalex » 07 окт 2018, 18:53

Sergey/Z:
1.Если у Вас существенные знания заземления - присоединяйтесь, а для темы частотника на форуме нет узких специалистов.
2.С электрической терминологией знакомы?
3.Вам не кажется, что заземление само по себе - не мера защиты, оно ни от чего не защищает?
4.С заземлением ТТ знакомы?
5.Думаете, контур заземления обязателен?
Одиночный свободный электрик
Опыт ремонтов квартир 20лет
Высшее электрическое образование
Бывший инженер-электрик
Пенсионер
64 года
Пишу для владельцев частного жилья
Запасной E–mail для россиян: [email protected]
Аватара пользователя
TOPMO3
Сообщения: 4181
Зарегистрирован: 29 фев 2016, 10:37
Репутация: 626
Откуда: Ижевск
Контактная информация:

Кабель для скрытой проводки двух выключателей.

Сообщение TOPMO3 » 08 окт 2018, 09:39

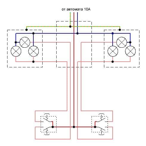
ЛеонидЪ писал(а):Источник цитатыЧто именно Вам непонятно, как от одного четырёх или пятижильного кабеля, имеющего одну жилу заземления, подключить два выключателя?
Я тоже не понимаю ... зачем Вы постоянно поминаете эту несчастную "одну жилу заземления" в связке с выключателями?
Изначально Ваш вопрос должен был быть о допустимости применения пяти (или четырех) проводов к выключателям ... и всё!
Частично я уже ответил раньше ... дополню: если не собираетесь на кухне вешать много ламповый светильник, или применять их две ... то достаточно будет и четырехжильный кабель на участок от распредкоробки до выключателей.
Вложения
10.jpg
Смеюсь последний ... тормоз однако!
Аватара пользователя
Darth Abbadonyz
Сообщения: 183
Зарегистрирован: 02 окт 2018, 20:59
Репутация: 34

Кабель для скрытой проводки двух выключателей.

Сообщение Darth Abbadonyz » 08 окт 2018, 21:21

ПУЭ 7 табл. 7.1.1 Наименьшие допустимые сечения кабелей и проводов электрических сетей в жилых зданиях:
Линии групповых сетей 1.5
Линии от этажных до квартирных щитков и к расчетному счетчику 2.5
Линии распределительной сети (стояки) для питания квартир 4.0

Далее для сечения 1.5 выбираем автомат не более 10А (11.3 в течение часа, затем 14.5 в течение еще максимум часа - для полторашки
это уже рядом с пределом).

Включатели землить не надо, а вот на светильники жилу заземления вывести не помешает - да бывают люстры светодиодные с пультом,
где землю подключить просто некуда (да и еще одногруппные) - у самого в одной из комнат такое чудо на букву "м" стоит,
но кабель к ней брошен 4*1.5 через двухклавишник - сдохнет это чудо из пруда - поставлю нормальную люстру - заземлю ее
и рожки разделю на 2 группы, как водится во всем цивилизованном мире :-)
Покой - это ложь, есть только страсть,
через страсть я получаю силу,
через силу я получаю мощь,
через мощь я получаю победу,
через победу мои оковы рушатся,
Сила освободит меня.
Аватара пользователя
elalex
Сообщения: 7423
Зарегистрирован: 21 июл 2015, 08:08
Репутация: 591
Откуда: [email protected]
Контактная информация:

Кабель для скрытой проводки двух выключателей.

Сообщение elalex » 08 окт 2018, 21:39

Сильно любите ПУЭ?
Одиночный свободный электрик
Опыт ремонтов квартир 20лет
Высшее электрическое образование
Бывший инженер-электрик
Пенсионер
64 года
Пишу для владельцев частного жилья
Запасной E–mail для россиян: [email protected]
Аватара пользователя
Darth Abbadonyz
Сообщения: 183
Зарегистрирован: 02 окт 2018, 20:59
Репутация: 34

Кабель для скрытой проводки двух выключателей.

Сообщение Darth Abbadonyz » 08 окт 2018, 22:01

elalex писал(а):Источник цитаты Сильно любите ПУЭ?

Это вообще-то для нас электриков - библия, если что.
Покой - это ложь, есть только страсть,
через страсть я получаю силу,
через силу я получаю мощь,
через мощь я получаю победу,
через победу мои оковы рушатся,
Сила освободит меня.
Аватара пользователя
elalex
Сообщения: 7423
Зарегистрирован: 21 июл 2015, 08:08
Репутация: 591
Откуда: [email protected]
Контактная информация:

Кабель для скрытой проводки двух выключателей.

Сообщение elalex » 08 окт 2018, 23:03

Некоторые, если не большинство, электриков - считают её туалетной бумагой для туалетных электриков.
Одиночный свободный электрик
Опыт ремонтов квартир 20лет
Высшее электрическое образование
Бывший инженер-электрик
Пенсионер
64 года
Пишу для владельцев частного жилья
Запасной E–mail для россиян: [email protected]
Аватара пользователя
Darth Abbadonyz
Сообщения: 183
Зарегистрирован: 02 окт 2018, 20:59
Репутация: 34

Кабель для скрытой проводки двух выключателей.

Сообщение Darth Abbadonyz » 08 окт 2018, 23:13

elalex писал(а):Источник цитаты Некоторые, если не большинство, электриков - считают её туалетной бумагой для туалетных электриков.

Техника безопасности оно же?
Не, если представляешь в деталях от начала до конца, что ты делаешь и зачем ты это делаешь, то да - некоторыми
правилами можно и поступиться - но будьте готовы к тому, что прилетит по полной программе, причем с той стороны,
с какой Вы и подумать не смели...
Покой - это ложь, есть только страсть,
через страсть я получаю силу,
через силу я получаю мощь,
через мощь я получаю победу,
через победу мои оковы рушатся,
Сила освободит меня.
Аватара пользователя
elalex
Сообщения: 7423
Зарегистрирован: 21 июл 2015, 08:08
Репутация: 591
Откуда: [email protected]
Контактная информация:

Кабель для скрытой проводки двух выключателей.

Сообщение elalex » 08 окт 2018, 23:24

Я делю электриков на 2 разных мира: 1 мир - официальные, 2 мир - неофициальные. У них разные законы жизни.
Одиночный свободный электрик
Опыт ремонтов квартир 20лет
Высшее электрическое образование
Бывший инженер-электрик
Пенсионер
64 года
Пишу для владельцев частного жилья
Запасной E–mail для россиян: [email protected]
Аватара пользователя
Darth Abbadonyz
Сообщения: 183
Зарегистрирован: 02 окт 2018, 20:59
Репутация: 34

Кабель для скрытой проводки двух выключателей.

Сообщение Darth Abbadonyz » 08 окт 2018, 23:32

elalex писал(а):Источник цитаты Я делю электриков на 2 разных мира: 1 мир - официальные, 2 мир - неофициальные. У них разные законы жизни.

Законы для всех одни (просто отношение к ним разное) - если лапать огонь - обожгешься,
если схватится за фазу (а стоишь как правило на проводящем полу) - будет некомфортно
(а при особом "везении" можно и в последний прыжок отправиться)
Покой - это ложь, есть только страсть,
через страсть я получаю силу,
через силу я получаю мощь,
через мощь я получаю победу,
через победу мои оковы рушатся,
Сила освободит меня.
Аватара пользователя
elalex
Сообщения: 7423
Зарегистрирован: 21 июл 2015, 08:08
Репутация: 591
Откуда: [email protected]
Контактная информация:

Кабель для скрытой проводки двух выключателей.

Сообщение elalex » 08 окт 2018, 23:51

Законы физики одни, а психологии и бизнеса, принципы работы - разные. У меня на форуме есть темы про миры электриков.
Одиночный свободный электрик
Опыт ремонтов квартир 20лет
Высшее электрическое образование
Бывший инженер-электрик
Пенсионер
64 года
Пишу для владельцев частного жилья
Запасной E–mail для россиян: [email protected]
Аватара пользователя
Darth Abbadonyz
Сообщения: 183
Зарегистрирован: 02 окт 2018, 20:59
Репутация: 34

Кабель для скрытой проводки двух выключателей.

Сообщение Darth Abbadonyz » 09 окт 2018, 00:01

elalex писал(а):Источник цитаты Законы физики одни, а психологии и бизнеса, принципы работы - разные. У меня на форуме есть темы про миры электриков.

С удовольствием подискутировал бы еще - но мне кажется это уже будет флуд,
не стоит засорять тему.
Покой - это ложь, есть только страсть,
через страсть я получаю силу,
через силу я получаю мощь,
через мощь я получаю победу,
через победу мои оковы рушатся,
Сила освободит меня.
Аватара пользователя
elalex
Сообщения: 7423
Зарегистрирован: 21 июл 2015, 08:08
Репутация: 591
Откуда: [email protected]
Контактная информация:

Кабель для скрытой проводки двух выключателей.

Сообщение elalex » 09 окт 2018, 00:06

1.На форуме я непрерывно борюсь против чистоты тем и преследования за флуд.
Если Вам сильно неуютно - можно перейти на более профильную тему.
2.Знакомы с юридическими аспектами возни вокруг ПУЭ?
Одиночный свободный электрик
Опыт ремонтов квартир 20лет
Высшее электрическое образование
Бывший инженер-электрик
Пенсионер
64 года
Пишу для владельцев частного жилья
Запасной E–mail для россиян: [email protected]


  • Реклама

Вернуться в «Провода и кабели»

Кто сейчас на конференции

Сейчас этот форум просматривают: нет зарегистрированных пользователей и 16 гостей