АВР на 2 ввода с разных ТП + бенз. генератор

Вопросы по рубильникам, выключателям нагрузки, пакетным выключателям, разъединителям, изоляторам, сборным шинам и прочему низковольтному оборудованию до 1000 (В).
lvovitch
Сообщения: 15
Зарегистрирован: 15 окт 2022, 14:19
Репутация: 0
Контактная информация:

АВР на 2 ввода с разных ТП + бенз. генератор

Сообщение lvovitch » 18 окт 2022, 22:09

aleksey.RU писал(а):Источник цитаты 4 полюса

в тех. характеристиках написано 3 полюса :( Хотя за 5000 руб вариант конечно огонь!
aleksey.RU писал(а):Источник цитаты А у таких и им подобных, контролер уже на борту

DEK конечно красавец! Кстати модульную контакторы от них работают четко. Купил модульные китайские - начали контакты пригорать.
Реклама
lvovitch
Сообщения: 15
Зарегистрирован: 15 окт 2022, 14:19
Репутация: 0
Контактная информация:

АВР на 2 ввода с разных ТП + бенз. генератор

Сообщение lvovitch » 18 окт 2022, 22:16

Вот такой есть 4-х полюсный. Но он китайский совсем наверное? https://www.100amper.ru/catalog/electri ... lery-18417


А как быть все таки с PEN проводниками? В щите на столбе разделить PE и N и PE заземлить, провести щитка 4-х жильный кабель и там коммутировать? Правильно я понимаю? В дом идет тоже 4-х жильный кабель и еще есть контур заземления.

Получается у каждого опоры ВЛ будет свой контур + в доме свой контур?
lvovitch
Сообщения: 15
Зарегистрирован: 15 окт 2022, 14:19
Репутация: 0
Контактная информация:

АВР на 2 ввода с разных ТП + бенз. генератор

Сообщение lvovitch » 18 окт 2022, 22:58

ВВОДЫ 2ТП+ГНЕРАТОР.png

Вот так у меня получается? правильно/красиво?
Аватара пользователя
aleksey.RU
Сообщения: 1397
Зарегистрирован: 12 сен 2022, 15:17
Репутация: 137
Откуда: СССР
Контактная информация:

АВР на 2 ввода с разных ТП + бенз. генератор

Сообщение aleksey.RU » 18 окт 2022, 23:04

lvovitch писал(а):Источник цитаты Но он китайский совсем наверное?

Всё что у нас продаётся всё Китай, кроме продукции КЕАЗ и Контактор (всё что у них дешевое тоже Китай)
С системой ТТ близко я не знаком. Читать, право лень, у меня везде TN. Но все, что мы строили промышленное, даже в сельской местности:
- ноль никогда не размыкали
- все вводы соединяли на один контур, выравнивали потенциалы, причём ноль сажали на главную шину заземления, а потом уже разделяли на N и PE

lvovitch писал(а):Источник цитаты А как быть все таки с PEN проводниками? В щите на столбе разделить PE и N и PE заземлить

у Вас же на опорах учет, на котором ноль т0же учитывается. Автоматы на счетчиках 3 или 4 полюса? От этого и плясать.
lvovitch писал(а):Источник цитаты DEK конечно красавец!
это было дочернее предприятие Шнайдер Электрик и выпускало продукцию самого дешевого ценового сегмента
Завод Контактор работал на Легранд https://www.kontaktor.ru/production/avt ... yuchateli/

Если хотите углубиться в заземление ознакомьтесь с великим трудами :wink:
1. Выпуск № 11 Проектирование электроустановок квартир с улучшенной планировкой и коттеджей http://profsector.com/media/catalogs/566dcd61eb1a0.pdf
2. Выпуск № 20 Системы заземления в электроустановках низкого напряжения https://www.pro-schneider.ru/content/files/138.pdf
3. Карякин Р. Н. НОРМЫ УСТРОЙСТВА СЕТЕЙ ЗАЗЕМЛЕНИЯ https://studylib.ru/doc/4345603/r.n.kar ... niya----pm
4. В. Н. Харечко Электроустановки индивидуальных жилых домов. 2004 https://www.proektant.org/arh/1070.html
Последний раз редактировалось aleksey.RU 18 окт 2022, 23:18, всего редактировалось 1 раз.
Тот, кто пытается использовать методы, не зная принципов, обречен на неудачу
Аватара пользователя
aleksey.RU
Сообщения: 1397
Зарегистрирован: 12 сен 2022, 15:17
Репутация: 137
Откуда: СССР
Контактная информация:

АВР на 2 ввода с разных ТП + бенз. генератор

Сообщение aleksey.RU » 18 окт 2022, 23:15

lvovitch писал(а):Источник цитаты правильно/красиво?

Лепотааа :happy:
Тот, кто пытается использовать методы, не зная принципов, обречен на неудачу
Аватара пользователя
aleksey.RU
Сообщения: 1397
Зарегистрирован: 12 сен 2022, 15:17
Репутация: 137
Откуда: СССР
Контактная информация:

АВР на 2 ввода с разных ТП + бенз. генератор

Сообщение aleksey.RU » 18 окт 2022, 23:43

lvovitch писал(а):Источник цитаты А как быть все таки с PEN проводниками? В щите на столбе разделить PE и N и PE заземлить

У Вас в ТТ ноль - это ноль, Земля - это земля. Ничего делить не нужно
1.jpg
Тот, кто пытается использовать методы, не зная принципов, обречен на неудачу
ПАВ
Сообщения: 7647
Зарегистрирован: 13 авг 2015, 19:54
Репутация: 923
Откуда: Одесса
Контактная информация:

АВР на 2 ввода с разных ТП + бенз. генератор

Сообщение ПАВ » 19 окт 2022, 07:16

Пост от 22.58 вчера со схемой. Категорически не согласен. Если ТТ то незачем у генератора соединять ноль и землю. Земля должна быть землей и не более.
Кстати, а где ваши доучетные УЗО на 300 мА?
В доме- три фазы, ТТ. Нигде земля не связана с нолем. Но если попытаться соединить в пределах ВРУ, сразу работает доучетное УЗО 300 мА, т.наз. противопожарное и молча все отключает.
Аналогично и после, домовом РЩ- любая попытка соединить землю и ноль после групповых(по фазам) УЗО и АВ дает аналогичный эффект.
Считал, что ТТ- более прогрессивная схема, а тут шаг назад- соединить, а потом разделять?
В жизни все не так, как на самом деле...
Аватара пользователя
aleksey.RU
Сообщения: 1397
Зарегистрирован: 12 сен 2022, 15:17
Репутация: 137
Откуда: СССР
Контактная информация:

АВР на 2 ввода с разных ТП + бенз. генератор

Сообщение aleksey.RU » 19 окт 2022, 08:24

ПАВ писал(а):Источник цитаты Но если попытаться соединить в пределах ВРУ

Это уже TN
ПАВ писал(а):Источник цитаты Если ТТ то незачем у генератора соединять ноль и землю

Землю вести на шину заземления АВР
1.jpg
Тот, кто пытается использовать методы, не зная принципов, обречен на неудачу
ПАВ
Сообщения: 7647
Зарегистрирован: 13 авг 2015, 19:54
Репутация: 923
Откуда: Одесса
Контактная информация:

АВР на 2 ввода с разных ТП + бенз. генератор

Сообщение ПАВ » 19 окт 2022, 08:32

А чем плохо заземление генератора на месте? Если генератор удален, по-моему, проще создать нормальную землю на месте. Если рядом в ВРУ, тогда да.
В жизни все не так, как на самом деле...
Аватара пользователя
aleksey.RU
Сообщения: 1397
Зарегистрирован: 12 сен 2022, 15:17
Репутация: 137
Откуда: СССР
Контактная информация:

АВР на 2 ввода с разных ТП + бенз. генератор

Сообщение aleksey.RU » 19 окт 2022, 08:38

ПАВ писал(а):Источник цитаты А чем плохо заземление генератора на месте

ПАВ писал(а):Источник цитаты Если генератор удален,

:happy:
А почему на форуме есть возможность редактировать сообщения, на которые ответили?
Не кажется , что если отредактировать сообщение ДО, то не актуален ответ ПОСЛЕ?
Тот, кто пытается использовать методы, не зная принципов, обречен на неудачу
ПАВ
Сообщения: 7647
Зарегистрирован: 13 авг 2015, 19:54
Репутация: 923
Откуда: Одесса
Контактная информация:

АВР на 2 ввода с разных ТП + бенз. генератор

Сообщение ПАВ » 19 окт 2022, 08:52

Вопрос к админу.
Мое мнение- ничего смертельного. И бывает, что хотел что-то сказать вдогонку, а догонка уже улетела...
В жизни все не так, как на самом деле...
Аватара пользователя
TOPMO3
Сообщения: 4181
Зарегистрирован: 29 фев 2016, 10:37
Репутация: 626
Откуда: Ижевск
Контактная информация:

АВР на 2 ввода с разных ТП + бенз. генератор

Сообщение TOPMO3 » 20 окт 2022, 16:53

ПАВ писал(а):Источник цитаты Пост от 22.58 вчера со схемой. Категорически не согласен. Если ТТ то незачем у генератора соединять ноль и землю. Земля должна быть землей и не более.
Разрешите с Вами не согласиться ... нормативы требуют применять TN-C-S, при этом, ТТ допускается к применению только в случаях, когда состояние сетей не позволяет обеспечить безопасность (например: на опорах голые провода, а не СИП). В обоих случаях имеем систему TN (глухозаземленная нейтраль/нуль) ... Вы предлагаете не соединять нуль генератора с землей, (вопреки п.1.7.158. ПУЭ) т.е. предлагаете систему IT, при питании от генератора ... т.е. у него, вся дифзащита, будет отключаться, при переходе на генератор.
Смеюсь последний ... тормоз однако!
ПАВ
Сообщения: 7647
Зарегистрирован: 13 авг 2015, 19:54
Репутация: 923
Откуда: Одесса
Контактная информация:

АВР на 2 ввода с разных ТП + бенз. генератор

Сообщение ПАВ » 20 окт 2022, 17:42

...Та хрен его знает, товарищ майор!...(с)- очевидно у нас разные нормативы. Подключение к дому делал РЭС, есть ТУ и проч, к дому от ТП- СИП 4х16, доучет во ВРУ, там же СЭ, УЗО и АВ, отдельный контур заземления сампосебе, нигде и ни разу не связанный с нолем.
Ноль генератора, согласитесь- условный- там ноли и фаза имеют равные права, идет на 4-хполюсный переключатель, историю с 3-хполюсным описывал.
Что у него будет- не знаю- пока нет СХЕМЫ, есть только общие вопросы.
В жизни все не так, как на самом деле...
Аватара пользователя
TOPMO3
Сообщения: 4181
Зарегистрирован: 29 фев 2016, 10:37
Репутация: 626
Откуда: Ижевск
Контактная информация:

АВР на 2 ввода с разных ТП + бенз. генератор

Сообщение TOPMO3 » 20 окт 2022, 18:16

ПАВ писал(а):Источник цитаты ... очевидно у нас разные нормативы...
Да при чем тут нормативы!
Пачему электронам, с фазы, охота бежать в землю? Патамушта, где-то, на ТП, к земле подключен НУЛЬ! Сие явление используют дифы и УЗО.
Если, на генераторе, один из проводов не заземлять ... электроны не захотят лезти в землю ... если даже воткнете в землю второй провод от генератора. :pardon:
Смеюсь последний ... тормоз однако!
ПАВ
Сообщения: 7647
Зарегистрирован: 13 авг 2015, 19:54
Репутация: 923
Откуда: Одесса
Контактная информация:

АВР на 2 ввода с разных ТП + бенз. генератор

Сообщение ПАВ » 20 окт 2022, 19:21

Та х/з! Я хоть и немного электрик и немного связист, до сих пор не понимаю, как телеграммы из Америки в Европу по подводному кабелю приходят сухими!
ПыСы- возможно, что-то и где-то не проследил в путях течения тока, но личный опыт имею:
- изначально в РЩ был установлен трехполюсный переключатель сеть/генератор, закончилось все кончиной обмотки генератора с последующим ремонтом. Добавление еще одного родственника-однополюсника в общий пакет привело к тому, что уже более 5 лет с нерегулярными переходами на генератор, проблем нет.
Аналогичное было у приятеля с тем же решением и результатом.
И как там ток бегает- х/з, что на ТП заземлено, что нет- не знаю, туда не вхож.
В жизни все не так, как на самом деле...
lvovitch
Сообщения: 15
Зарегистрирован: 15 окт 2022, 14:19
Репутация: 0
Контактная информация:

АВР на 2 ввода с разных ТП + бенз. генератор

Сообщение lvovitch » 20 окт 2022, 21:21

aleksey.RU писал(а):Источник цитаты Всё что у нас продаётся всё Китай, кроме продукции КЕАЗ и Контактор (всё что у них дешевое тоже Китай)


Тогда буду сразу на китай смотреть. Кстати, позвонил в ИЕК и они подтвердили, что все их АВР изначально продаются с трех- полюсными автоматами. Но в АВР-2 есть возможность заменить автомат на четырех- полюсный. Да же инструкцию прислали как это сделать.

aleksey.RU писал(а):Источник цитаты у Вас же на опорах учет, на котором ноль т0же учитывается. Автоматы на счетчиках 3 или 4 полюса? От этого и плясать.


Автоматы на три полюса. Но счетчик на опоре ВЛ, поэтому до счетчика сделать разделение на PE и N не получается. Ну и самое главное от трубо стойки до дома проложен кабель на глубине 2 метра 4*10. То есть без желто зеленого провода.

aleksey.RU писал(а):Источник цитаты Завод Контактор работал на Легранд


Кстати! Примерно год назад мне по работе пришлось закупить контактор от завода Контактор. Я попросил доставку себе на участок, что бы в карантин не ехать на работу ради этой доставки. Думал потом поеду как-нибудь закину. Так вот оказалось мне привезли ящик 50 кг, который даже в хетчбек не влезает. Пришлось потом машину нанимать везти :biggrin:

aleksey.RU писал(а):Источник цитаты Если хотите углубиться в заземление ознакомьтесь с великим трудами


Ознакомился. Спасибо! На самом деле узнал много нового. Оказывается ТТ у нас до 2008 года была в не закона. Хотя в японии, например, самая распространенная.

aleksey.RU писал(а):Источник цитаты Лепотааа


:biggrin: это главное

aleksey.RU писал(а):Источник цитаты У Вас в ТТ ноль - это ноль, Земля - это земля. Ничего делить не нужно


Понял. Спасибо! У меня было желание разделить, так как хотелось "заземлить и занулить" металический ящик учета. Но теперь понимаю, что не стоит. Лучше в ящику еще одну УЗОшку воткнуть.

ПАВ писал(а):Источник цитаты Пост от 22.58 вчера со схемой. Категорически не согласен. Если ТТ то незачем у генератора соединять ноль и землю. Земля должна быть землей и не более.


Лично не проверял, но говорят, что у генератора нет как такого нуля, а есть две фазы по 110 вольт. И некоторые потребители (слышал про газовый котел) не работают от этого. Поэтому все предлагают заземлить генератор и одну из фаз так же присоединить к земле, таким образом "назначить" ноль. Но это не точно... :smile:

ПАВ писал(а):Источник цитаты Кстати, а где ваши доучетные УЗО на 300 мА?
В доме- три фазы, ТТ. Нигде земля не связана с нолем. Но если попытаться соединить в пределах ВРУ, сразу работает доучетное УЗО 300 мА, т.наз. противопожарное и молча все отключает.
Аналогично и после, домовом РЩ- любая попытка соединить землю и ноль после групповых(по фазам) УЗО и АВ дает аналогичный эффект.
Считал, что ТТ- более прогрессивная схема, а тут шаг назад- соединить, а потом разделять?


возможно у меня не все правильно, но сейчас так: есть турбо стойка. Там сейчас остался только один автомат на 63А. Потом идет кабель под землей 4*10 и заходит в щиток моей избушки. Там этот кабель присоединяется у УЗО н 300 мА. Потом стоят реле напряжения, потом групповые УЗО и автоматы.

aleksey.RU писал(а):Источник цитаты Землю вести на шину заземления АВР


У меня так наверное не получиться. Придется делать свой контур заземления у генератора. Но при этом еще и ноль от генератора нужно соединить с землей.

TOPMO3 писал(а):Источник цитаты Разрешите с Вами не согласиться ... нормативы требуют применять TN-C-S, при этом, ТТ допускается к применению только в случаях, когда состояние сетей не позволяет обеспечить безопасность (например: на опорах голые провода, а не СИП). В обоих случаях имеем систему TN (глухозаземленная нейтраль/нуль) ... Вы предлагаете не соединять нуль генератора с землей, (вопреки п.1.7.158. ПУЭ) т.е. предлагаете систему IT, при питании от генератора ... т.е. у него, вся дифзащита, будет отключаться, при переходе на генератор.


В моем случае TN-C-S уже делать поздно из-за кабеля в четыре жилы. Да и честно говоря не очень хочется. Почитал немного, потом посмотрел ролики на ютубе и понял, что в текущих реалиях лучше заземление свое. И в случае обрыва нуля вся деревня не окажется на моем заземлении и счетчик хитрый может ноль считать.

А почему должны УЗО отключаться? ведь утечек не будет в случае с IT.
ПАВ писал(а):Источник цитаты ПыСы- возможно, что-то и где-то не проследил в путях течения тока, но личный опыт имею:
- изначально в РЩ был установлен трехполюсный переключатель сеть/генератор, закончилось все кончиной обмотки генератора с последующим ремонтом.


тьфу-тьфу-тьфу чур меня чур!
Аватара пользователя
TOPMO3
Сообщения: 4181
Зарегистрирован: 29 фев 2016, 10:37
Репутация: 626
Откуда: Ижевск
Контактная информация:

АВР на 2 ввода с разных ТП + бенз. генератор

Сообщение TOPMO3 » 20 окт 2022, 22:17

lvovitch писал(а):Источник цитатыВ моем случае TN-C-S уже делать поздно из-за кабеля в четыре жилы. Да и честно говоря не очень хочется.
А Вам никто и не предлагал ... Вы выбор системы, при питании от сети, сделали сами и на обсуждение не выставляли ... речь шла о системе, при питании от генератора. ПУЭ требует заземлять один из выводов, т.е. никаких "110 + 110", а конкретные "фаза + нуль".

lvovitch писал(а):Источник цитаты А почему должны УЗО отключаться? ведь утечек не будет в случае с IT.
Я имел в виду, что дифзащита отключится от работы своей (перестанет заниматься защитой) ... Вы верно заметили ... в случае IT утечек не будет, даже при прямом замыкании фазы на корпус ... само собой и дифзащита не сработает.
Смеюсь последний ... тормоз однако!
lvovitch
Сообщения: 15
Зарегистрирован: 15 окт 2022, 14:19
Репутация: 0
Контактная информация:

АВР на 2 ввода с разных ТП + бенз. генератор

Сообщение lvovitch » 20 окт 2022, 22:34

TOPMO3 писал(а):Источник цитаты А Вам никто и не предлагал ... Вы выбор системы, при питании от сети, сделали сами и на обсуждение не выставляли ... речь шла о системе, при питании от генератора. ПУЭ требует заземлять один из выводов, т.е. никаких "110 + 110", а конкретные "фаза + нуль".

Да, все верно. Буду объединять ноль и собственный контур заземления

TOPMO3 писал(а):Источник цитаты Я имел в виду, что дифзащита отключится от работы своей (перестанет заниматься защитой) ... Вы верно заметили ... в случае IT утечек не будет, даже при прямом замыкании фазы на корпус ... само собой и дифзащита не сработает


понял о чем речь. Спасибо!
lvovitch
Сообщения: 15
Зарегистрирован: 15 окт 2022, 14:19
Репутация: 0
Контактная информация:

АВР на 2 ввода с разных ТП + бенз. генератор

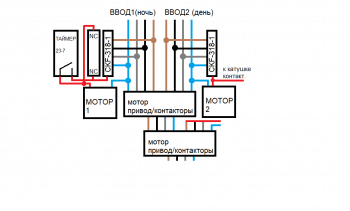
Сообщение lvovitch » 21 окт 2022, 00:02

А как вы отнесетесь к тому, что бы помимо просто АВР еще немного сэкономить на тарифе за ЭЭ?

Ввод с двух- тарифным учетом включать только ночью. С 23 до 7 часов. А в остальное время пользоваться вторым вводом, там где однотарифный учет, который чуть-чуть дешевле, чем дневной тариф на двух- тарифном учете.

В моем случае экономия не сильно большая - примерно 6000 руб в год. Но допустим за 5 лет это 30. Практически щиток окупиться :)

Нашел китайский АВР на моторе. У него приоритет на первом вводе. Т.е. если напряжение есть на обоих вводах, то он выберет первый.
Еще хотелось бы использовать реле CKF-318-1. Оно выдает напряжение только если все три фазе в порядке.

Вот такую схемку нарисовал.
авр.png

Красиво?
Аватара пользователя
aleksey.RU
Сообщения: 1397
Зарегистрирован: 12 сен 2022, 15:17
Репутация: 137
Откуда: СССР
Контактная информация:

АВР на 2 ввода с разных ТП + бенз. генератор

Сообщение aleksey.RU » 21 окт 2022, 07:21

lvovitch писал(а):Источник цитаты реле CKF-318-1. Оно выдает напряжение только если все три фазе в порядке.

Оно не выдаёт, оно переключает контакт.
Тот, кто пытается использовать методы, не зная принципов, обречен на неудачу


  • Реклама

Вернуться в «Низковольтное электрооборудование (до 1000В)»

Кто сейчас на конференции

Сейчас этот форум просматривают: нет зарегистрированных пользователей и 6 гостей