Генератор с блоком питания и инвертором

Вопросы по подключению, выбору, установке и эксплуатации источников бесперебойного питания (ИБП).
ПАВ
Сообщения: 7647
Зарегистрирован: 13 авг 2015, 19:54
Репутация: 923
Откуда: Одесса
Контактная информация:

Генератор с блоком питания и инвертором

Сообщение ПАВ » 21 дек 2022, 08:36

aleksey.RU писал(а):Источник цитаты Асинхронные двигатели прекрасно работают от такого напряжения.

Не совсем согласен, все зависит от мощности, схемы включения и проч. Как ни крути, а в меандре есть двухполярная постоянная составляющая, что не может не греть обмотку, попутно и подмагничивая ротор.
В жизни все не так, как на самом деле...
Реклама
Аватара пользователя
aleksey.RU
Сообщения: 1397
Зарегистрирован: 12 сен 2022, 15:17
Репутация: 137
Откуда: СССР
Контактная информация:

Генератор с блоком питания и инвертором

Сообщение aleksey.RU » 21 дек 2022, 08:44

ПАВ писал(а):Источник цитаты а в меандре есть двухполярная постоянная составляющая

а где здесь меандр?
ПАВ, знаете, что такое постоянная составляющая? Да еще и двух полярная?

Обмотку на меандре (если это действительно меандр) греет крутой фронт намагничивания трансформаторного железа

А если на меандре есть постоянка, то ЭТО УЖЕ ШИМ
Последний раз редактировалось aleksey.RU 21 дек 2022, 09:00, всего редактировалось 1 раз.
Тот, кто пытается использовать методы, не зная принципов, обречен на неудачу
Аватара пользователя
aleksey.RU
Сообщения: 1397
Зарегистрирован: 12 сен 2022, 15:17
Репутация: 137
Откуда: СССР
Контактная информация:

Генератор с блоком питания и инвертором

Сообщение aleksey.RU » 21 дек 2022, 08:49

Могу показать, как сделать фильтр постоянки для сетевого фильтра
Тот, кто пытается использовать методы, не зная принципов, обречен на неудачу
Аватара пользователя
aleksey.RU
Сообщения: 1397
Зарегистрирован: 12 сен 2022, 15:17
Репутация: 137
Откуда: СССР
Контактная информация:

Генератор с блоком питания и инвертором

Сообщение aleksey.RU » 21 дек 2022, 08:58

Тот, кто пытается использовать методы, не зная принципов, обречен на неудачу
ПАВ
Сообщения: 7647
Зарегистрирован: 13 авг 2015, 19:54
Репутация: 923
Откуда: Одесса
Контактная информация:

Генератор с блоком питания и инвертором

Сообщение ПАВ » 21 дек 2022, 09:11

Я имел в виду меандр- два прямоугольника разной полярности с нулевым средним значением на выходе большинства недорогих инверторов и ИБП кампутёров. И это не ШИМ- длительность заполняющих импульсов не меняется, синусоида складывается из равных по длительности но разных по высоте столбиков высокой частоты. И чем выше частота следования этих столбиков, тем выше точность воспроизведения или сотворения синусоиды на то есть теорема Котельникова- Шеннона. Тому пример- цифровая запись/воспроизведение звука.

Кстати, невзирая на достаточно близкую частоту и не самую страшную форму- 50,2 Гц, что вполне в норме, звук работающего от БГ котла иначе.
В жизни все не так, как на самом деле...
Аватара пользователя
aleksey.RU
Сообщения: 1397
Зарегистрирован: 12 сен 2022, 15:17
Репутация: 137
Откуда: СССР
Контактная информация:

Генератор с блоком питания и инвертором

Сообщение aleksey.RU » 21 дек 2022, 09:19

ПАВ писал(а):Источник цитаты звук работающего от БГ котла иначе.

:biggrin: я же настырный и любопытный. Пробовал подключать к УПСнику с меандром высокачественный усилитель мощности.
Транс зудит, работает, но звук становится как от радио :biggrin:
Тот, кто пытается использовать методы, не зная принципов, обречен на неудачу
Аватара пользователя
aleksey.RU
Сообщения: 1397
Зарегистрирован: 12 сен 2022, 15:17
Репутация: 137
Откуда: СССР
Контактная информация:

Генератор с блоком питания и инвертором

Сообщение aleksey.RU » 21 дек 2022, 09:21

На меандре большие потери при намагничивании трансформаторного железа, трансам на феррите пофигу.
Там всякие петли гистерезиса - долго и нудно
Тот, кто пытается использовать методы, не зная принципов, обречен на неудачу
ПАВ
Сообщения: 7647
Зарегистрирован: 13 авг 2015, 19:54
Репутация: 923
Откуда: Одесса
Контактная информация:

Генератор с блоком питания и инвертором

Сообщение ПАВ » 21 дек 2022, 09:22

Долго мучили технику? И почему зудит, в чем причина?
В жизни все не так, как на самом деле...
Аватара пользователя
aleksey.RU
Сообщения: 1397
Зарегистрирован: 12 сен 2022, 15:17
Репутация: 137
Откуда: СССР
Контактная информация:

Генератор с блоком питания и инвертором

Сообщение aleksey.RU » 21 дек 2022, 09:24

На сторойках, когда нет ещё основного питания, от таких генераторов, как у ТС, часами прокручивали технологическое оборудование на асинхронниках и откачивали воду с ям
Тот, кто пытается использовать методы, не зная принципов, обречен на неудачу
Аватара пользователя
aleksey.RU
Сообщения: 1397
Зарегистрирован: 12 сен 2022, 15:17
Репутация: 137
Откуда: СССР
Контактная информация:

Генератор с блоком питания и инвертором

Сообщение aleksey.RU » 21 дек 2022, 09:26

ПАВ писал(а):Источник цитаты Долго мучили технику? И почему зудит, в чем причина?

да нет, с минуту, просто попробовал.
Зудит как раз от крутых фронтов прямоугольника от УПС. Там БП на торах
Тот, кто пытается использовать методы, не зная принципов, обречен на неудачу
ПАВ
Сообщения: 7647
Зарегистрирован: 13 авг 2015, 19:54
Репутация: 923
Откуда: Одесса
Контактная информация:

Генератор с блоком питания и инвертором

Сообщение ПАВ » 21 дек 2022, 09:33

От перемагничивания. При синусе все проистекает плавно и постепенно, а тут кроме фронтов и горизонтальные участки. Я тАк думаю.
А что касается стройки, там всяко бывает, см. фильм про Шурика на стройке :yes:
В жизни все не так, как на самом деле...
ПАВ
Сообщения: 7647
Зарегистрирован: 13 авг 2015, 19:54
Репутация: 923
Откуда: Одесса
Контактная информация:

Генератор с блоком питания и инвертором

Сообщение ПАВ » 21 дек 2022, 09:50

С одного братского сайта:
...Выходной сигнал является одним из важных характеристик UPC. Он может иметь прямоугольную форму (меандр) и форму синусоиды (ее также называют чистой или правильной синусоидой). На практике форма выходного сигнала в виде "чистого" меандра не встречается из-за очень негативного влияния на работу электрооборудования. Чаще всего вместо него - меандр с паузой (небольшие "ступеньки" при смене полярности сигнала). Важен этот параметр потому, что для многих видов электрооборудования, в частности: с трансформаторными блоками питания или объемными индукционными катушками, с электродвигателями, с дросселями, с блоками питания APFC - любая форма выходного напряжения/ сигнала КРОМЕ ПРАВИЛЬНОЙ (ЧИСТОЙ) СИНУСОИДЫ - может оказаться губительной. Какая-то техника сгорит через несколько часов работы на таком электропитании, какая-то - вообще не будет работать, у другой срок службы существенно сократится. Именно в этом причина сегодняшней популярности ИБП с правильной синусоидой...(с)
А вот и пример:
синус.jpg
Правда, ступенчатая синусоида таки не синусоида.
синус.jpg (5.67 КБ) 3332 просмотра
В жизни все не так, как на самом деле...
Аватара пользователя
aleksey.RU
Сообщения: 1397
Зарегистрирован: 12 сен 2022, 15:17
Репутация: 137
Откуда: СССР
Контактная информация:

Генератор с блоком питания и инвертором

Сообщение aleksey.RU » 21 дек 2022, 10:01

ПАВ писал(а):Источник цитаты На практике форма выходного сигнала в виде "чистого" меандра не встречается из-за очень негативного влияния на работу электрооборудования.

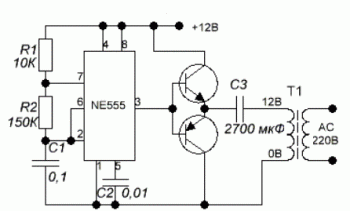
Дополню, что чистый меандр большой мощности практически не возможно получить физически (маркетологи аманывают :biggrin: ) из за особенностей работы силовых ключей. Очень большая вероятность (99,99%) получить сквозной ток при формировании импульсов разной полярности. Для этого один силовой ключ должен закрыться (пауза), а второй уверенно открыться.
Примерно так:
ne555.gif
Тот, кто пытается использовать методы, не зная принципов, обречен на неудачу
ПАВ
Сообщения: 7647
Зарегистрирован: 13 авг 2015, 19:54
Репутация: 923
Откуда: Одесса
Контактная информация:

Генератор с блоком питания и инвертором

Сообщение ПАВ » 21 дек 2022, 10:06

Вот этому и отвечает первая картинка со ступенчатой "синусоидой"

Не помню, писал аль нет, в восьмидесятые столкнулся с инвертором Элсист из Германии, питающим сложную и тонкую аппаратуру сбора и регистрации данных. В те времена про мощные полевики и не слышали, задающий на кварце, простое деление ч-ты до 100 Гц с последущим усилением, выходной двухтактный каскад был на обычных мощных n-p-n транзисторах, качающих выходной трансформатор, большой и тяжелый, в котором кроме первичной была хитрая вторичная- выходная обмотка с двумя силовыми отводами, и двумя доп. к которым цеплялся конденсатор в паре с большим и тяжелым дросселем, т.о. создавался фильтр на 50 Гц, и это было просто и сердито, в итоге гармоник там было менее 5%, измерял специально.
В жизни все не так, как на самом деле...
Аватара пользователя
aleksey.RU
Сообщения: 1397
Зарегистрирован: 12 сен 2022, 15:17
Репутация: 137
Откуда: СССР
Контактная информация:

Генератор с блоком питания и инвертором

Сообщение aleksey.RU » 21 дек 2022, 10:24

Тот, кто пытается использовать методы, не зная принципов, обречен на неудачу
ПАВ
Сообщения: 7647
Зарегистрирован: 13 авг 2015, 19:54
Репутация: 923
Откуда: Одесса
Контактная информация:

Генератор с блоком питания и инвертором

Сообщение ПАВ » 21 дек 2022, 10:41

Отличный обзор! В т.ч. про все, в т.ч. и котлы. А рисковать котлом в 1000 енотов совершенно не хочется.
Самое веселое- никто не скажет, какими ногами собран инвертор и др., для какого рынка. Имею массу примеров ремонта тех же ЗУ мабил и проч, сделанных для Европы и для остальных стран. Небо и земля и по схеме, и по качеству сборки.
В жизни все не так, как на самом деле...
Аватара пользователя
aleksey.RU
Сообщения: 1397
Зарегистрирован: 12 сен 2022, 15:17
Репутация: 137
Откуда: СССР
Контактная информация:

Генератор с блоком питания и инвертором

Сообщение aleksey.RU » 21 дек 2022, 10:46

ПАВ писал(а):Источник цитаты никто не скажет, какими ногами собран инвертор и др.

В этом то и беда. Потребитель видит цену 3коп. и сразу :yahoo:, а там ливер в обёртке от Ветчины, а потом - ну написано же что синус.
Так и ливер из копыт и потрохов = мясо :biggrin:
Тот, кто пытается использовать методы, не зная принципов, обречен на неудачу
ПАВ
Сообщения: 7647
Зарегистрирован: 13 авг 2015, 19:54
Репутация: 923
Откуда: Одесса
Контактная информация:

Генератор с блоком питания и инвертором

Сообщение ПАВ » 21 дек 2022, 10:48

Шпроты из сельди иваси тоже подходят. Как и "Паштет из рябчиков пополам с кониной" по формуле один рябчик + одна лошадь. :secret:
В жизни все не так, как на самом деле...
ПАВ
Сообщения: 7647
Зарегистрирован: 13 авг 2015, 19:54
Репутация: 923
Откуда: Одесса
Контактная информация:

Генератор с блоком питания и инвертором

Сообщение ПАВ » 21 дек 2022, 10:49

Кстати, схема упомянутого инвертора сохранилась, кому интересно, могу выложить здесь.
В жизни все не так, как на самом деле...
Аватара пользователя
Neoo
Сообщения: 9
Зарегистрирован: 20 дек 2022, 10:48
Репутация: 2
Откуда: Прага
Контактная информация:

Генератор с блоком питания и инвертором

Сообщение Neoo » 21 дек 2022, 15:08

Похоже вы правы. Сделал видео с подключенной нагрузкой. Пила уменьшается при подключении ватт 200, а когда нагрузка около 1 кВт,
то вообще похоже на чистую синусоиду.
Но - перечитал переписку - так можно питать двигатели такой синусоидой или нет?
Последний раз редактировалось Neoo 21 дек 2022, 16:24, всего редактировалось 1 раз.


  • Реклама

Вернуться в «Источники бесперебойного питания (ИБП)»

Кто сейчас на конференции

Сейчас этот форум просматривают: нет зарегистрированных пользователей и 6 гостей