Повлияет ... на той, которая будет без напряжения, появится "наведенное напряжение" (eurobax писал(а):Источник цитатыНа данный момент мне непонятна ситуация - допустим, линия на 32А нагружена, а 16А - без потребителей. Что произойдет, по одной линии токи текут, а на вторую никак не повлияет?
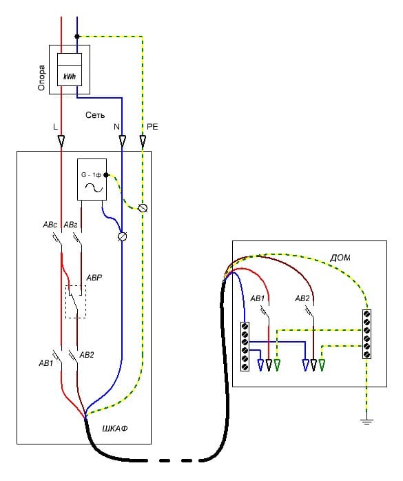
) ... это напряжение, способно зажечь "лампочку" в индикаторной отвертке ... т.е. человек может подумать, что тама "фаза" имеется. К сожалению, окромя этой отвертки, это напряжение ничего не может ни зажечь, ни сжечь ... при одновременном касании рукой - отвертка тухнет.На основании имеющейся у меня информации, не нарушая требований ГОСТ, с 4_ех жильным кабелем схема не получается.TOPMO3 писал(а):Источник цитатыДавайте завтра, я накидаю схему, подумаю ... может и правда обойдемся 4_мя жилами. Чтоб и овцы целы и волки с голодухи не выли ...eurobax писал(а):Источник цитатыА для чего 5-я жила будет задействована?
Он же выше писал, что шкаф находится рядом с опорой ... если у опоры, сетевая фаза (любая) окажется на земле, возникнет зона растекания (метров 25-30 в диаметре), т.е. шкаф и тем более корпус заземленного на месте БГ, окажется "токсичным" для организмов ... "шаговое напряжение" так сказать.ПАВ писал(а):Источник цитаты А я бы заземлил БГ на месте установки. Если случится утечка, все бывает, а вы взялись рукой за корпус БГ, слишком далеко надо бежать этому току к ближайшему заземлителю.
TOPMO3 писал(а):Источник цитаты окажется "токсичным" для организмов ... "шаговое напряжение" так сказать
Pavel писал(а):Источник цитатыTOPMO3 писал(а):Источник цитаты окажется "токсичным" для организмов ... "шаговое напряжение" так сказать
При напряжении 380 (220) радиус 30 метров? Как-то не верится!
TOPMO3 писал(а):Источник цитаты Вот, с моей точки зрения, была бы почти идеальная схема у ТС ... и волки целы и бараны сыты.
ПАВ писал(а):Источник цитаты Как лехторики так расщедрились аж на 63А при одной фазе?
Так что, завидовать бесполезно.Нуу ... во-первых, мы говорим о "приземленных" нам (обывателям), условиях, а значит напряжение будет 220 вольт, а ни как 380.Pavel писал(а):Источник цитатыTOPMO3 писал(а):Источник цитаты окажется "токсичным" для организмов ... "шаговое напряжение" так сказать
При напряжении 380 (220) радиус 30 метров? Как-то не верится!

Дык всё согласно старому дакументу: "ПОСТАНОВЛЕНИЕ ПРАВИТЕЛЬСТВА РОССИЙСКОЙ ФЕДЕРАЦИИ___от 27 декабря 2004 года N 861" (возможно уже поменен, но суть та-же).ПАВ писал(а):Источник цитаты Как лехторики так расщедрились аж на 63А при одной фазе?
Конечно теория, имеется данная цифра в ГОСТ_е я не знаю (не интересовался) ... и на счет грунта Вы правы, может по этому и нет конкретных цифр ... да и не поможет знание этих цифр человеку, когда он окажется в этой зоне.ПАВ писал(а):Источник цитаты Касательно растекания- и для всяких грунтов и условий эта теория? Я так понимаю, это некая эталонная среднепотолочная схема, про грунт что-то не увидел ничего, а как по мне, это важно.

TOPMO3 писал(а):Источник цитаты если у опоры, сетевая фаза (любая) окажется на земле, возникнет зона растекания (метров 25-30 в диаметре), т.е. шкаф и тем более корпус заземленного на месте БГ, окажется "токсичным" для организмов ... "шаговое напряжение"
eurobax писал(а):Источник цитаты Разве не сработает автомат сетевиков на 63А, который стоит на их опоре?
Вернуться в «Провода и кабели»
Сейчас этот форум просматривают: нет зарегистрированных пользователей и 8 гостей