Схема подключения контроллера genset controller FG100

Вопросы по электромонтажу, не попавшие в основные разделы
Аватара пользователя
TOPMO3
Сообщения: 4181
Зарегистрирован: 29 фев 2016, 10:37
Репутация: 626
Откуда: Ижевск
Контактная информация:

Схема подключения контроллера genset controller FG100

Сообщение TOPMO3 » 10 дек 2023, 09:25

Любопытства ради:
... имел документ (в Ворлде), с частичным переводом, по контроллеру от Datacom, D-100
... преобразовал его в ПДФ, под тем же именем
Оба документа не возможно выложить на форуме!!!
... оба документа закинул в архив (зазиповал)
ZIP_документ прекрасно выкладывается! :good:
Перевод контроллера DATACOM D100.zip
(315 КБ) 164 скачивания


Выкладывайте свое Руководство в zip_е. :yes:
Смеюсь последний ... тормоз однако!
Реклама
Аватара пользователя
TOPMO3
Сообщения: 4181
Зарегистрирован: 29 фев 2016, 10:37
Репутация: 626
Откуда: Ижевск
Контактная информация:

Схема подключения контроллера genset controller FG100

Сообщение TOPMO3 » 10 дек 2023, 14:01

Кажись я туплю ... Вы, как я только сейчас понял (хотя, Вы четко сразу это озвучили!), желаете использовать контроллер, только в режиме REMOTE START ...
Мирослав писал(а):Источник цитаты Схема следующая: когда пропадает основное питание сети с помощью реле замыкается контакт ремоут старт генератор заводится
Только вот не понятно ... кто Вам включит
и включает моторный автомат.
? И что произойдет, когда в сети появится напруга? Не думаю, что электромотор автомата успеет.
Кажись Ваш контроллер не предназначен работать в паре с сетью, а только для организации питания в домике в лесу ... где нет по близости электричества.
Смеюсь последний ... тормоз однако!
Аватара пользователя
Мирослав
Сообщения: 50
Зарегистрирован: 20 янв 2023, 07:28
Репутация: 0
Контактная информация:

Схема подключения контроллера genset controller FG100

Сообщение Мирослав » 10 дек 2023, 19:23

У меня есть инструкция FG100 пытаюсь выложить
Аватара пользователя
TOPMO3
Сообщения: 4181
Зарегистрирован: 29 фев 2016, 10:37
Репутация: 626
Откуда: Ижевск
Контактная информация:

Схема подключения контроллера genset controller FG100

Сообщение TOPMO3 » 11 дек 2023, 09:59

Мирослав писал(а):Источник цитаты У меня есть инструкция FG100 пытаюсь выложить
Преобразуйте в zip и выкладывайте.
Смеюсь последний ... тормоз однако!
Аватара пользователя
TOPMO3
Сообщения: 4181
Зарегистрирован: 29 фев 2016, 10:37
Репутация: 626
Откуда: Ижевск
Контактная информация:

Схема подключения контроллера genset controller FG100

Сообщение TOPMO3 » 11 дек 2023, 11:27

Мирослав писал(а):Источник цитаты Схема ...
Вопросы по Вашей схеме ... возможно я не всё понимаю, мне ведь не видно, что у Вас там имеется.
1. При рисовании, Вы учитывали то, что схемы и приборы на ней (например ... реле с его контактами) рисуются так, как будто, на данный момент они без напряжения (питание отсутствует по всей схеме)? ... до Вашего ответа, будем считать, что знаете ...
2. Почему контроль наличия напряжения в сети, производится только одной фазы (у Вас это фаза С)?
3. Какой смысл или какую функцию выполняет НО_контакт KV1 ...? Вижу что подает питание на катушки двух реле KP (промежуточный) и KT ... почему их нельзя подключить, напрямую к фазе С ?
4. Для чего, к одному и тому же контакту моторного автомата (далее - М_АВ) требуется подавать фазу и от сети (контакт реле КТ1) и от генратора (контакт реле KV1) ... он у Вас как работает? За счет чего реверсируется его работа? Сколько уходит времени, на его включение или отключение (предположу, что несколько десятков секунд) ... кстати, для того, чтобы сжечь обмотки генератора, сетевым напряжением, достаточно будет 4_ех миллисекунд! Разницу ощущаете?
Еще много вопросов ... просто уже лень их писать ... схема Ваша показывает Ваш уровень знаний (извините, без обид) ...
Короче ... надо от сети отключаться контактором, который будет управляться схемой контроля наличия фаз (СКФ) ... СКФ совместно с отключенным контактором сети (КС - далее) должны давать разрешение контроллеру, на запуск генератора и подключение нагрузки.
При появлении напряжения в сети, СКФ должна дать команду контроллеру на отключение М_АВ ... только после того, как М_АВ отключится, СКФ должен подать команду на включение КС (контактор сети).
Схему контроля с контактором сети, нарисовать можно без проблем ... проблема как организовать связь (диалог) с контроллером ... если для этого будет достаточно одного контакта REMOTE START, то это будет великая удача.
Смеюсь последний ... тормоз однако!
Аватара пользователя
Мирослав
Сообщения: 50
Зарегистрирован: 20 янв 2023, 07:28
Репутация: 0
Контактная информация:

Схема подключения контроллера genset controller FG100

Сообщение Мирослав » 11 дек 2023, 12:38

1. Учитывал
2. Ошибка, должно быть с трёх фаз
3. Чтобы контролировать три фазы но теоретически можно и без него
4. Принцип работы МА следующий: питание на него должо подходить постоянно, а переключается он с помощью других контактов ( третий с первым первое положение, третий с вторым второе положение) потому и подается фаза либо от сети либо от генератора. МВ переключается за 2 секунды.
Ещё будет 3 ф автомат на 6 А в начале схемы до рнпп
Аватара пользователя
TOPMO3
Сообщения: 4181
Зарегистрирован: 29 фев 2016, 10:37
Репутация: 626
Откуда: Ижевск
Контактная информация:

Схема подключения контроллера genset controller FG100

Сообщение TOPMO3 » 11 дек 2023, 15:24

Мирослав писал(а):Источник цитаты4. Принцип работы МА следующий: питание на него должо подходить постоянно, а переключается он с помощью других контактов ( третий с первым первое положение, третий с вторым второе положение) потому и подается фаза либо от сети либо от генератора.
Ничего не понимаю ... хотите сказать, что если на контакт 2 МА подать фазу от сети то он выключится, а если на него же подать фазу с генератора, то он включится ... я Вас правильно понял? Я смотрю на то, что Вы нарисовали ... а нарисовали Вы на МА, только два контакта ... один на "земле", на второй от сети и от генератора провода ... никаких ни третьего ни четвертого провода нет.
МВ переключается за 2 секунды.
В Ваши 2 секунды, сколько раз успеет сгореть генератор, выше я писал, какого времени достаточно, чтоб генератор "ластами щелкнул".
Ещё будет 3 ф автомат на 6 А в начале схемы до рнпп
А это что такое (рнпп)?
Пока у нас не будет одна схема ... так и будем играть в "испорченный телефон".
Смеюсь последний ... тормоз однако!
Аватара пользователя
TOPMO3
Сообщения: 4181
Зарегистрирован: 29 фев 2016, 10:37
Репутация: 626
Откуда: Ижевск
Контактная информация:

Схема подключения контроллера genset controller FG100

Сообщение TOPMO3 » 11 дек 2023, 15:27

Мирослав писал(а):Источник цитаты У меня есть инструкция FG100 пытаюсь выложить
Кто-то мешает ... или сама инструкция сопротивляется?!
Это как можно, одноминутное дело, на сутки растянуть!!! :biggrin:
Смеюсь последний ... тормоз однако!
Аватара пользователя
Мирослав
Сообщения: 50
Зарегистрирован: 20 янв 2023, 07:28
Репутация: 0
Контактная информация:

Схема подключения контроллера genset controller FG100

Сообщение Мирослав » 11 дек 2023, 18:12

Немного неточно нарисовал.
В МА есть контакты 220 В на которых должно быть питание и ещё в МА есть три котакта (обозначаются на схеме 1,2,3 пром.реле) при их замыкании между собой, 3 с 1 или 3 с 2, МА включится в первое или второе положение соответственно. Фазу на эти контакты не надо подавать.
В зип заархивировал но пишет , что большой объём 3.5 Мбайт. Залил пока в облако на mailru, разбираюсь.
рнпп-реле последовательности и чередования фаз.
Аватара пользователя
TOPMO3
Сообщения: 4181
Зарегистрирован: 29 фев 2016, 10:37
Репутация: 626
Откуда: Ижевск
Контактная информация:

Схема подключения контроллера genset controller FG100

Сообщение TOPMO3 » 11 дек 2023, 18:39

Мирослав писал(а):Источник цитатыВ МА есть контакты 220 В на которых должно быть питание и ещё в МА есть три котакта (обозначаются на схеме 1,2,3 пром.реле) при их замыкании между собой, 3 с 1 или 3 с 2, МА включится в первое или второе положение соответственно. Фазу на эти контакты не надо подавать.
Файл JPG — копия.jpg
Файл JPG — копия.jpg (6.94 КБ) 6507 просмотров

В зип заархивировал но пишет , что большой объём 3.5 Мбайт. Залил пока в облако на mailru, разбираюсь.
Ну так скинь сюда ссылку на этот файл ... в чем еще проблемы ... давно уже разбирались.
Смеюсь последний ... тормоз однако!
Аватара пользователя
Мирослав
Сообщения: 50
Зарегистрирован: 20 янв 2023, 07:28
Репутация: 0
Контактная информация:

Схема подключения контроллера genset controller FG100

Сообщение Мирослав » 11 дек 2023, 20:12

Ссылка на инструкцию FG100: https://cloud.mail.ru/public/b4a4/PVGXq8Q5S
Аватара пользователя
TOPMO3
Сообщения: 4181
Зарегистрирован: 29 фев 2016, 10:37
Репутация: 626
Откуда: Ижевск
Контактная информация:

Схема подключения контроллера genset controller FG100

Сообщение TOPMO3 » 11 дек 2023, 20:35

Скачал ... просмотрел ... главное перевел.
Читайте ...
Вложения
Перевод контроллера fg100.zip
(26.33 КБ) 127 скачиваний
Смеюсь последний ... тормоз однако!
Аватара пользователя
TOPMO3
Сообщения: 4181
Зарегистрирован: 29 фев 2016, 10:37
Репутация: 626
Откуда: Ижевск
Контактная информация:

Схема подключения контроллера genset controller FG100

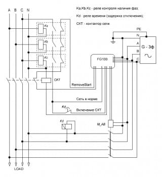
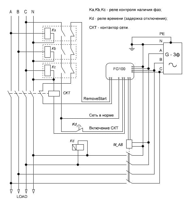
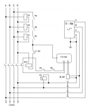
Сообщение TOPMO3 » 12 дек 2023, 13:00

Вот, примерная схема, состыковки с сетью ...
Вложения
Файл JPG — копия.jpg
Смеюсь последний ... тормоз однако!
Аватара пользователя
TOPMO3
Сообщения: 4181
Зарегистрирован: 29 фев 2016, 10:37
Репутация: 626
Откуда: Ижевск
Контактная информация:

Схема подключения контроллера genset controller FG100

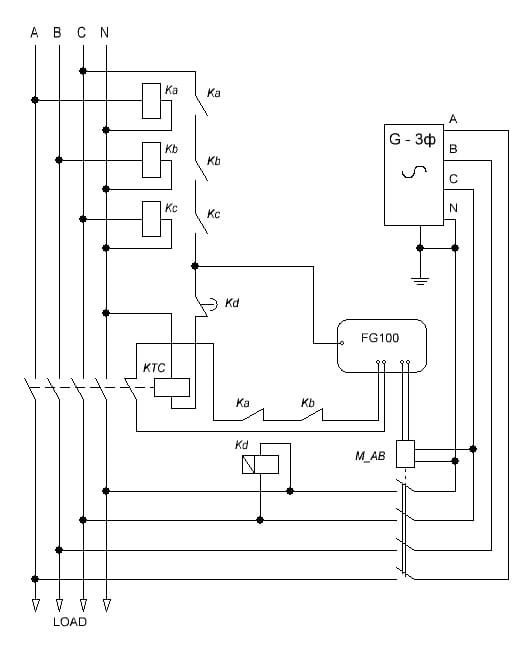
Сообщение TOPMO3 » 12 дек 2023, 13:17

Алгоритм работы схемы ...
Вложения
Файл JPG — копия — копия.jpg
Смеюсь последний ... тормоз однако!
Аватара пользователя
Мирослав
Сообщения: 50
Зарегистрирован: 20 янв 2023, 07:28
Репутация: 0
Контактная информация:

Схема подключения контроллера genset controller FG100

Сообщение Мирослав » 13 дек 2023, 22:12

Нашел Remout start, как оказалось он на два входа левее был и в инструкции об этом написано. Теперь задача в другом: как настроить его с выдержкой времени? Предполагаю, что опять-таки через прогу.
TOPMO3 писал(а):Источник цитаты Скачал ... просмотрел ... главное перевел.
Читайте ...

У меня до 7 главы только перевод, а дальше ничего нет. Так и должно быть?
Аватара пользователя
TOPMO3
Сообщения: 4181
Зарегистрирован: 29 фев 2016, 10:37
Репутация: 626
Откуда: Ижевск
Контактная информация:

Схема подключения контроллера genset controller FG100

Сообщение TOPMO3 » 14 дек 2023, 08:26

Мирослав писал(а):Источник цитаты У меня до 7 главы только перевод, а дальше ничего нет. Так и должно быть?
Нет ... вот более полный перевод.
Вложения
fg100.zip
(543.26 КБ) 65 скачиваний
Смеюсь последний ... тормоз однако!
Аватара пользователя
TOPMO3
Сообщения: 4181
Зарегистрирован: 29 фев 2016, 10:37
Репутация: 626
Откуда: Ижевск
Контактная информация:

Схема подключения контроллера genset controller FG100

Сообщение TOPMO3 » 14 дек 2023, 08:58

Мирослав писал(а):Источник цитаты Нашел Remout start, как оказалось он на два входа левее был и в инструкции об этом написано.
Я это знаю, при переводе читал.
Теперь задача в другом:
как настроить его с выдержкой времени
? Предполагаю, что опять-таки через прогу.
Какая задержка и что задерживать? Я не представляю, что Вы задумали ... выложенная Вами схема - ни куда не годится.
Смеюсь последний ... тормоз однако!
Аватара пользователя
TOPMO3
Сообщения: 4181
Зарегистрирован: 29 фев 2016, 10:37
Репутация: 626
Откуда: Ижевск
Контактная информация:

Схема подключения контроллера genset controller FG100

Сообщение TOPMO3 » 14 дек 2023, 10:25

Собирайте такую схему ...
Вложения
Файл JPG — копия.jpg
Смеюсь последний ... тормоз однако!
Аватара пользователя
Мирослав
Сообщения: 50
Зарегистрирован: 20 янв 2023, 07:28
Репутация: 0
Контактная информация:

Схема подключения контроллера genset controller FG100

Сообщение Мирослав » 14 дек 2023, 13:22

Извините но я вам не все сказал видимо упустил. У меня перекидной МА.


  • Реклама

Вернуться в «Прочие вопросы по электромонтажу»

Кто сейчас на конференции

Сейчас этот форум просматривают: нет зарегистрированных пользователей и 12 гостей