Если не лень будет попробуйте исправленную ...Filiuk писал(а):Источник цитаты ... Так вот, Первая схема отсчитывает время работы (пускатель втянут) , и все.По окончании рабочего такта пускатель отпускает и тишина. ...
Filiuk писал(а):Источник цитаты Подскажите с чем это связано?
Filiuk писал(а):Источник цитаты Завтра попробую сделать по Вашей схеме.
Filiuk писал(а):Источник цитаты на счет реле-повторителя( Ваша схема). Подойдет реле на 220 вольт
Filiuk писал(а):Источник цитаты с нормально открытыми и нормально закрытыми контактами?
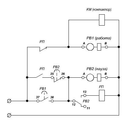
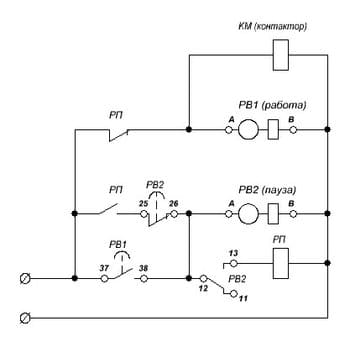
) ... схема рабочая.TOPMO3 писал(а):Источник цитаты Што то не смог до конца понять логику работы Вашей схемы.
TOPMO3 писал(а):Источник цитаты реле_Р должна будет настроена на
TOPMO3 писал(а):Источник цитаты реле_НР
TOPMO3 писал(а):Источник цитаты РП работает в режиме импульса.
TOPMO3 писал(а):Источник цитаты как подключить кнопки ... или у Вас задуман тумблер?
Штой то не узнаю, ярого борца за безопасность!elalex писал(а):Источник цитатыНа усмотрение ТС. Если ручные включения схемы частые, да еще его волнует защита от низкого напряжения сети или самозапуска - кнопки. Если редкие (раз в день) - достаточно и автоматом.

TOPMO3 писал(а):Источник цитаты Ваша схема само собой возобновляет работу!
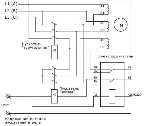
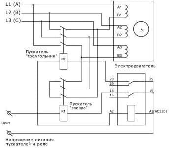
kurasov1965p писал(а):Источник цитаты Всем доброго времени суток. Вопрос в следующем кто сталкивался с трехфазными реле напряжения и перекоса фаз? Какие вы применяете и какие по вашему мнению лучше? Я вот пользовался реле РНПП-311М. Может есть получше и более функциональные?
Вернуться в «Контакторы, пускатели, реле, датчики, кнопки и т.п.»
Сейчас этот форум просматривают: нет зарегистрированных пользователей и 10 гостей