Диалог про разделение PEN

Вопросы, связанные с устройством и монтажом заземления и зануления. Системы заземления и системы уравнивания потенциалов (СУП), молниезащита, грозозащита и т.п.
Аватара пользователя
TOPMO3
Сообщения: 4181
Зарегистрирован: 29 фев 2016, 10:37
Репутация: 626
Откуда: Ижевск
Контактная информация:

Замечания при приеме в эксплуатацию вводного распределительного устройства

Сообщение TOPMO3 » 10 апр 2016, 16:13

tupos писал(а):Источник цитатыОшибаетесь. На дом должно идти пяти и трех жильные кабели
ПУЭ не запрещает делить в щитке дома.
tupos писал(а):Источник цитатыСбытовые организации не принимают подключение к PEN шине, а требуют присоединять к N зажиму счетчика, хотя это противоречит ПУЭ
16мм.кв. - тяжко совать в счетчик, но ПУЭ это делать, не запрещает.
Смеюсь последний ... тормоз однако!
Реклама
Аватара пользователя
mastervictor
Сообщения: 4494
Зарегистрирован: 23 июл 2015, 08:50
Репутация: 508
Откуда: Краснодар(почти)
Контактная информация:

Замечания при приеме в эксплуатацию вводного распределительного устройства

Сообщение mastervictor » 11 апр 2016, 09:45

TOPMO3 писал(а):Источник цитаты Вторичное заземление, рекомендуется делать в вводном (ВУ)

выполнять повторное заземление РЕ- и PEN-проводников на вводе в электроустановки зданий

На вводе!
Ответвление от ВЛ к вводу - участок от опоры магистрали или линейного ответвления до зажима (изолятора ввода).

, а также в других доступных местах.

Имеется ввиду того же ввода!
Ввод от ВЛ - электропроводка, которая соединяет ответвление от ВЛ к вводу с внутренней электропроводкой здания, считая от изоляторов, установленных на наружной поверхности здания, до зажимов ВРУ.
Нет ничего невозможного,необходимо две вещи,время и деньги!(Я :hi: )
Я отношусь к людям так,как они относятся ко мне!(Я :hi: )
Аватара пользователя
mastervictor
Сообщения: 4494
Зарегистрирован: 23 июл 2015, 08:50
Репутация: 508
Откуда: Краснодар(почти)
Контактная информация:

Замечания при приеме в эксплуатацию вводного распределительного устройства

Сообщение mastervictor » 11 апр 2016, 09:48

TOPMO3 писал(а):Источник цитаты 16мм.кв. - тяжко совать в счетчик, но ПУЭ это делать, не запрещает.

Не встречал таких!А иногда и 25 кв засовывали!
(пока не стали "ближе к ПУЭ",заводя PEN на PE-шину!)
Нет ничего невозможного,необходимо две вещи,время и деньги!(Я :hi: )
Я отношусь к людям так,как они относятся ко мне!(Я :hi: )
Аватара пользователя
Константин
Сообщения: 3464
Зарегистрирован: 16 сен 2015, 10:19
Репутация: 851
Откуда: Новосибирская область
Контактная информация:

Замечания при приеме в эксплуатацию вводного распределительного устройства

Сообщение Константин » 11 апр 2016, 15:57

elalex писал(а):Источник цитаты как и вообще применять TN-C-S.

Пока такого запрета нет.На оборот есть предписания перейти с TN-C на TN-C-S .Ну чтобы запрещали применять TN-C-S такого нет.
Аватара пользователя
Константин
Сообщения: 3464
Зарегистрирован: 16 сен 2015, 10:19
Репутация: 851
Откуда: Новосибирская область
Контактная информация:

Замечания при приеме в эксплуатацию вводного распределительного устройства

Сообщение Константин » 11 апр 2016, 16:01

TOPMO3 писал(а):Источник цитаты ПУЭ не запрещает делить в щитке дома.

Да. И энергосбыт тоже, что бы там не говорили. Если есть потребность обеспечить закрытый доступ к такой шине то пусть расположат её под пломбировочной панелью Щита Учетно Распределительного. И ноль проблем.
Аватара пользователя
TOPMO3
Сообщения: 4181
Зарегистрирован: 29 фев 2016, 10:37
Репутация: 626
Откуда: Ижевск
Контактная информация:

Замечания при приеме в эксплуатацию вводного распределительного устройства

Сообщение TOPMO3 » 13 апр 2016, 16:09

elalex писал(а):Источник цитаты TOPMO3, по общему правилу, деление PEN должно происходить как можно раньше и как можно дальше от потребителя. Т.е. никаких PEN в дом и хозпостройки заводить нельзя, как и вообще применять TN-C-S.
Это только Ваши видение ... в Правилах этого нет.
tupos писал(а):Источник цитаты TOPMO3, ваша схема не верная
Таки не дождался аргументов ... типа, штамп поставили - НЕЗЯ!!! :biggrin:
Смеюсь последний ... тормоз однако!
Аватара пользователя
TOPMO3
Сообщения: 4181
Зарегистрирован: 29 фев 2016, 10:37
Репутация: 626
Откуда: Ижевск
Контактная информация:

Замечания при приеме в эксплуатацию вводного распределительного устройства

Сообщение TOPMO3 » 13 апр 2016, 17:44

elalex писал(а):Источник цитаты
TOPMO3 писал(а):Источник цитаты Вы, как я понял, профи по стенкам и битию головой об оную

А Вы профи по доставанию, почему этого делать нельзя :smile:
Я вроде и не писал, что Вы не имеете права быть таким профи ... :pardon:
Смеюсь последний ... тормоз однако!
Аватара пользователя
Восток
Сообщения: 850
Зарегистрирован: 30 янв 2016, 18:07
Репутация: 429
Контактная информация:

Замечания при приеме в эксплуатацию вводного распределительного устройства

Сообщение Восток » 13 апр 2016, 21:12

TOPMO3 писал(а):Источник цитаты Таки не дождался аргументов ... типа, штамп поставили - НЕЗЯ!!!


1.7.145................Допускается также одновременное отключение всех проводников на вводе в электроустановки индивидуальных жилых, дачных и садовых домов и аналогичных им объектов, питающихся по однофазным ответвлениям от ВЛ. При этом разделение PEN-проводника на РЕ- и N-проводники должно быть выполнено до вводного защитно-коммутационного аппарата.
Аватара пользователя
TOPMO3
Сообщения: 4181
Зарегистрирован: 29 фев 2016, 10:37
Репутация: 626
Откуда: Ижевск
Контактная информация:

Замечания при приеме в эксплуатацию вводного распределительного устройства

Сообщение TOPMO3 » 14 апр 2016, 06:19

Восток писал(а):Источник цитаты1.7.145................Допускается также одновременное отключение всех проводников на вводе в электроустановки индивидуальных жилых, дачных и садовых домов и аналогичных им объектов, питающихся по однофазным ответвлениям от ВЛ. При этом разделение PEN-проводника на РЕ- и N-проводники должно быть выполнено до вводного защитно-коммутационного аппарата.
У Вас своих слов нет, походу .... тупое цитирование ПУЭ, довольно часто, не вносит ясности ... схема не противоречит этому пункту. :biggrin:
Смеюсь последний ... тормоз однако!
Аватара пользователя
Восток
Сообщения: 850
Зарегистрирован: 30 янв 2016, 18:07
Репутация: 429
Контактная информация:

Замечания при приеме в эксплуатацию вводного распределительного устройства

Сообщение Восток » 14 апр 2016, 08:40

TOPMO3 писал(а):Источник цитаты тупое цитирование ПУЭ

Да нет не тупое.

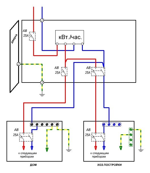
У вас, выполнено повторное заземление PEN проводника на вводе перед АВ ( который стоит перед счетчиком) . Дальше, у вас должен идти N проводник после этого автомата. С учетом, что это N проводник, автоматы стоящие после счетчика не противоречат нормам. А вот уже на щитках дома и хозпостройке, вы снова делаете повторное заземление, Чего N проводника ? Или PEN проводника. Если N проводника то это не верно, так как он уже не должен быть связан с землей. Если PEN проводника так так же не верно , так как в PEN проводнике не должно быть коммутационных аппаратов.

Вот и судите сами противоречит или нет.
Аватара пользователя
TOPMO3
Сообщения: 4181
Зарегистрирован: 29 фев 2016, 10:37
Репутация: 626
Откуда: Ижевск
Контактная информация:

Замечания при приеме в эксплуатацию вводного распределительного устройства

Сообщение TOPMO3 » 14 апр 2016, 09:08

Восток писал(а):Источник цитаты... выполнено повторное заземление PEN проводника на вводе перед АВ ( который стоит перед счетчиком) . Дальше, ... должен идти N проводник после этого автомата.
Да Вы правы ... ключевые слова (подчеркнутое) "напомнили" п.1.7.145. ... и посему ... схема должна была выглядеть вот так ... :sorry:
Вложения
1.jpg
Смеюсь последний ... тормоз однако!
Аватара пользователя
mastervictor
Сообщения: 4494
Зарегистрирован: 23 июл 2015, 08:50
Репутация: 508
Откуда: Краснодар(почти)
Контактная информация:

Замечания при приеме в эксплуатацию вводного распределительного устройства

Сообщение mastervictor » 14 апр 2016, 10:00

TOPMO3 писал(а):Источник цитаты схема не противоречит этому пункту.

Не противоречила бы,если бы не стояла две шины или зажима,как требует ПУЭ! :wink:
Нет ничего невозможного,необходимо две вещи,время и деньги!(Я :hi: )
Я отношусь к людям так,как они относятся ко мне!(Я :hi: )
Аватара пользователя
mastervictor
Сообщения: 4494
Зарегистрирован: 23 июл 2015, 08:50
Репутация: 508
Откуда: Краснодар(почти)
Контактная информация:

Замечания при приеме в эксплуатацию вводного распределительного устройства

Сообщение mastervictor » 14 апр 2016, 10:11

отдельные зажимы или шины

Учитель русского языка,сказал что это разные вещи!
Что показывает нам Яндекс,по запросу "зажим для проводников"?
https://yandex.ru/images/search?text=%D ... 0%BE%D0%B2
Что показывает нам Яндекс,по запросу "шины для проводников"?
https://yandex.ru/images/search?text=%D ... 0%BE%D0%B2
Нет ничего невозможного,необходимо две вещи,время и деньги!(Я :hi: )
Я отношусь к людям так,как они относятся ко мне!(Я :hi: )
Аватара пользователя
TOPMO3
Сообщения: 4181
Зарегистрирован: 29 фев 2016, 10:37
Репутация: 626
Откуда: Ижевск
Контактная информация:

Замечания при приеме в эксплуатацию вводного распределительного устройства

Сообщение TOPMO3 » 14 апр 2016, 16:51

mastervictor писал(а):Источник цитатыНе противоречила бы,если бы не стояла две шины или зажима,как требует ПУЭ! :wink:
Ну Вы надеюсь поняли ... схема противоречила запрету коммутировать PEN ... о шинках/зажимах речь не идет.
Смеюсь последний ... тормоз однако!
Аватара пользователя
mastervictor
Сообщения: 4494
Зарегистрирован: 23 июл 2015, 08:50
Репутация: 508
Откуда: Краснодар(почти)
Контактная информация:

Замечания при приеме в эксплуатацию вводного распределительного устройства

Сообщение mastervictor » 14 апр 2016, 17:45

TOPMO3 писал(а):Источник цитаты Ну Вы надеюсь поняли ... схема противоречила запрету коммутировать PEN

Если взяли корпус как ГЗШ,то расщепление произошло,и коммутируете N!
Нет ничего невозможного,необходимо две вещи,время и деньги!(Я :hi: )
Я отношусь к людям так,как они относятся ко мне!(Я :hi: )
Аватара пользователя
tupos
Сообщения: 1344
Зарегистрирован: 10 авг 2015, 13:36
Репутация: 303
Откуда: Шадринск
Контактная информация:

Замечания при приеме в эксплуатацию вводного распределительного устройства

Сообщение tupos » 14 апр 2016, 20:11

TOPMO3, повторюсь, ваша схема не верна
ПРАВИЛА: http://forum-electrikov.ru/ucp.php?mode=terms
Аватара пользователя
TOPMO3
Сообщения: 4181
Зарегистрирован: 29 фев 2016, 10:37
Репутация: 626
Откуда: Ижевск
Контактная информация:

Замечания при приеме в эксплуатацию вводного распределительного устройства

Сообщение TOPMO3 » 15 апр 2016, 08:19

mastervictor писал(а):Источник цитатыЕсли взяли корпус как ГЗШ,то расщепление произошло,и коммутируете N!
Если так рассуждать ... после первой же "повторки" ... после ТП ... на следующих опорах уже не "PEN", а просто "N". :wink:
Повторное заземление не дает право переименовывать провод.
з.ы. По поводу - корпус и ГЗШ (имхо, не относятся к этой схеме) ... тут два основных условий:
1. Рабочий ток не должен протекать по защитным проводникам
2. Не более двух проводников на клемму
tupos писал(а):Источник цитаты TOPMO3, повторюсь, ваша схема не верна
1.jpg
:biggrin:
Последний раз редактировалось TOPMO3 15 апр 2016, 09:06, всего редактировалось 2 раза.
Смеюсь последний ... тормоз однако!
Аватара пользователя
elalex
Сообщения: 7423
Зарегистрирован: 21 июл 2015, 08:08
Репутация: 591
Откуда: [email protected]
Контактная информация:

Замечания при приеме в эксплуатацию вводного распределительного устройства

Сообщение elalex » 15 апр 2016, 08:22

Какой высокоинтеллектуальный спор!
Одиночный свободный электрик
Опыт ремонтов квартир 20лет
Высшее электрическое образование
Бывший инженер-электрик
Пенсионер
64 года
Пишу для владельцев частного жилья
Запасной E–mail для россиян: [email protected]
Аватара пользователя
TOPMO3
Сообщения: 4181
Зарегистрирован: 29 фев 2016, 10:37
Репутация: 626
Откуда: Ижевск
Контактная информация:

Замечания при приеме в эксплуатацию вводного распределительного устройства

Сообщение TOPMO3 » 15 апр 2016, 09:04

elalex писал(а):Источник цитаты Какой высокоинтеллектуальный спор!
Где спор? Где тут разногласия? Имхо, идет поиск несоответствий схемы, требованиям ПУЭ (в соответствии названию темы).
Кто находит, объясняет понятным языком (учитывая перспективу ... на "неэлектриков") ... получает "плюс" в карму ... :pardon:
Смеюсь последний ... тормоз однако!
Аватара пользователя
TOPMO3
Сообщения: 4181
Зарегистрирован: 29 фев 2016, 10:37
Репутация: 626
Откуда: Ижевск
Контактная информация:

Замечания при приеме в эксплуатацию вводного распределительного устройства

Сообщение TOPMO3 » 15 апр 2016, 12:25

Вот ... с поправкой (сам дотуркал) ...
1.jpg
... штампик сразу ставить? :smile:
Смеюсь последний ... тормоз однако!


  • Реклама

Вернуться в «Заземление и молниезащита»

Кто сейчас на конференции

Сейчас этот форум просматривают: нет зарегистрированных пользователей и 10 гостей