elalex писал(а):Вам не нужно самому включить свет при поломке реле напряжения, пусть лучше это сделает электрик по вызову?
Каков шанс выхода из строя реле напряжения, по сравнению с другими аппаратами? На все байпас не придумаешь. Что будет, если при вышедшем из строя реле напряжения и включенном байпасе, произойдет повышение напряжения более, чем на 10%, например, с холодильником? Лучше уж дождаться замены реле напряжения.
elalex писал(а):Не самое лучшее. В нем есть защита от внутренних КЗ - например, внутренний предохранитель?
Как я и писал ранее, реле напряжение единственное, что уже есть, поэтому его и буду применять, смысл теперь тратить деньги на другое?
elalex писал(а):ИЭК - бюджетный вариант для бедных людей. Хотелось бы надеяться, что хватит денег на что-то немецкое или французское
Во первых, через друзей, есть возможность взять по цене равной отпускной у самого IEK, т.к. у них свой магазин и они сотрудничают с IEK.
Во вторых, не проблем с приобритением аппаратов с ВТХ "В".
В третьих, качество немецкой или французской аппаратуры величина абстрактная, а разница в цене существенная.
elalex писал(а):Вроде мы советовали изменить все. Или сообщение нужно понимать так: "так, как вы советовали - ничего не менял"? Тут из-за непоняток возникают ощутимые чвары.
Не менял, потому что план был готов для из начальной схемы, я его просто выложил. Да и вы просили выложить план. Над изменением схемы работаю.
Кактус писал(а):Чую Вы сам проектант этого проекта?!
И как Вы только догадались
.Кактус писал(а):Я пока что не понимаю ваших желаний.
Да если бы, я сам уже совсем уже определился, я бы сюда не обращался за Вашими советами и сделал по изначальной схеме и плану. Т.к. делать буду для себя, понятно, что хотел бы сделать как можно лучше, поэтому и обратился за советами к тем, кто делает все это ежедневно.
elalex писал(а):1.Если Вы хотите, чтобы Ваш план лучше читался, уберите с него все лишнее и исправьте обозначения на человеческие:
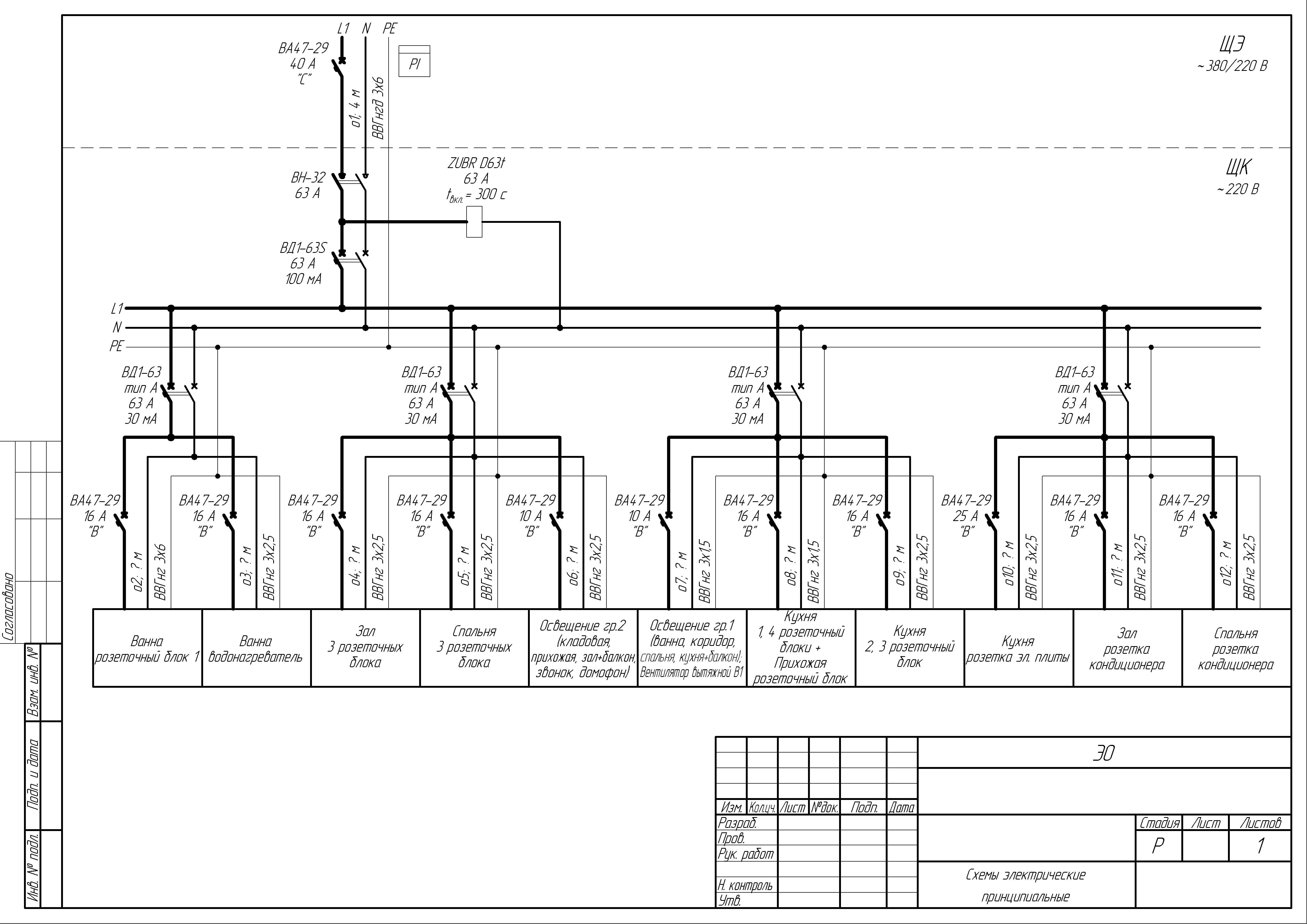
В смысле? Все обозначения приведены в соответствии с ГОСТ 21.210-2014 и ГОСТ 21.608-84.
elalex писал(а):В ванной лесенка - это полотенцесушитель?
Водонагреватель.
elalex писал(а):2.Укажите, какие кабельные линии уже проложены и какие выключатели и розетки установлены.
На данный момент никакие. Только кабель проложенный застройщиком от щитка этажного в квартиру. Удалось наконец-таки выяснить его марку и сечение - ВВГ 3х6.
elalex писал(а):3.Если хотите, можем поговорить, как ставить розетки и вообще делать кухню.
Собственно - это одна из причин по которой я здесь. Сейчас, анализирую статью, которую Вы написали здесь, по просьбе товарища Леопольда.

.