)
)И я также говорю ... и уходит до дома, а в хоз.постройки идет только Н, так как на пути стоит диф (коммутация).mastervictor писал(а):Источник цитаты ПЕН в счетчик зашел.
Определения:
Воздушная линия (ВЛ) электропередачи напряжением до 1 кВ - устройство для передачи и распределения электроэнергии по изолированным или неизолированным проводам, расположенным на открытом воздухе и прикрепленным линейной арматурой к опорам, изоляторам или кронштейнам, к стенам зданий и к инженерным сооружениям.
Воздушная линия электропередачи напряжением до 1 кВ с применением самонесущих изолированных проводов (СИП) обозначается ВЛИ.
Магистраль ВЛ - участок линии от питающей трансформаторной подстанции до концевой опоры.
Линейное ответвление от ВЛ - участок линии, присоединенной к магистрали ВЛ, имеющий более двух пролетов.
Ответвление от ВЛ к вводу - участок от опоры магистрали или линейного ответвления до зажима (изолятора ввода).
Электропроводкой называется совокупность проводов и кабелей с относящимися к ним креплениями, поддерживающими защитными конструкциями и деталями, установленными в соответствии с настоящими Правилами.
Смотрим ГОСТ Р МЭК 60050-826.
ввод в электрическую установку
Точка, в которой электрическая энергия вводится в электроустановку.
Конкретизируем это определение.
Ввод от ВЛ - электропроводка, которая соединяет ответвление от ВЛ к вводу с внутренней электропроводкой здания, считая от изоляторов, установленных на наружной поверхности здания, до зажимов ВРУ.
Некоторые мысли по этому поводу:
Я полагаю что от СИПс до ЩУ нужно проложить 4-х жильный кабель, а вот от ЩУ до ВРУ уже 5-ти жильный по следующим причинам:
Во-первых:
ПУЭ 1.7.135. ... PEN-проводник питающей линии должен быть подключен к зажиму или шине нулевого защитного РЕ-проводника.
И так - согласно этого пункта, держа в руках PEN-проводник вы должны его подключить к шине PE и точка !!! заводить напрямую в счетчик нельзя, так как 4-я жила перестаёт быть PEN, а становится N!!!
Подсказка - ПУЭ-7 п.1.1.17. Для обозначения обязательности выполнения требований ПУЭ применяются слова «должен», «следует», «необходимо» и производные от них.
Во-вторых:
Счётчики следует подключать согласно паспорту, где в схемах подключения указан только рабочий ноль - N !!! (иначе счетчик будет работать не корректно, особенно если счетчик с дифференциальным входом, кроме того применяя совмещенный ноль – PEN мы нарушаем требование запрета протекания рабочего тока по нулевому защитному проводнику)
В-третьих:
ГОСТ Р 50571.1-2009, однозначно трактует где именно должно быть разделение PEN на PE и ноль.
Цитирую:
312.2.1 В электроустановках жилых и общественных зданий, торговых предприятий, медицинских учреждений, запрещено применять PEN проводники.
PEN проводник распределительной сети должен быть разделён на нейтральный и защитный проводники на вводе электроустановки.
Так что.... разделяем до счётчика и на счётчик заводим только "N", как того и требуют схемы включения счётчиков.
В-четвертых:
ПУЭ 1.7.135. Когда нулевой рабочий и нулевой защитный проводники разделены начиная с какой-либо точки электроустановки, не допускается объединять их за этой точкой по ходу распределения энергии.
Вывод:
Из всего вышесказанного следует что заводить «напрямую» PEN-проводник в счетчик нельзя, кроме того для корректной и правильной работы счетчика необходим нулевой рабочий проводник (N), для этого совмещенный проводник (PEN) разделяем в ЩВУ, после того как PEN проводник разделили снова его объединять запрещено.
Соответственно от зажимов на питающем кабеле (СИП-4) до ЩВУ используем 4-х жильный кабель, а от ЩВУ до ВРУ здания – 5-ти жильный кабель.
)
)А по моему ... одни цитаты.mastervictor писал(а):Источник цитаты TOPMO3, Читали цитату коллеги,что я ужи приводил?
Доходчиво вроде разжовано!
)
)Зачем было писать о ком то ... если не можете своими словами, свое мнение/понимание подать?mastervictor писал(а):Источник цитаты Я ХЗ что ответить!

...Ответвление от ВЛ к вводу - участок от опоры магистрали или линейного ответвления до зажима (изолятора ввода).
Смотрим ГОСТ Р МЭК 60050-826.
ввод в электрическую установку
Точка, в которой электрическая энергия вводится в электроустановку.
Бред ... №1. Подключение к ПЕ_шине это повторное заземление, а ни как, не деление!Некоторые мысли по этому поводу:
Я полагаю что от СИПс до ЩУ нужно проложить 4-х жильный кабель, а вот от ЩУ до ВРУ уже 5-ти жильный по следующим причинам:
Во-первых:
ПУЭ 1.7.135. ... PEN-проводник питающей линии должен быть подключен к зажиму или шине нулевого защитного РЕ-проводника.
И так - согласно этого пункта, держа в руках PEN-проводник вы должны его подключить к шине PE и точка !!! заводить напрямую в счетчик нельзя, так как 4-я жила перестаёт быть PEN, а становится N!!!
Бред ... №2. Современные счетчики считают и без "нуля", а для счетчиков, с электроникой внутри, нуль требуется только для собственных нужд.Во-вторых:
Счётчики следует подключать согласно паспорту, где в схемах подключения указан только рабочий ноль - N !!! (иначе счетчик будет работать не корректно, особенно если счетчик с дифференциальным входом, кроме того применяя совмещенный ноль – PEN мы нарушаем требование запрета протекания рабочего тока по нулевому защитному проводнику)
В данном случае, слова "на вводе ..." - обозначают не точку, а объект в целом ...В-третьих:
ГОСТ Р 50571.1-2009, однозначно трактует где именно должно быть разделение PEN на PE и ноль.
Цитирую:
312.2.1 В электроустановках жилых ... зданий ... запрещено применять PEN проводники.
PEN проводник распределительной сети должен быть разделён на нейтральный и защитный проводники на вводе электроустановки.
Ошибочное утверждение, по причине, выше сказанного.Так что.... разделяем до счётчика и на счётчик заводим только "N", как того и требуют схемы включения счётчиков.
Вывод:Вывод:
Из всего вышесказанного следует что заводить «напрямую» PEN-проводник в счетчик нельзя, кроме того для корректной и правильной работы счетчика необходим нулевой рабочий проводник (N), для этого совмещенный проводник (PEN) разделяем в ЩВУ, после того как PEN проводник разделили снова его объединять запрещено.
Соответственно от зажимов на питающем кабеле (СИП-4) до ЩВУ используем 4-х жильный кабель, а от ЩВУ до ВРУ здания – 5-ти жильный кабель.

Нашел я этого ... "коллегу" (http://220forum.ru/viewtopic.php?f=15&t=3924) ... если я тормоз ... так он дебил в ПУЭ.mastervictor писал(а):Источник цитаты TOPMO3, Читали цитату коллеги,что я ужи приводил?
Доходчиво вроде разжовано!
TOPMO3 писал(а):Источник цитаты Бред ... №2. Современные счетчики считают и без "нуля",
Спасибо ... тормознули ... наверно соглашусь, насчет того, что N не нужен счетчикам, ляпнул, не являясь спецом в нихКонстантин писал(а):Источник цитатыTOPMO3 писал(а):Источник цитаты Бред ... №2. Современные счетчики считают и без "нуля",
Какие это такие приборы учета которым не нужен N для функционирования?
... просто читал, где то, что современным счетчикам не нужен нуль, окромя своих нужд, по причине того, что учет производится по току в фазных шинках (типа как падение напряжения на участке цепи - которое усиливается потом электроникой), т.е. получается их не возможно обмануть - рабочий ток "нуля" им не нужен.
TOPMO3 писал(а):Источник цитаты Это как счетчик определяет, что на него пришло именно N, а не PEN .
TOPMO3 писал(а):Источник цитаты есть не соответствия Правилам?
Вы согласны, что написанное Вами - пожелания, а не требования ПУЭ?Константин писал(а):Источник цитатыTOPMO3 писал(а):Источник цитаты есть не соответствия Правилам?
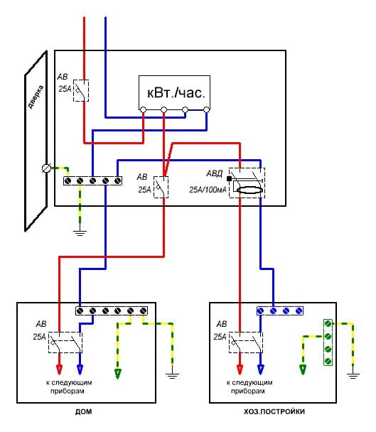
1.Используйте на вводе лучше не корпус, а распределительную шину для PEN.Это лучше и надежнее.
2. В РЩ дома уберите повторное заземление нейтрали. Туда как и в хоз постройки уже должно тянуться РЕ отдельным проводником.
TOPMO3 писал(а):Источник цитаты пожелания, а не требования ПУЭ?
TOPMO3 писал(а):Источник цитаты есть не соответствия Правилам?
Просто пункты назовите (номера или смысл своими словами, поищу сам) ... пожалуйста.Константин писал(а):Источник цитаты1.Используйте на вводе лучше не корпус, а распределительную шину для PEN.Это лучше и надежнее.
2. В РЩ дома уберите повторное заземление нейтрали. Туда как и в хоз постройки уже должно тянуться РЕ отдельным проводником.
Вернуться в «Заземление и молниезащита»
Сейчас этот форум просматривают: нет зарегистрированных пользователей и 10 гостей