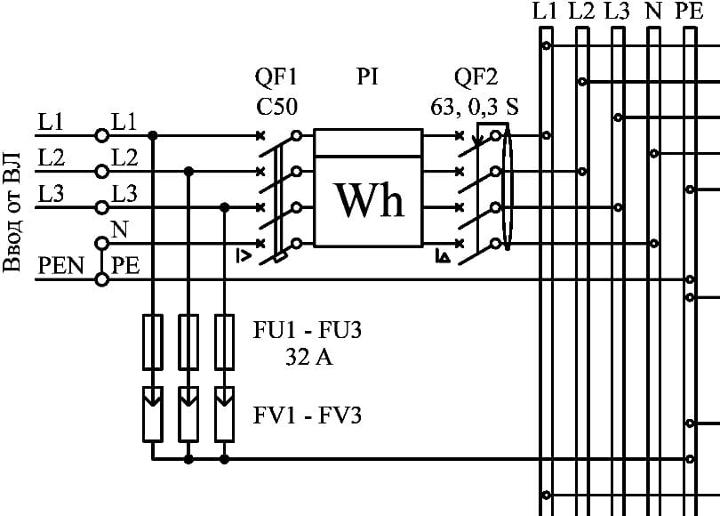
elalex писал(а):1.Наплевать на книгу, изданную ООО. В ней фантазии автора, а не мнение АВВ.
2.Я нахожу в таких схемах и их выполнении десятки малых и больших ошибок. Даже если к изданию этой книги приложило руку АВВ, в чем я сильно сомневаюсь.
Ох как обидится автор ... один из тех, кто активно принимал и до сих пор принимает участие в разработках всех нормативных дококов, и ПУЭ в том числе.elalex писал(а):Источник цитаты 1.Наплевать на книгу, изданную ООО. В ней фантазии автора, а не мнение АВВ.
2.Я нахожу в таких схемах и их выполнении десятки малых и больших ошибок. Даже если к изданию этой книги приложило руку АВВ, в чем я сильно сомневаюсь.

Добро пожаловать!Yury писал(а):Источник цитаты Я случайно наткнулся на этот форум.

Вернуться в «Автоматические выключатели и предохранители»
Сейчас этот форум просматривают: нет зарегистрированных пользователей и 11 гостей