Диалог про разделение PEN

Вопросы, связанные с устройством и монтажом заземления и зануления. Системы заземления и системы уравнивания потенциалов (СУП), молниезащита, грозозащита и т.п.
Аватара пользователя
Константин
Сообщения: 3464
Зарегистрирован: 16 сен 2015, 10:19
Репутация: 851
Откуда: Новосибирская область
Контактная информация:

Замечания при приеме в эксплуатацию вводного распределительного устройства

Сообщение Константин » 18 апр 2016, 17:12

TOPMO3 писал(а):Источник цитаты Просто пункты назовите (номера или смысл своими словами, поищу сам) ... пожалуйста.

Давайте лучше своими словами. Вы сами говорили, что некие пункты ПУЭ имеют какой-то двоякий смысл. Да и думаю практические доводы лучше действуют к пониманию чем теоретические.Но необходимые пункты были не раз процитированные Востоком и mastervictor, чуть выше.
1.Я уже писал, что не на всех корпусах это можно сделать. Плюс к тому подобные места могут быть прокрашены, что плохо сказывается на переходном сопротивлении. В случаи присоединения тч разделении на корпусе не возможно будет присоединить еще несколько линий электропитания при необходимости от такого ВРУ. Банально нет зажимов. Также удобство при присоединении и обслуживании. Расположения винтов и болтов на корпусе имеют труднодоступные места. И прикручивать туда что-то трудоемкая и неудобная работа особенно если нужно производить технический осмотр состояния такого соединения. Становиться не возможно осмотреть его в целом. И безопасно протянуть не боясь коснуться открытых токопроводящих частей. Поэтому установленная распределительная шина в легко доступном месте в щите решает данные проблемы. Да и если вы захотите сменить систему заземления скажем на ТТ вам не надо будет мучиться откручивать болты от корпуса и извлекая от туда PEN фиксируя его патом на изолированную шину. Достаточно будет всего лишь отсоединить провод заземления от заранее установленной на изоляторе ГЗШ.
2. Нет никакого деления в системе заземления ТТ. На приведенной схеме вами РЩ (дом) имеет систему TN-C-S. Вот только деление уже произведено в ВРУ(щит с прибором учета) и в счетчик подключен уже рабочий N проводник. Повторные действия уже РЩ нарушают пункт ПУЭ, п.1.7.135:
3. ВРУ как раз и надо. Но на приведенной схеме в доме не ВРУ, а РЩ.
Реклама
Аватара пользователя
TOPMO3
Сообщения: 4181
Зарегистрирован: 29 фев 2016, 10:37
Репутация: 626
Откуда: Ижевск
Контактная информация:

Замечания при приеме в эксплуатацию вводного распределительного устройства

Сообщение TOPMO3 » 18 апр 2016, 18:43

Спасибо большое, за обширный ответ, прочитав которое понял ... невозможно ответить одним постом ... стопудово потеряем суть.
Если разрешите, разделю (Ваш ответ) на отдельные вопросы (и даже под_вопросы), и по порядку разберем.
Если заметите, что я процитировал не сначала, значит я его принял, как Ваше личное мнение (т.е.к ПУЭ не относится) ... не буду против если укажете, что я не прав ...
Константин писал(а):Источник цитаты1. ... В случаи присоединения тч разделении на корпусе не возможно будет присоединить еще несколько линий электропитания при необходимости от такого ВРУ. Банально нет зажимов ...
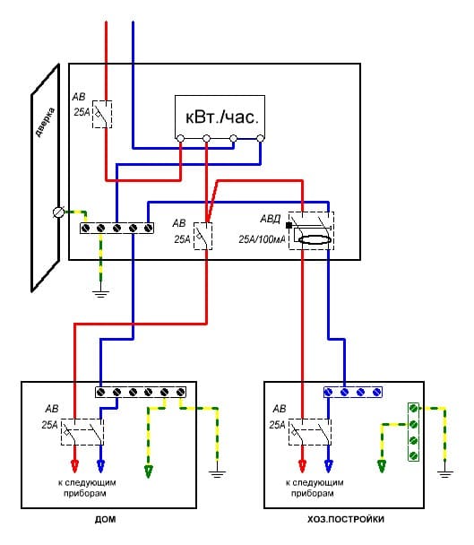
Требуются два зажима (1)- для пришедшего ПЕН, (2)- для подключения "повторки" ... больше зажимов не нужно.
Ни одна, отходящая линия, ничего не получает с зажимов. Все они подключены к выходу счетчика ... хоть десять, хоть еще больше (гребенки).
2.jpg

Константин писал(а):Источник цитаты Да и если вы захотите сменить систему заземления скажем на ТТ вам не надо будет мучиться откручивать болты от корпуса и извлекая от туда PEN фиксируя его патом на изолированную шину. Достаточно будет всего лишь отсоединить провод заземления от заранее установленной на изоляторе ГЗШ.
Выбор системы можно сделать на других щитках ... нет такого запрета.
Смеюсь последний ... тормоз однако!
Аватара пользователя
Константин
Сообщения: 3464
Зарегистрирован: 16 сен 2015, 10:19
Репутация: 851
Откуда: Новосибирская область
Контактная информация:

Замечания при приеме в эксплуатацию вводного распределительного устройства

Сообщение Константин » 18 апр 2016, 19:49

TOPMO3 писал(а):Источник цитаты Требуются два зажима (1)- для пришедшего ПЕН, (2)- для подключения "повторки" ... больше зажимов не нужно.

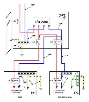
Увы нет. Куда в таком случаи подключить PE от энергоприемников? А подключить выходит некуда. Раз корпус как ГЗШ уже занят проводниками(PEN с ВЛ и РЕ от ЗУ.)
В первой схеме у вас почти было верно. Я взял его за основу и с вашего позволения доработал как должно было быть если вы хотели использовать разные системы заземления от одного ВРУ.
2.jpg
Аватара пользователя
TOPMO3
Сообщения: 4181
Зарегистрирован: 29 фев 2016, 10:37
Репутация: 626
Откуда: Ижевск
Контактная информация:

Замечания при приеме в эксплуатацию вводного распределительного устройства

Сообщение TOPMO3 » 18 апр 2016, 20:16

Константин писал(а):Источник цитатыУвы нет. Куда в таком случаи подключить PE от энергоприемников? А подключить выходит некуда. Раз корпус как ГЗШ уже занят проводниками(PEN с ВЛ и РЕ от ЗУ.)
В первой схеме у вас почти было верно. Я взял его за основу и с вашего позволения доработал как должно было быть если вы хотели использовать разные системы заземления от одного ВРУ.
Я таки не могу понять, что за мания обязательно делить в щитке, где установлен счетчик ... какой пункт запрещает деление делать в ВУ дома (как было нарисовано мной)?
Я не утверждаю, что Вы нарисовали не правильно ... но это не единственно правильный вариант, получения ТН-Ц-С в доме.
Смеюсь последний ... тормоз однако!
Аватара пользователя
Константин
Сообщения: 3464
Зарегистрирован: 16 сен 2015, 10:19
Репутация: 851
Откуда: Новосибирская область
Контактная информация:

Замечания при приеме в эксплуатацию вводного распределительного устройства

Сообщение Константин » 19 апр 2016, 19:39

TOPMO3 писал(а):Я таки не могу понять, что за мания обязательно делить в щитке, где установлен счетчик ... какой пункт запрещает деление делать в ВУ дома

Да тот же ПУЭ. В котором сказано, что "Разделение PEN-проводника питающей линии на РЕ- и N-проводники должно быть выполнено в точке подключения установки к источнику питания." Это точка является ГРЩ или ВРУ.
Есть еще один момент сечение проводников. Как сказано в ПУЭ в цепях системы TN для проложенных кабелей PEN проводник должен иметь сечение не менее 10 мм2 медного провода или 16 мм2 алюминиевого провода.Что делать, если у вас питание, например, в гараже (или в квартирном щитке) осуществляется кабелем меньшим сечением, чем указано в ПУЭ. Разделять в гараже (или в квартирном щитке) нельзя. Необходимо разделять ближе к источнику питания, во вводном шкафу, откуда запитан ваш гараж (если квартирный щиток – то на вводе в здание) и если там сечение соответствует сказанному выше .Еще один момент. В целях соблюдения защитных мер безопасности необходимо согласно п. 7.1.87 ПУЭ на вводе здание должна быть выполнена система уравнивания потенциалов. Поэтому в такие рамки втискивается только ВРУ(ГРЩ).
Причем в дальнейших электроустановках запитанных от такого ГРЩ (ВРУ) объединять PE и N нельзя или пытаться выполнить повторное разделение и так уже разделенной нейтрали не допускается.
Аватара пользователя
TOPMO3
Сообщения: 4181
Зарегистрирован: 29 фев 2016, 10:37
Репутация: 626
Откуда: Ижевск
Контактная информация:

Замечания при приеме в эксплуатацию вводного распределительного устройства

Сообщение TOPMO3 » 20 апр 2016, 11:25

Константин писал(а):Источник цитатыДа тот же ПУЭ. В котором сказано, что "Разделение PEN-проводника питающей линии на РЕ- и N-проводники должно быть выполнено в точке подключения установки к источнику питания." Это точка является ГРЩ или ВРУ.
Количество (последовательных) ВРУ (или просто ВУ) никогда не ограничивалось ... между ними имеется только питающий кабель (с любой разрешенной системой) ... в ВУ дома тоже имеет право называться точкой подключения.
По ПУЭ, ни какое название (ВРУ, ВУ, ГРУ и т.д. и т.п.) не обязывает делать там деление ... там оно может быть, но может и не быть.
Константин писал(а):Источник цитатыЕсть еще один момент сечение проводников. Как сказано в ПУЭ в цепях системы TN для проложенных кабелей PEN проводник должен иметь сечение не менее 10 мм2 медного провода или 16 мм2 алюминиевого провода.
Электропитание (разных объектов, ВУ), так и так производится кабелем с соответствующими параметрами.
...
- тут из другой оперы ...
Константин писал(а):Источник цитатыПричем в дальнейших электроустановках запитанных от такого ГРЩ (ВРУ) объединять PE и N нельзя или пытаться выполнить повторное разделение и так уже разделенной нейтрали не допускается.
Кроме подчеркнутых слов, остальное - отсебятина ... т.к. выводится из продолжающегося утверждения - "делить там и только там!".
Кстати ... от PEN, по всей его длине, можно хоть сотню раз отделять/ответлять РЕ ... но он как был, так и остается PEN_ом. :biggrin:
Смеюсь последний ... тормоз однако!
Аватара пользователя
Константин
Сообщения: 3464
Зарегистрирован: 16 сен 2015, 10:19
Репутация: 851
Откуда: Новосибирская область
Контактная информация:

Замечания при приеме в эксплуатацию вводного распределительного устройства

Сообщение Константин » 20 апр 2016, 15:55

TOPMO3 писал(а):Источник цитаты Количество (последовательных) ВРУ (или просто ВУ) никогда не ограничивалось ... между ними имеется только питающий кабель (с любой разрешенной системой)

TOPMO3 писал(а):Источник цитаты Кроме подчеркнутых слов, остальное - отсебятина ... т.к. выводится из продолжающегося утверждения - "делить там и только там!".
Кстати ... от PEN, по всей его длине, можно хоть сотню раз отделять/ответлять РЕ ... но он как был, так и остается PEN_ом.

Вот и давайте пошагово. Хотя это я уже разбирал постами выше.
Вот у вас установлен ВРУ(где счетчик) Так как и положено по правилам мы делаем все перечисленные меры в ПУЭ. То есть, выполняем разделение PEN,ставим необходимые зажимы и т.д. После того как вы запитали от этого ВРУ Щит Распределительный (дом) Вы повторно пытаетесь делить PEN (тч это не PEN, а уже N проводник.) То есть опять повторно объединяете его с ЗУ. (Что запрещено! ПУЭ, п.1.7.135) И не понимаю чем это так не угадило моё выражение, что вы называете его грубо "отсебятиной" Это не отсебятина, а перефразированная речь, что бы доходчиво пояснить.
Так, что правильно будет делать именно так. Таким способом мы соблюдаем все меры требующие от нас того же ПУЭ.
Аватара пользователя
TOPMO3
Сообщения: 4181
Зарегистрирован: 29 фев 2016, 10:37
Репутация: 626
Откуда: Ижевск
Контактная информация:

Замечания при приеме в эксплуатацию вводного распределительного устройства

Сообщение TOPMO3 » 21 апр 2016, 14:04

Вы зачем то, процитировали мои утверждения, но согласны с ними или нет ... не написали.

1.
TOPMO3 писал(а):Источник цитаты Количество (последовательных) ВРУ (или просто ВУ) никогда не ограничивалось ... между ними имеется только питающий кабель (с любой разрешенной системой)
... Вы согласны с этим утверждением?
2.
TOPMO3 писал(а):Источник цитаты ... от PEN, по всей его длине, можно хоть сотню раз отделять/ответлять РЕ ... но он как был, так и остается PEN_ом.
... Вы согласны с этим утверждением?
Смеюсь последний ... тормоз однако!
Аватара пользователя
mastervictor
Сообщения: 4494
Зарегистрирован: 23 июл 2015, 08:50
Репутация: 508
Откуда: Краснодар(почти)
Контактная информация:

Замечания при приеме в эксплуатацию вводного распределительного устройства

Сообщение mastervictor » 21 апр 2016, 14:34

TOPMO3 писал(а):Источник цитаты но согласны с ними или нет ... не написали.

Ни чего не напоминает?
Сам же так делаешь!
Нет ничего невозможного,необходимо две вещи,время и деньги!(Я :hi: )
Я отношусь к людям так,как они относятся ко мне!(Я :hi: )
Аватара пользователя
TOPMO3
Сообщения: 4181
Зарегистрирован: 29 фев 2016, 10:37
Репутация: 626
Откуда: Ижевск
Контактная информация:

Замечания при приеме в эксплуатацию вводного распределительного устройства

Сообщение TOPMO3 » 21 апр 2016, 14:46

mastervictor писал(а):Источник цитаты
TOPMO3 писал(а):Источник цитаты но согласны с ними или нет ... не написали.

Ни чего не напоминает?
Сам же так делаешь!
Он утверждал, что обязательно надо делать,во ВРУ, "деление" ... я, не один раз писал, что такого требования нет. Он опять повторяет ... и т.д. ... :pardon:
ПУЭ не запрещает систему ТТ ... т.е. "деление" не обязательно ... Вы тоже не согласны с этим?
Вот по сему, хочу сначала разобраться с определениями, одинаково смотрим или нет ...
А Вы как считаете ... я прав или нет в тех утверждениях? :wink:
Смеюсь последний ... тормоз однако!
Аватара пользователя
Константин
Сообщения: 3464
Зарегистрирован: 16 сен 2015, 10:19
Репутация: 851
Откуда: Новосибирская область
Контактная информация:

Замечания при приеме в эксплуатацию вводного распределительного устройства

Сообщение Константин » 21 апр 2016, 16:46

TOPMO3 писал(а):Источник цитаты Вы согласны с этим утверждением?

1.ВВОДНО РАСПРЕДЕЛИТЕЛЬНОЕ УСТРОЙСТВО одно. Остальное только запитанное от него это Распределительные щиты. И вот их количество некогда не ограничивается. Сколько нужно столько и ставим. С этим согласен с поправкой.
2.Нет не согласен. Вы не видите схему или не умеете её читать понимайте как хотите. И такими действиями нарушаете её.
TOPMO3 писал(а):Источник цитаты ПУЭ не запрещает систему ТТ ... т.е. "деление" не обязательно ... Вы тоже не согласны с этим?

В системе ТТ нет еще раз говорю нет ни какого деления. И для такой системы абсолютно пофиг, что будет приходить чисто N или PEN. Для этой системы заземления Побарабану. Так как ЗУ не как не связанно с нейтралью или рабочем N проводнике. Так, что не надо её сюда приплетать. У меня складывается такое впечатление что я сам с собой по этому поводу разговаривал раз за разом так повторяясь.
Аватара пользователя
TOPMO3
Сообщения: 4181
Зарегистрирован: 29 фев 2016, 10:37
Репутация: 626
Откуда: Ижевск
Контактная информация:

Замечания при приеме в эксплуатацию вводного распределительного устройства

Сообщение TOPMO3 » 22 апр 2016, 07:50

Константин писал(а):Источник цитаты1.ВВОДНО РАСПРЕДЕЛИТЕЛЬНОЕ УСТРОЙСТВО одно. Остальное только запитанное от него это Распределительные щиты. И вот их количество некогда не ограничивается. Сколько нужно столько и ставим. С этим согласен с поправкой.
ВРУ - одно ... так Вы решили, это Ваше мнение ... в ПУЭ ограничений нет.
Можно подойти к этому вопросу так ... это не ВРУ, а ЩУ (щит учета) могу назвать РП, могу просто РУ.
Название тут ни причем .... основное это то, что Вы утверждаете ... "надо делить тут, обязательно" ... и всё ... я говорю можно и в другом месте.
Константин писал(а):Источник цитаты2.Нет не согласен.
Я в ауте с Вас ... не согласны с тем, что от PEN можно отделять РЕ (как писал, хоть сотню раз) и он остается все равно PEN_ом. :biggrin:
Если приплюсовать еще Ваши слова, где писали, что я объединяю (пытаюсь) ранее разделенные PE и N (я тогда принял это за оговорку) ... дальше обсуждать нечего. :pardon:
Константин писал(а):Источник цитаты Вы не видите схему или не умеете её читать понимайте как хотите. И такими действиями нарушаете её.
Про какую схему, которую я не вижу и не понимаю ... идет речь?
Я могу тоже самое сказать в Ваш адрес, с цитированием Ваших слов и приложением схемы ... теперь не вижу смысла.
Константин писал(а):Источник цитатыВ системе ТТ нет еще раз говорю нет ни какого деления. И для такой системы абсолютно пофиг, что будет приходить чисто N или PEN. Для этой системы заземления Побарабану. Так как ЗУ не как не связанно с нейтралью или рабочем N проводнике. Так, что не надо её сюда приплетать. У меня складывается такое впечатление что я сам с собой по этому поводу разговаривал раз за разом так повторяясь.
Вот конкретный пример Ваших ответов ... я не спрашивал, что такое ТТ !!!
Вы утверждали, что, В ВРУ ОБЯЗАТЕЛЬНО НАДО "ДЕЛИТЬ НА PE и N" ... я писал/спрашивал в ответ, как тогда делать ТТ ... нахера мне надо Ваше объяснение системы ТТ ...
Имхо ... Вы не умеете держаться русла разговора ...
Смеюсь последний ... тормоз однако!
Аватара пользователя
Константин
Сообщения: 3464
Зарегистрирован: 16 сен 2015, 10:19
Репутация: 851
Откуда: Новосибирская область
Контактная информация:

Замечания при приеме в эксплуатацию вводного распределительного устройства

Сообщение Константин » 22 апр 2016, 08:25

TOPMO3 писал(а):Источник цитаты Я в ауте с Вас ... не согласны с тем, что от PEN можно отделять РЕ (как писал, хоть сотню раз) и он остается все равно PEN_ом.
Если приплюсовать еще Ваши слова, где писали, что я объединяю (пытаюсь) ранее разделенные PE и N (я тогда принял это за оговорку) ... дальше обсуждать нечего.

TOPMO3 писал(а):Источник цитаты Про какую схему, которую я не вижу и не понимаю ... идет речь?
Я могу тоже самое сказать в Ваш адрес, с цитированием Ваших слов и приложением схемы ... теперь не вижу смысла.

TOPMO3 писал(а):Источник цитаты Вот конкретный пример Ваших ответов ... я не спрашивал, что такое ТТ !!!
Вы утверждали, что, В ВРУ ОБЯЗАТЕЛЬНО НАДО "ДЕЛИТЬ НА PE и N" ... я писал/спрашивал в ответ, как тогда делать ТТ ... нахера мне надо Ваше объяснение системы ТТ ...
Имхо ... Вы не умеете держаться русла разговора ...

У меня один вопрос на все это. Какова ху*?! Ты как щас со мной разговариваешь?! Совсем оборзел ?! Какая к черту опечатка. Что ты несешь. Взгляни, что ты нарисовал на схеме, а патом рот раскрывай.
2.jpg

Задал он вопрос… как блоха по яй.. один за другим, а получив ответ еще с какими-то кривыми пантами "а наху* ты это мне рассказываешь?!" А нахе** ты это спрашивал? Инициатива должна *бать инициатора. Русло это вы не держите. Мне объем ваших знаний "на" не задалось. Что вы там хотите понять…с таким общением с людьми и наверно головой вы никогда ничего не поймете. Так, что лепите там у себя, что хотите. Я уже наверно 4й человек который вам разжевывал по этому по таким схемам ваши вопросы .. и все вам виде те ли не дали ответ. Значит не дадут. Ищите в другом месте.
Аватара пользователя
TOPMO3
Сообщения: 4181
Зарегистрирован: 29 фев 2016, 10:37
Репутация: 626
Откуда: Ижевск
Контактная информация:

Замечания при приеме в эксплуатацию вводного распределительного устройства

Сообщение TOPMO3 » 22 апр 2016, 13:07

TOPMO3 писал(а):Источник цитаты Я в ауте с Вас ... не согласны с тем, что от PEN можно отделять РЕ (как писал, хоть сотню раз) и он остается все равно PEN_ом.
Если приплюсовать еще Ваши слова, где писали, что я объединяю (пытаюсь) ранее разделенные PE и N (я тогда принял это за оговорку) ... дальше обсуждать нечего.

TOPMO3 писал(а):Источник цитаты Про какую схему, которую я не вижу и не понимаю ... идет речь?
Я могу тоже самое сказать в Ваш адрес, с цитированием Ваших слов и приложением схемы ... теперь не вижу смысла.

TOPMO3 писал(а):Источник цитаты Вот конкретный пример Ваших ответов ... я не спрашивал, что такое ТТ !!!
Вы утверждали, что, В ВРУ ОБЯЗАТЕЛЬНО НАДО "ДЕЛИТЬ НА PE и N" ... я писал/спрашивал в ответ, как тогда делать ТТ ... нахера мне надо Ваше объяснение системы ТТ ...
Имхо ... Вы не умеете держаться русла разговора ...

Константин писал(а):Источник цитаты У меня один вопрос на все это. Какова ху*?! Ты как щас со мной разговариваешь?! Совсем оборзел ?! Какая к черту опечатка. Что ты несешь. Взгляни, что ты нарисовал на схеме, а патом рот раскрывай.
Задал он вопрос… как блоха по яй.. один за другим, а получив ответ еще с какими-то кривыми пантами "а наху* ты это мне рассказываешь?!" А нахе** ты это спрашивал? Инициатива должна *бать инициатора. Русло это вы не держите. Мне объем ваших знаний "на" не задалось. Что вы там хотите понять…с таким общением с людьми и наверно головой вы никогда ничего не поймете. Так, что лепите там у себя, что хотите. Я уже наверно 4й человек который вам разжевывал по этому по таким схемам ваши вопросы .. и все вам виде те ли не дали ответ. Значит не дадут. Ищите в другом месте.
Сравните обращения и скажите кто из нас ... неадекватный МУДАК. :fool: :biggrin: :rolf2:
Насчет схемы ... ту схему показывал только как не хороший вариант, для места "повторки" ... основная схема,
1.jpg
"повторка" ДО счетчика ... коли не разобрались ... "сам себе злобный буратино".
Насчет "Ты как щас со мной разговариваешь?! Совсем оборзел ?!"(с) ... а кто это ТЫ такой ... что за хуй с горы? И какими это я словами задел ... гордыню Вашу?
Знаток ... у которого, от ТП по ВЛ (ВЛИ), PEN идет до первой опоры, где сделана "повторка" ... дальше только N ... видишь ли ... "разделение" сделали! Какой ты в п..ду электрик, если для тебя, наличие заземления - это обязательно "деление" и дальше уже проводник переименовывается.
Вложения
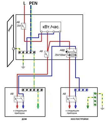
3.jpg
Смеюсь последний ... тормоз однако!
Аватара пользователя
elalex
Сообщения: 7423
Зарегистрирован: 21 июл 2015, 08:08
Репутация: 591
Откуда: [email protected]
Контактная информация:

Замечания при приеме в эксплуатацию вводного распределительного устройства

Сообщение elalex » 22 апр 2016, 14:47

TOPMO3, красиво рисуете.
Одиночный свободный электрик
Опыт ремонтов квартир 20лет
Высшее электрическое образование
Бывший инженер-электрик
Пенсионер
64 года
Пишу для владельцев частного жилья
Запасной E–mail для россиян: [email protected]
Аватара пользователя
Константин
Сообщения: 3464
Зарегистрирован: 16 сен 2015, 10:19
Репутация: 851
Откуда: Новосибирская область
Контактная информация:

Замечания при приеме в эксплуатацию вводного распределительного устройства

Сообщение Константин » 22 апр 2016, 14:58

TOPMO3 писал(а):Источник цитаты а кто это ТЫ такой ... что за хуй с горы? И какими это я словами задел ... гордыню Вашу?

А ты с смотрю за людей ни кого не считаешь кроме себя любимого?! Х*й с горы говоришь..значит с горы и большой. Только таким тормозам, что полбу, что об лоб все равно.Кто там и откуда
TOPMO3 писал(а):Источник цитаты Насчет схемы ... ту схему показывал только как не хороший вариант, для места "повторки" ... основная схема,

Тебе зарисовано как надо было делать. Мало?
TOPMO3 писал(а):Источник цитаты Знаток ... у которого, от ТП по ВЛ (ВЛИ), PEN идет до первой опоры, где сделана "повторка" ... дальше только N ... видишь ли ... "разделение" сделали!

На** ты это ВЛ сюда приплетаешь? Забудь о её существовании. Её устройства о месте деления PEN в ВРУ не как ни клеится сюда.
TOPMO3 писал(а):Источник цитаты Какой ты в п..ду электрик, если для тебя, наличие заземления - это обязательно "деление" и дальше уже проводник переименовывается.

Да получше некоторых которым на срать, что в НПД указано повторно объединять нельзя. Или тормоз ручник подключил и забыл что речь не о ВЛ, а о Вводно Распределительных Устройствах идет. Или отскочить от темы надо? Не тормози. :fool: :good:
3.jpg
Аватара пользователя
mastervictor
Сообщения: 4494
Зарегистрирован: 23 июл 2015, 08:50
Репутация: 508
Откуда: Краснодар(почти)
Контактная информация:

Замечания при приеме в эксплуатацию вводного распределительного устройства

Сообщение mastervictor » 22 апр 2016, 19:43

TOPMO3 писал(а):Источник цитаты "повторка" ДО счетчика

Это забота сетей!И если потребителю "рекомендуется",то в другом пункте,сети "обязаны"!
Схема Ваша не верна!
Жаль,что по клаве нельзя донести эмоции,и самое главное смысл!
За бытылочкой холодной,да под горячее.......................быстрей бы было!
Нет ничего невозможного,необходимо две вещи,время и деньги!(Я :hi: )
Я отношусь к людям так,как они относятся ко мне!(Я :hi: )
Аватара пользователя
Константин
Сообщения: 3464
Зарегистрирован: 16 сен 2015, 10:19
Репутация: 851
Откуда: Новосибирская область
Контактная информация:

Замечания при приеме в эксплуатацию вводного распределительного устройства

Сообщение Константин » 22 апр 2016, 19:46

mastervictor писал(а):Источник цитаты Это забота сетей!И если потребителю "рекомендуется",то в другом пункте,сети "обязаны"!
Схема Ваша не верна!
Жаль,что по клаве нельзя донести эмоции,и самое главное смысл!
За бытылочкой холодной,да под горячее.......................быстрей бы было!

+1
Аватара пользователя
Леопольд
Сообщения: 2199
Зарегистрирован: 05 янв 2016, 14:35
Репутация: 74
Контактная информация:

Замечания при приеме в эксплуатацию вводного распределительного устройства

Сообщение Леопольд » 23 апр 2016, 05:34

mastervictor писал(а):Источник цитаты
TOPMO3 писал(а):Источник цитаты "повторка" ДО счетчика

Это забота сетей!И если потребителю "рекомендуется",то в другом пункте,сети "обязаны"!


У нас в СНТ провели модернизацию внутренней электросети (заменили столбы и ВЛ заменили на СИП). При этом ни на одном из столбов не сделали повторные заземления. Насколько я понял из ваших ответов - сети несут ответственность только до общего счетчика на входе СНТ.
Вопрос - кто понесет ответственность при массовом выходе электроприборов из строя (например в результате удара молнии)?
Кандидат в младшие помощники начинающего ученика электрика
Аватара пользователя
Леопольд
Сообщения: 2199
Зарегистрирован: 05 янв 2016, 14:35
Репутация: 74
Контактная информация:

Замечания при приеме в эксплуатацию вводного распределительного устройства

Сообщение Леопольд » 23 апр 2016, 05:47

mastervictor! Бывают ли случаи, когда причиной пожара дома являются сети ( включая внутренние, например СНТ)? Индивидуальное заземление снижает риск в этом случае, или наоборот?
Кандидат в младшие помощники начинающего ученика электрика


  • Реклама

Вернуться в «Заземление и молниезащита»

Кто сейчас на конференции

Сейчас этот форум просматривают: нет зарегистрированных пользователей и 10 гостей