Диалог про разделение PEN

Вопросы, связанные с устройством и монтажом заземления и зануления. Системы заземления и системы уравнивания потенциалов (СУП), молниезащита, грозозащита и т.п.
Аватара пользователя
Rokoal
Сообщения: 752
Зарегистрирован: 09 ноя 2015, 05:19
Репутация: 71
Откуда: Смоленск-Рудня
Контактная информация:

ВРУ Разделение PEN

Сообщение Rokoal » 05 май 2016, 22:32

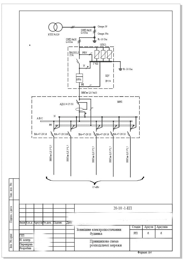
Разделение PEN делается на вводе в электроустановку, в Вашем случае это щит учёта. Разделение до вводного АВ. ОПС выносите в щит у чета. В дом заводите три жилы L, N, PE.
Реклама
Аватара пользователя
VVP
Сообщения: 26
Зарегистрирован: 05 май 2016, 21:25
Репутация: 0
Контактная информация:

ВРУ Разделение PEN

Сообщение VVP » 05 май 2016, 22:38

elalex писал(а):Источник цитаты VVP, сначала сделайте все, чтобы Вас подключили, потом все переделаете, как нужно. Это будет большой разговор.

Я буду настаивать на корректировке проекта. Хотелось бы, чтобы было не только правильно сделано, но и документация соответствовала действительности.
Восток писал(а):Источник цитаты Сама схема некорректная.
1. PEN проводник должен приходить на шину РЕ а не на дифавтомат
2. После дифавтомата не может быть проводника PEN
3. ОПН жедательно подключать до дифа
4. Щиток который указан в чертеже щу 1/1-1 74 у1 ip54 в нем достаточно места что бы выполнить разделение PEN проводника и установить ОПН, а в щиток в доме уже завести кабель 3 жильный.

То есть разделение PEN и ОПН переносим в ЩИТ-1.
Нужен ли вообще дифавтомат, если потом на каждой группе будут УЗО стоять?
И есть ли необходимость в доме устанавливать металлический щит? Или можно обойтись пластиковым?
Аватара пользователя
Rokoal
Сообщения: 752
Зарегистрирован: 09 ноя 2015, 05:19
Репутация: 71
Откуда: Смоленск-Рудня
Контактная информация:

ВРУ Разделение PEN

Сообщение Rokoal » 05 май 2016, 22:45

VVP писал(а):Источник цитаты То есть разделение PEN и ОПН переносим в ЩИТ-1.

Да.
Аватара пользователя
Восток
Сообщения: 850
Зарегистрирован: 30 янв 2016, 18:07
Репутация: 429
Контактная информация:

ВРУ Разделение PEN

Сообщение Восток » 05 май 2016, 22:45

VVP писал(а):Источник цитаты Нужен ли вообще дифавтомат, если потом на каждой группе будут УЗО стоять?

Да нужен.
Федеральный закон Российской Федерации от 22 июля 2008 г. N 123-ФЗ "Технический регламент о требованиях пожарной безопасности"
Статья 82. Требования пожарной безопасности к электроустановкам зданий, сооружений и строений

4. Линии электроснабжения помещений зданий, сооружений и строений должны иметь устройства защитного отключения, предотвращающие возникновение пожара при неисправности электроприемников. Правила установки и параметры устройств защитного отключения должны учитывать требования пожарной безопасности, установленные в соответствии с настоящим Федеральным законом.

ТЕХНИЧЕСКИЙ ЦИРКУЛЯР № 31/2012
Примечание к первому пункту
Примечание. Установка УЗО с дифференциальным током срабатывания IΔn до 300 мА на вводе является обязательной и с точки зрения обеспечения пожарной безопасности.
Вложения
Принципиальная схема.jpg
Аватара пользователя
Rokoal
Сообщения: 752
Зарегистрирован: 09 ноя 2015, 05:19
Репутация: 71
Откуда: Смоленск-Рудня
Контактная информация:

ВРУ Разделение PEN

Сообщение Rokoal » 05 май 2016, 22:49

Можно просто УЗО. Знаете отличие межде УЗО и АД?
Аватара пользователя
VVP
Сообщения: 26
Зарегистрирован: 05 май 2016, 21:25
Репутация: 0
Контактная информация:

ВРУ Разделение PEN

Сообщение VVP » 05 май 2016, 22:58

Rokoal писал(а):Источник цитаты Можно просто УЗО. Знаете отличие межде УЗО и АД?

Из статей с сайта http://zametkielectrika.ru/ я для себя уяснил отличие в том, что для срабатывания защиты в случае применения АД необходимо внешнее питание, а для срабатывания УЗО этого внешнего питания не нужно.
А так как на каждую группу во втором щите предполагается УЗО и ВА, то
Восток писал(а):Источник цитаты
VVP писал(а):Источник цитаты Нужен ли вообще дифавтомат, если потом на каждой группе будут УЗО стоять?

Да нужен.

звучит как-то странно, на мой взгляд.
Аватара пользователя
Восток
Сообщения: 850
Зарегистрирован: 30 янв 2016, 18:07
Репутация: 429
Контактная информация:

ВРУ Разделение PEN

Сообщение Восток » 05 май 2016, 23:30

VVP писал(а):Источник цитаты звучит как-то странно, на мой взгляд.

1. Ничего странного учитывая что многие не читают и не выполняют то что написано в паспорте на УЗО
"Прибор оборудован кнопкой «Тест» для периодической проверки работоспособности
(рекомендуется проверять работоспособность устройства ежемесячно)
2. Ничего странного так как в осветительную сеть многие не ставят УЗО
Аватара пользователя
Rokoal
Сообщения: 752
Зарегистрирован: 09 ноя 2015, 05:19
Репутация: 71
Откуда: Смоленск-Рудня
Контактная информация:

ВРУ Разделение PEN

Сообщение Rokoal » 06 май 2016, 01:04

VVP писал(а):Источник цитаты отличие в том, что для срабатывания защиты в случае применения АД необходимо внешнее питание, а для срабатывания УЗО этого внешнего питания не нужно.

Так да не так. УЗО не имеет защиты от КЗ и перегрузки, каждое УЗО необходимо защищать. Если вы на каждую группу ставите УЗО перед ним ещё и АВ ставте, либо групповое УЗО после счётчика с током на номинал выше тока АВ, как уже выяснилось, спасибо Восток, это необходимо. АД имеет защиту от КЗ, перегрузки, токов утечки, то есть дифференциальных.
Аватара пользователя
Rokoal
Сообщения: 752
Зарегистрирован: 09 ноя 2015, 05:19
Репутация: 71
Откуда: Смоленск-Рудня
Контактная информация:

ВРУ Разделение PEN

Сообщение Rokoal » 06 май 2016, 01:11

VVP писал(а):Источник цитаты Для выполнения пункта 11.1 был заказан проект в одной из организаций, представленных в списке, выданном РЭС.

Проект вам вообще не нужен.
Аватара пользователя
Rokoal
Сообщения: 752
Зарегистрирован: 09 ноя 2015, 05:19
Репутация: 71
Откуда: Смоленск-Рудня
Контактная информация:

ВРУ Разделение PEN

Сообщение Rokoal » 06 май 2016, 01:12

Имею ввиду для РЭС или сбыта. Вы наверное заплатили за это?
Аватара пользователя
elalex
Сообщения: 7423
Зарегистрирован: 21 июл 2015, 08:08
Репутация: 591
Откуда: [email protected]
Контактная информация:

ВРУ Разделение PEN

Сообщение elalex » 06 май 2016, 02:48

VVP писал(а):Источник цитаты Я буду настаивать на корректировке проекта.

Напрасно. Проект - это филькина грамота, без которой РЭС не подключит. Корректировка - деньги, напрасно потраченные на безумных проектантов. Почти все, что они напроектируют, придется выбросить.


VVP писал(а):Источник цитаты правильно

Многие правила, по которым делается проект - идиотские.


VVP писал(а):Источник цитаты документация соответствовала действительности.

Это Вам сделает электрик, который будет делать дом. Если договоритесь, конечно.
А вообще проект частного дома - это листок бумаги формата А4 с двух сторон. Я делаю его заказчику за полчаса бесплатно.
Давайте сделаем его вместе здесь на форуме.


VVP писал(а):Источник цитаты разделение PEN и ОПН переносим в ЩИТ-1.

Я буду категорически предлагать Вам отказаться от системы TN-C-S с ее разделением PEN.


VVP писал(а):Источник цитаты Нужен ли вообще дифавтомат

Для подключения дома нужен, потом его выбросите.


VVP писал(а):Источник цитаты есть ли необходимость в доме устанавливать металлический щит? Или можно обойтись пластиковым?

Металлический более пожаростойкий.
Одиночный свободный электрик
Опыт ремонтов квартир 20лет
Высшее электрическое образование
Бывший инженер-электрик
Пенсионер
64 года
Пишу для владельцев частного жилья
Запасной E–mail для россиян: [email protected]
Аватара пользователя
Леопольд
Сообщения: 2199
Зарегистрирован: 05 янв 2016, 14:35
Репутация: 74
Контактная информация:

Диалог про разделение PEN

Сообщение Леопольд » 06 май 2016, 05:49

Elalex: ...Для подключения дома нужен, потом его выбросите...

Уже не нужен при подкчении, достаточно АВ (оформлял подключение прошлым летом).
Кандидат в младшие помощники начинающего ученика электрика
Аватара пользователя
elalex
Сообщения: 7423
Зарегистрирован: 21 июл 2015, 08:08
Репутация: 591
Откуда: [email protected]
Контактная информация:

Диалог про разделение PEN

Сообщение elalex » 06 май 2016, 06:43

Леопольд писал(а):Источник цитаты Уже не нужен при подкчении

Чудесно - меньше ненужных расходов.
Одиночный свободный электрик
Опыт ремонтов квартир 20лет
Высшее электрическое образование
Бывший инженер-электрик
Пенсионер
64 года
Пишу для владельцев частного жилья
Запасной E–mail для россиян: [email protected]
Аватара пользователя
mastervictor
Сообщения: 4494
Зарегистрирован: 23 июл 2015, 08:50
Репутация: 508
Откуда: Краснодар(почти)
Контактная информация:

Диалог про разделение PEN

Сообщение mastervictor » 06 май 2016, 08:52

VVP писал(а):Источник цитаты Я буду настаивать на корректировке проекта. Хотелось бы, чтобы было не только правильно сделано, но и документация соответствовала действительности.

После корректировки проекта,согласуйте его в сетях,чтоб не было проблем при приемке!
Нет ничего невозможного,необходимо две вещи,время и деньги!(Я :hi: )
Я отношусь к людям так,как они относятся ко мне!(Я :hi: )
Аватара пользователя
Константин
Сообщения: 3464
Зарегистрирован: 16 сен 2015, 10:19
Репутация: 851
Откуда: Новосибирская область
Контактная информация:

Диалог про разделение PEN

Сообщение Константин » 06 май 2016, 15:52

VVP, Схема приложенная к вашему проекту не верна. Скорректируйте её как показано у Восток,
Восток писал(а):Источник цитаты
ВЛОЖЕНИЯ
Аватара пользователя
VVP
Сообщения: 26
Зарегистрирован: 05 май 2016, 21:25
Репутация: 0
Контактная информация:

Диалог про разделение PEN

Сообщение VVP » 06 май 2016, 18:50

Не хотелось бы флудить, но по-другому видимо не получается (неоднократно сталкивался на разных форумах, вроде и название темы для тебя подходящее, но прочитав 20-30 страниц, понимаешь, что всё самое важное было в первых 5-10 сообщениях. К тому же как-то незаметно мы переехали из темы "ВРУ Разделение PEN" в тему "Диалог про разделение PEN", но логика в этом есть: не нужно плодить много одинаковых тем).
Вопрос начинался с того где нужно разделять PEN. В ЩИТе-1 или ЩИТе-2, как это сделано в проекте, но немного ушёл в сторону.
Идём дальше.
Rokoal писал(а):Источник цитаты Имею ввиду для РЭС или сбыта. Вы наверное заплатили за это?

Да я за это заплатил, если интересует сумма - 3000 рублей (ещё 1500 за "Технический отчёт по измерениям технических параметров электрооборудования и электроустановок", при этом, как вы все понимаете ещё абсолютно ничего не смонтировано, а отчёт уже имеется на руках). Разработка проекта была требованием РЭС. О том, что проект неплохо бы с РЭС согласовать было не требованием, а намёком.
Я понимаю, что в моём случае разработка проекта не обязательна, но в данном случае поиск правды окажется дороже стоимости проекта.
elalex писал(а):Источник цитаты
Напрасно. Проект - это филькина грамота, без которой РЭС не подключит.
- Это правда.
elalex писал(а):Источник цитаты Корректировка - деньги, напрасно потраченные на безумных проектантов.
- Так как проект был разработан с нарушением ПУЭ, о чём говорил Восток, а в текстовой части проекта есть фраза "Проектная документация... разработана на основании...:
...
- действующие нормативные документы...", то имею полное право на приведение проекта в соответствии с ПУЭ (плюс мои хотелки, раз уж проводится корректировка)

elalex писал(а):Источник цитаты
VVP писал(а):Источник цитаты Нужен ли вообще дифавтомат

Для подключения дома нужен, потом его выбросите.
- вот это точно деньги, напрасно потраченные на безумных проектантов.
mastervictor писал(а):Источник цитаты После корректировки проекта,согласуйте его в сетях,чтоб не было проблем при приемке!
- Это входило в стоимость проекта, и согласование текущего проекта было выполнено.
Rokoal писал(а):Источник цитаты
Так да не так. УЗО не имеет защиты от КЗ и перегрузки, каждое УЗО необходимо защищать. Если вы на каждую группу ставите УЗО перед ним ещё и АВ ставте, либо групповое УЗО после счётчика с током на номинал выше тока АВ, как уже выяснилось, спасибо Восток, это необходимо. АД имеет защиту от КЗ, перегрузки, токов утечки, то есть дифференциальных.
- Тут у нас с Вами произошло некоторое недопонимание. Я писал, что "А так как на каждую группу во втором щите предполагается УЗО и ВА, то...", то именно поэтому я и считаю, что дифф в этом случае лишний, ведь под каждой группе УЗО защищены ВА, вот только характеристики УЗО хотелось бы уточнить, но это отдельный разговор.
elalex писал(а):Источник цитаты
А вообще проект частного дома - это листок бумаги формата А4 с двух сторон. Я делаю его заказчику за полчаса бесплатно.
Давайте сделаем его вместе здесь на форуме.

А вот этим предложением я обязательно воспользуюсь, только с некоторыми оговорками. Я понял ваше отношение к системе TN-C-S, но всё же хотелось бы по-возможности максимально соблюдать НД.
Так что пойду рисовать схему, и продолжать "флудить"
Аватара пользователя
elalex
Сообщения: 7423
Зарегистрирован: 21 июл 2015, 08:08
Репутация: 591
Откуда: [email protected]
Контактная информация:

Диалог про разделение PEN

Сообщение elalex » 06 май 2016, 19:07

VVP писал(а):Источник цитаты Не хотелось бы флудить

У нас разрешается.


VVP писал(а):Источник цитаты всё самое важное было в первых 5-10 сообщениях

Считается, на первой странице.


VVP писал(а):Источник цитаты имею полное право на приведение проекта в соответствии с ПУЭ

Право-то имеете, но лучше им не пользоваться.


VVP писал(а):Источник цитаты хотелось бы по-возможности максимально соблюдать НД

Нужно не максимально, а в разумных пределах.

Сделайте свою тему, чтобы не цепляться к чужой.
Одиночный свободный электрик
Опыт ремонтов квартир 20лет
Высшее электрическое образование
Бывший инженер-электрик
Пенсионер
64 года
Пишу для владельцев частного жилья
Запасной E–mail для россиян: [email protected]
Аватара пользователя
VVP
Сообщения: 26
Зарегистрирован: 05 май 2016, 21:25
Репутация: 0
Контактная информация:

Диалог про разделение PEN

Сообщение VVP » 06 май 2016, 23:21

И всё же, чтобы не заводить новую тему для 3-5 сообщений выложу здесь.
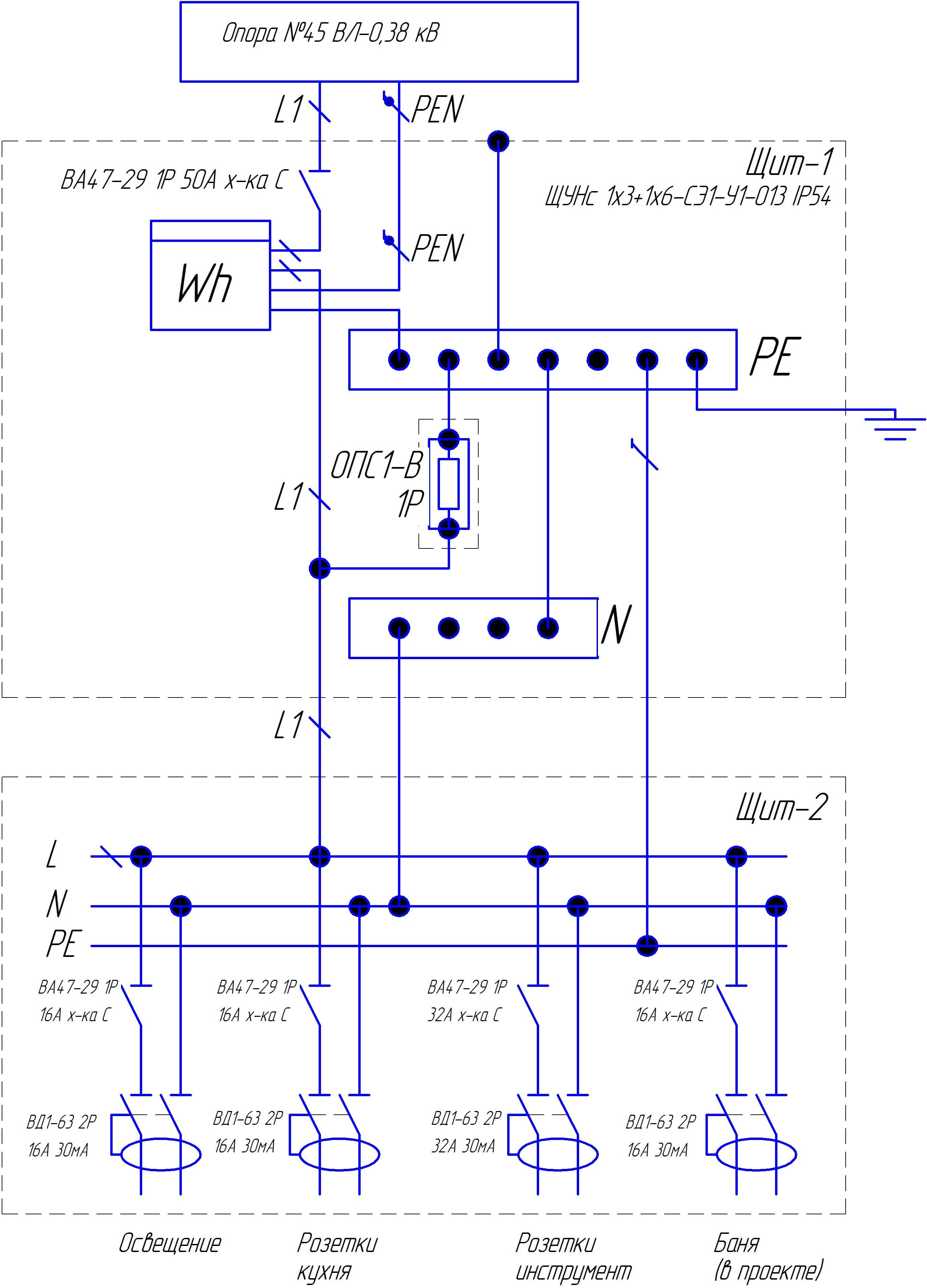
schema.jpg

Ругайте. Все обозначения взяты из вышеозвученного проекта.
Аватара пользователя
elalex
Сообщения: 7423
Зарегистрирован: 21 июл 2015, 08:08
Репутация: 591
Откуда: [email protected]
Контактная информация:

Диалог про разделение PEN

Сообщение elalex » 07 май 2016, 00:57

VVP писал(а):Источник цитаты для 3-5 сообщений

Дом за 3-5 сообщений не строится. За 30-50 - это я еще поверю.


1.Зачем Вам TN-C-S?
2.Молниезащита одним ОПС1-В не обходится. Либо через 10м, либо через дроссель от него нужно ставить ОПС1-С в щите 2.
3.ОПС1-В может не выдержать молнии и взорваться. Поэтому:
-располагайте его на улице;
-располагайте его в отдельном от остальной аппаратуры щиточке. Периодически (рекомендую раз в месяц, когда снимаются показания счетчика) осматривать ОПС на предмет перегорания его предохранителя. Чтобы не напрягаться, можно поставить звуковую сигнализацию перегорания предохранителя.
4.Вводной автомат выбирается исключительно после измерения петли фаза-ноль. Фирма-изготовитель должна быть брендовая, а не ИЭК. Если нужно сначала подключить дом, а потом проложить линию до щита 2, поставьте вводной номиналом и защитной характеристикой по проекту, потом (после измерения петли) поставите последовательно какой нужно.
5.Марка щита 1 не обязательно должна быть ЩУНс. У ИЭК не самые дешевые щитки.
6.На схеме нужно указать марки и сечения кабелей.
7.Никто не будет просматривать предыдущие 20-30 постов, чтобы вспомнить Вашу ситуацию. Хотите получить дельные советы - собирайте их все в своей, а не чужой теме.
8.Не помню, сколько у Вас этажей, но на каждый этаж я делаю 10 групп питания, так что 4 автоматами не обойдетесь. Распишите мощности потребителей.
9.На каждом этаже 2 брендовых электромагнитных УЗО типа А и куча групповых автоматов.
Одиночный свободный электрик
Опыт ремонтов квартир 20лет
Высшее электрическое образование
Бывший инженер-электрик
Пенсионер
64 года
Пишу для владельцев частного жилья
Запасной E–mail для россиян: [email protected]
Аватара пользователя
tupos
Сообщения: 1344
Зарегистрирован: 10 авг 2015, 13:36
Репутация: 303
Откуда: Шадринск
Контактная информация:

Диалог про разделение PEN

Сообщение tupos » 07 май 2016, 05:38

VVP, Шина N в щите 1 не нужна
ПРАВИЛА: http://forum-electrikov.ru/ucp.php?mode=terms


  • Реклама

Вернуться в «Заземление и молниезащита»

Кто сейчас на конференции

Сейчас этот форум просматривают: нет зарегистрированных пользователей и 8 гостей