Et tu, Brute?elalex писал(а):Источник цитаты ... при обрыве заземления нейтрали генератора ...

Не надеишься, не вериш ... но пользуешся!.. коли система (заземления) функционирует.ПАВ писал(а):Источник цитаты Не буду. На емкости, мифически агромадные не надеюсь, т.к. не понимаю, откуда им взяться, аж 1 мкФ к примеру. Система фунциклирует нормально, все, что собрано в домовом РЩ работает даже при питании от БГ, проверено.

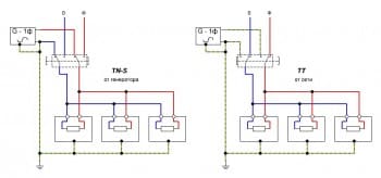
Это "нуль" ... дополнительно может называться "нейтралью" только в многофазной системе.elalex писал(а):Источник цитаты Тот конец, который в ТN-S или ТТ заземлен - и есть нейтраль.

TOPMO3 писал(а):Источник цитатыНе надеишься, не вериш ... но пользуешся!.. коли система (заземления) функционирует.ПАВ писал(а):Источник цитаты Не буду. На емкости, мифически агромадные не надеюсь, т.к. не понимаю, откуда им взяться, аж 1 мкФ к примеру. Система фунциклирует нормально, все, что собрано в домовом РЩ работает даже при питании от БГ, проверено.
Что/кто мешает остальным делать правильно?Дык ... я не учу и не пытаюсь даже ... это всё они ... правила, что ПУЭ называются.ПАВ писал(а):Источник цитатыПосле всего, что тут понаписано, ну как тут не верить, не бояться??? Вы жеж плохому не учите, надеюсь?![]()
![]()
Ну эт вопрос себе задавайте ... инструкции читаем апосля ... (если еще не успели опоздать).Что/кто мешает остальным делать правильно?

elalex писал(а):Источник цитаты Измерять (определять) ёмкость не требуется. Требуется определить степень её опасности для человека.
Как уже говорил, нужно оценить возможность этой ёмкости создать через человека опасный ток.
Дык ... эта самая - "степень опасности" сразу и определяется ... амперметром (см.схему выше).elalex писал(а):Измерять (определять) ёмкость не требуется. Требуется определить степень её опасности для человека.
Как уже говорил, нужно оценить возможность этой ёмкости создать через человека опасный ток.

elalex писал(а):Источник цитаты 1.1мкФ написал, чтобы был понятен порядок величины ёмкости.
2.В частном доме 1км линий не насобирается, но сотня-другая будет.
Расстояние до земли тоже поменьше, чем у ВЛ. Материал стен, если диэлектрик - тоже увеличит ёмкость.
3.По-простому - стукнитесь током через 0,5-0,2мкФ и опишите свои ощущения.
4.Как измерять - думаю, мог бы сказать и ТОРМОЗ.
5.Для создания опасного тока 30мА на сопротивлении 1кОм напряжение должно быть 30В.
Раз так, то: мультиметр шунтируется резистором 1кОм и по всему дому, при питании от генератора, меряются напряжения между всеми доступными точками обоих проводов и землёй.
Там, где напряжение превысит 30В - опасное место.
6.Скорее всего, напряжение везде будет одинаково. Но чёрт его знает. Я никак не забуду лабораторную работу по стоячей волне, когда по длине линии СВЧ напряжение то было, то не было.
Мало не покажется ... мне кажется.ПАВ писал(а):... при емкости 0,2 мкФ и частоте 50 Гц евойное сопротивление равно 15923 ома, добавим стандартные 1000 Ом тела человека, 220В делим на 16923, имеем 13 мА, смертельно?

Вернуться в «Генераторы (бензиновые, дизельные, газовые)»
Сейчас этот форум просматривают: нет зарегистрированных пользователей и 8 гостей