ПАВ писал(а):Тут http://zametkielectrika.ru/ есть статья про ИР
Прочитала статью, и не только эту, очень познавательно! Только мне теперь непонятно, как применить этот вариант в моем щитке?

ПАВ писал(а):Тут http://zametkielectrika.ru/ есть статья про ИР

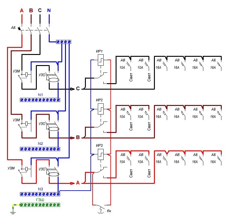
Схему я Вашу выложил ... на освещение, у Вас, запланировано 6 автоматов ... по 2 автомата на каждой фазе. Выходит ... требуется приобрести 3 импульсных реле (например:https://izhevsk.vseinstrumenti.ru/electrika-i-svet/avt-i-uz/rele/impulsnye/ekf-/rio-1-proxima-sqrio-1/) и подключив их катушки параллельно, управлять ими одной кнопкой.Alisa6969 писал(а):Источник цитаты... мне теперь непонятно, как применить этот вариант в моем щитке?
TOPMO3 писал(а):Источник цитаты например:
ПАВ писал(а):Источник цитаты А зачем на современное освещение, наверняка СДЛ выделять аж 16 ампер?
ПАВ писал(а):Ну да, инструкция к прибору читается после его поломки.
TOPMO3 писал(а):Источник цитатыСхему я Вашу выложил ... на освещение, у Вас, запланировано 6 автоматов ... по 2 автомата на каждой фазе. Выходит ... требуется приобрести 3 импульсных реле (например:https://izhevsk.vseinstrumenti.ru/electrika-i-svet/avt-i-uz/rele/impulsnye/ekf-/rio-1-proxima-sqrio-1/) и подключив их катушки параллельно, управлять ими одной кнопкой.Alisa6969 писал(а):Источник цитаты... мне теперь непонятно, как применить этот вариант в моем щитке?
Теперь стало чуть яснее)) Будем теперь переваривать увиденное и услышанное..
Alisa6969 писал(а):Источник цитаты Мне нужны 3 реле по 10А или по 16 А или по 32 А?
aleksey.RU писал(а):Источник цитатыAlisa6969 писал(а):Источник цитаты Мне нужны 3 реле по 10А или по 16 А или по 32 А?
При закупленных Вами автоматических выключателях, я рекомендую 32А.
Если бы автоматы были по6А, то реле можно было бы поставить по 16А. Всё взаимосвязано
Alisa6969 писал(а):Источник цитаты Да уж, есть о чем подумать..

Alisa6969 писал(а):Источник цитаты Запуталась в номиналах реле... Мне нужны 3 реле по 10А или по 16 А или по 32 А?
Grauf писал(а):Источник цитаты В этом доме часто перегорают электроприборы
Grauf писал(а):Источник цитаты часто перегорают электроприборы
Вернуться в «Проектирование внутреннего электроснабжения»
Сейчас этот форум просматривают: нет зарегистрированных пользователей и 13 гостей