Ноль под напряжением

Вопросы по рубильникам, выключателям нагрузки, пакетным выключателям, разъединителям, изоляторам, сборным шинам и прочему низковольтному оборудованию до 1000 (В).
Аватара пользователя
aleksey.RU
Сообщения: 1397
Зарегистрирован: 12 сен 2022, 15:17
Репутация: 137
Откуда: СССР
Контактная информация:

Ноль под напряжением

Сообщение aleksey.RU » 13 дек 2022, 22:20

strn писал(а):Источник цитаты он всегда благожелателен, всегда обещает и почти никогда не выполняет

Самая удачная позиция - динамить
Тот, кто пытается использовать методы, не зная принципов, обречен на неудачу
Реклама
Аватара пользователя
Pavel
Сообщения: 397
Зарегистрирован: 01 ноя 2015, 19:40
Репутация: 70
Контактная информация:

Ноль под напряжением

Сообщение Pavel » 13 дек 2022, 22:39

TOPMO3 писал(а):Источник цитаты Сетевикам до лампочки, какую систему выбирают и организовывают потребители

Вот полностью согласен! И еще, в разных регионах, абсолютно разные требования у сетевиков. Скажу про наш регион, точнее реальную сельскую местность. При замене счетчиков и подключении новых потребителей, энергетики выносят счетчик и "входной" автомат в пластиковый или металлический ящик на столб или фасад дома, лишь бы туда у них был беспрепятственный допуск. Никакие коммутационные и прочие аппараты до счетчика НЕ ДОПУСКАЮТСЯ! Почему я и написал, что автомат является входным в кавычках и разрывает и фазу и pen. Всё, дальше от автомата линия идет в дом (на участок), а там делай себе, что заблагорассудиться! Повторки на воздушке стоят где в конце линии, где метров через пятьсот. Плюс ко всему, на МТП "глухозаземленная нейтраль" делалась в 70-х годах прошлого столетия и сопротивление заземлению вполне может составлять несколько килоом. Вот такие дела, а то у многих видеться благостная картина энергоснабжения с техусловиями и прочими элементами "сладкой жизни" :nea:
ПыСы. Для завершения благолепности картины хочу добавить, что с пол-года назад у нас в районе практически ликвидировали службу энергодиспетчеров. Теперь в случае аварии вызвать бригаду невозможно в нерабочее время или в выходные, что и пришлось дважды уже испытать на себе, когда один раз оборвало ЛЭП упавшим от сильного ветра деревом, а второй отгорел пред одной из фаз на ТП.
Аватара пользователя
aleksey.RU
Сообщения: 1397
Зарегистрирован: 12 сен 2022, 15:17
Репутация: 137
Откуда: СССР
Контактная информация:

Ноль под напряжением

Сообщение aleksey.RU » 14 дек 2022, 04:52

Pavel писал(а):Источник цитаты И еще, в разных регионах, абсолютно разные требования у сетевиков

Pavel писал(а):Источник цитаты а то у многих видеться благостная картина энергоснабжения с техусловиями и прочими элементами "сладкой жизни"

не везёт вам. У нас, слава Богу с этим нормально. У Вас видимо маркетинг и менеджмент сильнее развит, чем у нас.
Pavel писал(а):Источник цитаты Никакие коммутационные и прочие аппараты до счетчика НЕ ДОПУСКАЮТСЯ!

У нас ставят рубильник 2-4полюса, потом счетчик, потом автомат 2-4 полюса. И это по нормам. Щиток, так же на фасаде или на опоре
Но вот с этими новыми счетчиками, которые считают нагрузку в нулевом проводе беда прям, многие частники жалуются. Он как раз считает ток повторного заземления у потребителя
И если бы такой счетчик стоял у strn , страшно представить его счета за электричество, при заземленном PEN
Тот, кто пытается использовать методы, не зная принципов, обречен на неудачу
ПАВ
Сообщения: 7647
Зарегистрирован: 13 авг 2015, 19:54
Репутация: 923
Откуда: Одесса
Контактная информация:

Ноль под напряжением

Сообщение ПАВ » 14 дек 2022, 10:10

Pavel писал(а):Источник цитаты Никакие коммутационные и прочие аппараты до счетчика НЕ ДОПУСКАЮТСЯ!

Ну и тупые эти ваши лехтрики! И что, при замене СЭ, мало ли- сдох сам, молния тюкнула и т.п., отключать всю линию? А пломбировать доучет, сейчас это элементарно, они еще не научились? По-моему, сейчас доучетные АВ , УЗО давно норма. А далее- твори, что хошь.
И еще, ак как они ограничивают лимит, не ставя АВ доучетный? Чушь местечковая.
В жизни все не так, как на самом деле...
Аватара пользователя
strn
Сообщения: 27
Зарегистрирован: 10 дек 2022, 17:19
Репутация: 2
Контактная информация:

Ноль под напряжением

Сообщение strn » 14 дек 2022, 16:27

aleksey.RU писал(а):Источник цитаты Жаль, мы видимо так и не узнаем, что же там было заземлено

Оказалось, что как раз не было заземлено! Обрыв контура заземления на ТП. Не затянутая гайка - окисление - обрыв контура заземления.
Аватара пользователя
aleksey.RU
Сообщения: 1397
Зарегистрирован: 12 сен 2022, 15:17
Репутация: 137
Откуда: СССР
Контактная информация:

Ноль под напряжением

Сообщение aleksey.RU » 14 дек 2022, 16:50

strn писал(а):Источник цитаты обрыв контура заземления

Спасибо. Было интересно узнать результат. Разница 90В пропала?
aleksey.RU писал(а):Источник цитаты Не нужно лезть в квантовую физику. У нас у мирских людей и у мирян живущих в сельской местности одна основная проблема - плохой контакт средней точки трансформатора и его заземления. Отсутствие повторных заземлений на опорах. Что подтверждается:

:biggrin:
Тот, кто пытается использовать методы, не зная принципов, обречен на неудачу
Аватара пользователя
strn
Сообщения: 27
Зарегистрирован: 10 дек 2022, 17:19
Репутация: 2
Контактная информация:

Ноль под напряжением

Сообщение strn » 14 дек 2022, 18:29

aleksey.RU писал(а):Источник цитаты Разница 90В пропала?

Ни одного вольта не осталось. Вы были правы! :good:
Аватара пользователя
Pavel
Сообщения: 397
Зарегистрирован: 01 ноя 2015, 19:40
Репутация: 70
Контактная информация:

Ноль под напряжением

Сообщение Pavel » 14 дек 2022, 19:13

ПАВ писал(а):Источник цитаты Ну и тупые эти ваши лехтрики!

Кто бы спорил! Они больше всего на свете бояться воровства энергии, даже там где этого нет, они стараются отыскать. Все остальное по-боку! Лимит они ограничивают сечением кабеля, то бишь 16-ю квадратами СИПа и автоматом на 25 А. А в случае замены счетчика или "входного автомата" ничего ни где не отключают, просто отсоединяют аккуратно кабель, разводят концы в стороны и демонтируют/монтируют чего нужно. Даже в случае замены отвода от ЛЭП до счетчика, считается у них непрофессиональным отключать на ТП линию- лезут на столб в "кошках" и работают под напряжением в резиновых перчатках :biggrin: Кураж у них такой :cool:
Аватара пользователя
TOPMO3
Сообщения: 4181
Зарегистрирован: 29 фев 2016, 10:37
Репутация: 626
Откуда: Ижевск
Контактная информация:

Ноль под напряжением

Сообщение TOPMO3 » 14 дек 2022, 21:00

strn писал(а):Источник цитатыОказалось, что как раз не было заземлено! Обрыв контура заземления на ТП. Не затянутая гайка - окисление - обрыв контура заземления.
Большое спасибо за сообщение ... правда, честно признаюсь, не совсем укладывается, как при отсутствии заземления может образоваться такой мощный источник.
Это получается, что если подключить к аккумулятору один провод, а второй конец воткнуть в землю ... по проводу потечет ток, что-ли (пусть и очень маленький) ... не понятка короче. Ведь электроны стремятся ко второму электроду источника ... а у Вас его не было. :pardon:
Вложения
1.jpg
Смеюсь последний ... тормоз однако!
Аватара пользователя
aleksey.RU
Сообщения: 1397
Зарегистрирован: 12 сен 2022, 15:17
Репутация: 137
Откуда: СССР
Контактная информация:

Ноль под напряжением

Сообщение aleksey.RU » 14 дек 2022, 21:43

TOPMO3 писал(а):Источник цитаты не понятка короче

паразитные связи
Тот, кто пытается использовать методы, не зная принципов, обречен на неудачу
Аватара пользователя
Pavel
Сообщения: 397
Зарегистрирован: 01 ноя 2015, 19:40
Репутация: 70
Контактная информация:

Ноль под напряжением

Сообщение Pavel » 14 дек 2022, 21:50

TOPMO3, если под высоковольтной линией на изоляторах натянуть длинный провод, а другой провод воткнуть в землю, то подключенная между ними миниатюрная лампочка будет гореть! Как называется сей эффект?
Аватара пользователя
strn
Сообщения: 27
Зарегистрирован: 10 дек 2022, 17:19
Репутация: 2
Контактная информация:

Ноль под напряжением

Сообщение strn » 14 дек 2022, 21:58

TOPMO3 писал(а):Источник цитаты не совсем укладывается, как при отсутствии заземления может образоваться такой мощный источник.

Сам пытался найти разумное объяснение, привлечение в качестве причины нечистой силы стараюсь избегать. Хотя, были в жизни случаи, другими гипотезами необъяснимые. Единственное, что могу предположить, где-то была подключена серьезная нагрузка между одной фазой и землей. Тогда электроны могут бежать с нуля через обмотку этой фазы, нормальную нагрузку этой фазы и через нагрузку фаза-земля на землю.
Аватара пользователя
TOPMO3
Сообщения: 4181
Зарегистрирован: 29 фев 2016, 10:37
Репутация: 626
Откуда: Ижевск
Контактная информация:

Ноль под напряжением

Сообщение TOPMO3 » 15 дек 2022, 09:06

Pavel писал(а):Источник цитаты TOPMO3, если под высоковольтной линией на изоляторах натянуть длинный провод, а другой провод воткнуть в землю, то подключенная между ними миниатюрная лампочка будет гореть! Как называется сей эффект?
Имхо, это будет называется "трансформатор".
И заметьте, в Вашем примере "неонка" ... а у автора "сила", от которой питается лампа накаливания!
Смеюсь последний ... тормоз однако!
ПАВ
Сообщения: 7647
Зарегистрирован: 13 авг 2015, 19:54
Репутация: 923
Откуда: Одесса
Контактная информация:

Ноль под напряжением

Сообщение ПАВ » 15 дек 2022, 11:37

Скорее, это конденсатор и только. Там емкостная составляющая больше индуктивной, особенно в симметричной линии, где магнитное поле ближе к нолику.
В жизни все не так, как на самом деле...
Аватара пользователя
TOPMO3
Сообщения: 4181
Зарегистрирован: 29 фев 2016, 10:37
Репутация: 626
Откуда: Ижевск
Контактная информация:

Ноль под напряжением

Сообщение TOPMO3 » 15 дек 2022, 12:22

ПАВ писал(а):Источник цитаты Скорее, это конденсатор и только. Там емкостная составляющая больше индуктивной, особенно в симметричной линии, где магнитное поле ближе к нолику.
Если, Вы, насчет примера с высоковольткой, согласен.
С лампочкой же, у автора, было предположение, что на нуле напруга, за счет падения напряжения, на сопротивлении самой линии - выравнивающим током, но ... автор утверждает, что он один на этой линии, вводной отключен - значит и выравнивающего тока нет.
Загадка природы кароче.
Смеюсь последний ... тормоз однако!
Аватара пользователя
strn
Сообщения: 27
Зарегистрирован: 10 дек 2022, 17:19
Репутация: 2
Контактная информация:

Ноль под напряжением

Сообщение strn » 15 дек 2022, 14:19

TOPMO3 писал(а):Источник цитаты автор утверждает, что он один на этой линии

От ТП идет две линии. На одной только я, но на другой несколько потребителей. А обмотка трансформатора на обе линии одна.
Аватара пользователя
TOPMO3
Сообщения: 4181
Зарегистрирован: 29 фев 2016, 10:37
Репутация: 626
Откуда: Ижевск
Контактная информация:

Ноль под напряжением

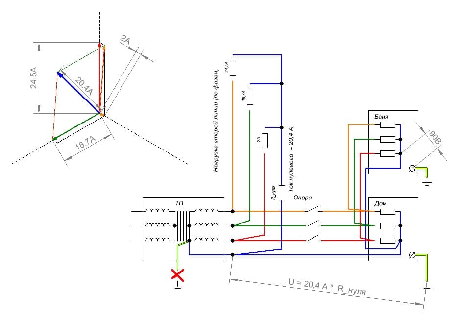
Сообщение TOPMO3 » 16 дек 2022, 18:42

strn писал(а):Источник цитаты
TOPMO3 писал(а):Источник цитаты автор утверждает, что он один на этой линии

От ТП идет две линии. На одной только я, но на другой несколько потребителей.
Это, кардинально, меняет картину ...
Уравнивающий ток, второй линии, при отсутствии заземления на ТП, и есть - источник напряжения, возникающее суммой из сопротивления самого нулевого провода и сопротивлений контактов.
Графику, с токами по фазам, построил от "балды" ... главное поясняет ситуацию. :smile:
Вложения
1.jpg
Смеюсь последний ... тормоз однако!
Аватара пользователя
TOPMO3
Сообщения: 4181
Зарегистрирован: 29 фев 2016, 10:37
Репутация: 626
Откуда: Ижевск
Контактная информация:

Ноль под напряжением

Сообщение TOPMO3 » 16 дек 2022, 22:22

TOPMO3 писал(а):Источник цитаты ... Уравнивающий ток + отсутствии заземления на ТП --> источник напряжения. :smile:
Гм ... уж не зря ли, автор, поспешил вызывать "эх_лектриков"?
Вроде халявный источник был ... :biggrin:
Кто, каким макаром, использовал бы такую возможность? :wink: Ваши идеи!
Смеюсь последний ... тормоз однако!
Аватара пользователя
aleksey.RU
Сообщения: 1397
Зарегистрирован: 12 сен 2022, 15:17
Репутация: 137
Откуда: СССР
Контактная информация:

Ноль под напряжением

Сообщение aleksey.RU » 16 дек 2022, 22:47

УвЭчьный двигатель неиссякаемой энергии :biggrin:
В 96 - 97году был случай. Зима -15-20гр.
Звонят нам с оптовой базы, говорят, что открыть ворота не могут - за замок взяться не возможно. Замок на воротаГ оггненный :biggrin:
Мы такие, да ну нафик - чудо.
Приехали, а у них ВРУ в одном здании, а контур через проезд, в ангаре. Машины от постоянной езды истёрли колесами металлическую полосу под воротами и нарушили связь. Этой связью остался амбарный замок на стальных воротах.
Во как оно. Если отрегулировать мощность, то проблемы с замерзанием замка вообще можно решить радикально :biggrin:
Последний раз редактировалось aleksey.RU 16 дек 2022, 23:00, всего редактировалось 1 раз.
Тот, кто пытается использовать методы, не зная принципов, обречен на неудачу
Аватара пользователя
Pavel
Сообщения: 397
Зарегистрирован: 01 ноя 2015, 19:40
Репутация: 70
Контактная информация:

Ноль под напряжением

Сообщение Pavel » 16 дек 2022, 22:58

strn писал(а):Источник цитаты От ТП идет две линии.

Вот оно чо! Так это неважно сколько линий, важно, что все сидят на одной фазе. А почему так кособоко сделано- не понятно, две другие фазы зарезервировали для будущих планируемых потребителей? :biggrin:


  • Реклама

Вернуться в «Низковольтное электрооборудование (до 1000В)»

Кто сейчас на конференции

Сейчас этот форум просматривают: нет зарегистрированных пользователей и 6 гостей