...Можно попробовать, в режиме этого ожидания, выдернуть один конец перемычки (фазу) из клеммы 5 .Мирослав писал(а):Источник цитаты Если подключить по этой схеме то контроллер сразу выдает предупреждение Wrn MCB Fail / Прд Сбой АВС ... При подаче напряжения, контроллер проверяет наличие и соответствие параметров всех трех фаз. Если что-то не нормально, должна поступить команда на отключение МСВ (т.е. включить KF).
(Это аварийное сообщение формируется в случае, если контроллером была отдана команда АВС ЗАМКН/РАЗОМКН ... а какая команда дана, "вкл. или выкл." - мы не знаем ..., но вход, настроенный в контроллере как MCB FEEDBACK / ОБРАТНАЯ СВЯЗЬ АВС (СТР. 670) не изменил свое состояние. ... Надо определить, меняет ли свое состояние KF? И самое интересное ... К1 включается сразу, без всяких команд (согласно схеме) ... а раз пишет, что "не соответствует", значит контроллер пытается выключить сетевой контактор ...
Это событие будет активным до тех пор, пока не исчезнет несоответствие между выходным сигналом и обратной связью от автоматического выключателя.)
Ну воот, только сейчас смог разглядеть, что -KF управляется по функции MCB OFF, а до сих пор думал MCB On Coil.Мирослав писал(а):Источник цитаты https://i.ibb.co/NZGtrh1/1.png

TOPMO3 писал(а):Источник цитатыТолько одну фазу, а не три?Мирослав писал(а):Источник цитаты Да, так как я уже подавал фазу ка К1
Написано, что при использовании в однофазном режиме, надо эту фазу перемычками подавать на все соответствующие клеммы.
TOPMO3 писал(а):Источник цитаты меняет ли свое состояние KF?
Вижу ... на седьмом бите должно быть GCB Close/Open.Мирослав писал(а):Источник цитаты Обратите внимание, что на работающем генераторе в ручном режиме есть два бинарных выхода MCB OFF https://ibb.co/GP9hjnz
Вопрос: в том же ручном режиме - при работе с сети, светится шестой бит?Руководство писал(а):Замечание:
Любой бинарный вход или выход может быть присвоен любой клемме контроллера IL-NT и может быть изменен в программе LiteEdit.
Обратите внимание, что на работающем генераторе в ручном режиме, ни один из двух входов не светится ... т.е. нет сигнала, ни по ОбрСвязьАВС, ни по GCВ ON.Мирослав писал(а):Источник цитаты Обратите внимание, что на работающем генераторе в ручном режиме есть два бинарных выхода MCB OFF https://ibb.co/GP9hjnz
TOPMO3 писал(а):Источник цитаты при работе с сети, светится шестой бит?
TOPMO3 писал(а):Источник цитаты А выход может иметь один из четырех функций:
MCB Close/Open (СК Змк/Размк) - Выход контролирует работу контактора сети.
MCB On Coil (ВклКатушка СК) - Выход подает питание на катушку контактора сети.
MCB Off Coil (ВыклКатушка СК) - Выход снимает питание с катушки контактора сети.
MCB UV Coil (ПитКатуш СК) - Выход контролирует катушку контактора сети.
Какой-то бред показывается или мы не так понимаем ... получается - во время работы от сети, контроллер сообщает, что произошел аварийный останов (генератора) и показывает наличие давления масла!!! Ничего не понимаю.Мирослав писал(а):Источник цитатыПроверил: на бинарных выходах при работе с сети ни один бит не светится, а на входах светится 2 и 7
Так я раньше спрашивал ведь и Алексей выкладывал ссылку на руководство. Там описаны все возможные функции и входов и выходов ...Мирослав писал(а):Источник цитатыИ еще... Скажите, пожалуйста, откуда эта информация? В руководстве, как то, не встречал.TOPMO3 писал(а):Источник цитаты А выход может иметь один из четырех функций:
MCB Close/Open (СК Змк/Размк) - Выход контролирует работу контактора сети.
MCB On Coil (ВклКатушка СК) - Выход подает питание на катушку контактора сети.
MCB Off Coil (ВыклКатушка СК) - Выход снимает питание с катушки контактора сети.
MCB UV Coil (ПитКатуш СК) - Выход контролирует катушку контактора сети.

Сколько времени уже прошло, а Вы всё не можете показать такие же фото, со всеми подключенными проводами работающим от сети и от генератора (в режиме РУЧН.) и фото в режиме АВТО (с подключенными сетевыми проводами)Мирослав писал(а):Источник цитаты Вот сами посмотрите:
https://ibb.co/pPCmvPM РУЧН
https://ibb.co/gj459bC АВТО

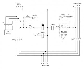
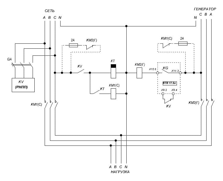
Понятно ...Мирослав писал(а):Источник цитаты АВР у нас в подстанции: два контактора, РНПП и реле времени.
от РНПП и реле времени ...Мирослав писал(а):Источник цитаты Контактор сети включается от реле времени,...
... это от кого?Мирослав писал(а):Источник цитатыа контакор генератора от его самого.
С начала вообще ничего не понял, окромя того, что речь идет о четырех проводах ...Мирослав писал(а):Источник цитаты ... У нас там два провода с АВР идет на сухой контакт и один провод на контакт релюшки KG, а так же ноль на плату. Больше нету никаких проводов.
TOPMO3 писал(а):Источник цитаты от РНПП и реле времени ...
TOPMO3 писал(а):Источник цитаты а контакор генератора от его самого.
... это от кого?
Вернуться в «Прочие вопросы по электромонтажу»
Сейчас этот форум просматривают: нет зарегистрированных пользователей и 10 гостей