Проблема с платой управления вытяжки Kaiser. Помогите разобраться.

Делимся информацией по ремонту бытовой техники (стиральные машины, пылесосы, фены, вентиляторы, электроплиты, холодильники, СВЧ-печи и т.п.)
Аватара пользователя
yurbant
Сообщения: 105
Зарегистрирован: 29 фев 2024, 13:34
Репутация: 1
Контактная информация:

Проблема с платой управления вытяжки Kaiser. Помогите разобраться.

Сообщение yurbant » 01 мар 2024, 17:55

Это он? А то не пойму где у него название.
https://www.alldatasheet.com/datasheet- ... 93C06.html
Реклама
Аватара пользователя
МБВ
Сообщения: 407
Зарегистрирован: 20 мар 2023, 22:32
Репутация: 78
Контактная информация:

Проблема с платой управления вытяжки Kaiser. Помогите разобраться.

Сообщение МБВ » 01 мар 2024, 18:00

Для питания реле надо 12в в точках драйвероа
Вложения
DSC_2056_edit_7728991550808622.jpg
Аватара пользователя
yurbant
Сообщения: 105
Зарегистрирован: 29 фев 2024, 13:34
Репутация: 1
Контактная информация:

Проблема с платой управления вытяжки Kaiser. Помогите разобраться.

Сообщение yurbant » 01 мар 2024, 18:04

МБВ писал(а):Источник цитаты Для питания реле надо 12в в точках драйвероа

Понял, спасибо! Буду иметь ввиду.
Аватара пользователя
TOPMO3
Сообщения: 4181
Зарегистрирован: 29 фев 2016, 10:37
Репутация: 626
Откуда: Ижевск
Контактная информация:

Проблема с платой управления вытяжки Kaiser. Помогите разобраться.

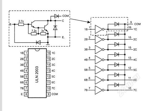
Сообщение TOPMO3 » 01 мар 2024, 18:13

TOPMO3 писал(а):Источник цитаты буфера между контроллером и исполнителями.

2.jpg

Набор из семи дарлингтоновских ключей. Микросхемы ULN2003, ULN2004 представляют собой набор мощных составных ключей с
защитными диодами на выходе.
Смеюсь последний ... тормоз однако!
Аватара пользователя
yurbant
Сообщения: 105
Зарегистрирован: 29 фев 2024, 13:34
Репутация: 1
Контактная информация:

Проблема с платой управления вытяжки Kaiser. Помогите разобраться.

Сообщение yurbant » 01 мар 2024, 18:20

TOPMO3 писал(а):Источник цитаты
TOPMO3 писал(а):Источник цитаты буфера между контроллером и исполнителями.

2.jpg

Набор из семи дарлингтоновских ключей. Микросхемы ULN2003, ULN2004 представляют собой набор мощных составных ключей с
защитными диодами на выходе.

Не чего не понял. Извините, я в этом полный профан. От меня, сейчас что требуется?
Аватара пользователя
TOPMO3
Сообщения: 4181
Зарегистрирован: 29 фев 2016, 10:37
Репутация: 626
Откуда: Ижевск
Контактная информация:

Проблема с платой управления вытяжки Kaiser. Помогите разобраться.

Сообщение TOPMO3 » 01 мар 2024, 18:22

yurbant писал(а):Источник цитаты
CHN M
93C06 6
K061-42
Это всё, что на нём написано.
Похоже я ошибся ... это не драйвер питания, а память (EEPROM). :pardon:
Значит всё питание на одном диоде!
Смеюсь последний ... тормоз однако!
Аватара пользователя
yurbant
Сообщения: 105
Зарегистрирован: 29 фев 2024, 13:34
Репутация: 1
Контактная информация:

Проблема с платой управления вытяжки Kaiser. Помогите разобраться.

Сообщение yurbant » 01 мар 2024, 18:25

TOPMO3 писал(а):Источник цитаты Значит всё питание на одном диоде!

Можете сказать где он находится и как его проверить?
Аватара пользователя
yurbant
Сообщения: 105
Зарегистрирован: 29 фев 2024, 13:34
Репутация: 1
Контактная информация:

Проблема с платой управления вытяжки Kaiser. Помогите разобраться.

Сообщение yurbant » 01 мар 2024, 19:00

МБВ писал(а):Источник цитаты Для питания реле надо 12в в точках драйвероа

Подскажите, а это два плюса? То есть надо подавать одновременно и на реле и на микрочип? Правильно?
То есть с трансформатора не катит, надо внешнее питание постоянного напряжения? А минус куда?
Извиняюсь, если глупые вопрсы задаю. Просто голова уже не чего не соображает.
Аватара пользователя
TOPMO3
Сообщения: 4181
Зарегистрирован: 29 фев 2016, 10:37
Репутация: 626
Откуда: Ижевск
Контактная информация:

Проблема с платой управления вытяжки Kaiser. Помогите разобраться.

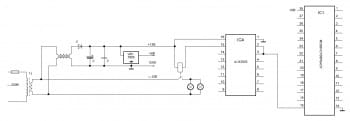
Сообщение TOPMO3 » 01 мар 2024, 19:11

2.jpg

Вы можете сообщить ... на картинке, что нить понимаете?
В схеме используются две величины напряжения ... 12 вольт (катушки реле) и 5 вольт (микросхемы)
Если найдете реле, которое включает лампы, то увидите, что на его катушке постоянно присутствует "плюс" (+12 вольт).
Чтобы реле включилось на второй вывод подается "минус" питания (с 15 вывода IC4) ... а чтобы на 15.IC4 появился "минус" на вывод 2.IC4 подается "плюс" (+5 вольт) с вывода (еще не выяснен номер) контроллера.
=======================
- подать питание;
- подать на 15.IC4 "минус" ... реле должно включиться;
- подать на 2.IC4 "+5 вольт" ... реле должно включиться.
Если в обоих случаях реле включится, надо будет искать способ определить ... контроллер в рабочем режиме или нет.
===============
Если что не понятно спрашивайте.
Смеюсь последний ... тормоз однако!
Аватара пользователя
TOPMO3
Сообщения: 4181
Зарегистрирован: 29 фев 2016, 10:37
Репутация: 626
Откуда: Ижевск
Контактная информация:

Проблема с платой управления вытяжки Kaiser. Помогите разобраться.

Сообщение TOPMO3 » 01 мар 2024, 19:16

ы /// кстати!
Контроллер одним сигналом включает одновременно два реле ... реле которое включает свет и самое ближнее к IC4, что это реле включает еще не выяснилось ... много недостаточной инфы.
Вложения
1C.jpg
Смеюсь последний ... тормоз однако!
Аватара пользователя
yurbant
Сообщения: 105
Зарегистрирован: 29 фев 2024, 13:34
Репутация: 1
Контактная информация:

Проблема с платой управления вытяжки Kaiser. Помогите разобраться.

Сообщение yurbant » 01 мар 2024, 19:38

Понял, в общем буду искать блок питания на 5в, на 12в у меня есть. Я так понял вы всё нарисовали на фото, чёрные линии минус, красные плюс. Огромное спасибо! А откуда взялся +12 в на реле, если на реле приходит с трансформатора переменка, по крайней мере на первый от выводов светильников?
Аватара пользователя
yurbant
Сообщения: 105
Зарегистрирован: 29 фев 2024, 13:34
Репутация: 1
Контактная информация:

Проблема с платой управления вытяжки Kaiser. Помогите разобраться.

Сообщение yurbant » 01 мар 2024, 19:47

TOPMO3, да и ещё, может проще заказать эти ULN2003 и поменять? Они то стоят не дорого, на Озоне полно, только хотел узнать по каким критериям выбирать, а то там разные разновидности.
https://www.ozon.ru/search/?text=Микрос ... lobal=true
Аватара пользователя
TOPMO3
Сообщения: 4181
Зарегистрирован: 29 фев 2016, 10:37
Репутация: 626
Откуда: Ижевск
Контактная информация:

Проблема с платой управления вытяжки Kaiser. Помогите разобраться.

Сообщение TOPMO3 » 01 мар 2024, 19:58

yurbant писал(а):Источник цитаты Понял, в общем буду искать блок питания на 5в, на 12в у меня есть. Я так понял вы всё нарисовали на фото, чёрные линии минус, красные плюс. Огромное спасибо! А откуда взялся +12 в на реле, если на реле приходит с трансформатора переменка, по крайней мере на первый от выводов светильников?
Схема питания, как говорится "хитромудрая". :biggrin:
В линиях переменки, одновременно используется и постоянка ... а в линиях, где 5 вольт только одно напряжение.
В стиралках еще круче ... на одном и том же проводе присутствует 220 вольт переменки и 12 вольт постоянки ... не знаючи, можно и ласты откинуть ...
Кстати, Вы во-время написали про это ... я забыл про такую вероятность ... хотя тут не так опасно, только 12 вольт переменки.
Смеюсь последний ... тормоз однако!
Аватара пользователя
TOPMO3
Сообщения: 4181
Зарегистрирован: 29 фев 2016, 10:37
Репутация: 626
Откуда: Ижевск
Контактная информация:

Проблема с платой управления вытяжки Kaiser. Помогите разобраться.

Сообщение TOPMO3 » 01 мар 2024, 20:01

yurbant писал(а):Источник цитаты буду искать блок питания на 5в, на 12в у меня есть.
Это зачем их искать? Зачем они Вам нужны?
yurbant писал(а):Источник цитаты может проще заказать эти ULN2003 и поменять?
Какой смысл покупать, если Вы не проверили исправность имеющихся?!!!
Я же написал, по шагово, как проверять!
Смеюсь последний ... тормоз однако!
Аватара пользователя
yurbant
Сообщения: 105
Зарегистрирован: 29 фев 2024, 13:34
Репутация: 1
Контактная информация:

Проблема с платой управления вытяжки Kaiser. Помогите разобраться.

Сообщение yurbant » 01 мар 2024, 20:06

TOPMO3 писал(а):Источник цитаты Я же написал, по шагово, как проверять!

Так я и следую вашей инструкции
TOPMO3 писал(а):Источник цитаты подать на 2.IC4 "+5 вольт" ... реле должно включиться

А где эти +5 в взять?
Аватара пользователя
TOPMO3
Сообщения: 4181
Зарегистрирован: 29 фев 2016, 10:37
Репутация: 626
Откуда: Ижевск
Контактная информация:

Проблема с платой управления вытяжки Kaiser. Помогите разобраться.

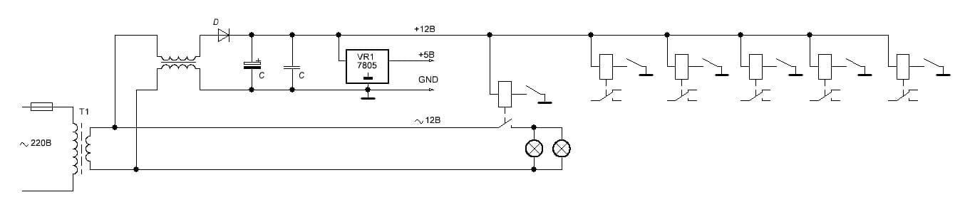
Сообщение TOPMO3 » 01 мар 2024, 20:46

yurbant писал(а):Источник цитаты А где эти +5 в взять?
А где Вы находили 4 с хвостиком вольт? Это и есть 5В.
Вот Вам упрощенно нарисованная схема питания:
1Наружная ручка.jpg

... с трансформатора снимается переменка 12 вольт - для питания только лампочек;
... апосля фильтра, диода и конденсатора получаем постоянку 12 вольт - для питания всех катушек реле (6 штук);
... апосля стабилизатора (на микросхеме 7805) - имеем постоянку 5 вольт - для питания микросхемы памяти и контроллера.
===============
1Обшивка.jpg

Весь путь сигналов для зажигания ламп.
Смеюсь последний ... тормоз однако!
Аватара пользователя
yurbant
Сообщения: 105
Зарегистрирован: 29 фев 2024, 13:34
Репутация: 1
Контактная информация:

Проблема с платой управления вытяжки Kaiser. Помогите разобраться.

Сообщение yurbant » 01 мар 2024, 21:25

TOPMO3, спасибо! Ох я идиот )))
Аватара пользователя
yurbant
Сообщения: 105
Зарегистрирован: 29 фев 2024, 13:34
Репутация: 1
Контактная информация:

Проблема с платой управления вытяжки Kaiser. Помогите разобраться.

Сообщение yurbant » 01 мар 2024, 21:58

TOPMO3, проверил, как, Вы, и говорили:
TOPMO3 писал(а):Источник цитаты подать на 15.IC4 "минус" ... реле должно включиться;

Включается.
TOPMO3 писал(а):Источник цитаты подать на 2.IC4 "+5 вольт" ... реле должно включиться.

Включается.
Аватара пользователя
МБВ
Сообщения: 407
Зарегистрирован: 20 мар 2023, 22:32
Репутация: 78
Контактная информация:

Проблема с платой управления вытяжки Kaiser. Помогите разобраться.

Сообщение МБВ » 01 мар 2024, 22:53

Повторюсь, со светом и питанием всё хорошо. 2003 можно проверить, если подать на ножки 1или 2 или...... или7 + 1,1-1,5в от батарейки и - на общий минус(электролитов). Реле должно хлопать какое то. На контроллере посмотрел бы резонатор (трехногий голубой) пропаял бы. И всё.
Аватара пользователя
МБВ
Сообщения: 407
Зарегистрирован: 20 мар 2023, 22:32
Репутация: 78
Контактная информация:

Проблема с платой управления вытяжки Kaiser. Помогите разобраться.

Сообщение МБВ » 01 мар 2024, 23:02

TOPMO3 писал(а):Источник цитаты что это реле включает еще не выяснилось ... много недостаточной инфы.

Надо конкретную мануалку на конкретную модель, в Европе максимальная мощность прибора ограничена таймером 7мин. Вот одно реле служит ограничением мощности по таймеру.
А 2003 драйвер держит 60в и 0,6а. Они крепкие. Спалить его можно подав на вход более 2,4в.


  • Реклама

Вернуться в «Ремонт бытовой техники (стиральные машины, пылесосы, фены, вентиляторы, СВЧ-печи и т.п.)»

Кто сейчас на конференции

Сейчас этот форум просматривают: нет зарегистрированных пользователей и 7 гостей