Применение УЗМ-51 в автоматике частного дома

Выбор и схемы подключения контакторов, пускателей, реле, различных датчиков, кнопок управления, переключателей и т.п.
Аватара пользователя
oleinap
Сообщения: 138
Зарегистрирован: 13 май 2016, 12:07
Репутация: 5
Контактная информация:

Применение УЗМ-51 в автоматике частного дома

Сообщение oleinap » 19 май 2016, 13:28

elalex писал(а):Источник цитаты Если нет желания, можете и не отвечать.

прошу прощения, обсуждение очень развернулось, теперь за сети дома отбиваюсь...
elalex писал(а):
oleinap писал(а):Источник цитаты у Вас Splan 7 есть?

Посмотрел официальную демо-версию, такое сложное я не рисую. Мне достаточно и Paint.

удобная рисовалка схем, готовый набор значков

elalex писал(а):
oleinap писал(а):Источник цитаты С25 3-х полюсный

1.Именно так в ТУ? Обычно пишут 25А, и все.
2.Ну ничего, скорее всего он не подходит, и нужно ставить последовательно три 1-полюсные В25.

не подходит по каким параметрам? я про защиту от ненормальных напряжений тему завел, а этот автомат за напругой не следит, я про нагрузки упоминал только общую мощность 15 квт, по 5 кВт на фазу.

elalex писал(а):и нужно ставить последовательно три 1-полюсные В25.

в одну фазу? Или Вы хотели сказать 3-хполюсный заменить на 3 однополюсных? Этот автомат стоит в шкафу учета перед счетчиком и опломбирован местным РЭСом. Да и сразу характеристика В на вводе...

elalex писал(а):
oleinap писал(а):Источник цитаты противопожарная защита дома целиком

Если можете и хотите, объясните, как она работает.

УЗО как обычно следит за утечкой на защитные проводники. Если изоляция между фазным и защитным проводниками в кабелях от начинающегося нагрева-пожара ухудшается и соответственно растет ток утечки на РЕ, то при достижении порога УЗО (которое практически на вводе в дом) просто отключает все.

elalex писал(а):
oleinap писал(а):Источник цитаты TN-C-S
Не боитесь?

TN-C от опоры уличной ЛЭП до шкафа автоматики с вводным УЗО и реле напряжения , в этом шкафу разделение N/PE, после этого шкафа раздельные нейтраль/защитные проводники TN-S в распределительном шкафу и по всему дому

elalex писал(а):
oleinap писал(а):Источник цитаты вводной аппарат

Зачем он нужен?
снимать напряжение целиком с распределительного шкафа. шкаф автоматики расположен не рядом


elalex писал(а):
oleinap писал(а):Источник цитаты а зачем?

Чтобы никого не убило по цепям освещения. Вас никогда не било через люстру? И лампочка в руке при выкручивании не лопалась?

еще нет, для этого фазные провода разрываются выключателями. При внутренних повреждениях сработает простой автомат
Реклама
Аватара пользователя
elalex
Сообщения: 7423
Зарегистрирован: 21 июл 2015, 08:08
Репутация: 591
Откуда: [email protected]
Контактная информация:

Применение УЗМ-51 в автоматике частного дома

Сообщение elalex » 19 май 2016, 13:55

oleinap писал(а):Источник цитаты прошу прощения

Вы не виноваты, просить прощения не за что.


oleinap писал(а):Источник цитаты тему завел

У меня манера распространяться в стороны. Всегда есть про что поговорить, кроме первоначальной проблемы. Дело хозяйское, продолжать разговор по сторонам или нет. Никого ничего не заставляю.


oleinap писал(а):Источник цитаты не подходит по каким параметрам?

Наверняка - по отключению КЗ. Померяете петлю для входного автомата, станет ясно.


oleinap писал(а):Источник цитаты 3-хполюсный заменить на 3 однополюсных?

Заменить не получится, придется добавить последовательно. По одному в фазу, конечно.


oleinap писал(а):Источник цитаты сразу характеристика В на вводе

Измерение петли покажет.


oleinap писал(а):Источник цитаты изоляция между фазным и защитным проводниками в кабелях от начинающегося нагрева-пожара ухудшается

Вы такое встречали? Я - никогда. Если кабели нормальные, конечно.
У меня вообще на вводе РЕ идет не в одном кабеле с фазами.
А после распределительного щита этим занимаются УЗО 30мА.


oleinap писал(а):Источник цитаты от опоры...

Это все понятно. Так Вы этого не боитесь?
Не читали:
viewtopic.php?t=595 ?


oleinap писал(а):Источник цитаты шкаф автоматики расположен не рядом

Ну и что, что не рядом?


oleinap писал(а):Источник цитаты сработает простой автомат

А если по проводам освещения потечет вода?
Одиночный свободный электрик
Опыт ремонтов квартир 20лет
Высшее электрическое образование
Бывший инженер-электрик
Пенсионер
64 года
Пишу для владельцев частного жилья
Запасной E–mail для россиян: [email protected]
Аватара пользователя
oleinap
Сообщения: 138
Зарегистрирован: 13 май 2016, 12:07
Репутация: 5
Контактная информация:

Применение УЗМ-51 в автоматике частного дома

Сообщение oleinap » 19 май 2016, 14:33

elalex писал(а):
oleinap писал(а):Источник цитаты не подходит по каким параметрам?

Наверняка - по отключению КЗ. Померяете петлю для входного автомата, станет ясно.


elalex писал(а):
oleinap писал(а):Источник цитаты 3-хполюсный заменить на 3 однополюсных?

Заменить не получится, придется добавить последовательно. По одному в фазу, конечно.


elalex писал(а):
oleinap писал(а):Источник цитаты сразу характеристика В на вводе

Измерение петли покажет.

как удастся съездить к нему, возьму прибор...


oleinap писал(а):Источник цитаты изоляция между фазным и защитным проводниками в кабелях от начинающегося нагрева-пожара ухудшается

Вы такое встречали? Я - никогда. Если кабели нормальные, конечно.
У меня вообще на вводе РЕ идет не в одном кабеле с фазами.
А после распределительного щита этим занимаются УЗО 30мА.

а зачем тогда делают УЗО на диф токи 500 мА, 300 мА?? Распространенные на 30 или 10 мА, вот в распред шкафу дифы поставил как раз на 30 мА. А на 300 мА общий групповой в шкафу автоматики на вводе в дом

elalex писал(а):
oleinap писал(а):Источник цитаты от опоры...

Это все понятно. Так Вы этого не боитесь?
Не читали:
viewtopic.php?t=595 ?

вспомнил - в шкафу учета на опоре сделал повторное заземление нейтрали, приходящая нейтраль с ЛЭП, отходящая в дом на корпусе шкафа учета, шкаф заземлен у опоры отдельными колами. Щас опять нападать будете - какие колы, расстояние между ними, сколько их, материал, чем соединяли, и т.д., уже не помню, делал в 12 году...
И в шкафу автоматики нейтраль имеет повторное заземление в доме, где шкаф стоит, там вводное УЗО и и разделение нейтрали и защитного ноля... Дом на берегу реки, проводимость грунта думаю хорошая
Думаю такой беды там не будет

elalex писал(а):
oleinap писал(а):Источник цитаты шкаф автоматики расположен не рядом
Ну и что, что не рядом?

как то удобно, когда вводной находится рядом...
Аватара пользователя
oleinap
Сообщения: 138
Зарегистрирован: 13 май 2016, 12:07
Репутация: 5
Контактная информация:

Применение УЗМ-51 в автоматике частного дома

Сообщение oleinap » 19 май 2016, 14:34

elalex писал(а):
oleinap писал(а):Источник цитаты не подходит по каким параметрам?

Наверняка - по отключению КЗ. Померяете петлю для входного автомата, станет ясно.



elalex писал(а):
oleinap писал(а):Источник цитаты 3-хполюсный заменить на 3 однополюсных?

Заменить не получится, придется добавить последовательно. По одному в фазу, конечно.


elalex писал(а):
oleinap писал(а):Источник цитаты сразу характеристика В на вводе

Измерение петли покажет.


как удастся съездить к нему, возьму прибор...


elalex писал(а):
oleinap писал(а):Источник цитаты изоляция между фазным и защитным проводниками в кабелях от начинающегося нагрева-пожара ухудшается

Вы такое встречали? Я - никогда. Если кабели нормальные, конечно.
У меня вообще на вводе РЕ идет не в одном кабеле с фазами.
А после распределительного щита этим занимаются УЗО 30мА.


а зачем тогда делают УЗО на диф токи 500 мА, 300 мА?? Распространенные на 30 или 10 мА, вот в распред шкафу дифы поставил как раз на 30 мА. А на 300 мА общий групповой в шкафу автоматики на вводе в дом

elalex писал(а):
oleinap писал(а):Источник цитаты от опоры...

Это все понятно. Так Вы этого не боитесь?
Не читали:
viewtopic.php?t=595 ?

вспомнил - в шкафу учета на опоре сделал повторное заземление нейтрали, приходящая нейтраль с ЛЭП, отходящая в дом на корпусе шкафа учета, шкаф заземлен у опоры отдельными колами. Щас опять нападать будете - какие колы, расстояние между ними, сколько их, материал, чем соединяли, и т.д., уже не помню, делал в 12 году...
И в шкафу автоматики нейтраль имеет повторное заземление в доме, где шкаф стоит, там вводное УЗО и и разделение нейтрали и защитного ноля... Дом на берегу реки, проводимость грунта думаю хорошая
Думаю такой беды там не будет

elalex писал(а):
oleinap писал(а):Источник цитаты шкаф автоматики расположен не рядом
Ну и что, что не рядом?

как то удобно, когда вводной находится рядом...
Последний раз редактировалось oleinap 19 май 2016, 14:36, всего редактировалось 1 раз.
Аватара пользователя
oleinap
Сообщения: 138
Зарегистрирован: 13 май 2016, 12:07
Репутация: 5
Контактная информация:

Применение УЗМ-51 в автоматике частного дома

Сообщение oleinap » 19 май 2016, 14:40

млин, муторно вписывать ответы под каждую цитату...
Аватара пользователя
elalex
Сообщения: 7423
Зарегистрирован: 21 июл 2015, 08:08
Репутация: 591
Откуда: [email protected]
Контактная информация:

Применение УЗМ-51 в автоматике частного дома

Сообщение elalex » 19 май 2016, 14:47

oleinap писал(а):Источник цитаты зачем тогда делают УЗО на диф токи 500 мА, 300 мА

На какие-то страшные магистральные кабели, наверно. Мне тяжело догадываться, мое дело - квартиры и частные дома.


oleinap писал(а):Источник цитаты Щас опять нападать будете

1.Мы просто обсуждаем, что Вы сделали. Можно считать это и нападением, но с благой целью - добавить Вам сомнений и знаний.
2.Нападаю: TN-C-S - это заземление-убийца, оно может убить Вашего человека.
3.Чтобы сделать заземление ТТ, достаточно 1 штыря 1м.


oleinap писал(а):Источник цитаты Думаю такой беды там не будет

Электрики не надеются на лучшее.


oleinap писал(а):Источник цитаты как то удобно, когда вводной находится рядом

Раз в 10 лет можно выключить и вводной, а не добавлять лишний элемент ненадежности.
Одиночный свободный электрик
Опыт ремонтов квартир 20лет
Высшее электрическое образование
Бывший инженер-электрик
Пенсионер
64 года
Пишу для владельцев частного жилья
Запасной E–mail для россиян: [email protected]
Аватара пользователя
elalex
Сообщения: 7423
Зарегистрирован: 21 июл 2015, 08:08
Репутация: 591
Откуда: [email protected]
Контактная информация:

Применение УЗМ-51 в автоматике частного дома

Сообщение elalex » 19 май 2016, 14:49

oleinap писал(а):Источник цитаты муторно вписывать ответы под каждую цитату

Пишите, как хотите. Только если все скопом, трудно понять, какой ответ к какой цитате.
Как ни странно, модератор тоже Вашего мнения.
Наверно, Вы холерик, и такие длинные разговоры не для Вас. Если так - бросайте, не мучьте себя.
Одиночный свободный электрик
Опыт ремонтов квартир 20лет
Высшее электрическое образование
Бывший инженер-электрик
Пенсионер
64 года
Пишу для владельцев частного жилья
Запасной E–mail для россиян: [email protected]
Аватара пользователя
oleinap
Сообщения: 138
Зарегистрирован: 13 май 2016, 12:07
Репутация: 5
Контактная информация:

Применение УЗМ-51 в автоматике частного дома

Сообщение oleinap » 19 май 2016, 15:08

elalex писал(а):
oleinap писал(а):Источник цитаты Щас опять нападать будете

...
3.Чтобы сделать заземление ТТ, достаточно 1 штыря 1м.

тогда мне достаточно в шкафу автоматики отсоединить провод защитного заземления от нейтрали, убрать перемычку между нейтралью и РЕ на УЗО. Заземление шкафа автоматики и всей сети защитных проводников есть, писал выше. И тогда точно такой беды там не будет
Вот за эту мЫслЮ аААагромное благодарю! :good:
Аватара пользователя
elalex
Сообщения: 7423
Зарегистрирован: 21 июл 2015, 08:08
Репутация: 591
Откуда: [email protected]
Контактная информация:

Применение УЗМ-51 в автоматике частного дома

Сообщение elalex » 19 май 2016, 15:26

oleinap писал(а):Источник цитаты тогда мне достаточно в шкафу автоматики отсоединить провод защитного заземления от нейтрали, убрать перемычку между нейтралью и РЕ на УЗО. Заземление шкафа автоматики и всей сети защитных проводников есть, писал выше. И тогда точно такой беды там не будет

Ну да. Но если будет УЗИП, оно должно быть для ТТ. И вообще переход на ТТ - дело серьезное, почитайте про него.
Например, у меня было:
viewtopic.php?t=41
viewtopic.php?t=556
Одиночный свободный электрик
Опыт ремонтов квартир 20лет
Высшее электрическое образование
Бывший инженер-электрик
Пенсионер
64 года
Пишу для владельцев частного жилья
Запасной E–mail для россиян: [email protected]
Аватара пользователя
oleinap
Сообщения: 138
Зарегистрирован: 13 май 2016, 12:07
Репутация: 5
Контактная информация:

Применение УЗМ-51 в автоматике частного дома

Сообщение oleinap » 20 май 2016, 08:56

elalex писал(а):Источник цитаты
oleinap писал(а):Источник цитаты тогда мне достаточно в шкафу автоматики отсоединить провод защитного заземления от нейтрали, убрать перемычку между нейтралью и РЕ на УЗО. Заземление шкафа автоматики и всей сети защитных проводников есть, писал выше. И тогда точно такой беды там не будет

Ну да. Но если будет УЗИП, оно должно быть для ТТ. И вообще переход на ТТ - дело серьезное, почитайте про него.
Например, у меня было:
viewtopic.php?t=41
viewtopic.php?t=556

а с другой стороны КАК будут работать УЗО?? и УЗО-части в дифах?
Для УЗО нужно, чтобы разностный ток по защитному проводнику ушел обратно к источнику, то есть в нейтраль сил транса. Если есть соединение N и РЕ перед УЗО (на его вводной клемме нейтрали), то вот она цепь возврата разностного тока и наименьшее напряжение прикосновения при повреждении основной изоляции оборудования. И при этом ЕСТЬ повторное заземление нейтрали в месте разделения N и РЕ. Если защитные проводники не соединены с нейтралью сил транса, а отдельно заземлены, то в цепь возврата разностного тока добавляется еще и сопротивление растекания ЗУ в грунте, и еще сопротивление грунта до ЗУ ТП-ухи, чтобы вернуться в нейтраль сил транса. КАК тогда будут работать УЗО? Какие токи утечки будут терпеть УЗО? Это получается цепь разностного тока = сумма сопротивлений растекания ЗУ ТП-ухи + сопротивление грунта между ЗУ + сопротивление растекания ЗУ эл установки + сопротивление в месте утечки.
Не буду отрывать РЕ от N, в шкафу автоматики есть повторное заземление вводного PEN в месте разделения на N и РЕ, в случае внешнего обрыва N внутренние сети дома все равно будут привязаны к земле ч-з это повторное заземление и опасных напряжений прикосновения не возникнет
Аватара пользователя
elalex
Сообщения: 7423
Зарегистрирован: 21 июл 2015, 08:08
Репутация: 591
Откуда: [email protected]
Контактная информация:

Применение УЗМ-51 в автоматике частного дома

Сообщение elalex » 20 май 2016, 09:30

oleinap писал(а):Источник цитаты КАК будут работать УЗО?

Обыкновенно.


oleinap писал(а):Источник цитаты наименьшее напряжение прикосновения при повреждении основной изоляции оборудования.

Какое время существует это напряжение при наличии УЗО?


oleinap писал(а):Источник цитаты в цепь возврата разностного тока добавляется еще и сопротивление растекания ЗУ в грунте, и еще сопротивление грунта до ЗУ ТП-ухи, чтобы вернуться в нейтраль сил транса.

Ну и что? Вы еще не знаете допустимое общее сопротивление? Статьи про ТТ еще не прочитали?


oleinap писал(а):Источник цитаты Какие токи утечки будут терпеть УЗО?

Половину уставки.


oleinap писал(а):Источник цитаты в случае внешнего обрыва N внутренние сети дома все равно будут привязаны к земле ч-з это повторное заземление и опасных напряжений прикосновения не возникнет

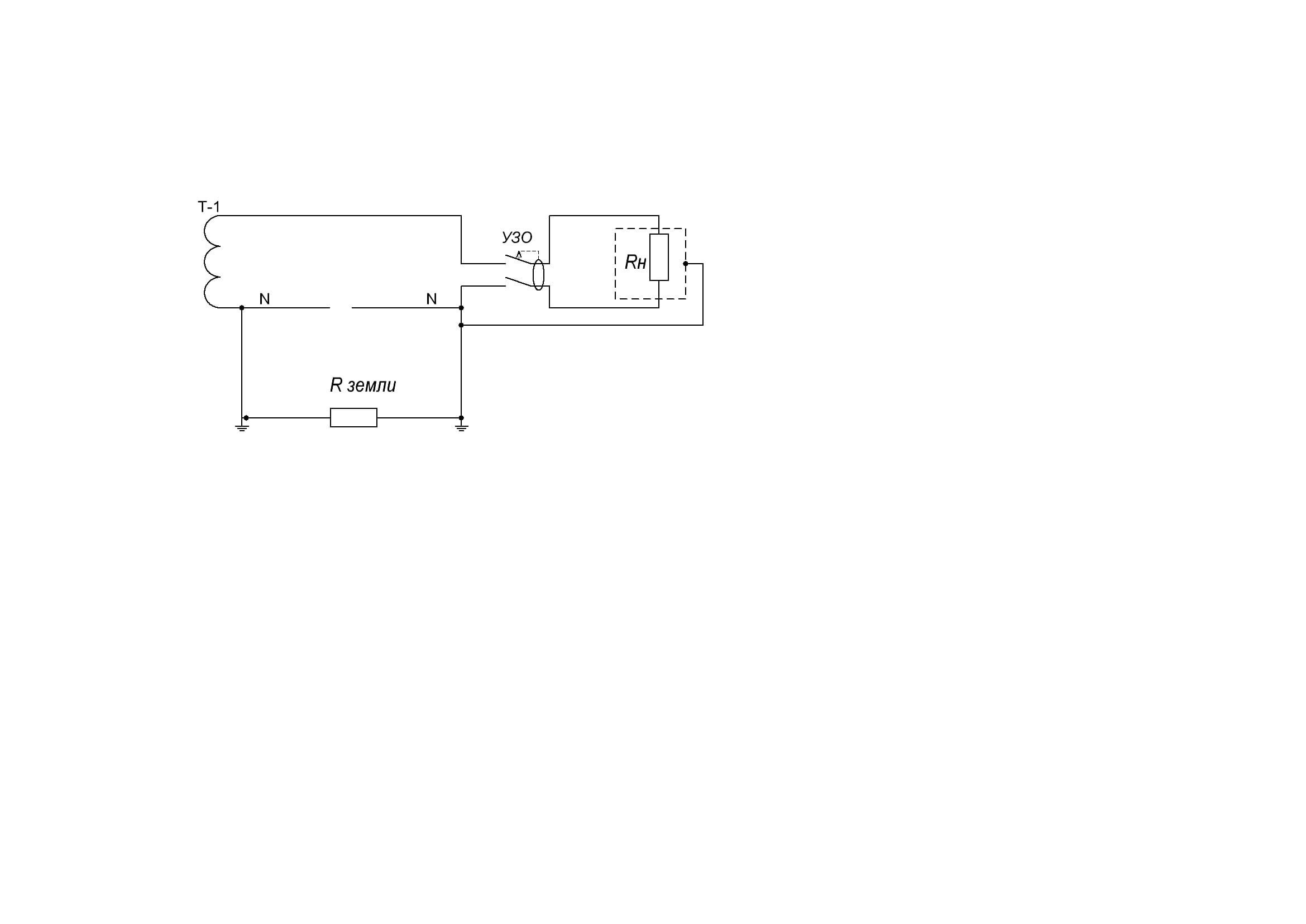
Посмотрите во вложении: На РЕ будет опасное напряжение прикосновения?
Вложения
Обрыв входящего ноля.png
Обрыв входящего ноля.png (2.44 КБ) 2129 просмотров
Одиночный свободный электрик
Опыт ремонтов квартир 20лет
Высшее электрическое образование
Бывший инженер-электрик
Пенсионер
64 года
Пишу для владельцев частного жилья
Запасной E–mail для россиян: [email protected]
Аватара пользователя
oleinap
Сообщения: 138
Зарегистрирован: 13 май 2016, 12:07
Репутация: 5
Контактная информация:

Применение УЗМ-51 в автоматике частного дома

Сообщение oleinap » 20 май 2016, 10:14

elalex писал(а):
oleinap писал(а):Источник цитаты в случае внешнего обрыва N внутренние сети дома все равно будут привязаны к земле ч-з это повторное заземление и опасных напряжений прикосновения не возникнет

Посмотрите во вложении: На РЕ будет опасное напряжение прикосновения?

по схеме все правильно, абсолютно согласен, повторное заземление нейтрали и защитного проводника. И я так же сделал в шкафу автоматики. Если внешний N отрывается (отгорает), то все концы внутренней нейтрали не повисают в воздухе, а остаются привязанными к земле и опасных напряжений прикосновения не создается.
И если есть реле напряжения, которое следит до разрыва, то оно долго такой режим не потерпит, отключит. Именно против этого режима я и сделал шкаф автоматики с РНПП-311.

Но по схеме РЕ и N соединены между собой и ЗУ, а Вы предлагали РЕ оторвать от N, но оставить соединение с ЗУ. Вот это мне и не нравится, вот тогда будет ухудшение условий для срабатывания УЗО
Аватара пользователя
elalex
Сообщения: 7423
Зарегистрирован: 21 июл 2015, 08:08
Репутация: 591
Откуда: [email protected]
Контактная информация:

Применение УЗМ-51 в автоматике частного дома

Сообщение elalex » 20 май 2016, 10:44

oleinap писал(а):Источник цитаты опасных напряжений прикосновения не создается

Нарисую эту же ситуацию по-другому (вложение). Повторю вопрос: На РЕ будет опасное напряжение прикосновения?


oleinap писал(а):Источник цитаты если есть реле напряжения, которое следит до разрыва

В PEN никаких контактов (автоматов и реле напряжения) стоять не должно. У Вас что, PEN обрывается?


oleinap писал(а):Источник цитаты будет ухудшение условий для срабатывания УЗО

Ничего страшного.
Вложения
Обрыв входящего ноля2.png
Обрыв входящего ноля2.png (6.36 КБ) 2123 просмотра
Одиночный свободный электрик
Опыт ремонтов квартир 20лет
Высшее электрическое образование
Бывший инженер-электрик
Пенсионер
64 года
Пишу для владельцев частного жилья
Запасной E–mail для россиян: [email protected]
Аватара пользователя
oleinap
Сообщения: 138
Зарегистрирован: 13 май 2016, 12:07
Репутация: 5
Контактная информация:

Применение УЗМ-51 в автоматике частного дома

Сообщение oleinap » 20 май 2016, 11:13

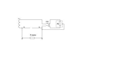
в Вашей схеме ЗЕМЛЯ дает дополнительное сопротивление в цепь возврата разностного тока, у Вас на схеме ЗЕМЛЯ как идеальный провод, но на самом деле там далеко не идеальный провод.
И немножко не правильно, вот как должно быть.
Обратите внимание на цепь обратного тока от корпуса нагрузки до N сил транса, R земли может иметь сотни ОМ
Вложения
для УЗО и ЗУ.JPG
Аватара пользователя
elalex
Сообщения: 7423
Зарегистрирован: 21 июл 2015, 08:08
Репутация: 591
Откуда: [email protected]
Контактная информация:

Применение УЗМ-51 в автоматике частного дома

Сообщение elalex » 20 май 2016, 11:26

oleinap писал(а):Источник цитаты у Вас на схеме ЗЕМЛЯ как идеальный провод

1.Вообще-то в теории заземления так и считается - сопротивление земли равно нулю. В практической электрике термин "сопротивление земли" не употребляется.
А сопротивление заземления определяется его конструкцией и местом расположения. И никто против этого не возражает.
2.Сопротивление заземления ТП должно быть не более 10 Ом. Сопротивление заземления потребителей: в TN-C-S - не более 30 Ом, в ТТ (Япония, Южная Европа) - не более 500-800 Ом.
Одиночный свободный электрик
Опыт ремонтов квартир 20лет
Высшее электрическое образование
Бывший инженер-электрик
Пенсионер
64 года
Пишу для владельцев частного жилья
Запасной E–mail для россиян: [email protected]
Аватара пользователя
oleinap
Сообщения: 138
Зарегистрирован: 13 май 2016, 12:07
Репутация: 5
Контактная информация:

Применение УЗМ-51 в автоматике частного дома

Сообщение oleinap » 20 май 2016, 11:27

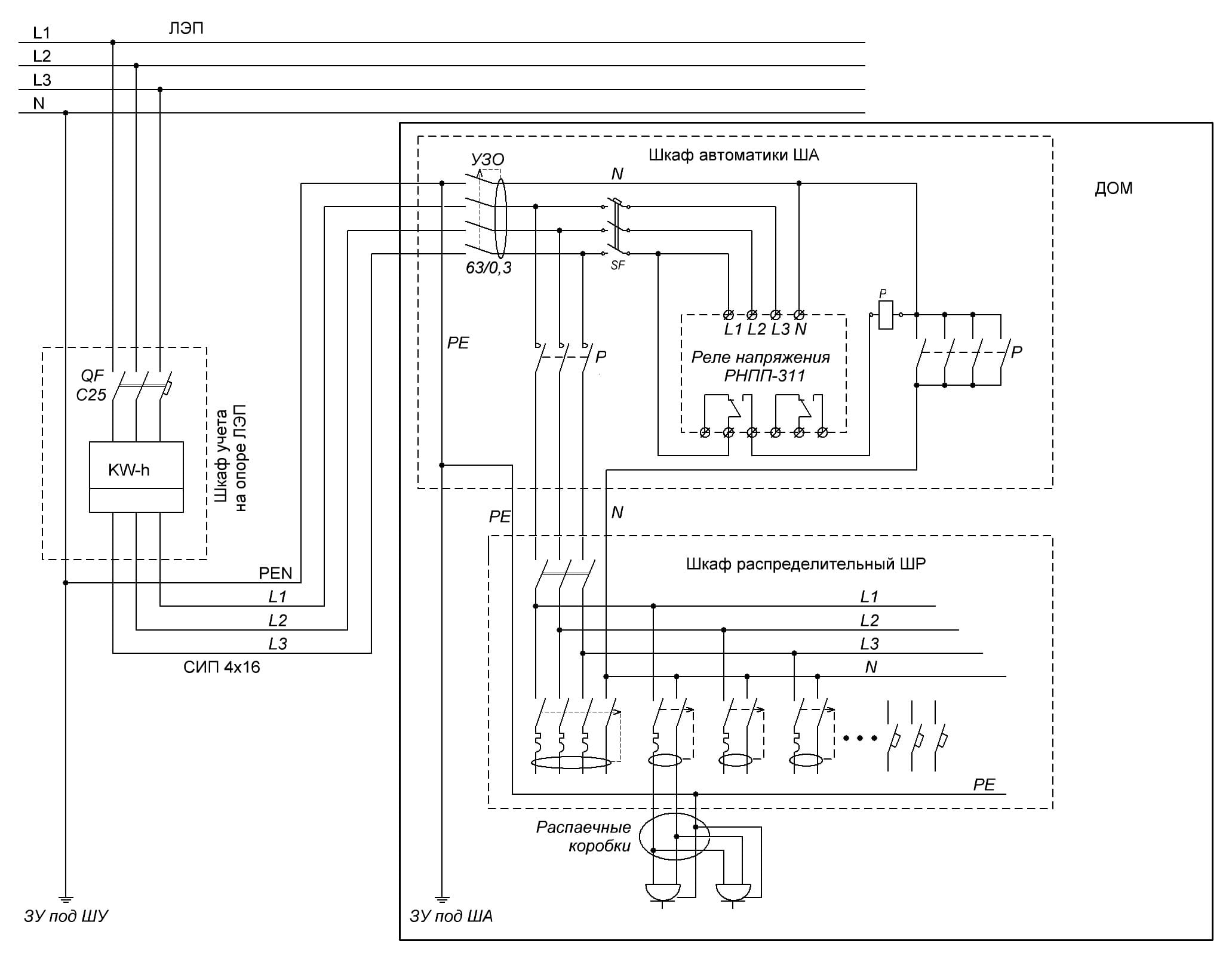
вот слепил общую схему от ЛЭП со всеми шкафами в доме, ШР разрисовывать не стал.
на схеме не отметил нулевой провод к счетчику, пропустил. :pardon: Думаю никто не заметил
Вложения
общая схема ЛЭП-дом с ШУ, ША и ШР.JPG
Последний раз редактировалось oleinap 20 май 2016, 12:24, всего редактировалось 1 раз.
Аватара пользователя
oleinap
Сообщения: 138
Зарегистрирован: 13 май 2016, 12:07
Репутация: 5
Контактная информация:

Применение УЗМ-51 в автоматике частного дома

Сообщение oleinap » 20 май 2016, 11:30

elalex писал(а):Источник цитаты
oleinap писал(а):Источник цитаты у Вас на схеме ЗЕМЛЯ как идеальный провод

1.Вообще-то в теории заземления так и считается - сопротивление земли равно нулю. В практической электрике термин "сопротивление земли" не употребляется.
А сопротивление заземления определяется его конструкцией и местом расположения. И никто против этого не возражает.
2.Сопротивление заземления ТП должно быть не более 10 Ом. Сопротивление заземления потребителей: в TN-C-S - не более 30 Ом, в ТТ (Япония, Южная Европа) - не более 500-800 Ом.

Это вы про само сопротивление растекания ЗУ, а я про R земли РЕАЛЬНОЙ, сопротивление грунта между ЗУ ТП и ЗУ потребителя.
Когда между этими ЗУ не одна сотня метров, а то и километр, Вы считаете все равно сопротивление грунта будет 0??
Аватара пользователя
oleinap
Сообщения: 138
Зарегистрирован: 13 май 2016, 12:07
Репутация: 5
Контактная информация:

Применение УЗМ-51 в автоматике частного дома

Сообщение oleinap » 20 май 2016, 11:31

особенно, когда удельное сопротивление грунта ТЫСЯЧИ ОМ, даже не сотни, а ТЫСЯЧИ
Аватара пользователя
elalex
Сообщения: 7423
Зарегистрирован: 21 июл 2015, 08:08
Репутация: 591
Откуда: [email protected]
Контактная информация:

Применение УЗМ-51 в автоматике частного дома

Сообщение elalex » 20 май 2016, 11:46

oleinap писал(а):Источник цитаты я про R земли РЕАЛЬНОЙ, сопротивление грунта между ЗУ ТП и ЗУ потребителя.

Давайте применять термины практической электрики. Давайте перестанем применять термин "сопротивление грунта" и "удельное сопротивление грунта". Давайте применять только термин "сопротивление заземления".


В доме есть 3-фазные потребители? Освещение без дифзащиты? Вы проектант?
Одиночный свободный электрик
Опыт ремонтов квартир 20лет
Высшее электрическое образование
Бывший инженер-электрик
Пенсионер
64 года
Пишу для владельцев частного жилья
Запасной E–mail для россиян: [email protected]
Аватара пользователя
mastervictor
Сообщения: 4494
Зарегистрирован: 23 июл 2015, 08:50
Репутация: 508
Откуда: Краснодар(почти)
Контактная информация:

Применение УЗМ-51 в автоматике частного дома

Сообщение mastervictor » 20 май 2016, 11:53

elalex писал(а):Источник цитаты Давайте применять термины практической электрики. Давайте перестанем применять термин "сопротивление грунта" и "удельное сопротивление грунта". Давайте применять только термин "сопротивление заземления".


Давайте без давайте,давайте!(с)
Нет ничего невозможного,необходимо две вещи,время и деньги!(Я :hi: )
Я отношусь к людям так,как они относятся ко мне!(Я :hi: )


  • Реклама

Вернуться в «Контакторы, пускатели, реле, датчики, кнопки и т.п.»

Кто сейчас на конференции

Сейчас этот форум просматривают: нет зарегистрированных пользователей и 6 гостей