В которой в Левашево или Останкино?elalex писал(а):Источник цитаты А сколько стоит дом в деревне?

elalex писал(а):ИБП APC SMART-UPS VT 40KVA 400V (SUVTP40KH4B4S) $20 000 –Для богатых не дeньги. А окупаемость их не интересует.
TOPMO3 писал(а):Источник цитатыВы фото платы, с двух сторон не будете делать?quick13 писал(а):Источник цитаты Ну так хренлиж делать???
TOPMO3 писал(а):Источник цитаты Я вот ... наверно со скуки ... сваял программу для ПР110 от фирмы ОВЕН ... назову - "АВТОЗАПУСК + АВР".
Могет в будущем кому пригодится.

ТУФТА ...quick13 писал(а):Источник цитаты TOPMO3, Вам надоело?) Что скажете про использование https://keaz.ru/catalog/avtomaticheskiy ... e-l/248956
И вот еще, ЗУБР новый вариант придумал, можете прокомментировать, ПЖЛ.
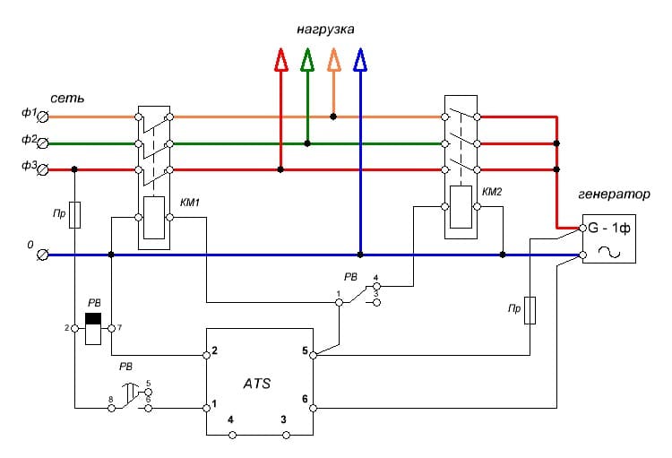
Схему ATS дать не могут, проверяют, что-то))


Программный симулятор утверждает, что будет работать.quick13 писал(а):Источник цитаты Оригинальная идея) Уверены что будет работать?
Это что за цифры?Ведь 2-5 и 1-6 соединены через 2НЗ.
Вот если купите это реле (наверняка есть и другие) ... тогда и разберемся.Особенно реле, не нашел толкового описания...

TOPMO3 писал(а):Источник цитаты Ведь 2-5 и 1-6 соединены через 2НЗ.
Это что за цифры?
TOPMO3 писал(а):Источник цитаты
Надо приобрести реле времени, с максимальной установкой в 5 - 10 секунд и питанием на 220В.
Например: РВ1А в комплекте с, выбираемой Вами, крепежом (крепеж в прорези щитка или крепеж на дин_рейку).
Тех_данные можете посмотреть на ... http://www.aksprom.biz/Catalog/TDM/2783 ... i-cokolnye
Цены и ассортимент на ... http://tdmelectric.ru/collection/kategoriya-2
Сначала про реле ... оно имеет в своем составе два переключателя. Один с моментальным срабатыванием, второй срабатывает после отсчета времени.
Реле имеет два режима работы (А и В) ... при переключении режимов, происходит изменение режимов работы переключателей.
Т.е. если один был моментальный, а второй с задержкой ... после переключения они меняются режимами.
Это реле, первое попавшее мне ... можно и от других производителей. Если не будет с моментальным переключателем ... можно будет добавить еще одно (простое) реле.
Работу схемы при пропадании сети рассматривать не будем ... так как переключение происходит при отсутствии напряжения в сети.
Работа при появлении напряжения в сети:
1. Включается реле времени;
2. Моментальный переключатель отключает КМ2 , т.е. нагрузку от генератора (генератор продолжает работать - КМ1 включен - сеть не подключена);
3. После отчета времени, переключатель с задержкой подает напряжение сети в ATS
4. ATS - глушит генератор - КМ1 выключается - напряжение сети пошло на нагрузку.
quick13 писал(а):Источник цитаты К сожалению не будет так работать. Что бы генератор не запускался на контактах 1и2 должно быть напряжение, которое через 2НЗ контактор есть и на 5и6. Отсюда сразу КЗ.
Вернуться в «Контакторы, пускатели, реле, датчики, кнопки и т.п.»
Сейчас этот форум просматривают: нет зарегистрированных пользователей и 7 гостей