кви-45 писал(а):Источник цитатыВот в этом вашем сообщении для меня вы были не согласны с обязательным устройством П.З.:
"Сдается мне Вы опять "бла-бла", как и с "обязательной повторкой при переходе на систему TN-C-S "
Сейчас значит вы согласились с наличием П.З., но только считаете , что деление ПЕН проводника можно проводить и за повторным заземлителем.
Вопрос:
1. А на какое расстояние от П.З. можно удалять точку разделения или это не влияет на нормальную работу системы.
2. Можно ли вашу схему на последнем рисунке применить для многоквартирных домов. Ведь действительно МКД это электроустановка. Около ВРУ дома обязан быть сделан П.З. , а дальше на любом этаже от ПЕН провода (система трехфазная) по вашей логике отводи два провода и получай систему TN-C-S во всех квартирах. Блин столько копий ломалось на всех форумах - тащить на 10 этаж землю или не тащить , оказывается не надо и без неё все будет нормально.
Весь участок и есть - одна электроустановка. В его составе щит учета с вводным автоматом, распределительный щит.Константин писал(а):Источник цитатыИспользуя терминологию понятий и определений ГОСТ ввод в ваш РЩ это ввод в электроустановку.Который должен быть по тому же ПУЭ заземлен.
Вообще то, при TN-C и не требуются две шинки, так как, тама, нет "деления" PENа.TOPMO3, ваш РЩ работает по TN-C.Я уже рассказывал в другой теме чем эти системы отличаются друг от друга. Неужели не понятно было? Наличие двух шинок TOPMO3, не делает из TN-C систему TN-C-S. Элемент важный отсутствует РЕ от ЗУ в этой электроустановки.

А кто Вам сказал, что не было "повторок" и не было своего "советского" TN-C-S с "делением"?Pavel писал(а):Источник цитаты А вот интересно, почему раньше, ну в смысле в прошлые десятилетия, в том числе в период СССР и в предыдущих изданиях ПУЭ не было никакого TN-C-S и не было никаких повторок на вводе?
Константин писал(а):Источник цитаты линейное напряжения было 220в. Фазное 110в. И чтобы получить напряжения 220в к приборам в дома и квартиры попадали 2 фазы
ПАВ писал(а):Источник цитаты А нормальная розетка евро спокойно обеспечивает работу что с 4-х, что с 5-тимиллиметровыми штырями до 16 ампер, чего для быта более, чем достаточно.
Константин писал(а):Источник цитаты У нас пошли по другому пути. В целях экономия бюджета и неохоты улучшать сети тупо накрутили РПН на трансформатор подстанции завысив выробатываемое напряжение. Воаля. Теперь можно поставить дальше по тонким проводам без супер просадок. Ну тут появились вытекающие. Опасности поражения электрическим током и тп.

TOPMO3 писал(а):Источник цитаты Сейчас значит вы согласились с наличием П.З., но только считаете , что деление ПЕН проводника можно проводить и за повторным заземлителем.
Вопрос:1. А на какое расстояние от П.З. можно удалять точку разделения или это не влияет на нормальную работу системы.
2. Можно ли вашу схему на последнем рисунке применить для многоквартирных домов. Ведь действительно МКД это электроустановка. Около ВРУ дома обязан быть сделан П.З. , а дальше на любом этаже от ПЕН провода (система трехфазная) по вашей логике отводи два провода и получай систему TN-C-S во всех квартирах. Блин столько копий ломалось на всех форумах - тащить на 10 этаж землю или не тащить , оказывается не надо и без неё все будет нормально.
Вот этот Ваш пост - опять полностью бла-бла-бла.Опять смешиваете разные условия, лишь бы уйти от ответа на изначально поставленный вопрос ... где в нтд написано, что в точке деления обязательно должна быть "повторка" ... это Вы утверждали.
Наш диалог начался с Вашего утверждения, что имеется обязательное требование, наличия "повторки" в точке деления пен. Я попросил привести пункт НТД, где написано это требование ... акромя картинки по питанию от источника "однофазки" и которая тоже не утверждает Ваших слов, ответа не было.кви-45 писал(а):Источник цитатыТОРМОЗ , В нашем диалоге я все время стараюсь отвечать на ваши вопросы , указываю пункты , схемы , рисунки
вы не ответили на мои вопросы 1 и 2.
Логику включите, плиз ... если П.З. (которая только рекомендуется) и "деление" ни в одном пункте не описываются вместе ... о каком расстоянии можно говорить?Вопрос:1. А на какое расстояние от П.З. можно удалять точку разделения или это не влияет на нормальную работу системы.
Гм ... вопрос Ваш, то ли провокационный, то ли говорит о уровне знаний вопрошающего ... но я отвечу.2. Можно ли вашу схему на последнем рисунке применить для многоквартирных домов.

TOPMO3 писал(а):Источник цитаты На Вашу картинку могу предоставить картинку где вааще нет "повторки"
TOPMO3 писал(а):Источник цитаты Да, эту схему можно применить в МКД ... только кое что, немного изменив или что-то добавив/удалив.
TOPMO3 писал(а):Источник цитаты Вообще то, при TN-C и не требуются две шинки, так как, тама, нет "деления" PENа.
TOPMO3 писал(а):Источник цитаты После деления имеем два провода ... рабочий нуль(N) и защитный нуль (PE) ... у каждого свои функции и они (функции) не зависят от наличия или отсутствия ЗУ.
TOPMO3 писал(а):Источник цитаты Есть пункты о "повторке", есть пункты о "делении" и нигде они не фигурируют в месте.
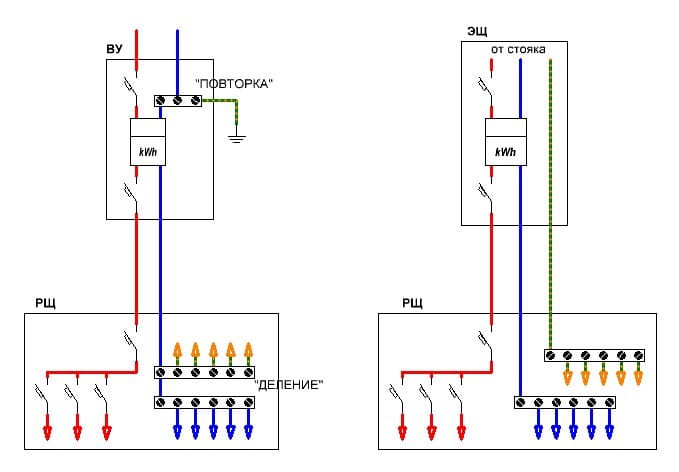
Схема нарисована не с натуры, а с головы ... как и первая (о чем, еще в том посту, сообщал) ... мне Ваши мысленные потуги не угадать, как Вы спросили о возможности применения в МКД, так и ответил, как была схема, в объеме однофазного ответвления, так и осталась ... о ВРУ, для МКД, речи не шло.кви-45 писал(а):Источник цитатыХитрите"бла-бла" , что во второй схеме нет повторного заземлителя?
Вы нам полную схему от ВРУ покажите.
Это Вы об чем? Или это был вопрос без соответствующего знака?Как в этажном щитке отходят N и РЕ проводники.
Это Ваше личное мнение, не подтвержденное (много раз спрашиваемое мной) требованиями НТД.кви-45 писал(а):Источник цитатыДеление ПЕН проводника в системе TN-C-S без П.З. делать нельзя,
поправлю ... с разделенным ПЕН_проводником система называется TN-C-S.... без него останется система TN-C с разделенным ПЕН проводником ,
А его и не надо ... при замыкании на корпус фазы, создаются все условия для отработки, аж двух видов, защиты ... защиты по сверхтоку (автоматы) и дифзащита (УЗО) ... схема не ждет Вашего прикосновения.не будет эта система обеспечивать снижение напряжения прикосновения.
ПАВ писал(а):Источник цитаты Мало ли, что в ваших цехах было, в армии, и не только, двумя лезвиями воду кипятили, так что, и это в нормы вводить??? Там и от парового молота могли прикуривать, что с того???
Мы говорили до сих пор о БЫТОВЫХ ПРИБОРАХ, правда?
ПАВ писал(а):Источник цитаты Вафельница штатно сколько жрала? С чьего бренда была содрана?
ПАВ писал(а):Источник цитаты Постарайтесь быть объективным, хотя бы в пределах своего возраста и своей практики. 40 лет назад вы в быту видели приборы с тремя контактами, а главное- проводами в шнуре/кабеле сетевом? Работали с ними, уже знали, куда тот самый третий провод совать???
TOPMO3 писал(а):Источник цитаты Весь участок и есть - одна электроустановка
TOPMO3 писал(а):Источник цитаты С каких это пор, "звание" РЕ начали давать проводнику только при наличии ЗУ?
TOPMO3 писал(а):Источник цитаты После деления имеем два провода ... рабочий нуль(N) и защитный нуль (PE) ... у каждого свои функции и они (функции) не зависят от наличия или отсутствия ЗУ.
В определении системы TN-C-S нет упоминания о ЗУ (ПУЭ-7. п.1.7.3.) ... не надо приписывать отсебятину.
Есть пункты о "повторке", есть пункты о "делении" и нигде они не фигурируют в месте.
TOPMO3 писал(а):Источник цитаты Насчет наличия "повторки" во ВРУ ... а хрен его знает ... может есть, а может и нет его ... всё согласно рекомендаций ПУЭ (п. 1.7.61). Как в этажном щитке отходят N и РЕ проводники.Это Вы об чем? Или это был вопрос без соответствующего знака? А как они должны отходить, "куда" или "от куда"? И за чем это ... ?
Ну коли не поняли ... разъясню.Константин писал(а):Источник цитатыУчасток это территория,а не электроустановка.TOPMO3 писал(а):Источник цитаты Весь участок и есть - одна электроустановка
Вот, кто сказал и где вычитал ...TOPMO3 писал(а):Источник цитаты С каких это пор, "звание" РЕ начали давать проводнику только при наличии ЗУ?
Кто тебе такое сказал и где это ты вычитал, что только при наличии ЗУ???
А теперь ...Константин писал(а):TOPMO3, ваш РЩ работает по TN-C.... Наличие двух шинок TOPMO3, не делает из TN-C систему TN-C-S. Элемент важный, отсутствует РЕ от ЗУ в этой электроустановки.
Мне кажется просматривается противоречие ...РЕ-защитный проводник ... И это условное обозначение он будет носить не зависимо от того есть ли ЗУ или нет его.
Извините ... значит я не смог проще написать, коли Вам это кажется кашей.Господи TOPMO3, ! Перестаньте перечислять ваши размышления в тексте.Вы щас какую то кашу вот написали.
В какой части ПУЭ я противоречу или перевираю их?Вы как и многие не можите корректно пользоваться Сводом правил.
По ссылке фигня, зачем мне "ТРЕБОВАНИЯ ПО ОБЕСПЕЧЕНИЮ БЕЗОПАСНОСТИ. ЗАЩИТА ОТ ОТКЛОНЕНИЙ НАПРЯЖЕНИЯ И ЭЛЕКТРОМАГНИТНЫХ ПОМЕХ"?Для вас как и многим другим нужен ГОСТ Р 50571-4-44-2011 ссылка на документ http://docs.cntd.ru/document/gost-r-50571-4-44-2011
Обязателен к прочтению полностью. Там расписано все полностью для всех случаев. Будьте так любезны использовать именно НПД. Вопрос по этому должен быть закрыт.
TOPMO3 писал(а):Источник цитаты А теперь ...
TOPMO3 писал(а):Источник цитаты С каких это пор, "звание" РЕ начали давать проводнику только при наличии ЗУ?
TOPMO3 писал(а):Источник цитаты а значит имеется только один ввод ... соответственно требование по обязательности "повторки" имеет место только в одном месте ... остальные только рекомендуются.
TOPMO3 писал(а):Источник цитаты по ссылке фигня, зачем мне "ТРЕБОВАНИЯ ПО ОБЕСПЕЧЕНИЮ БЕЗОПАСНОСТИ. ЗАЩИТА ОТ ОТКЛОНЕНИЙ НАПРЯЖЕНИЯ И ЭЛЕКТРОМАГНИТНЫХ ПОМЕХ"?

Я таки не пойму, что вы всё хотите доказать картинками, где нарисовано рекомендуемое заземление на вводах в зданий МКД и им подобным?Константин писал(а):Источник цитатыДля изучения схематики обустройства разделение РEN. Рисунок 44.R3A Ваше злащастное повторное заземление ГЗШ. Которую вы уже который пост напрочь отказываетесь повторно заземлять. У вас дома наверно сделано так?
TOPMO3 писал(а):Источник цитаты Я таки не пойму, что вы всё хотите доказать картинками,
TOPMO3 писал(а):Источник цитаты где нарисовано рекомендуемое заземление на вводах в зданий МКД и им подобным?
Вернуться в «Заземление и молниезащита»
Сейчас этот форум просматривают: нет зарегистрированных пользователей и 11 гостей