aleksey.RU писал(а):Источник цитаты Твоя жалязяка стоит не сделанная уже полторы недели
все сделали неделю назад через сухой контакт х9.3, х9.4
aleksey.RU писал(а):Источник цитаты Твоя жалязяка стоит не сделанная уже полторы недели
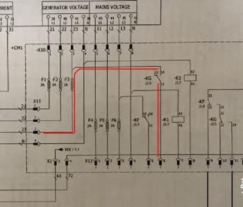
Выше сами писали, что для включения GCB (КМ2) используете контакты реле KG.Мирослав писал(а):Источник цитаты ... один провод на контакт х12.6 и один провод нулевой на х12.4 ( все таки для КМ2 мы берем фазу с генератора , а ноль с подстанции. Думаю, что и контакт х12.4 сидит в месте с генераторным нулем).

Вообще-то, эти клеммы предназначены для запуска двигателя дистанционно, т.е. например с мобильного телефона, после подключения к АВР, соответствующего модуля.Мирослав писал(а):Источник цитаты Два провода на контакты х9.3, х9.4;
TOPMO3 писал(а):Источник цитаты Ноль вообще не нужен на плате ВТВ17.6а и тем более на Х12.4, не имеющий, ни какой связи, с реле KG
TOPMO3 писал(а):Источник цитаты - Двигатель генератора должен запускаться с зеленой кнопки СТАРТ (глушить с СТОП)
Что означает "берем" ... как Вы его берете??? Похоже, Вы ни чего не понимаете или просто не читаете, что Вам пишут.Мирослав писал(а):Источник цитаты Хотел чтобы на плату приходил еще ноль с подстанции так как фазу для контактора GCB мы берем с генератора.
TOPMO3 писал(а):Источник цитаты зачем Вам еще нуль сетевой?
Мирослав писал(а):Источник цитаты Чтобы не было разницы потенциалов
Мирослав писал(а):Источник цитаты Чтобы не было разницы потенциалов
aleksey.RU писал(а):Источник цитаты так у Вас ноль ДГУ сидит с нолём сети
Токенкок писал(а):Источник цитаты он щёлкает как АК47
Токенкок писал(а):Источник цитаты Причем, и в режиме ВКЛ, и в режиме ВЫКЛ
Токенкок писал(а):Источник цитаты Сам в электронике не силен
Токенкок писал(а):Источник цитаты Думал, может какие-то элементы на плате выделываются
Мирослав писал(а):Источник цитатыaleksey.RU писал(а):Источник цитаты Твоя жалязяка стоит не сделанная уже полторы недели
все сделали неделю назад через сухой контакт х9.3, х9.4
Вернуться в «Прочие вопросы по электромонтажу»
Сейчас этот форум просматривают: нет зарегистрированных пользователей и 10 гостей