Проблема с платой управления вытяжки Kaiser. Помогите разобраться.

Делимся информацией по ремонту бытовой техники (стиральные машины, пылесосы, фены, вентиляторы, электроплиты, холодильники, СВЧ-печи и т.п.)
Аватара пользователя
yurbant
Сообщения: 105
Зарегистрирован: 29 фев 2024, 13:34
Репутация: 1
Контактная информация:

Проблема с платой управления вытяжки Kaiser. Помогите разобраться.

Сообщение yurbant » 02 мар 2024, 08:50

Доброе утро всем!
МБВ писал(а):Источник цитаты Повторюсь, со светом и питанием всё хорошо. 2003 можно проверить, если подать на ножки 1или 2 или...... или7 + 1,1-1,5в от батарейки и - на общий минус(электролитов). Реле должно хлопать какое то. На контроллере посмотрел бы резонатор (трехногий голубой) пропаял бы. И всё.

Проверил,реле хлопает.
Реклама
Аватара пользователя
МБВ
Сообщения: 407
Зарегистрирован: 20 мар 2023, 22:32
Репутация: 78
Контактная информация:

Проблема с платой управления вытяжки Kaiser. Помогите разобраться.

Сообщение МБВ » 02 мар 2024, 08:58

Всё работает, кроме самой большой самой умной. Пропаять и помянуть.
Без неё можно управлять 1в на ножки 1-7 2003-му. Можно 2 кнопки вентилятор и свет.
Аватара пользователя
yurbant
Сообщения: 105
Зарегистрирован: 29 фев 2024, 13:34
Репутация: 1
Контактная информация:

Проблема с платой управления вытяжки Kaiser. Помогите разобраться.

Сообщение yurbant » 02 мар 2024, 09:02

МБВ писал(а):Источник цитаты На контроллере посмотрел бы резонатор (трехногий голубой) пропаял бы.

А его можно как то проверить? Пайка вроде нормальная, но я пропаяю ещё. Хотелось бы выяснить цел он или нет.
Аватара пользователя
yurbant
Сообщения: 105
Зарегистрирован: 29 фев 2024, 13:34
Репутация: 1
Контактная информация:

Проблема с платой управления вытяжки Kaiser. Помогите разобраться.

Сообщение yurbant » 02 мар 2024, 09:04

МБВ писал(а):Источник цитаты Всё работает, кроме самой большой самой умной.

Имеете ввиду микросхему?
Аватара пользователя
МБВ
Сообщения: 407
Зарегистрирован: 20 мар 2023, 22:32
Репутация: 78
Контактная информация:

Проблема с платой управления вытяжки Kaiser. Помогите разобраться.

Сообщение МБВ » 02 мар 2024, 10:21

Да, Вы проверяли с кнопками? Большая, это микропроцессор, запускается кварцем на ножки 2,3. Питание есть, вход от кнопок, выход на ножки 1-7 2003-й. А всё остальное в её программе. Такие же стоят в стиралках, микроволновках, посудомойках и др.
Можно поменять кнопки на "с фиксацией", одну или две на скорость и одну на свет. Если надо с тормозом нарисуем, мне с телефона не удобно.
Аватара пользователя
yurbant
Сообщения: 105
Зарегистрирован: 29 фев 2024, 13:34
Репутация: 1
Контактная информация:

Проблема с платой управления вытяжки Kaiser. Помогите разобраться.

Сообщение yurbant » 02 мар 2024, 10:31

МБВ писал(а):Источник цитаты Если надо с тормозом нарисуем, мне с телефона не удобно

Было бы не плохо.
И ещё, не подскажете интернет магазин, кроме Али (долго ждать) где можно заказать этот микроконтроллер MC68HC705P6ACP ?
В Чип и Дип нет его, в несколько ещё каких то заходил - нет. Только на Али есть, но срок доставки 30 дней.
Аватара пользователя
TOPMO3
Сообщения: 4181
Зарегистрирован: 29 фев 2016, 10:37
Репутация: 626
Откуда: Ижевск
Контактная информация:

Проблема с платой управления вытяжки Kaiser. Помогите разобраться.

Сообщение TOPMO3 » 02 мар 2024, 11:31

МБВ писал(а):Источник цитаты На контроллере посмотрел бы резонатор (трехногий голубой) пропаял бы.
А я вчера гадал, что за треногий зверь, утром пришла мысля, что это кварц ... спасибо что подтвердили! :yes:
Смеюсь последний ... тормоз однако!
Аватара пользователя
yurbant
Сообщения: 105
Зарегистрирован: 29 фев 2024, 13:34
Репутация: 1
Контактная информация:

Проблема с платой управления вытяжки Kaiser. Помогите разобраться.

Сообщение yurbant » 02 мар 2024, 12:33

МБВ писал(а):Источник цитаты запускается кварцем на ножки 2,3

Проверил, с кварца контакт на 2 ногу микропроцессора выдаёт 2,50 v. на 3 ногу-3,05 v.
Пропаял ножки кварца - не чего не изменилось.
Аватара пользователя
МБВ
Сообщения: 407
Зарегистрирован: 20 мар 2023, 22:32
Репутация: 78
Контактная информация:

Проблема с платой управления вытяжки Kaiser. Помогите разобраться.

Сообщение МБВ » 02 мар 2024, 16:18

yurbant писал(а):Источник цитаты где можно заказать этот микроконтроллер

Не поможет, главное это его программа, которая заливается через 4 специальных контакта на фото. Контроллер может жив, а программа ушла. На каждый прибор она своя.
Вложения
DSC_2075_edit_7737520197353154.jpg
Аватара пользователя
yurbant
Сообщения: 105
Зарегистрирован: 29 фев 2024, 13:34
Репутация: 1
Контактная информация:

Проблема с платой управления вытяжки Kaiser. Помогите разобраться.

Сообщение yurbant » 02 мар 2024, 16:40

МБВ писал(а):Источник цитаты
yurbant писал(а):Источник цитаты где можно заказать этот микроконтроллер

Не поможет, главное это его программа, которая заливается через 4 специальных контакта на фото. Контроллер может жив, а программа ушла. На каждый прибор она своя.

В общем, лучше на механические кнопки переделать? Можете подсказать, как с наименьшими переделками упростить эту схему, и можно ли эту плату и плату с кнопками выбросить вообще, поставить просто блок механических кнопок?
Аватара пользователя
yurbant
Сообщения: 105
Зарегистрирован: 29 фев 2024, 13:34
Репутация: 1
Контактная информация:

Проблема с платой управления вытяжки Kaiser. Помогите разобраться.

Сообщение yurbant » 02 мар 2024, 17:01

Идея такая: купить блок кнопок на 5 шт. и подсоеденить напрямую к двигателю. Свет от 220 v. и 4 скорости. Табло мне не надо, чем проще, тем надёжней.
DSC_2077.JPG

Двигатель на 220 v 250 Вт
DSC_1873.JPG

На двигатель идут 6 проводов.
DSC_1885.JPG

Можно?
Аватара пользователя
МБВ
Сообщения: 407
Зарегистрирован: 20 мар 2023, 22:32
Репутация: 78
Контактная информация:

Проблема с платой управления вытяжки Kaiser. Помогите разобраться.

Сообщение МБВ » 02 мар 2024, 17:09

Берете 4 "модульные кнопки с фиксацией" размером 5х5, 6х6 или 7х7. Выпаяйте одну свою и такие по размеру ножек купите. Это для 3-х скоростей и света. Можно пару скоростей скостить, на любителя. На кнопки присмотреть пимпочки в цвет и заклеить мертвый индикатор. При творческом подходе разницу никто не заметит.
К плюсу 5в на плате припаять сопротивление 47-62 кОм, к нему сопротивление 10-15 кОм, его конец к минусу платы. Подбором сопротивлений добиться 1,1-1,3в между сопротивлений. Это напряжение через кнопки и подавать на ножки 1-7 2003-го. Один 2003 на три реле скорости, второй на реле света. Можно новыми проводками, можно ставя перемычки на контроллере. Подробнее может тормоз отрисовать.
Аватара пользователя
МБВ
Сообщения: 407
Зарегистрирован: 20 мар 2023, 22:32
Репутация: 78
Контактная информация:

Проблема с платой управления вытяжки Kaiser. Помогите разобраться.

Сообщение МБВ » 02 мар 2024, 17:13

Единственно может возникнуть косяк: не отжав одну скорость, включите другую. Но Вы узнаете: мотор страшно замычит и будет греться. Но Вы это не пропустите точно.
Аватара пользователя
yurbant
Сообщения: 105
Зарегистрирован: 29 фев 2024, 13:34
Репутация: 1
Контактная информация:

Проблема с платой управления вытяжки Kaiser. Помогите разобраться.

Сообщение yurbant » 02 мар 2024, 17:16

МБВ писал(а):Источник цитаты Берете 4 "модульные кнопки с фиксацией" размером 5х5, 6х6 или 7х7. Выпаяйте одну свою и такие по размеру ножек купите. Это для 3-х скоростей и света. Можно пару скоростей скостить, на любителя. На кнопки присмотреть пимпочки в цвет и заклеить мертвый индикатор. При творческом подходе разницу никто не заметит.
К плюсу 5в на плате припаять сопротивление 47-62 кОм, к нему сопротивление 10-15 кОм, его конец к минусу платы. Подбором сопротивлений добиться 1,1-1,3в между сопротивлений. Это напряжение через кнопки и подавать на ножки 1-7 2003-го. Один 2003 на три реле скорости, второй на реле света. Можно новыми проводками, можно ставя перемычки на контроллере. Подробнее может тормоз отрисовать.

А напрямую к двигателю не получится? Красота не главное, это я что нибудь придумаю, мне главное упростить.
Аватара пользователя
МБВ
Сообщения: 407
Зарегистрирован: 20 мар 2023, 22:32
Репутация: 78
Контактная информация:

Проблема с платой управления вытяжки Kaiser. Помогите разобраться.

Сообщение МБВ » 02 мар 2024, 17:22

Смотрим распиновке 2003, вложенной тормозом, для включения реле света надо на 15 ногу притянуть минус. Это делаем подав 1,1в на ногу 3 через кнопку с делителя напряжения ( середина двух сопротивлений, края которых на +/- 5в). Аналогично скорость.
Аватара пользователя
МБВ
Сообщения: 407
Зарегистрирован: 20 мар 2023, 22:32
Репутация: 78
Контактная информация:

Проблема с платой управления вытяжки Kaiser. Помогите разобраться.

Сообщение МБВ » 02 мар 2024, 17:28

Напрямую можно, но:
оперировать надо будет переключателями на большое напряжение и большой ток, они должны иметь соответствующюю изоляцию. Такие приборы имеют массу и габариты под которые надо раздолбать вытяжку. Результат сомнительный.
Аватара пользователя
yurbant
Сообщения: 105
Зарегистрирован: 29 фев 2024, 13:34
Репутация: 1
Контактная информация:

Проблема с платой управления вытяжки Kaiser. Помогите разобраться.

Сообщение yurbant » 02 мар 2024, 17:32

МБВ писал(а):Источник цитаты Напрямую можно, но:
оперировать надо будет переключателями на большое напряжение и большой ток, они должны иметь соответствующюю изоляцию. Такие приборы имеют массу и габариты под которые надо раздолбать вытяжку. Результат сомнительный.

А на вытяжках с механическими кнопками как это реализовано?
Аватара пользователя
МБВ
Сообщения: 407
Зарегистрирован: 20 мар 2023, 22:32
Репутация: 78
Контактная информация:

Проблема с платой управления вытяжки Kaiser. Помогите разобраться.

Сообщение МБВ » 02 мар 2024, 17:40

Если проще: кнопка на 2 скорости 3 положения с фиксацией и кнопка на свет 2 положения с фиксацией. Выбросить трансформатор, поставить лампы на 220в.
Расходы: 200р кнопки, 200р лампы.
Аватара пользователя
TOPMO3
Сообщения: 4181
Зарегистрирован: 29 фев 2016, 10:37
Репутация: 626
Откуда: Ижевск
Контактная информация:

Проблема с платой управления вытяжки Kaiser. Помогите разобраться.

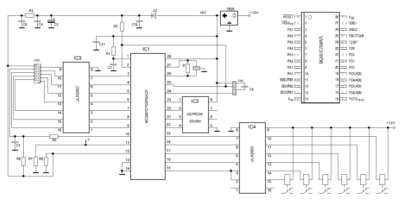
Сообщение TOPMO3 » 02 мар 2024, 17:45

Пока вот что нарисовалось ...
1C.jpg
Смеюсь последний ... тормоз однако!
Аватара пользователя
yurbant
Сообщения: 105
Зарегистрирован: 29 фев 2024, 13:34
Репутация: 1
Контактная информация:

Проблема с платой управления вытяжки Kaiser. Помогите разобраться.

Сообщение yurbant » 02 мар 2024, 17:48

TOPMO3 писал(а):Источник цитаты Пока вот что нарисовалось ...
1C.jpg

Здравствуйте! Красиво! Мы тут другую тему обсуждаем, как перейти на упрощённую схему)))


  • Реклама

Вернуться в «Ремонт бытовой техники (стиральные машины, пылесосы, фены, вентиляторы, СВЧ-печи и т.п.)»

Кто сейчас на конференции

Сейчас этот форум просматривают: нет зарегистрированных пользователей и 10 гостей