Применение УЗМ-51 в автоматике частного дома

Выбор и схемы подключения контакторов, пускателей, реле, различных датчиков, кнопок управления, переключателей и т.п.
Аватара пользователя
oleinap
Сообщения: 138
Зарегистрирован: 13 май 2016, 12:07
Репутация: 5
Контактная информация:

Применение УЗМ-51 в автоматике частного дома

Сообщение oleinap » 20 май 2016, 12:21

elalex писал(а):В доме есть 3-фазные потребители? Освещение без дифзащиты? Вы проектант?

Это все-таки не в мою тему, которая в заголовке, прошу прощения.
Не, я не проектант, в доме предусматривался 3-фазный "котел" в сауне, сейчас используется или нет - не знаю
Реклама
Аватара пользователя
oleinap
Сообщения: 138
Зарегистрирован: 13 май 2016, 12:07
Репутация: 5
Контактная информация:

Применение УЗМ-51 в автоматике частного дома

Сообщение oleinap » 20 май 2016, 12:35

elalex писал(а):Источник цитаты


oleinap писал(а):Источник цитаты водной С63

Зачем он?...

здесь viewtopic.php?t=812
отметили:

1. Федеральный закон Российской Федерации от 22 июля 2008 г. N 123-ФЗ "Технический регламент о требованиях пожарной безопасности"
Статья 82. Требования пожарной безопасности к электроустановкам зданий, сооружений и строений

4. Линии электроснабжения помещений зданий, сооружений и строений должны иметь устройства защитного отключения, предотвращающие возникновение пожара при неисправности электроприемников. Правила установки и параметры устройств защитного отключения должны учитывать требования пожарной безопасности, установленные в соответствии с настоящим Федеральным законом.


ТЕХНИЧЕСКИЙ ЦИРКУЛЯР № 31/2012
Примечание к первому пункту
Примечание. Установка УЗО с дифференциальным током срабатывания IΔn до 300 мА на вводе является обязательной и с точки зрения обеспечения пожарной безопасности.

ПУЭ
7.1.84. Для повышения уровня защиты от возгорания при замыканиях на заземленные части, когда величина тока недостаточна для срабатывания максимальной токовой защиты, на вводе в квартиру, индивидуальный дом и т.п. рекомендуется установка УЗО с током срабатывания до 300 мА.
Аватара пользователя
elalex
Сообщения: 7423
Зарегистрирован: 21 июл 2015, 08:08
Репутация: 591
Откуда: [email protected]
Контактная информация:

Применение УЗМ-51 в автоматике частного дома

Сообщение elalex » 20 май 2016, 12:52

oleinap писал(а):Источник цитаты отметили

Поговорим еще про ПУЭ и законы?
1.Для Вас они и логика - одно и то же? А для кого они написаны, знаете?
2.Кроме ссылки на ПУЭ и законы, никак не можете объяснить, зачем вводной С63 в ШР? Как по мне, напрасная трата денег и уменьшение надежности.
3.Про УЗО 300мА - то же самое?
4.Какая польза от 3-фазных аппаратов в доме?
Одиночный свободный электрик
Опыт ремонтов квартир 20лет
Высшее электрическое образование
Бывший инженер-электрик
Пенсионер
64 года
Пишу для владельцев частного жилья
Запасной E–mail для россиян: [email protected]
Аватара пользователя
oleinap
Сообщения: 138
Зарегистрирован: 13 май 2016, 12:07
Репутация: 5
Контактная информация:

Применение УЗМ-51 в автоматике частного дома

Сообщение oleinap » 20 май 2016, 13:08

elalex писал(а):Источник цитаты
oleinap писал(а):Источник цитаты отметили

...
3.Про УЗО 300мА - то же самое?
...


прошу прощения, не то оставил. Конечно, я выше в ветке viewtopic.php?t=812 имел ввиду про УЗО 63/0,3, отвечая на вопрос
elalex писал(а):Источник цитаты

oleinap писал(а):Источник цитаты вводной УЗО 63/0,3

Зачем он?
Аватара пользователя
oleinap
Сообщения: 138
Зарегистрирован: 13 май 2016, 12:07
Репутация: 5
Контактная информация:

Применение УЗМ-51 в автоматике частного дома

Сообщение oleinap » 20 май 2016, 13:11

elalex писал(а):Источник цитаты ..., никак не можете объяснить, зачем вводной С63 в ШР? Как по мне, напрасная трата денег и уменьшение надежности.
...

там не С63, а ВН-32 3-х полюсный как вводной стоит, просто как вводной рубильник для возможности оперативного отключения напряжения со всего распред шкафа
Аватара пользователя
elalex
Сообщения: 7423
Зарегистрирован: 21 июл 2015, 08:08
Репутация: 591
Откуда: [email protected]
Контактная информация:

Применение УЗМ-51 в автоматике частного дома

Сообщение elalex » 20 май 2016, 19:29

oleinap писал(а):Источник цитаты ВН-32 3-х полюсный как вводной стоит

Это не снимает вопрос: зачем нужен вводной аппарат в ШР? Оперативно отключить автоматом до счетчика или УЗО после него нельзя? Обязательно нужны дополнительные расходы и лишний элемент ненадежности?
Одиночный свободный электрик
Опыт ремонтов квартир 20лет
Высшее электрическое образование
Бывший инженер-электрик
Пенсионер
64 года
Пишу для владельцев частного жилья
Запасной E–mail для россиян: [email protected]
Аватара пользователя
Константин
Сообщения: 3464
Зарегистрирован: 16 сен 2015, 10:19
Репутация: 851
Откуда: Новосибирская область
Контактная информация:

Применение УЗМ-51 в автоматике частного дома

Сообщение Константин » 20 май 2016, 20:00

elalex писал(а):Источник цитаты Это не снимает вопрос: зачем нужен вводной аппарат в ШР?

Он нужен при необходимости снять всю нагрузку от потребителей распределенную по оперативной автоматике. А причины бывают разные. При выполнении ремонтных работ( замена аппаратов защиты или проводов) что бы не работать под напряжением, а снять напряжение именно в этом распределительном шкафе не обесточивая все здание выполняя коммутации на вводе. При возгораниях (аварии) в системе электропитания если даст отказ оперативный аппарат защиты у вас есть всегда возможность быстро снять напряжение в этом шкафу одним аппаратом не щелкая все например 60шт. Один из которых может и не выключаться, а тупо прикипеть часто такое встречалось на аппаратах TDM c тех пор эту Гадость не использую вовсе.
Аватара пользователя
oleinap
Сообщения: 138
Зарегистрирован: 13 май 2016, 12:07
Репутация: 5
Контактная информация:

Применение УЗМ-51 в автоматике частного дома

Сообщение oleinap » 23 май 2016, 10:52

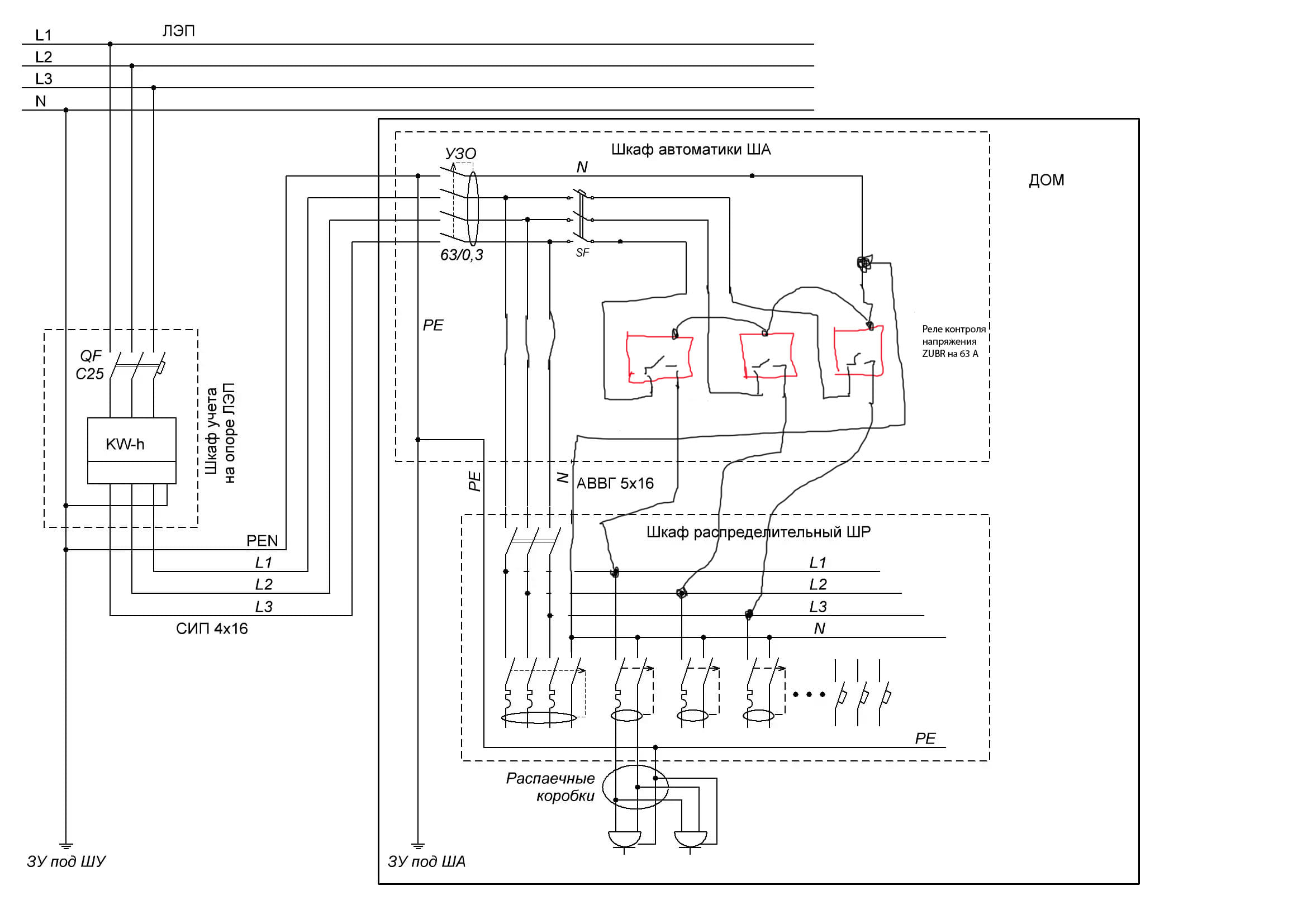
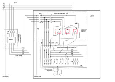
уважаемые форумчане, тему завел для выбора на что заменить реле напряжения РНПП-311.
Опять прилепляю схему питания частного дома от уличной ВЛ (Благодарю ealex-а за настойчивость). В шкаф автоматики заходит АВВГ 4х16 на ввод УЗО. В шкафу автоматики для выполнения требований 7.1.21 абзац 2 ПУЭ поставлено реле РНПП-311 и пускатель, на пускателе сделал размыкание в т.ч. и нейтрального проводника (по схеме 4 контакта впараллель). Со шкафа автоматики в распред шкаф ШР выходит АВВГ 5х16.
Выше в обсуждениях справедливо отмечали - при выходе напряжений одной фазы за пределы уставки РНПП отключает весь дом, в котором практически однофазные потребители.
вот еще вАпрос:
Если заменить РНПП на 3 однофазных реле РН-106 в каждую фазу, то что делать с нейтральным проводом? Получается, нейтральный проводник разрываться уже не будет, при перекосе напряжений из-за обрыва N во внешней цепи потенциал нейтрали может свободно гулять в треугольнике напряжений. А точка разделения входного PEN на N и PE дополнительно заземлена, тогда это заземление уже не даст потенциалу нейтрали свободно гулять?
Получается нейтральный проводник при наличии повторного заземления можно и не разрывать?
Вложения
общая схема ЛЭП-дом с ШУ, ША и ШР.JPG
Аватара пользователя
Восток
Сообщения: 850
Зарегистрирован: 30 янв 2016, 18:07
Репутация: 429
Контактная информация:

Применение УЗМ-51 в автоматике частного дома

Сообщение Восток » 23 май 2016, 11:21

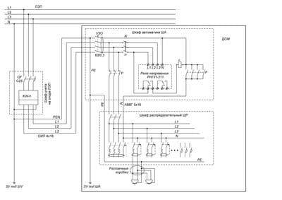
Поставьте три реле контроля напряжения ZUBR с регулировкой времени включения реле
Реле контроля напряжения.jpg
Аватара пользователя
elalex
Сообщения: 7423
Зарегистрирован: 21 июл 2015, 08:08
Репутация: 591
Откуда: [email protected]
Контактная информация:

Применение УЗМ-51 в автоматике частного дома

Сообщение elalex » 23 май 2016, 11:47

oleinap писал(а):Источник цитаты АВВГ

Думаю, алюминий в доме более опасен, чем его соединение с медью даже на улице.


oleinap писал(а):Источник цитаты на пускателе сделал размыкание в т.ч. и нейтрального проводника (по схеме 4 контакта впараллель)

Не страшно получить обрыв ноля внутри дома?


oleinap писал(а):Источник цитаты Получается, нейтральный проводник разрываться уже не будет, при перекосе напряжений из-за обрыва N во внешней цепи потенциал нейтрали может свободно гулять в треугольнике напряжений.

Что в этом страшного?


oleinap писал(а):Источник цитаты заземление

Какое оно у Вас? Если сильно малое, то ограничит гуляние нейтрали. Но Ваша нейтраль от столба до заземления сгорит. Заодно Ваше заземление может кого-то убить в Вашем доме.
Читали об опасности малого сопротивления заземления:
viewtopic.php?p=14773#p14773 ?


oleinap писал(а):Источник цитаты нейтральный проводник при наличии повторного заземления можно и не разрывать?

1.Играться с обрывом нейтрали при 3 фазах опасно. Лучше сделайте нейтраль в 2 раза толще фаз и не трогайте.
2.Так же как не стоит иметь при 3 фазах 3-фазное реле напряжения, так же не стоит иметь и 3-фазных автоматов и УЗО.
Одиночный свободный электрик
Опыт ремонтов квартир 20лет
Высшее электрическое образование
Бывший инженер-электрик
Пенсионер
64 года
Пишу для владельцев частного жилья
Запасной E–mail для россиян: [email protected]
Аватара пользователя
oleinap
Сообщения: 138
Зарегистрирован: 13 май 2016, 12:07
Репутация: 5
Контактная информация:

Применение УЗМ-51 в автоматике частного дома

Сообщение oleinap » 23 май 2016, 12:02

Восток, elalex,
я выше отметил абзац 2 п. 7.1.21 ПУЭ,
При питании однофазных потребителей от многофазной питающей сети ответвлениями от воздушных линий, когда РЕN проводник воздушной линии является общим для групп однофазных потребителей, питающихся от разных фаз, рекомендуется предусматривать защитное отключение потребителей при превышении напряжения выше допустимого, возникающего из-за несимметрии нагрузки при обрыве РЕN проводника. Отключение должно производиться на вводе в здание, например воздействием на независимый расцепитель вводного автоматического выключателя посредством реле максимального напряжения, при этом должны отключаться как фазный (L), так и нулевой рабочий (N) проводники.
меня заинтересовало выделенное
Аватара пользователя
oleinap
Сообщения: 138
Зарегистрирован: 13 май 2016, 12:07
Репутация: 5
Контактная информация:

Применение УЗМ-51 в автоматике частного дома

Сообщение oleinap » 23 май 2016, 12:24

elalex писал(а):Источник цитаты
oleinap писал(а):Источник цитаты на пускателе сделал размыкание в т.ч. и нейтрального проводника (по схеме 4 контакта впараллель)

Не страшно получить обрыв ноля внутри дома?

изоляция кабелей-розеток- и др оборудования нормальная, если нейтраль оторвалась (отгорела), то просто перестанет что-то работать от розетки или светильник не будет гореть. Корпуса металлические грелок, светильников, плиты ч-з провода РЕ в кабелях имеют связь с местным ЗУ и проводом PEN в шкафу автоматики. Поэтому на корпусах опасных прикосновений не будет

elalex писал(а):Источник цитаты
oleinap писал(а):Источник цитаты Получается, нейтральный проводник разрываться уже не будет, при перекосе напряжений из-за обрыва N во внешней цепи потенциал нейтрали может свободно гулять в треугольнике напряжений.

Что в этом страшного?

выше приводил цитату ПУЭ
...при этом должны отключаться как фазный (L), так и нулевой рабочий (N) проводники.

elalex писал(а):Источник цитаты
oleinap писал(а):Источник цитаты заземление

Какое оно у Вас? Если сильно малое, то ограничит гуляние нейтрали. Но Ваша нейтраль от столба до заземления сгорит. Заодно Ваше заземление может кого-то убить в Вашем доме.
Читали об опасности малого сопротивления заземления:
viewtopic.php?p=14773#p14773 ?

больше понравилось вот это объяснение
viewtopic.php?p=3359#p3359

elalex писал(а):Источник цитаты
oleinap писал(а):Источник цитаты нейтральный проводник при наличии повторного заземления можно и не разрывать?

1.Играться с обрывом нейтрали при 3 фазах опасно.

если PEN-провод отгорит в ТП-ухе или где на столбах, то вот и играйся, для этого и сделал реле напряжения с пускателем
elalex писал(а):Источник цитатыЛучше сделайте нейтраль в 2 раза толще фаз и не трогайте.

уже СИП висит 4 года и увеличивать сечение отдельно PEN-провода не будем
Аватара пользователя
elalex
Сообщения: 7423
Зарегистрирован: 21 июл 2015, 08:08
Репутация: 591
Откуда: [email protected]
Контактная информация:

Применение УЗМ-51 в автоматике частного дома

Сообщение elalex » 23 май 2016, 12:25

oleinap писал(а):Источник цитаты при этом должны отключаться как фазный (L), так и нулевой рабочий (N) проводники.

Это имеет смысл в TN-C-S до места разделения PEN у потребителя. После разделения, как у Вас, отключение N теряет смысл.
Одиночный свободный электрик
Опыт ремонтов квартир 20лет
Высшее электрическое образование
Бывший инженер-электрик
Пенсионер
64 года
Пишу для владельцев частного жилья
Запасной E–mail для россиян: [email protected]
Аватара пользователя
oleinap
Сообщения: 138
Зарегистрирован: 13 май 2016, 12:07
Репутация: 5
Контактная информация:

Применение УЗМ-51 в автоматике частного дома

Сообщение oleinap » 23 май 2016, 12:36

elalex писал(а):Источник цитаты
oleinap писал(а):Источник цитаты при этом должны отключаться как фазный (L), так и нулевой рабочий (N) проводники.

Это имеет смысл в TN-C-S до места разделения PEN у потребителя. После разделения, как у Вас, отключение N теряет смысл.

значит это открывает возможность использования 3-х однофазных реле напряжения.

Благодарю за пояснения!
Аватара пользователя
elalex
Сообщения: 7423
Зарегистрирован: 21 июл 2015, 08:08
Репутация: 591
Откуда: [email protected]
Контактная информация:

Применение УЗМ-51 в автоматике частного дома

Сообщение elalex » 23 май 2016, 13:11

oleinap писал(а):Источник цитаты просто перестанет что-то работать от розетки или светильник не будет гореть

Вы не знаете 2 опасностей обрыва ноля:
1.Напряжение на группах резко уходит от 220В, вплоть от 0 до 380В. Как думаете, в доме ничего не сгорит?
2.При TN-C-S на всех корпусах появляется опасный потенциал. Величина потенциала сильно зависит от нагрузок и заземления.


oleinap писал(а):Источник цитаты связь с местным ЗУ

Вы считаете заземление панацеей? Не читали:
Об иллюзорности заземления, как основного средства защиты
viewtopic.php?t=604
Какое напряжение будет на РЕ при обрыве ноля?


oleinap писал(а):Источник цитаты выше приводил цитату ПУЭ

Вы только цитируете ПУЭ или еще и объясняете опасности?


oleinap писал(а):Источник цитаты вот это объяснение

1.А это объяснение чего?
2.То, что я написал - правда или неправда?


oleinap писал(а):Источник цитаты Играться с обрывом нейтрали при 3 фазах опасно.

Если нейтраль оборвется в доме после реле напряжения, что будет?


oleinap писал(а):Источник цитаты СИП висит 4 года и увеличивать сечение отдельно PEN-провода не будем

1.Увеличивать имеет смысл там, где несложно. Короткие участки общего ноля трех фаз в щитах, например.
2.Не помню в деталях, что, как и почему там у Вас, но делать отдельно ЩА и ЩР не вижу смысла. Сечения медь 4кв. из и после счетчика было бы вполне достаточно.
Зачем было вести в дом СИП? Подземной линией медным кабелем в пластмассовой трубе.
Одиночный свободный электрик
Опыт ремонтов квартир 20лет
Высшее электрическое образование
Бывший инженер-электрик
Пенсионер
64 года
Пишу для владельцев частного жилья
Запасной E–mail для россиян: [email protected]
Аватара пользователя
oleinap
Сообщения: 138
Зарегистрирован: 13 май 2016, 12:07
Репутация: 5
Контактная информация:

Применение УЗМ-51 в автоматике частного дома

Сообщение oleinap » 23 май 2016, 14:27

elalex писал(а):Источник цитаты
oleinap писал(а):Источник цитаты просто перестанет что-то работать от розетки или светильник не будет гореть

Вы не знаете 2 опасностей обрыва ноля:
1.Напряжение на группах резко уходит от 220В, вплоть от 0 до 380В. Как думаете, в доме ничего не сгорит?

вот для этого в ША сработает реле напряжения и отключит в существующем варианте все фазы вместе с нейтралью, как цитировал выше ПУЭ.

elalex писал(а):Источник цитаты
oleinap писал(а):Источник цитаты СИП висит 4 года и увеличивать сечение отдельно PEN-провода не будем

1.Увеличивать имеет смысл там, где несложно. Короткие участки общего ноля трех фаз в щитах, например.
2.Не помню в деталях, что, как и почему там у Вас, но делать отдельно ЩА и ЩР не вижу смысла. Сечения медь 4кв. из и после счетчика было бы вполне достаточно. ....

в один шкаф было не поместить
Аватара пользователя
oleinap
Сообщения: 138
Зарегистрирован: 13 май 2016, 12:07
Репутация: 5
Контактная информация:

Применение УЗМ-51 в автоматике частного дома

Сообщение oleinap » 23 май 2016, 14:36

elalex писал(а):Источник цитаты

oleinap писал(а):Источник цитаты Играться с обрывом нейтрали при 3 фазах опасно.

Если нейтраль оборвется в доме после реле напряжения, что будет?....

следим, чтобы не оборвалась. Для жилы 16 кв мм ток, который может вызвать отгорание при хорошо затянутых контактах, будет больше 60 А. При всей разрешенной мощности дома 15 кВт такого тока нейтрали не будет.
При создании условий растекания больших токов по заземляющим устройствам от ТП-ухи первое ЗУ у опоры уличной ЛЭП возьмет бОльший ток, в доме ЗУ под ША достанется меньший
Аватара пользователя
elalex
Сообщения: 7423
Зарегистрирован: 21 июл 2015, 08:08
Репутация: 591
Откуда: [email protected]
Контактная информация:

Применение УЗМ-51 в автоматике частного дома

Сообщение elalex » 23 май 2016, 15:00

oleinap писал(а):Источник цитаты следим

Не уследите. Нужны машины, а не люди.


oleinap писал(а):Источник цитаты ток, который может вызвать отгорание при хорошо затянутых контактах, будет больше 60 А.

1.Алюминиевые жилы хорошо затянутыми не бывают. Кто их поджимает каждые 6 месяцев?
2.Для отгорания большого тока не требуется. Достаточно плохого контакта.
3.Вы поставили человеку не нормальную медь, а дерьмо.


oleinap писал(а):Источник цитаты При создании условий растекания больших токов по заземляющим устройствам от ТП-ухи первое ЗУ у опоры уличной ЛЭП возьмет бОльший ток, в доме ЗУ под ША достанется меньший

Токи по земле делятся по заземлениям в зависимости от их сопротивления, а не расстояния от ТП.
Например, чисто теоретически: сеть ВЛ имеет сопротивление заземления (без потребителей) 10 Ом, а у потребителя 2 ома и на ноле 220В.
-Какой ток идет по PEN потребителя?
-Какой потенциал на РЕ потребителя?
Одиночный свободный электрик
Опыт ремонтов квартир 20лет
Высшее электрическое образование
Бывший инженер-электрик
Пенсионер
64 года
Пишу для владельцев частного жилья
Запасной E–mail для россиян: [email protected]
Аватара пользователя
elalex
Сообщения: 7423
Зарегистрирован: 21 июл 2015, 08:08
Репутация: 591
Откуда: [email protected]
Контактная информация:

Применение УЗМ-51 в автоматике частного дома

Сообщение elalex » 23 май 2016, 15:07

oleinap писал(а):Источник цитаты в один шкаф было не поместить

ЩРв-72з-3 36 УХЛ3 IP31 TREND
www.iek.ru/products/catalog/detail.php?ID=244012
Хватило бы?
Одиночный свободный электрик
Опыт ремонтов квартир 20лет
Высшее электрическое образование
Бывший инженер-электрик
Пенсионер
64 года
Пишу для владельцев частного жилья
Запасной E–mail для россиян: [email protected]
Аватара пользователя
oleinap
Сообщения: 138
Зарегистрирован: 13 май 2016, 12:07
Репутация: 5
Контактная информация:

Применение УЗМ-51 в автоматике частного дома

Сообщение oleinap » 23 май 2016, 16:15

elalex писал(а):Источник цитаты
oleinap писал(а):Источник цитаты в один шкаф было не поместить

ЩРв-72з-3 36 УХЛ3 IP31 TREND
http://www.iek.ru/products/catalog/detail.php?ID=244012
Хватило бы?

распред шкаф имеет 3 линейки аппаратов, и все забиты.
Шкаф автоматики - шкаф с монтажной панелью, пускатель в ШР не встает под фальшпанель


  • Реклама

Вернуться в «Контакторы, пускатели, реле, датчики, кнопки и т.п.»

Кто сейчас на конференции

Сейчас этот форум просматривают: нет зарегистрированных пользователей и 7 гостей