АВР генератора для 3-х фаз ЗЭСБ-5500-ЭНА

Выбор и схемы подключения контакторов, пускателей, реле, различных датчиков, кнопок управления, переключателей и т.п.
Аватара пользователя
TOPMO3
Сообщения: 4181
Зарегистрирован: 29 фев 2016, 10:37
Репутация: 626
Откуда: Ижевск
Контактная информация:

АВР генератора для 3-х фаз ЗЭСБ-5500-ЭНА

Сообщение TOPMO3 » 26 ноя 2016, 18:11

Прежде чем читать дальше, запомнить!!! :smile:
На схемах элементы рисуются/чертятся ... в состоянии, когда на них нет напряжения!
quick13 писал(а):Источник цитаты Что бы генератор не запускался на контактах 1и2 должно быть напряжение,
Прально ... катушка РВ подключена напрямую к контролируемой фазе (контактами 2 и 7), т.е. если в сети есть напряжение РВ включено, соответственно его переключатель (контакты 8,5 и 6) будет находиться в положении 8-6, т.е. на вход 2(ATS) - придет напруга.
А пока его нет (РВ выключено) - его контакты разомкнуты.
Соответственно работает моментальный переключатель в цепи управления КМ2.
Короче ... считайте что данная схема показывает ситуацию, когда пропала сеть, но генератор, еще не успел запустится.
Смеюсь последний ... тормоз однако!
Реклама
Аватара пользователя
TOPMO3
Сообщения: 4181
Зарегистрирован: 29 фев 2016, 10:37
Репутация: 626
Откуда: Ижевск
Контактная информация:

АВР генератора для 3-х фаз ЗЭСБ-5500-ЭНА

Сообщение TOPMO3 » 26 ноя 2016, 18:16

У Вас есть вариант ... проделать один эксперимент, в результате которого, возможно выяснится, что никакого реле времени не надо.
Но я не знаю Ваших возможностей и подготовленности. :pardon:
Смеюсь последний ... тормоз однако!
Аватара пользователя
TOPMO3
Сообщения: 4181
Зарегистрирован: 29 фев 2016, 10:37
Репутация: 626
Откуда: Ижевск
Контактная информация:

АВР генератора для 3-х фаз ЗЭСБ-5500-ЭНА

Сообщение TOPMO3 » 26 ноя 2016, 18:25

TOPMO3 писал(а):Источник цитаты У Вас есть вариант ... проделать один эксперимент, в результате которого, возможно выяснится, что никакого реле времени не надо.
Но я не знаю Ваших возможностей и подготовленности. :pardon:

Если помните , выше я писал о задержках срабатываний, которые определились по выложенному Вами видео.
Но там никак не определилось время, которое проходит между ... моментом появления сети и моментом переключения внутреннего контактора.
Если это время не меньше 5-6 секунд ... можно реле времени не искать.
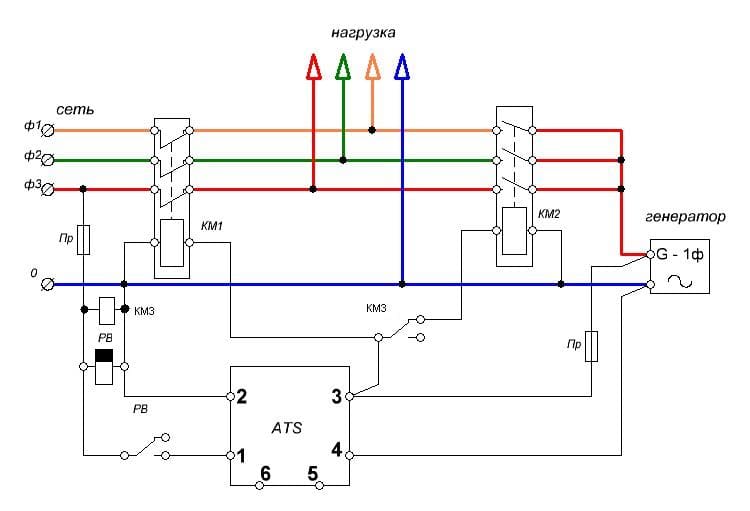
Вот схема, по которой можно (без рисков) определить это время. :biggrin:
Вложения
3.jpg
Смеюсь последний ... тормоз однако!
Аватара пользователя
quick13
Сообщения: 42
Зарегистрирован: 08 ноя 2016, 15:28
Репутация: 2
Контактная информация:

АВР генератора для 3-х фаз ЗЭСБ-5500-ЭНА

Сообщение quick13 » 28 ноя 2016, 17:15

TOPMO3 писал(а):Прежде чем читать дальше, запомнить!!! :smile:
На схемах элементы рисуются/чертятся ... в состоянии, когда на них нет напряжения!
quick13 писал(а):Источник цитаты Что бы генератор не запускался на контактах 1и2 должно быть напряжение,
Прально ... катушка РВ подключена напрямую к контролируемой фазе (контактами 2 и 7), т.е. если в сети есть напряжение РВ включено, соответственно его переключатель (контакты 8,5 и 6) будет находиться в положении 8-6, т.е. на вход 2(ATS) - придет напруга.
А пока его нет (РВ выключено) - его контакты разомкнуты.
Соответственно работает моментальный переключатель в цепи управления КМ2.
Короче ... считайте что данная схема показывает ситуацию, когда пропала сеть, но генератор, еще не успел запустится.


В том то и дело, когда нет сети схема работает, но вот когда сеть есть: контакты реле в положении 8-6, контакты ATS 2-5 и 1-6 соединены через 2НЗ внутреннего контактора, КЗ ноля и фазы.
Аватара пользователя
quick13
Сообщения: 42
Зарегистрирован: 08 ноя 2016, 15:28
Репутация: 2
Контактная информация:

АВР генератора для 3-х фаз ЗЭСБ-5500-ЭНА

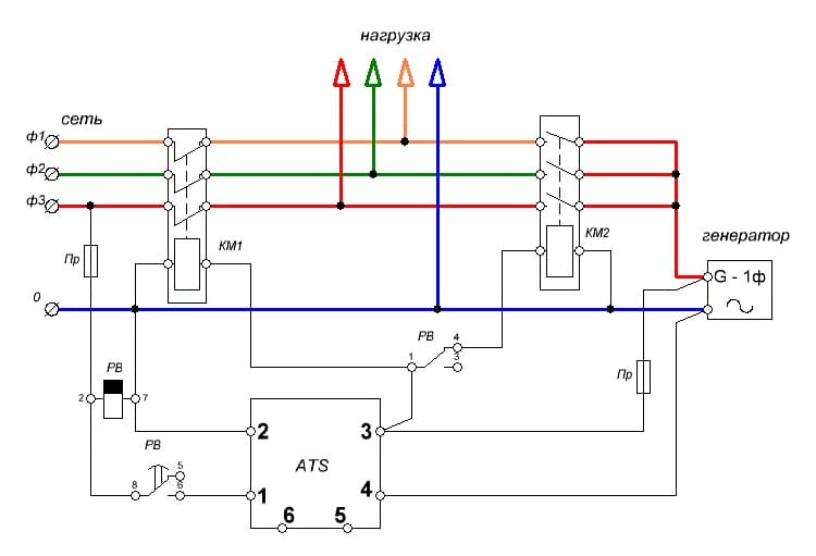
Сообщение quick13 » 28 ноя 2016, 22:36

quick13 писал(а):Источник цитаты В том то и дело, когда нет сети схема работает, но вот когда сеть есть: контакты реле в положении 8-6, контакты ATS 2-5 и 1-6 соединены через 2НЗ внутреннего контактора, КЗ ноля и фазы.


Или просто от генератора берем только фазу к блоку ATS, 5й контакт.

Так:
Вложения
4_new.jpg
Аватара пользователя
quick13
Сообщения: 42
Зарегистрирован: 08 ноя 2016, 15:28
Репутация: 2
Контактная информация:

АВР генератора для 3-х фаз ЗЭСБ-5500-ЭНА

Сообщение quick13 » 28 ноя 2016, 23:42

даже вот так правильнее, будет работать индикация на блоке ATS, проверьте, я прав?
Вложения
4_new.jpg
Аватара пользователя
TOPMO3
Сообщения: 4181
Зарегистрирован: 29 фев 2016, 10:37
Репутация: 626
Откуда: Ижевск
Контактная информация:

АВР генератора для 3-х фаз ЗЭСБ-5500-ЭНА

Сообщение TOPMO3 » 29 ноя 2016, 09:53

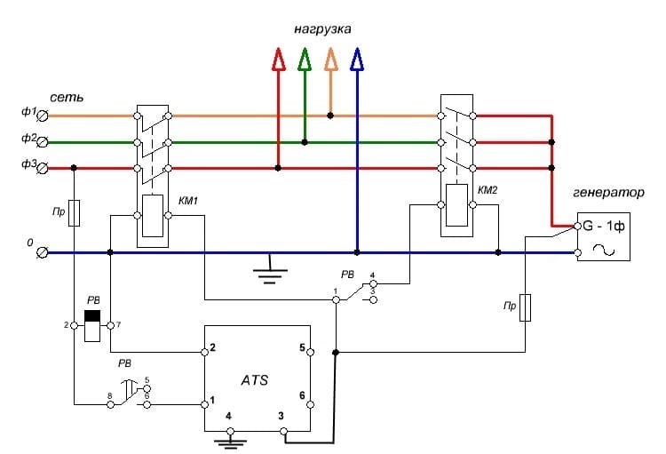
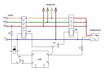
СЕТЬ (1,2)
ГЕНЕРАТОР (3,4)
НАГРУЗКА (5,6)
quick13 писал(а):Источник цитатыВ том то и дело, когда нет сети схема работает, но вот когда сеть есть: контакты реле в положении 8-6, контакты ATS 2-5 и 1-6 соединены через 2НЗ внутреннего контактора, КЗ ноля и фазы.
Я Вас не понял было ... ошарашен был ... какое КЗ?!!!
Оказалось, что на схеме поменялись местами (не знаю в какой момент) цифирки, контактов ATS. :pardon:
4.jpg

1. НЗ_контакты (внутреннего контактора) - соединяют сеть с нагрузкой ... т.е. 1-5 и 2-6 (ATS) ;
2. НО_контакты (внутреннего контактора) - соединяют генератор с нагрузкой ... 3-5 и 4-6 (ATS), когда включится.
Друг с другом, сетевое напряжение с напряжением генератора ... физически, не могут встретиться!

з.ы. Есть мнение ... вааще его оттуда убрать и применить в народном хозяйстве на других фронтах. :biggrin:
Последний раз редактировалось TOPMO3 29 ноя 2016, 21:48, всего редактировалось 1 раз.
Смеюсь последний ... тормоз однако!
Аватара пользователя
quick13
Сообщения: 42
Зарегистрирован: 08 ноя 2016, 15:28
Репутация: 2
Контактная информация:

АВР генератора для 3-х фаз ЗЭСБ-5500-ЭНА

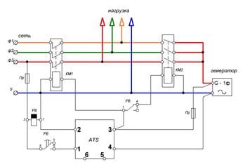
Сообщение quick13 » 29 ноя 2016, 13:25

Наконец-то вот он! Консенсус! :good:

TOPMO3, Осталось у меня реле включения и контактор 2НО+2НЗ, может их использовать и не покупать еще одно реле?

И еще вопрос: Если завести генератор(для проверки или случайно(есть кнопочка на ATS)), то просто включится КМ1 и отключит сеть, верно?

Так:
best_new.JPG
Аватара пользователя
TOPMO3
Сообщения: 4181
Зарегистрирован: 29 фев 2016, 10:37
Репутация: 626
Откуда: Ижевск
Контактная информация:

АВР генератора для 3-х фаз ЗЭСБ-5500-ЭНА

Сообщение TOPMO3 » 29 ноя 2016, 18:10

quick13 писал(а):Источник цитатыОсталось у меня реле включения и контактор 2НО+2НЗ, может их использовать и не покупать еще одно реле?
Не совсем понял ... без реле времени что ли?
И еще вопрос: Если завести генератор(для проверки или случайно(есть кнопочка на ATS)), то просто включится КМ1 и отключит сеть, верно?
По идее КМ1 должен отключить сеть, но у нас нет схемы ATS и неизвестна правдивая логика работы ... даст ли блок завести? Сеть должна имеет приоритет ... но что там китайцы придумали в действительности, я не знаю.
Должна быть возможность заводить ... разберитесь по инструкции.
Так:
best_new.JPG
Вариант ... если не сможете купить реле времени с двумя переключающими контактами.
Счетчик будет крутить не одну катушку, а два ... :wink:
Смеюсь последний ... тормоз однако!
Аватара пользователя
quick13
Сообщения: 42
Зарегистрирован: 08 ноя 2016, 15:28
Репутация: 2
Контактная информация:

АВР генератора для 3-х фаз ЗЭСБ-5500-ЭНА

Сообщение quick13 » 29 ноя 2016, 18:31

TOPMO3 писал(а):Источник цитаты Не совсем понял ... без реле времени что ли?

Не корректно выразился.
Есть реле времени с задержкой включения. И есть контактор с нормально замкнутым контактом.

Можно их использовать вместо одного 2х режимного реле? Питая их так же от линии.

Т.е. при появление напруги сети, КМ3 сразу отключит КМ2, реле времени даст от 10сек задержку на подачу линии на ATS.
Аватара пользователя
TOPMO3
Сообщения: 4181
Зарегистрирован: 29 фев 2016, 10:37
Репутация: 626
Откуда: Ижевск
Контактная информация:

АВР генератора для 3-х фаз ЗЭСБ-5500-ЭНА

Сообщение TOPMO3 » 29 ноя 2016, 18:33

quick13 писал(а):Источник цитаты
TOPMO3 писал(а):Источник цитаты Не совсем понял ... без реле времени что ли?

Не корректно выразился.
Есть реле времени с задержкой включения. И есть контактор с нормально замкнутым контактом.

Можно их использовать вместо одного 2х режимного реле? Питая их так же от линии.

Т.е. при появление напруги сети, КМ3 сразу отключит КМ2, реле времени даст от 10сек задержку на подачу линии на ATS.
Можно. :yes:
Смеюсь последний ... тормоз однако!
Аватара пользователя
quick13
Сообщения: 42
Зарегистрирован: 08 ноя 2016, 15:28
Репутация: 2
Контактная информация:

АВР генератора для 3-х фаз ЗЭСБ-5500-ЭНА

Сообщение quick13 » 29 ноя 2016, 18:37

TOPMO3 писал(а):Источник цитаты Счетчик будет крутить не одну катушку, а два ... :wink:


Имеете ввиду две обмотки питать надо? Тьфу на них:) Рядом не купить... Дорога за этим реле и время за 5 лет не окупятся:)
Аватара пользователя
TOPMO3
Сообщения: 4181
Зарегистрирован: 29 фев 2016, 10:37
Репутация: 626
Откуда: Ижевск
Контактная информация:

АВР генератора для 3-х фаз ЗЭСБ-5500-ЭНА

Сообщение TOPMO3 » 29 ноя 2016, 21:16

quick13 писал(а):Источник цитаты
TOPMO3 писал(а):Источник цитаты Счетчик будет крутить не одну катушку, а два ... :wink:


Имеете ввиду две обмотки питать надо? Тьфу на них:) Рядом не купить... Дорога за этим реле и время за 5 лет не окупятся:)
Вариант - заказ, не смотрели?
Смеюсь последний ... тормоз однако!
Аватара пользователя
TOPMO3
Сообщения: 4181
Зарегистрирован: 29 фев 2016, 10:37
Репутация: 626
Откуда: Ижевск
Контактная информация:

АВР генератора для 3-х фаз ЗЭСБ-5500-ЭНА

Сообщение TOPMO3 » 29 ноя 2016, 21:51

А могет вааще не нужно ... реле времени? :biggrin:
viewtopic.php?p=24008#p24008
Смеюсь последний ... тормоз однако!
Аватара пользователя
quick13
Сообщения: 42
Зарегистрирован: 08 ноя 2016, 15:28
Репутация: 2
Контактная информация:

АВР генератора для 3-х фаз ЗЭСБ-5500-ЭНА

Сообщение quick13 » 29 ноя 2016, 21:58

В том то и дело что они уже есть:) РВ для страховки не повредит!
Аватара пользователя
quick13
Сообщения: 42
Зарегистрирован: 08 ноя 2016, 15:28
Репутация: 2
Контактная информация:

АВР генератора для 3-х фаз ЗЭСБ-5500-ЭНА

Сообщение quick13 » 12 дек 2016, 15:44

Все успешно установлено, работает, реле времени лучше ставить(или не ставить вообще) на включение нагрузки, т.е. На включение КМ2.
При появление напруги, блок сам дает задержку примерно 3-4 сек. :good: :good:
PS
Первый предохранитель(слева на схеме) не нужен! Второй уже стоит в блоке.
Аватара пользователя
TOPMO3
Сообщения: 4181
Зарегистрирован: 29 фев 2016, 10:37
Репутация: 626
Откуда: Ижевск
Контактная информация:

АВР генератора для 3-х фаз ЗЭСБ-5500-ЭНА

Сообщение TOPMO3 » 12 дек 2016, 20:34

quick13 писал(а):Источник цитаты Все успешно установлено, работает, реле времени лучше ставить(или не ставить вообще) на включение нагрузки, т.е. На включение КМ2.
При появление напруги, блок сам дает задержку примерно 3-4 сек. :good: :good:
Вы не путаете?
КМ2 выключается без задержки ... с задержкой выключается КМ1 (т.е. подключает сеть).
Блок выдает один сигнал, а контакторов два ... объединять их нельзя - одновременное срабатывание - КЗ.
Без реле тут никак. :pardon:
Смеюсь последний ... тормоз однако!
Аватара пользователя
quick13
Сообщения: 42
Зарегистрирован: 08 ноя 2016, 15:28
Репутация: 2
Контактная информация:

АВР генератора для 3-х фаз ЗЭСБ-5500-ЭНА

Сообщение quick13 » 12 дек 2016, 21:42

Имел ввиду РВ на задержку включения КМ2 после запуска генератора, чтобы он поработал немного в холостую.
Аватара пользователя
TOPMO3
Сообщения: 4181
Зарегистрирован: 29 фев 2016, 10:37
Репутация: 626
Откуда: Ижевск
Контактная информация:

АВР генератора для 3-х фаз ЗЭСБ-5500-ЭНА

Сообщение TOPMO3 » 13 дек 2016, 09:22

quick13 писал(а):Источник цитаты Имел ввиду РВ на задержку включения КМ2 после запуска генератора, чтобы он поработал немного в холостую.
Думаю это можно сделать, а сколько времени, Вы считаете, нужно на прогрев?
На данный момент, контакторы получают сигнал на включение одновременно, а по идее лучше было бы, если бы сетевой включался раньше.
Тогда "убежали" бы от теоретической опасности, появления сети во время рабочих задержек блока.
Смеюсь последний ... тормоз однако!
ПАВ
Сообщения: 7647
Зарегистрирован: 13 авг 2015, 19:54
Репутация: 923
Откуда: Одесса
Контактная информация:

АВР генератора для 3-х фаз ЗЭСБ-5500-ЭНА

Сообщение ПАВ » 13 дек 2016, 09:31

До подключения нагрузки я свой БГ грею в холод хотя-бы секунд тридцать, он хоть и воздушного охлаждения, но небольшой прогрев не вредит. Летом- секунд 10.
В жизни все не так, как на самом деле...


  • Реклама

Вернуться в «Контакторы, пускатели, реле, датчики, кнопки и т.п.»

Кто сейчас на конференции

Сейчас этот форум просматривают: нет зарегистрированных пользователей и 8 гостей