Резервное электроснабжение коттеджа однофазной бензоэлекторостанцией

Выбор, установка, подключение, схемы пуска, проблемы эксплуатации и т.п.
Аватара пользователя
aleksey.RU
Сообщения: 1397
Зарегистрирован: 12 сен 2022, 15:17
Репутация: 137
Откуда: СССР
Контактная информация:

Резервное электроснабжение коттеджа однофазной бензоэлекторостанцией

Сообщение aleksey.RU » 25 сен 2022, 18:29

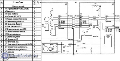
Снимок.JPG

Вот витимо здесь и причина
А здесь вообще показано все соединения на корпус
Shema-generatora-500x257.jpg
Тот, кто пытается использовать методы, не зная принципов, обречен на неудачу
Реклама
ПАВ
Сообщения: 7647
Зарегистрирован: 13 авг 2015, 19:54
Репутация: 923
Откуда: Одесса
Контактная информация:

Резервное электроснабжение коттеджа однофазной бензоэлекторостанцией

Сообщение ПАВ » 25 сен 2022, 18:43

Показаны соединения вторичных цепей с корпусом, никак не связанных с напряжением 220 вольт! Естественно, корпус собственно генератоа должен иметь соединение с рамой, та, в свою очередь- с клеммой заземления, и только.
В жизни все не так, как на самом деле...
Аватара пользователя
aleksey.RU
Сообщения: 1397
Зарегистрирован: 12 сен 2022, 15:17
Репутация: 137
Откуда: СССР
Контактная информация:

Резервное электроснабжение коттеджа однофазной бензоэлекторостанцией

Сообщение aleksey.RU » 25 сен 2022, 18:51

ПАВ, понимаете, всё это условно, как не печально.
Будучи студентом, я тоже надеялся, что китайский блок питания = советский, т.е с трансформатором из первичной и вторичной обмотки.
Моя вера закончилась с кончиной портативного приемника, которой коснулся холодильника антеной. Оказалось, блок питания намотан по типу латра и на антену приёмника ппопала фаза. Результат - потроха приемника превратились в сургуч
Тот, кто пытается использовать методы, не зная принципов, обречен на неудачу
Аватара пользователя
aleksey.RU
Сообщения: 1397
Зарегистрирован: 12 сен 2022, 15:17
Репутация: 137
Откуда: СССР
Контактная информация:

Резервное электроснабжение коттеджа однофазной бензоэлекторостанцией

Сообщение aleksey.RU » 25 сен 2022, 18:56

Самая крутая книга по ремонту - Гемке Р.Г. Неисправности электрических машин (1989)
https://www.studmed.ru/gemke-rg-neispravnosti-elektricheskih-mashin-1989_4a5400522dc.html
Тот, кто пытается использовать методы, не зная принципов, обречен на неудачу
ПАВ
Сообщения: 7647
Зарегистрирован: 13 авг 2015, 19:54
Репутация: 923
Откуда: Одесса
Контактная информация:

Резервное электроснабжение коттеджа однофазной бензоэлекторостанцией

Сообщение ПАВ » 25 сен 2022, 19:18

...минуттточку!...(с)- мы о чем_ о штатном, нормальном режиме работы/подключения БГ/ДГ, или об их неисправностях говорили?
А про приемник- трогательно, но в приемнике антенна= входные цепи, всегда имеют конденсаторы последовательно с антенной и далее в схеме, опять же- нет прямой гальванической связи антенны с корпусом, если он только не из жестянки сделан. И последнее- фаза откуда попала?
В жизни все не так, как на самом деле...
Аватара пользователя
aleksey.RU
Сообщения: 1397
Зарегистрирован: 12 сен 2022, 15:17
Репутация: 137
Откуда: СССР
Контактная информация:

Резервное электроснабжение коттеджа однофазной бензоэлекторостанцией

Сообщение aleksey.RU » 25 сен 2022, 19:32

ПАВ писал(а):Источник цитаты фаза откуда попала?

Я уже устал вам все разжевывать. Я чувствую, что не слышали о пробое диэлектрика, величине зазора и номинальном напряжении элемента, а так же слово "латр" прочитали мимо. :cool:
Скажите, что вы подразумеваете под выражением "обмотка вышла из строя"?
1.)ушла очень далеко
2.)не прозванивается тестором
3.)вышла с черным дымом
Я так понял вы чисто монтажник
Тот, кто пытается использовать методы, не зная принципов, обречен на неудачу
ПАВ
Сообщения: 7647
Зарегистрирован: 13 авг 2015, 19:54
Репутация: 923
Откуда: Одесса
Контактная информация:

Резервное электроснабжение коттеджа однофазной бензоэлекторостанцией

Сообщение ПАВ » 26 сен 2022, 09:44

Не надо разжовывать, надо отвечать на конкретные вопросы прямо, а не переходами на другие проблемы, в т.ч. и сторонние.
И монтажник, и ремонтник, и инженер связи, и электрик с допуском до 10000 вольт. Поэтому про ЛАТРы и радиоприемники- не надо.
В жизни все не так, как на самом деле...
Аватара пользователя
aleksey.RU
Сообщения: 1397
Зарегистрирован: 12 сен 2022, 15:17
Репутация: 137
Откуда: СССР
Контактная информация:

Резервное электроснабжение коттеджа однофазной бензоэлекторостанцией

Сообщение aleksey.RU » 26 сен 2022, 10:07

Ну вот и ответте,
aleksey.RU писал(а):Источник цитаты 1.)ушла очень далеко
2.)не прозванивается тестором
3.)вышла с черным дымом

Как вы диагностировали неисправность?
А я вам уже ответил почему я сделал именно так. Не поняли, перечитайте, пока не поймете
Тот, кто пытается использовать методы, не зная принципов, обречен на неудачу
ПАВ
Сообщения: 7647
Зарегистрирован: 13 авг 2015, 19:54
Репутация: 923
Откуда: Одесса
Контактная информация:

Резервное электроснабжение коттеджа однофазной бензоэлекторостанцией

Сообщение ПАВ » 26 сен 2022, 11:46

Как? Просто- на выводных клеммах силовой обмотки тестЕр показал бесконечность, вскрытие при перемотке подтвердило диагноз. При этом пострадали и две другие обмотки. Перемотка и замена в РЩ переключателя на 4-хполюсный и работа в течении 5 лет доказала правоту.
Автотрансформатор- разновидность обычного трансформатора, в котором часть обмотки есть и первичная, и вторичная. Применяется в случае, когда НЕ требуется гальваническая развязка между сетью и потребителем и желаении сэкономить на медном проводе и массе.
Применение авторансформатора в быту, в любом исполнении, есть прямая дорога к премии Дарвина высшей категории и на кладбище.
ЛАТР- Лабораторный авторансформатор, позволяющий изменять выходное напряжение, либо ступенчато, либо плавно, и только. Связь с первичной сетью сохраняется, опасность тоже.
В жизни все не так, как на самом деле...
Аватара пользователя
aleksey.RU
Сообщения: 1397
Зарегистрирован: 12 сен 2022, 15:17
Репутация: 137
Откуда: СССР
Контактная информация:

Резервное электроснабжение коттеджа однофазной бензоэлекторостанцией

Сообщение aleksey.RU » 26 сен 2022, 11:56

Жестко. Не пытались выяснить для себя. в чем могла быть причина? Я понимаю, что времени, как всегда у нас мало
В моем случае, на котле стояла какая то схема контроля напряжения относительно земли. По другому гарантированно ни как не запустить котел. Смонтировали, пару раз запустили, а через два месяца ездили переделывали ноль. Я тоже думал, что у заказчика крыша поехала. Век живи - век учись.
ПАВ, без обид, думал дичь, извините
Тот, кто пытается использовать методы, не зная принципов, обречен на неудачу
ПАВ
Сообщения: 7647
Зарегистрирован: 13 авг 2015, 19:54
Репутация: 923
Откуда: Одесса
Контактная информация:

Резервное электроснабжение коттеджа однофазной бензоэлекторостанцией

Сообщение ПАВ » 26 сен 2022, 13:51

Проехали.
Некоторые котлы, в частности Виссман, критически смотрят на форму какбысинусоиды от генераторов и некоторых ИБП. А что она, как и в розетке, не совсем синусоида, известно давно.
В жизни все не так, как на самом деле...
Аватара пользователя
aleksey.RU
Сообщения: 1397
Зарегистрирован: 12 сен 2022, 15:17
Репутация: 137
Откуда: СССР
Контактная информация:

Резервное электроснабжение коттеджа однофазной бензоэлекторостанцией

Сообщение aleksey.RU » 26 сен 2022, 14:21

Работали с конторой СибКонтакт, добротная техника.
Тот, кто пытается использовать методы, не зная принципов, обречен на неудачу


  • Реклама

Вернуться в «Генераторы (бензиновые, дизельные, газовые)»

Кто сейчас на конференции

Сейчас этот форум просматривают: нет зарегистрированных пользователей и 8 гостей