
navigator писал(а):Источник цитаты Короб, поверх дорогой отделки
elalex писал(а):Источник цитаты Некоторые поверх прибивают ретропроводку на роликах и не считают, что это некрасиво.
)
)mastervictor писал(а):Источник цитаты Это сейчас в тренде!
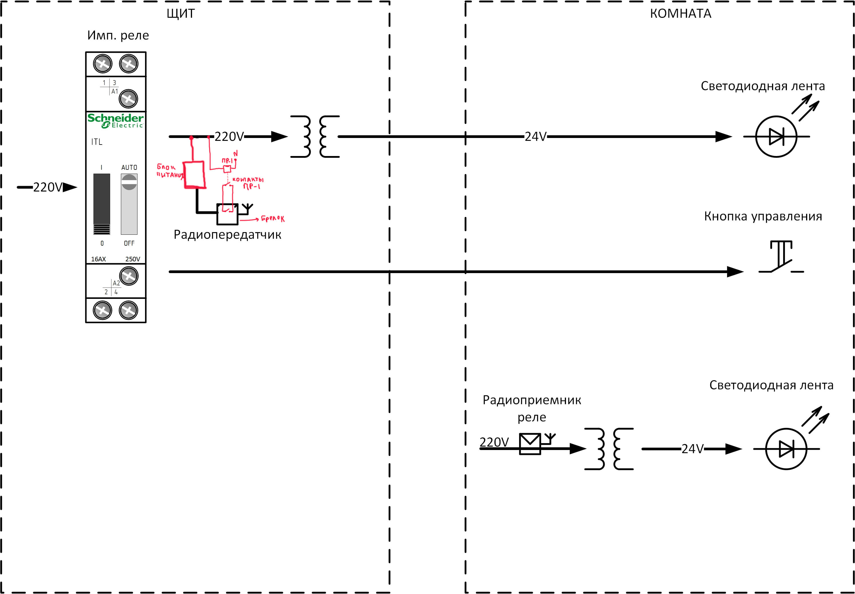
Восток писал(а):Источник цитаты Чертите схему что у вас получилось и что нужно сделать. И выкладывайте сюда
Восток писал(а):Источник цитаты Берете NERO RADIO 8113 IP65-1000 с брелком ( пультом управления)
Приемный блок ставите как показано у вас на схеме.
А вот с брелком нужно немного повозится ( внести корректировки)
1. Подобрать блок питания ( можно с зарядного устройства) для брелка , вместо батарейки.
2. Припаять два кончика на исполнительный контакт в брелке и вывести на контакты промежуточного реле.
)
)Вернуться в «Контакторы, пускатели, реле, датчики, кнопки и т.п.»
Сейчас этот форум просматривают: нет зарегистрированных пользователей и 11 гостей