Управление нагрузкой через реле времени

Вопросы по электромонтажу, не попавшие в основные разделы
Аватара пользователя
Yaroslav
Сообщения: 69
Зарегистрирован: 26 июл 2016, 23:25
Репутация: 6
Откуда: Санкт-Петербург
Контактная информация:

Управление нагрузкой через реле времени

Сообщение Yaroslav » 04 ноя 2016, 00:14

Здравствуйте, помогите пожалуйста, есть реле времени, кнопка, нагрузка.
Надо чтобы при нажатии кнопки включалась нагрузка и запускался отсчёт реле времени и через заданное время отключается( с этим все понятно), НО надо еще чтобы если во время работы ты нажимаешь на кнопку повторно, то этот интервал отсчитывается от последнего нажатия кнопки. То есть надо как-то сделать обновление реле времени.
Реле времени - АББ CT-ERE
Реклама
Аватара пользователя
TOPMO3
Сообщения: 4181
Зарегистрирован: 29 фев 2016, 10:37
Репутация: 626
Откуда: Ижевск
Контактная информация:

Управление нагрузкой через реле времени

Сообщение TOPMO3 » 04 ноя 2016, 13:36

Yaroslav писал(а):Источник цитаты Реле времени - АББ CT-ERE
Выдержка из описания работы реле CT-ERE.
Отсчет времени начинается при приложении напряжения
питания. После окончания отсчета времени выходное реле
активируется.
При прерывании напряжения питания выходное реле
возвращается в исходное состояние, и выдержка времени
стирается.
При прерывании подачи напряжения до завершения времени
задержки происходит сброс времени. Выходное реле не
активируется.
Шас я уезжаю ... если через сутки (примерно) не нарисуют ... нарисую Вам схему. :yes:
Смеюсь последний ... тормоз однако!
Аватара пользователя
zendo057
Сообщения: 65
Зарегистрирован: 20 окт 2016, 12:35
Репутация: 3
Откуда: г.Минск
Контактная информация:

Управление нагрузкой через реле времени

Сообщение zendo057 » 04 ноя 2016, 18:55

Вот держите.
Вложения
Shot0.jpg
Shot0.rar
(153.18 КБ) 184 скачивания
Аватара пользователя
Yaroslav
Сообщения: 69
Зарегистрирован: 26 июл 2016, 23:25
Репутация: 6
Откуда: Санкт-Петербург
Контактная информация:

Управление нагрузкой через реле времени

Сообщение Yaroslav » 04 ноя 2016, 22:42

Спасибо вам огромное! Выручили! А то глаз замылился, и так крутил и эдак -не получалось!
Аватара пользователя
elalex
Сообщения: 7423
Зарегистрирован: 21 июл 2015, 08:08
Репутация: 591
Откуда: [email protected]
Контактная информация:

Управление нагрузкой через реле времени

Сообщение elalex » 05 ноя 2016, 00:38

У меня в Paint схемы получаются лучше.
Одиночный свободный электрик
Опыт ремонтов квартир 20лет
Высшее электрическое образование
Бывший инженер-электрик
Пенсионер
64 года
Пишу для владельцев частного жилья
Запасной E–mail для россиян: [email protected]
Аватара пользователя
TOPMO3
Сообщения: 4181
Зарегистрирован: 29 фев 2016, 10:37
Репутация: 626
Откуда: Ижевск
Контактная информация:

Управление нагрузкой через реле времени

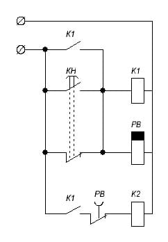
Сообщение TOPMO3 » 05 ноя 2016, 19:01

elalex писал(а):Источник цитаты У меня в Paint схемы получаются лучше.
А что Вам не нравится?
Мне кажется, zendo057, просто поленился или не полностью освоил возможности программы.
elalex, а так Вам нравится?
Вложения
0.jpg
0.jpg (11.36 КБ) 2112 просмотров
Смеюсь последний ... тормоз однако!
Аватара пользователя
zendo057
Сообщения: 65
Зарегистрирован: 20 окт 2016, 12:35
Репутация: 3
Откуда: г.Минск
Контактная информация:

Управление нагрузкой через реле времени

Сообщение zendo057 » 05 ноя 2016, 20:59

Как это вы так красиво рисуете,у меня не получается,в поинтнете все криво,поэтому я в сплане.
Аватара пользователя
TOPMO3
Сообщения: 4181
Зарегистрирован: 29 фев 2016, 10:37
Репутация: 626
Откуда: Ижевск
Контактная информация:

Управление нагрузкой через реле времени

Сообщение TOPMO3 » 05 ноя 2016, 21:28

zendo057 писал(а):Источник цитаты Как это вы так красиво рисуете,у меня не получается,в поинтнете все криво,поэтому я в сплане.

Дык ... я только в сплане и рисую.
Походу я был прав, когда писал, что Вы не полностью освоили возможности программы. :wink:
Смеюсь последний ... тормоз однако!
Аватара пользователя
zendo057
Сообщения: 65
Зарегистрирован: 20 окт 2016, 12:35
Репутация: 3
Откуда: г.Минск
Контактная информация:

Управление нагрузкой через реле времени

Сообщение zendo057 » 05 ноя 2016, 23:24

Рисую в сплане,делаю скриншот,А сделать как у вас ну хоть тресни,может поделитесь сикретом?
Аватара пользователя
TOPMO3
Сообщения: 4181
Зарегистрирован: 29 фев 2016, 10:37
Репутация: 626
Откуда: Ижевск
Контактная информация:

Управление нагрузкой через реле времени

Сообщение TOPMO3 » 06 ноя 2016, 12:22

zendo057 писал(а):Источник цитаты Рисую в сплане,делаю скриншот,А сделать как у вас ну хоть тресни,может поделитесь сикретом?

viewtopic.php?p=22936#p22936
Смеюсь последний ... тормоз однако!


  • Реклама

Вернуться в «Прочие вопросы по электромонтажу»

Кто сейчас на конференции

Сейчас этот форум просматривают: нет зарегистрированных пользователей и 18 гостей