quick13 писал(а):Источник цитаты На сайте есть схема, не понятно что здесь понимается под АВР

quick13 писал(а):Источник цитаты Помогите разобраться в подключении генератор
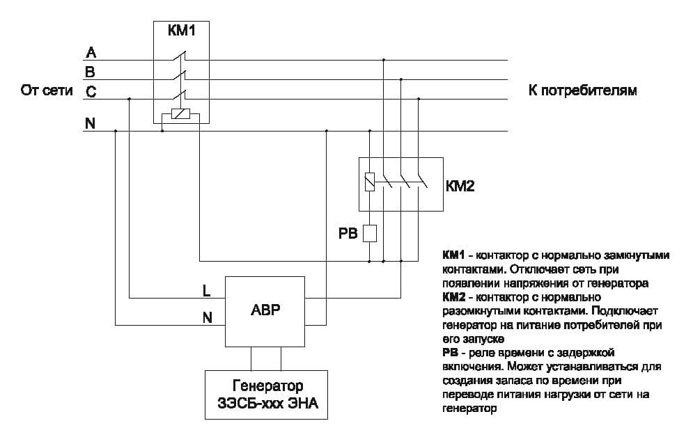
TOPMO3 писал(а):Источник цитаты Имхо ... вааще дибильная и опасная схема.
Во-первых ... не соблюдается требование безопасности, о обязательном отключении ВСЕХ линий.
Во-вторых ... нафиг нужна задержка (включение К2), при переходе с сети на генератор ... генератор ... завести еще надо, пока еще возбудится ... чаго еще выжидать?!
Задержка нужна при переходе с генератора на сеть ... т.е. ... К2 должен выключиться первым, потом выключаться К1 ... и только потом - глушиться генератор!
Туфта короче ...

А Вы что ... не отличаете трехполюсные контакторы от четырехполюсных ... в какую логику оно вписывается?Восток писал(а):Источник цитатыНе нужно так категорически Схематика и логика схемы отображена верно.
Во - первых требования безопасности как вы пишите отображается в принципиальной схеме, где отображена механическая и электрическая блокировка контакторов, и логика их переключений.
Не вижу логики ... пока генератор не войдет в режим, контакторы тупо не включатся.Во-вторых Задержка включения контактора 2 нужна для выхода генератора в рабочий режим что бы он мог выдерживать нагрузку. Повидимому есть к этому требование производителя.
http://exp-guar.zubr.ru/files/documents/%D0%97%D0%AD%D0%A1%D0%91-1200...6200-%D0%AD%D0%9DA%20(21.04.2015).pdf#page=1Инструкция писал(а):Для организации автоматического запуска (только для ЗЭСБ-4500-ЭНА, ЗЭСБ-5500-ЭНА, ЗЭСБ-6200-ЭНА):
` подключите блок АТС согласно разделу Сборка;
` откройте топливный кран и включите автоматический выключатель 12 генератора;
` переведите переключатель 32 в положение «Вкл». Теперь блок АТС подает на нагрузку питание от внешней сети (горит индикатор «Питание от сети»).
При пропадании внешнего питания (индикатор «Питание от сети» гаснет) блок с задержкой в 4 секунды (для исключения ложных срабатываний при перебое питания)
автоматически переводит нагрузку на питание от генератора по следующему алгоритму:
` воздушная заслонка переводится в положение «Закр»;
` включается стартер на 3 секунды. Индикатор «Двигатель» моргает;
` по достижении двигателем 1000 об/мин воздушная заслонка открывается;
` если в течение 6 секунд обороты упали до нуля, запуск признается неудавшимся.
Выполняются повторные запуски до удачного. В случае, если за 6 попыток двигатель не завелся, дальнейшие попытки прекращаются;
` при достижении двигателем 2500 об/мин запуск считается удавшимся. Индикатор «Двигатель» горит ровно;
` через 2 секунды включается автоматический выключатель и подается питание на нагрузку. Горит индикатор «Питание от генератора».
При восстановлении питания внешней сети (индикатор «Питание от сети» загорается) блок автоматически переводит нагрузку на питание от
нее по следующему алгоритму:
` отключается подача питания на нагрузку;
` через 6 секунд двигатель глушится.
Индикатор «Двигатель» гаснет;
` нагрузка переводится на питание от внешней сети.
TOPMO3 писал(а):Источник цитаты А Вы что ... не отличаете трехполюсные контакторы от четырехполюсных ... в какую логику оно вписывается?
TOPMO3 писал(а):Источник цитаты Не вижу логики ...


Нельзя рассматривать эту схему, как рабочую ... если решили не обращаться по гарантии ... вскрывайте блок АВР ... нарисуем действительную схему.
Я таки не пойму, что Вы называете АТС?quick13 писал(а):Источник цитаты зубр за городом. автозапуск и остановку обеспечивает АТС из комплекта, к нему претензий нет, работает исправно ...
Еще раз напишу ... это не рабочая схема, а ознакомительная (поясняющая принцип/способ переключения линий) ... настоящая схема внутри платы ... её надо рисовать с оборудования и элементов, которые находятся внутри блока ATS.На данный момент схемы такие, обе коротят, и как заставить работать?

Вернуться в «Контакторы, пускатели, реле, датчики, кнопки и т.п.»
Сейчас этот форум просматривают: нет зарегистрированных пользователей и 14 гостей