Подключение вентилятора с 4 выводами

Выбор, пуск, схемы подключения и соединения обмоток, реверс различных электродвигателей.
BUMER-777
Сообщения: 1
Зарегистрирован: 11 дек 2016, 18:08
Репутация: 0
Контактная информация:

Подключение вентилятора с 4 выводами

Сообщение BUMER-777 » 12 дек 2016, 16:19

Здраствуйте. Помогите пожалуйста разобраться. Попался в руки вентилятор, на двигателе никакой маркировки нет. Из него выходит 4 провода. Коричневый, синий, черный и желтый с зеленой полосой. Как его подключить в цепь?
Вложения
JeVH9EoBKFs.jpg
pi4YQGwraVw.jpg
Реклама
Аватара пользователя
Константин
Сообщения: 3464
Зарегистрирован: 16 сен 2015, 10:19
Репутация: 851
Откуда: Новосибирская область
Контактная информация:

ПОМОГИТЕ

Сообщение Константин » 12 дек 2016, 16:32

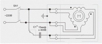
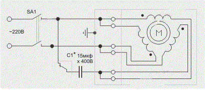
BUMER-777, Он запускается также как циркуляционный насос. Вы наверно такие видели а может у вас дома установлен. Воду гоняет по системе. Так вот. Он включается по тому же прицепу через фазосдвигающий элемент.
shema_kondensatora.jpg
podklyuchenie_tryohfaznih_elektrodvigatelej_k_odnofaznoj_seti.gif


  • Реклама

Вернуться в «Электродвигатели переменного и постоянного тока»

Кто сейчас на конференции

Сейчас этот форум просматривают: нет зарегистрированных пользователей и 15 гостей