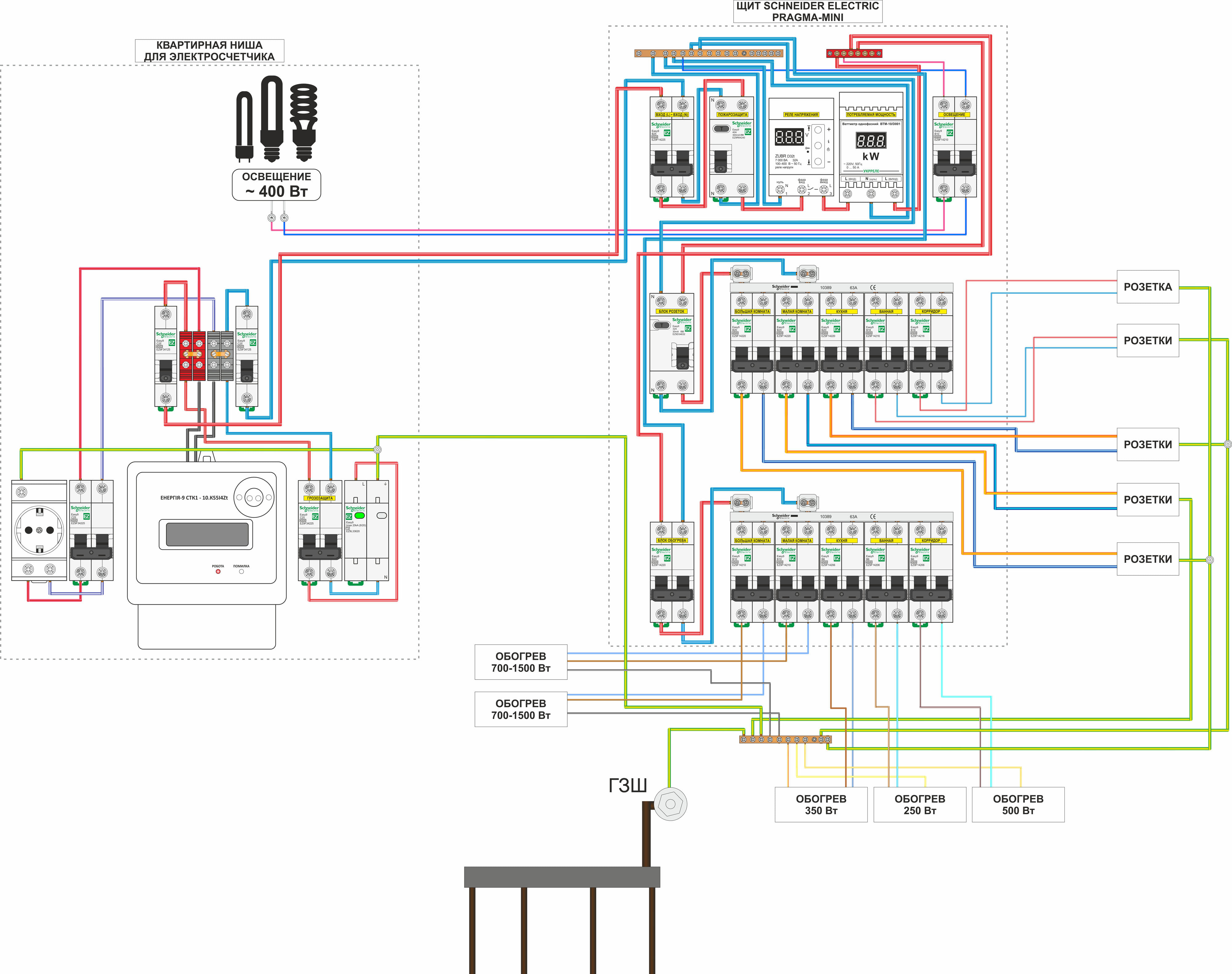
Для начала:Pazan писал(а):Источник цитаты ... Нарисовал схему. Какие будут рекоммендации или возражения?

TOPMO3 писал(а):Источник цитаты 1. Убрать автомат с "нуля", на выходе, после счетчика.
TOPMO3 писал(а):Источник цитаты 2. Заменить все двухполюсные автоматы на однополюсные.
TOPMO3 писал(а):Источник цитаты 4. Заменить общий автомат, на блоке отопления, на УЗО.
TOPMO3 писал(а):Источник цитаты 5. Переставить УЗО (противопожарка) в нишу (вместо автоматов), после счетчика.
TOPMO3 писал(а):Источник цитатыДля начала:Pazan писал(а):Источник цитаты ... Нарисовал схему. Какие будут рекоммендации или возражения?
1. Убрать автомат с "нуля", на выходе, после счетчика.
2. Заменить все двухполюсные автоматы на однополюсные.
3. Съэкономленное место могут занять автоматы на освещение (по желанию).
4. Заменить общий автомат, на блоке отопления, на УЗО.
5. Переставить УЗО (противопожарка) в нишу (вместо автоматов), после счетчика.
Вопрос ... а нафига нужен ваттметр, счетчика не хватает?
Еще вопрос ... Ваш дом, запитан воздушкой или кабель под землей?
Pazan писал(а):Источник цитаты Установлен электрический обогрев квартиры.
Pazan писал(а):Источник цитаты Потребляемая мощность ~ 4 кВт.
Более верней будет убрать оба и поставить один двухполюсник.
оставим этот вопрос без изменений - нарушений нет? но, дополнительная защита. несколько раз были проблемы с нулем в доме.TOPMO3 писал(а):Источник цитаты 2. Заменить все двухполюсные автоматы на однополюсные.
Подерживаю
и так ещё раз: УЗО - дифреле или дифавтомат?TOPMO3 писал(а):Источник цитаты 4. Заменить общий автомат, на блоке отопления, на УЗО.
Подерживаю
TOPMO3 писал(а):Источник цитаты 5. Переставить УЗО (противопожарка) в нишу (вместо автоматов), после счетчика.
и я о том жеНе критично
elalex писал(а):Источник цитаты 1.Нарисуйте 1–линейную схему.
2.Что на лестнице?
да3.У Вас собственное заземление?
Rumato писал(а):Источник цитатыPazan писал(а):Источник цитаты Установлен электрический обогрев квартиры.Pazan писал(а):Источник цитаты Потребляемая мощность ~ 4 кВт.
Как то не вяжется одно с другим...
А какая выделенная мощность?
Pazan писал(а):Источник цитаты что именно?
"Не допускается устанавливать однополюсные отключающие устройства в цепи нулевого рабочего проводника."(ГОСТ Р 50571.7-94.)Pazan писал(а):Источник цитатычем чревато имеющееся подключение?
Имхо ... никем не подтвержденное утверждение ... а так, выбор Ваш.я сторонник усиленной безопасности. поэтому выбрал полное отключение
Нормально ...На освещение достаточно одного автомата. перетягивать проводку к светильникам не буду. Все освещение на старой проводке. розетки - на новой.
Возможность отключения при надобности остается. + бонус ... выполнение рекомендации ПУЭ, о применении многоуровневой дифзащите - при системе заземления ТТ.тут в чём преимущество?
Не учел, что у Вас нет автомата перед счетчиком ... тогда дифавтомат ... чтоб охватить дифзащитой всю домашнюю сеть ... Вы же сторонник ус.без_а.всё равно тогда нужно ещё и автомат перед ним.
Возможно это интересно знать ... это как на маршрутном, смотреть расход бензина, в данный момент - на общий расход не влияет.счетчик показывает показания попеременно. ваттметр в реальном времени.
Весьма!думаю, скорее всего, под землёй, хотя...
Поди на улку редко выходите?

Rumato писал(а):Источник цитатыPazan писал(а):Источник цитаты что именно?
Обогреть квартиру 4 кВтами это задачка серьезная.
Ну ладно, не буду мешать.
TOPMO3 писал(а):Источник цитаты"Не допускается устанавливать однополюсные отключающие устройства в цепи нулевого рабочего проводника."(ГОСТ Р 50571.7-94.)Pazan писал(а):Источник цитатычем чревато имеющееся подключение?
Имхо ... никем не подтвержденное утверждение ... а так, выбор Ваш.)
подумаю. возможно и поставлю дифавтомат на 25А. просто в УЗО меня смущают иногда ложные срабатывания, о которых часто пишут или невозможность установить причину, если проводка старая и в штукатурке. так что вопрос по установке дифавтомата пока не закрываю.Возможность отключения при надобности остается. + бонус ... выполнение рекомендации ПУЭ, о применении многоуровневой дифзащите - при системе заземления ТТ.
да, мне интересно знать, так сразу вижу полную картину потребления. и сразу прикидываю,можно ли ещё включить электрочайник в данный момент, например.Возможно это интересно знать ... это как на маршрутном, смотреть расход бензина, в данный момент - на общий расход не влияет.
не, ну, около дома имеются столбы с протянутой линией на "фарфоровых чашках" и с освещением, но, скорее всего, кабель входа подземный. УЗИП установлен, но его эффективность ещё не проверена. грозы начнутся в апреле-мае. тогда и пому.думаю, скорее всего, под землёй, хотя...[Весьма!Поди на улку редко выходите?
![]()
Вопрос мой косвенно касался смысла применения УЗИП.
Это для нас серьезно ... у них климат иной.Rumato писал(а):Источник цитатыОбогреть квартиру 4 кВтами это задачка серьезная.

Pazan писал(а):Источник цитаты как я уже говорил - пока нереально поставить 2-полюсный автомат. там вообще "пробки" были раньше.
Вернуться в «Проектирование внутреннего электроснабжения»
Сейчас этот форум просматривают: нет зарегистрированных пользователей и 9 гостей