Константин писал(а):Источник цитаты Я не радиоинженер но предполагаю, что внутренняя схема логики прибора учета имеет симметричную нагрузку. Думаю в случаи если на какой то модели будет не симметрично это приведет к выгоранию внутренних элементов прибора учета если выпадет нулевой провод или его преднамеренно отключат.
)
)mastervictor писал(а):Источник цитаты Костя,а нагрузи трехфазник,только на одну фазу!
)
)
)
)
Восток писал(а):Источник цитаты Константин временно он будет показывать так как аккумулятор минусом сидит на массе платы через сопротивление.Так же и клемма 10 сидит на массе. И как вы писали выше на сколько хватит дыхания аккумулятора.

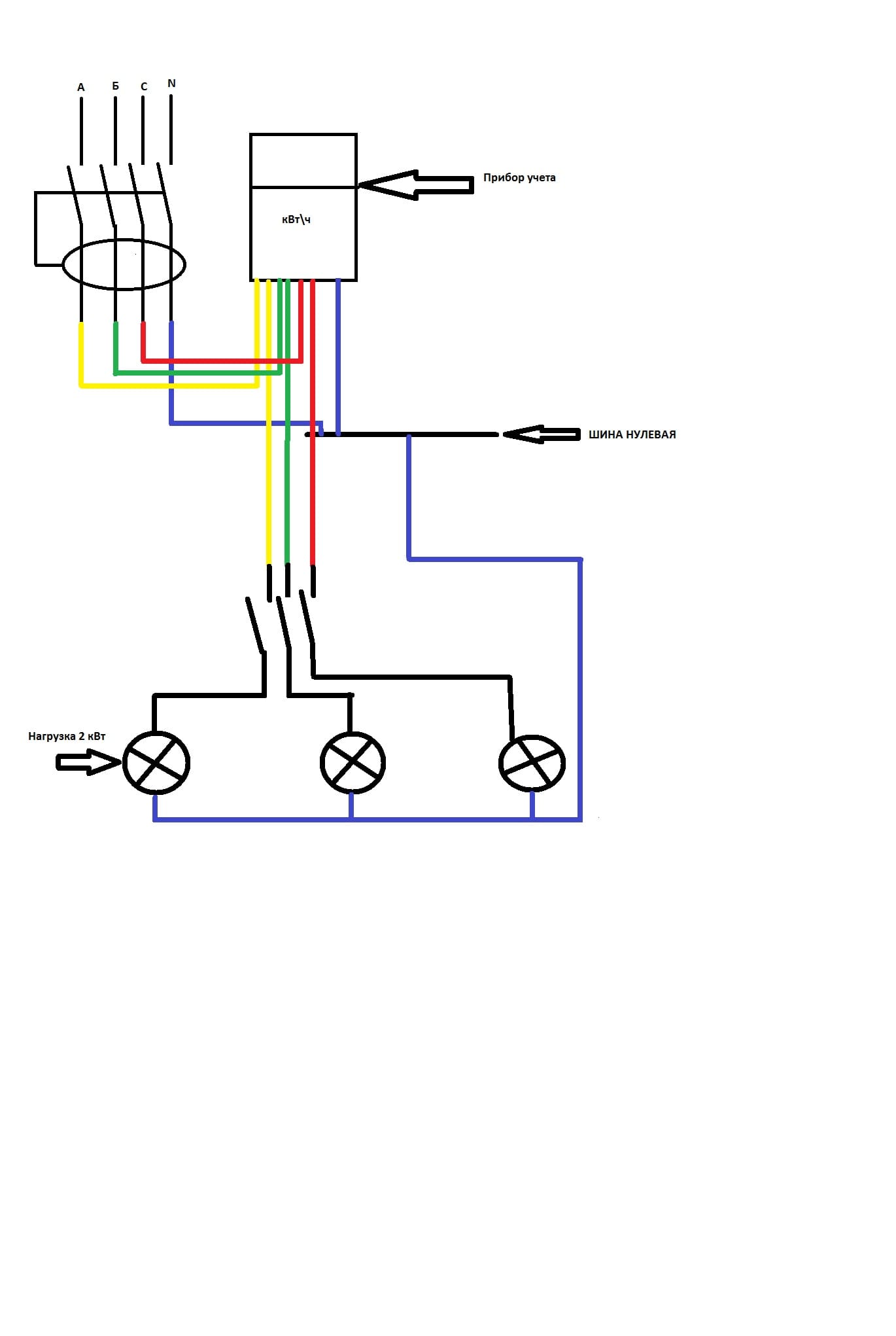
Я искал ... не нашел.ПАВ писал(а):Источник цитатыНеплохо бы схемку глянуть, заочно гадать, что там за схема питания электроники- сложно. Вот есть СЭ6803 схема, трехфазника, буду пытаться разобраться.
Мне кажется его спецом не нарисовали. 

TOPMO3 писал(а):Источник цитаты Мне кажется, что аккумулятор нужен только на случай однопроводного подключения ... при любых двух проводах (без разницы - две фазы или фаза с нулем) - питание внутренней схемы будет обеспечена.
Я искал ... не нашел.ПАВ писал(а):Источник цитатыНеплохо бы схемку глянуть, заочно гадать, что там за схема питания электроники- сложно. Вот есть СЭ6803 схема, трехфазника, буду пытаться разобраться.Мне кажется его спецом не нарисовали.

tupos писал(а):Источник цитаты Ну что, рассказать при каких 2-х условиях не будет работать электросчетчик с отключенным нулем?
Я не отвечал ... я уточнял условия для Вашего будущего ответа.tupos писал(а):Источник цитаты Ответ не верный


TOPMO3 писал(а):Источник цитаты ПАВ, я аккумулятор в схеме не нашел ... Вы не нашли?
Вернуться в «Учет электроэнергии»
Сейчас этот форум просматривают: нет зарегистрированных пользователей и 5 гостей