Как могла лампа сгореть при отключенном выключателе ... током подсветки, что ли?Леопольд писал(а):Источник цитаты Моргает энергосберегающая лампа после замены сгоревшей при отключенном выключателе.
Много было случаев, когда после долгих обсуждений и гаданий ... обнаруживалось, что там не светодиоды, а, или миниатюр_накалки, или неонки.Незадолго до этого был капит ремонт в квартире - установлены выключатели с подсветкой (светодиоды).
Это наверно, надо делать изыскания/эксперименты ... после будете знать (и мы заодно), что смотреть.С проблематикой в общем познакомился. Вопросы:
1. При покупке новых ламп можно ли ориентируясь на характеристики упаковки (паспорта) исключить возможность моргания? Есть подозрение, что мощные моргают больше.
Токи разные, параметры конденсаторов разные ... больше не буду гадать.2. Выключатель сдвоенный, светодиоды в нем горят с разной интенсивностью. Почему?
При некоторых условиях:3. Если самому собрать схему: выключатель (со светодиодом) + патрон, и использовать в магазине при подключении к контрольной розетке - даст ли моргание о себе знать сразу?
TOPMO3 писал(а):Источник цитаты Как могла лампа сгореть при отключенном выключателе ... током подсветки, что ли?
ну ты того,уже совсем знаки препинания не видишь))))
Леопольд писал(а):Источник цитаты Моргает энергосберегающая лампа, после замены сгоревшей, при отключенном выключателе.
ПАВ писал(а):Источник цитаты или
ПАВ писал(а):Источник цитаты пробуйте, дерзайте
Леопольд писал(а):Источник цитатыПАВ писал(а):Источник цитаты пробуйте, дерзайте
Частично уже попробовал - есть лампы, которые моргают, другие - нет. Отличий пока установить не смог.
ПАВ писал(а):Источник цитаты Отличий в чем?
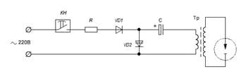
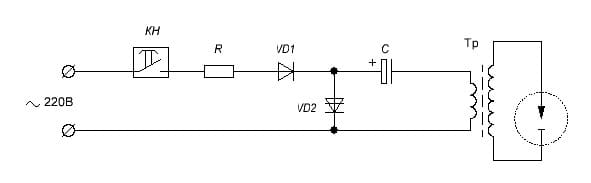
ПАВ писал(а):Источник цитаты принцип работы- все тот же
elalex писал(а):Леопольд:
У бандитов есть такая работа – зачинщик драк. Когда 2 банды встречаются для драки лицом к лицу, нужен кто–то, кто стал бы поводом к драке. Его задача – позадирать противника, выдержать пару первых ударов и быстро смыться.
По–моему, у Вас бы получилось, Вы всегда найдёте способ позадирать.
Для того, чтобы что то понять/узнать, окромя задавания вопросов, требуется активное желание и участие, вопрошающего, в поиске истины.Леопольд писал(а):Источник цитатыОбъясните тогда - почему одни моргают, другие - нет?

Вернуться в «Освещение и источники света»
Сейчас этот форум просматривают: нет зарегистрированных пользователей и 16 гостей