Расчетный ток нормального режима кабелей питающих РП

Проектирование внешнего электроснабжения (кабельные и воздушные трассы, трансформаторные подстанции), типовые проекты, расчеты, делимся своими проектами.
pashasnuff
Сообщения: 3
Зарегистрирован: 28 фев 2017, 18:42
Репутация: 0
Контактная информация:

Расчетный ток нормального режима кабелей питающих РП

Сообщение pashasnuff » 28 фев 2017, 18:46

Не могу понять какой расчетный нагрузочный ток течет по питающим КЛ?


Я думаю, что Расчетный ток нормального режима кабелей питающих РП будет таким: I=2*P/(Uнн*cos(phi)*1,73)


Хотя есть сомнения на счет 2 в числителе, почему не 1,5 например?
2331.PNG
2331.PNG (24.12 КБ) 5636 просмотров
Реклама
Аватара пользователя
tupos
Сообщения: 1344
Зарегистрирован: 10 авг 2015, 13:36
Репутация: 303
Откуда: Шадринск
Контактная информация:

Питающие КЛ к РП

Сообщение tupos » 28 фев 2017, 19:06

pashasnuff, зачем на 2 умножаете? Достаточно выбрать кабели по максимальной мощности
ПРАВИЛА: http://forum-electrikov.ru/ucp.php?mode=terms
pashasnuff
Сообщения: 3
Зарегистрирован: 28 фев 2017, 18:42
Репутация: 0
Контактная информация:

Питающие КЛ к РП

Сообщение pashasnuff » 28 фев 2017, 19:16

tupos писал(а):Источник цитаты pashasnuff, зачем на 2 умножаете? Достаточно выбрать кабели по максимальной мощности


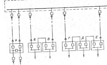
Посмотрите варианты РП:
В варианте а) насколько я понимаю и нужно выбирать по максимальной мощности, потому что по двум КЛ как раз течет по полной мощности потребителя.
В моем варианте г,д,е) вся суть в том что рп г) питается от двух соседних, и значит что по КЛ отходящим от РУ НН течет уже не полная мощность потребителей, а несколько большая поэтому и стоит 2.
Вложения
35.PNG
Аватара пользователя
tupos
Сообщения: 1344
Зарегистрирован: 10 авг 2015, 13:36
Репутация: 303
Откуда: Шадринск
Контактная информация:

Питающие КЛ к РП

Сообщение tupos » 28 фев 2017, 19:29

pashasnuff, В нормальной схеме кольца не будет, ТП будут питаться от одного кабеля, таким образом, каждый кабель должен быть рассчитан на максимальную нагрузку всех ТП
ПРАВИЛА: http://forum-electrikov.ru/ucp.php?mode=terms
pashasnuff
Сообщения: 3
Зарегистрирован: 28 фев 2017, 18:42
Репутация: 0
Контактная информация:

Питающие КЛ к РП

Сообщение pashasnuff » 28 фев 2017, 19:38

tupos писал(а):Источник цитаты pashasnuff, В нормальной схеме кольца не будет, ТП будут питаться от одного кабеля, таким образом, каждый кабель должен быть рассчитан на максимальную нагрузку всех ТП


Это вы имеете ввиду аварийный режим(отключение 1 питающей линии), там то вопросов нет, ток будет I=3*P/(Uнн*cos(phi)*1,73)

Но мне не понятен нормальный режим, я выбираю КЛ по экономической плотности тока и поэтому мне нужно знать ток в нормальном режиме( но вот какой ток по питающим кл идет я не пойму.

Вы говорите, что нужно брать просто P без 2,допустим каждый потребитель потребляет 2,5 МВт, тогда получается что по линии течет только 2,5 МВт, по другой столько же, а откуда еще брать 2,5?


  • Реклама

Вернуться в «Проектирование внешнего электроснабжения»

Кто сейчас на конференции

Сейчас этот форум просматривают: нет зарегистрированных пользователей и 10 гостей