ДОМРАЧЕВ писал(а):Источник цитаты Извиняюсь опечатка лампы по 18Вт
elalex писал(а):Источник цитаты 1.Не поверю.
elalex писал(а):Источник цитаты 2.ЭПРА – это не ПРА. При ЭПРА стартеров нет.
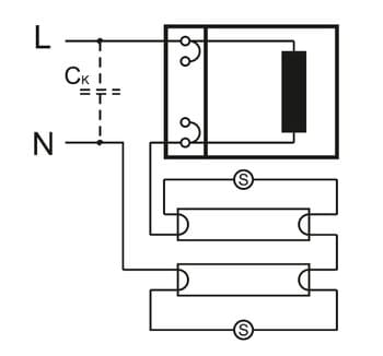
ДОМРАЧЕВ писал(а):Источник цитаты Вот ЭПРА к которой нужно подключить лампы

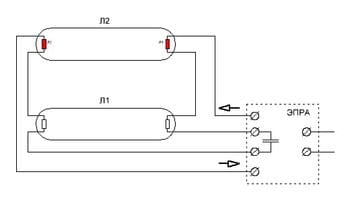
elalex писал(а):Источник цитаты 1.Константин по такой схеме не включал. Какая схема нарисована на ЭПРА, по такой единственной оно и может работать.
elalex писал(а):Источник цитаты Константин блефует.
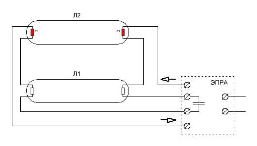
TOPMO3 писал(а):Источник цитаты мы делим эту напругу пополам ... хватит ли его?
С какого перепугу? Я вижу, что и то и другое последовательно.elalex писал(а):Источник цитаты У Константина последовательное соединение катодов и параллельное соединение межкатодных пространств.
Что то торможу ... в каком посту эта схема?ПАВ писал(а):Источник цитаты Таки параллельно- для той частоты преобразователя ЭПРА конденсатор можно считать малым сопротивлением.
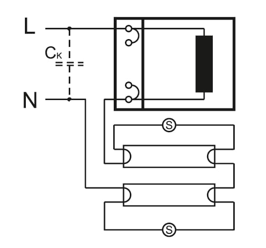
Ога ... нашел!TOPMO3 писал(а):Источник цитатыЧто то торможу ... в каком посту эта схема?

Вернуться в «Освещение и источники света»
Сейчас этот форум просматривают: нет зарегистрированных пользователей и 7 гостей