Страница 1 из 2
Помогите дорисовать схему звуковой сигнализации
Добавлено: 27 мар 2017, 19:23
Yaroslav
Здравствуте, помогите нарисовать кусок схемы. Задача практическая. Это цепи звуковой сигнализации.
Исходная схема

- Исходная схема
Что надо поставить и как соединить, что исправить в текущей схеме. Для того чтобы при отключении АВ ил УЗО, следовательно пропадании напряжения подавалось напряжение на провод с номером 1, но при нажатии кнопки СБРОС оно бы пропадало, несмотря на наличие или отсутствие напряжения на линии. И приводилась бы схема в исходное положение (готовая опять подать напряжение на провод 1, при пропадании напряжения на линии) включением АВ, УЗО, то есть подачей напряжения на линию.
Желательно чтобы схема не очень дорогой получилась. Поменьше компонентов.
Заранее спасибо.
Помогите дорисовать схему звуковой сигнализации
Добавлено: 27 мар 2017, 23:23
elalex
Полезная сигнализация, особенно ночью.
Р1 - реле контроля напряжения
Р2- реле постоянного тока, напряжение нужно подбирать, чтобы срабатывало от конденсатора
Сб - кнопка сброса сигнализации
Зв - звонок, работающий от собственной батареи, запускается от импульса снаружи. Такие делает польская Zamel, с напряжением запуска минимум 8В.
Р3 нужно подбирать под напряжение аккумулятора. По-видимому, 12В.
Помогите дорисовать схему звуковой сигнализации
Добавлено: 27 мар 2017, 23:57
Yaroslav
Это не в дом. А можно что нибудь без радиоэлектроники, а то я в ней не очень хорошо соображаю.
Чтобы можно было в данную схему встроить.
Например берём РП на катушку питание после УЗО, а на НЗ контакт с места перед АВ, следовательно получаем, что когда нет напряжения на линии, то оно будет на выходе с НЗ контакта.
Только надо еще придумать блокировку, которая после нажатия кнопки СБРОС отключала подачу питания на провод 1, до тех пор пока не исчеснет питание(значит линия включена).
Помогите дорисовать схему звуковой сигнализации
Добавлено: 28 мар 2017, 00:21
Yaroslav
В голове только такая схема вертится.
Но она еще "сырая"
http://s012.radikal.ru/i319/1703/8b/bab871bede19.jpg
Помогите дорисовать схему звуковой сигнализации
Добавлено: 28 мар 2017, 00:27
elalex
1.А где в моей схеме радиоэлектроника? А что в ней непонятно? Если непонятно, не стоит и лезть в такие дела, пусть ими занимаются автоматчики.
2.Я не буду разбираться в Вашей стартовой схеме.
3.К автоматам и УЗО есть дополнительные контакты, которые могут подать какой нужно сигнал - куда нужно.
Помогите дорисовать схему звуковой сигнализации
Добавлено: 28 мар 2017, 00:29
elalex
Найдите другой файлообменник.
Помогите дорисовать схему звуковой сигнализации
Добавлено: 28 мар 2017, 06:34
TOPMO3
elalex писал(а):Источник цитаты... А что в ней непонятно? Если непонятно, не стоит и лезть в такие дела, пусть ими занимаются автоматчики.
С АКМ в руках ... ?
2.Я не буду разбираться в Вашей схеме.
Нафига Вам другой файлообменник, коли изначально, не собираетесь разбираться в его схемах!!!

Помогите дорисовать схему звуковой сигнализации
Добавлено: 28 мар 2017, 06:59
TOPMO3
Yaroslav писал(а):Источник цитаты Здравствуте, помогите нарисовать кусок схемы...
Давайте сначала определимся с алгоритмом работы сигнализации.
Дано:1.Линия (
ДО) - линия питания
до АВ или УЗО;
2. Линия (
ЗА) - линия питания
за АВ или УЗО;
Вопросы:1. В случае пропадания напруги на ДО - сигнал нужен или нет (
имхо, ни нафиг - всеравно ничо не сделаете)?;
Если не требуется контроль линии ДО - сигнализацию можно будет запитать от сети (
батарейки не нужны).
2. В случае пропадания напруги на ЗА - сигнал должен быть "вечным" (пока не сядут батарейки) или как ... ?
3. РЭВ 201 (
в стартовой схеме) имеется в наличии и уже работает в схеме ... или это была чужая схема?
Помогите дорисовать схему звуковой сигнализации
Добавлено: 28 мар 2017, 09:13
Yaroslav
1) контроль линии ДО не нужен, только ЗА
2) в случае ЗА. Пропадает напряжение; в зависимости от положения переключателя SA1 либо выдаётся звуковой сигнал на время уставки РЭВа, либо звенит звонок до тех пор пор, пока оператор не нажмёт кнопку СБРОС
Помогите дорисовать схему звуковой сигнализации
Добавлено: 28 мар 2017, 09:30
elalex
1.Мастерство рисования схем состоит в минимуме длины линий и их изгибов. Обычно это получается при т.н. разнесенном способе рисования катушек реле и их контактов - они рисуются в разных местах схемы, в отличие от совмещённого способа, когда катушки и контакты рисуются рядом. И конечно, линии не наматываются клубком вокруг катушек.
Так что, если хотите лучшего понимания - перерисуйте.
2.Что за сирена? Некоторые могут работать не более 5 минут.
3.А что это за такой особо ценный потребитель, что на его автомат нужно вешать сигнализацию? Что там у него за проблемы, что автомат может выбить, и никто не заметит?
Помогите дорисовать схему звуковой сигнализации
Добавлено: 28 мар 2017, 12:20
TOPMO3
Yaroslav писал(а):Источник цитаты 1) контроль линии ДО не нужен, только ЗА
2) в случае ЗА. Пропадает напряжение; в зависимости от положения переключателя SA1 либо выдаётся звуковой сигнал на время уставки РЭВа, либо звенит звонок до тех пор пор, пока оператор не нажмёт кнопку СБРОС
Помогите дорисовать схему звуковой сигнализации
Добавлено: 28 мар 2017, 14:07
Yaroslav
Но на Вашей схеме если оператор нажимает кнопку СБРОС она не замолкнет, если АВ отключен.
У меня вот такая схема получилась.
Краснам отмечена та часть о которой мы говорим.
Можно ли ее как-то упростить?
Какие есть замечания ( по самой схеме, а не по оформлению)?
Помогите дорисовать схему звуковой сигнализации
Добавлено: 28 мар 2017, 19:58
TOPMO3
Yaroslav писал(а):Источник цитаты Но на Вашей схеме если оператор нажимает кнопку СБРОС она не замолкнет, если АВ отключен.
Замолкнет.
Вашу схему ... только завтра, сейчас не дома.

Помогите дорисовать схему звуковой сигнализации
Добавлено: 28 мар 2017, 20:30
Yaroslav
У вас кнопка сброса с фиксацией что ли? Поэтому замолкнет?
Помогите дорисовать схему звуковой сигнализации
Добавлено: 28 мар 2017, 21:57
Yaroslav
Доработанная схема
P1 -это фаза
P2 - сигнал от другого прибора о том что нужно включить сигнализацию
Помогите дорисовать схему звуковой сигнализации
Добавлено: 29 мар 2017, 13:12
TOPMO3
Yaroslav писал(а):Источник цитаты У вас кнопка сброса с фиксацией что ли? Поэтому замолкнет?
Да.
Yaroslav писал(а):Источник цитаты Доработанная схема...
P1 -это фаза
P2 - сигнал от другого прибора о том что нужно включить сигнализацию
Расскажите алгоритм работы.
Помогите дорисовать схему звуковой сигнализации
Добавлено: 29 мар 2017, 16:28
Yaroslav
Я поставил на катушки промежуточных реле цветные точки, чтобы нам их различать. А желтым обвёл зону о которой мы сейчас будем говорить.
Начнём: пропадает питание на линии после автомата и синее реле выключается, замыкая контакты. С зоны до автомата берётся питание и так как контакты реле замкнуты идёт на красное реле, оно включается и срабатывает схема автоподхвата, также замыкает контакты которые подаёт питание в схему управления звонком (условно скажем что они включают звонок), а еще включают зеленое реле которое размыкает связь от синего реле для включения красного, то есть делает красное реле независим от линии. Кнопка сброс теперь может красное реле выключить и оно не включится не зависимо от состояния синего реле. Когда подаётся напряжение, включением автомата, прокопается подача питания и все реле сбрасываются в исходное положение.
И жизнь в щитке возвращается на круги свои.
Помогите дорисовать схему звуковой сигнализации
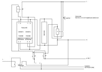
Добавлено: 30 мар 2017, 01:26
Восток
Вот вам схема.
При включении автомата QF, катушка РП включается, и тем самым размыкает контакты РП 1-1 и РП 1-2.
Тем самым размыкает подачу напряжение на звонок и на катушка РП 2.
При отключении автомата QF, катушка РП 1 отключается.
Контакты РП 1-1 замыкаются, подавая напряжение на кнопку сброса.
Контакты РП 1-2 замыкаются подавая напряжение на нормално замкнутые контакты РП 2-2, Звонок включен.
При нажатии кнопки сброс, включается катушка РП 2 , контакт РП 2-1 блокирует кнопку сброс, и удерживает РП 2 вво включеном состоянии.
Контакт РП 2-1 размыкается и тем самым обестачивает звонок.
При включении автомата QF, включается катушка РП 1 и тем самым собирает схему в исходное положение.
Вот и вся схема.
Помогите дорисовать схему звуковой сигнализации
Добавлено: 30 мар 2017, 09:19
Yaroslav
Огроминое спасибо за схему!!! Схема очень хорошая, а главное дешевая.
У меня еще есть место куда надо тоже поставить звонок, но там уже есть выход который включается при аварии. Как адаптировать схему?Вот так?
Помогите дорисовать схему звуковой сигнализации
Добавлено: 30 мар 2017, 12:24
Восток
Да можно эту часть схемы адаптировать в ту схему что у вас есть.