Моргает включенная светодиодная лампа

Обсуждение и решение проблем с уличным и внутридомовым освещением, люминесцентные и светодиодные лампы, установка и схемы подключение светильников и люстр, ремонт, пускорегулирующая аппаратура (ПРА), дросселя, ИЗУ и т.п.
Аватара пользователя
алексей кво
Сообщения: 6
Зарегистрирован: 26 апр 2017, 18:17
Репутация: 0
Контактная информация:

Моргает включенная светодиодная лампа

Сообщение алексей кво » 26 апр 2017, 18:27

доброго времени суток друзья!!! подскажите пожалуйста.имеется светодиодка ekf a-65 11wt 4000k при включении все 36 светодиодов моргают вполнакала. причина драйвер?если драйвер что конкретно вероятнее всего?
Реклама
ПАВ
Сообщения: 7647
Зарегистрирован: 13 авг 2015, 19:54
Репутация: 923
Откуда: Одесса
Контактная информация:

моргает включенная светодиодная лампа

Сообщение ПАВ » 26 апр 2017, 19:12

Имейте привычку писать подробности. Если СД-светильник работает в диммером, это- одно, если нет- другое. Не все СДЛ могут с драйвером работать.
В жизни все не так, как на самом деле...
Аватара пользователя
алексей кво
Сообщения: 6
Зарегистрирован: 26 апр 2017, 18:17
Репутация: 0
Контактная информация:

моргает включенная светодиодная лампа

Сообщение алексей кво » 27 апр 2017, 06:50

лампа работает без диммера. выключатель без светодиодной подсветки.напряжение стабильное не низкое.аналогичная лампочка-копия пока светит нормально.лампе примерно 1год.помещение сухое.
Аватара пользователя
алексей кво
Сообщения: 6
Зарегистрирован: 26 апр 2017, 18:17
Репутация: 0
Контактная информация:

моргает включенная светодиодная лампа

Сообщение алексей кво » 27 апр 2017, 07:04

моргает типа пульсирует.примерно 3 вспышки в секунду.и даже при выключении 2 секунды продолжает пульсировать!!!
ПАВ
Сообщения: 7647
Зарегистрирован: 13 авг 2015, 19:54
Репутация: 923
Откуда: Одесса
Контактная информация:

моргает включенная светодиодная лампа

Сообщение ПАВ » 27 апр 2017, 07:39

Если моргают при включенном, то неонка или СД в подсветке тут ни при чем, это уже шалости драйвера, если есть там такой.
В жизни все не так, как на самом деле...
Аватара пользователя
TOPMO3
Сообщения: 4181
Зарегистрирован: 29 фев 2016, 10:37
Репутация: 626
Откуда: Ижевск
Контактная информация:

моргает включенная светодиодная лампа

Сообщение TOPMO3 » 27 апр 2017, 07:53

алексей кво писал(а):Источник цитаты доброго времени суток друзья!!! подскажите пожалуйста.имеется светодиодка ekf a-65 11wt 4000k при включении все 36 светодиодов моргают вполнакала. причина драйвер?если драйвер что конкретно вероятнее всего?
Надо разбирать и смотреть ... драйверы разные, по сложности, бывают ... если у Вас хватит знаний/умений и желания, можно попробовать отремонтировать.
Желательно бы фото.
Смеюсь последний ... тормоз однако!
ПАВ
Сообщения: 7647
Зарегистрирован: 13 авг 2015, 19:54
Репутация: 923
Откуда: Одесса
Контактная информация:

моргает включенная светодиодная лампа

Сообщение ПАВ » 27 апр 2017, 07:57

Чаще всего- "кандинцатор", как писал один выпускник политеха...
В жизни все не так, как на самом деле...
Аватара пользователя
алексей кво
Сообщения: 6
Зарегистрирован: 26 апр 2017, 18:17
Репутация: 0
Контактная информация:

моргает включенная светодиодная лампа

Сообщение алексей кво » 27 апр 2017, 09:22

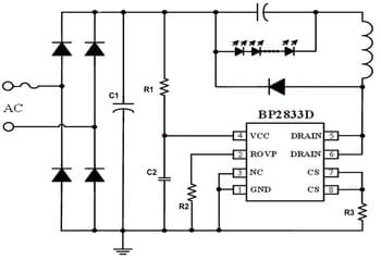
ПАВ, вскрыл светодиодный кластер извлек драйвер.драйвер на основе микрухи bp2832ab.стоят 2 электролита и 1 керамический.предохранитель.катушка индуктивности.трансформатор или дроссель(не понятно сколько выводов).на другой стороне мост.крупный диод и мелкие резисторы.вероятность отказа кондера на выходе?
ПАВ
Сообщения: 7647
Зарегистрирован: 13 авг 2015, 19:54
Репутация: 923
Откуда: Одесса
Контактная информация:

моргает включенная светодиодная лампа

Сообщение ПАВ » 27 апр 2017, 09:37

И на входе, и на выходе, и где угодно- одинакова. Обычно, на донышке есть крестовая насечка и там вздувается у дохлого. А может банальное высыхание.
Вот здесь почти ваша схема:
era13-cir.jpg

Если нечем проверить живость электролитов, проще новые найти, только брать желательно с макс. температурой 105 гр.С
В жизни все не так, как на самом деле...
Аватара пользователя
алексей кво
Сообщения: 6
Зарегистрирован: 26 апр 2017, 18:17
Репутация: 0
Контактная информация:

моргает включенная светодиодная лампа

Сообщение алексей кво » 27 апр 2017, 11:12

спасибо попробую!!!!!
Аватара пользователя
алексей кво
Сообщения: 6
Зарегистрирован: 26 апр 2017, 18:17
Репутация: 0
Контактная информация:

моргает включенная светодиодная лампа

Сообщение алексей кво » 27 апр 2017, 12:08

ЕСТЬ КОНТАКТ!!!!действительно пригляделся отошло донышко на самом крупном электролите 6.8мкф400в.искал сперва вздутый верх-подсказали нашел виновника.в наличии такого не было-поставил 5.6мкф400в не косяк?пока не собираю но все светятся отлично.поищу кондер на 6.8 но любом случае большое СПАСИБО!!!
ПАВ
Сообщения: 7647
Зарегистрирован: 13 авг 2015, 19:54
Репутация: 923
Откуда: Одесса
Контактная информация:

моргает включенная светодиодная лампа

Сообщение ПАВ » 27 апр 2017, 12:14

Скорее, и с этим будет работать, просто при понижении напр. в сети возможны пульсации. Но если учесть разброс емкостей по точности у китайцев, можно и не менять.
В жизни все не так, как на самом деле...
Аватара пользователя
ант@нио
Сообщения: 1174
Зарегистрирован: 19 ноя 2015, 19:17
Репутация: 96
Откуда: МО,Королев
Контактная информация:

Моргает включенная светодиодная лампа

Сообщение ант@нио » 10 май 2017, 20:53

Давно чет я ни че не писал....здарова коллеги :hi:
Значит так....имеем два точечных светильника,с галогенками,работают в паре с вытяжкой,от клавиши с неонкой,перегорает значит одна,дядька-так его назовем,покупает и вктыкает СД лампу,начинается светомузыка а дальше,отрубание и галогенки :help: выкл-вкл. 3 мин. и опять таже песня.....с мерцанием СД лампы понятно,но как обьяснить отключение всего света????
Вставляем обе галогенки,усе оурайт)
Не ищи причину, ищи средство.
Аватара пользователя
Константин
Сообщения: 3464
Зарегистрирован: 16 сен 2015, 10:19
Репутация: 851
Откуда: Новосибирская область
Контактная информация:

Моргает включенная светодиодная лампа

Сообщение Константин » 11 май 2017, 20:05

ант@нио писал(а):Источник цитаты Вставляем обе галогенки,усе оурайт)

Последовательно собрана схема. Гирлянду замутили на потолке с гологенками. Воткнув туда одну LED вот и получил светомузыку.
А еще может напортачили с схемой в распред коробке. Взгляни не такая ли у тебя светомузыка

Проверь оба варианта так как эффект один и тот же. Правда частота моргания разная немного.
ПАВ
Сообщения: 7647
Зарегистрирован: 13 авг 2015, 19:54
Репутация: 923
Откуда: Одесса
Контактная информация:

Моргает включенная светодиодная лампа

Сообщение ПАВ » 11 май 2017, 20:16

Константин, если с двумя штатными ГЛ работает, а с одной+СДЛ- не работает, "намутили" не подходит. Скорее всего, этот "электронный трансформатор"( а не нормальный- медно-железный и тяжелый), не согласен с такой нагрузкой. Это у них такая слабость при отклонении нагрузки от номинала.
В жизни все не так, как на самом деле...
Аватара пользователя
ант@нио
Сообщения: 1174
Зарегистрирован: 19 ноя 2015, 19:17
Репутация: 96
Откуда: МО,Королев
Контактная информация:

Моргает включенная светодиодная лампа

Сообщение ант@нио » 11 май 2017, 21:13

ПАВ что ты имеешь ввиду?
Не ищи причину, ищи средство.
Аватара пользователя
ант@нио
Сообщения: 1174
Зарегистрирован: 19 ноя 2015, 19:17
Репутация: 96
Откуда: МО,Королев
Контактная информация:

Моргает включенная светодиодная лампа

Сообщение ант@нио » 11 май 2017, 21:14

Кость там ещё странность есть,до компа доберусь,напишу.
Не ищи причину, ищи средство.
Аватара пользователя
ант@нио
Сообщения: 1174
Зарегистрирован: 19 ноя 2015, 19:17
Репутация: 96
Откуда: МО,Королев
Контактная информация:

Моргает включенная светодиодная лампа

Сообщение ант@нио » 12 май 2017, 17:16

Так о чем это я...ааа....ну так вот,в туалете стоит два светильника,про светомузыку которую я писал выше......а в ванной три,и когда эту СДЛ включаешь третьей к ГЛ,то все гуд :biggrin: Мне не понятно,с чем связано отключение всего света в туалете и не отключение в ваноой??
ПАВ писал(а):Источник цитаты Это у них такая слабость при отклонении нагрузки от номинала.

Ты про что,уважаемый? Поясни.
Не ищи причину, ищи средство.
ПАВ
Сообщения: 7647
Зарегистрирован: 13 авг 2015, 19:54
Репутация: 923
Откуда: Одесса
Контактная информация:

Моргает включенная светодиодная лампа

Сообщение ПАВ » 12 май 2017, 17:54

В туалете выключение одной ГЛ=50% недогруза блока питания, в в ванной- 30%, вот и ведут себя по-разному. Это трансформатору плевать на такое, электронике- не всегда. Как и на перегруз.
В жизни все не так, как на самом деле...
Аватара пользователя
ант@нио
Сообщения: 1174
Зарегистрирован: 19 ноя 2015, 19:17
Репутация: 96
Откуда: МО,Королев
Контактная информация:

Моргает включенная светодиодная лампа

Сообщение ант@нио » 12 май 2017, 17:57

Я походу ваще заработался :biggrin: ваще не въезжаю..какие трансформаторы,какая электроника? :sorry:
Может я чего не понятно написал?
Не ищи причину, ищи средство.


  • Реклама

Вернуться в «Освещение и источники света»

Кто сейчас на конференции

Сейчас этот форум просматривают: нет зарегистрированных пользователей и 12 гостей