Раскинутая розеточная сеть квартиры

Проектирование внутреннего электроснабжения квартир, домов, коттеджей и т.п. Нормы, типовые проекты, расчеты, делимся своими проектами.
albi
Сообщения: 2
Зарегистрирован: 28 авг 2017, 21:00
Репутация: 0
Контактная информация:

Раскинутая розеточная сеть квартиры

Сообщение albi » 28 авг 2017, 21:24

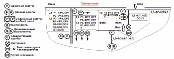
Доброго времени суток. Решил отправить на "суд" "сеть розеток" в 4-х комнатной квартире. Хотел бы узнать мнение о правильности раскинутой сети. Принять рекомендации. :wink: стрессоустойчив.
- в пдф расширении (всё хорошо видно при масштабе 200%) https://cloud.mail.ru/public/GjLc/vd9dEXSxq
- файл автокада (можно в файле править, файл сделал для 2007-го) https://cloud.mail.ru/public/GgSM/fGk8uzE6P
Реклама
Аватара пользователя
elalex
Сообщения: 7423
Зарегистрирован: 21 июл 2015, 08:08
Репутация: 591
Откуда: [email protected]
Контактная информация:

Раскинутая розеточная сеть квартиры

Сообщение elalex » 28 авг 2017, 23:35

1.У вас нормальный ремонт квартиры. И расположение розеток - дело хозяйское, и на расстоянии трудно советуемое. Недавно была похожая тема:
Как расположить электроточки (розетки, выключатели, светильники) в комнате?
viewtopic.php?t=1567
Всё, что я сказал там, могу сказать и Вам.
Сначала почитайте, потом продолжим.
2.Там у человека только одна комната. У вас сложнее.
3.Я в каждую комнату пускаю 2 слабые (3квт=1,5кв) линии питания розеток, каждая на автомате В13. То же на нерабочую сторону кухни. На рабочую сторону кухни 2-3 сильные линии питания розеток (5кВт=2,5кв=автомат В20).
Я не одобряю стиралку в кухне - там не место грязному белью. Обычно стиралка в ванной, где 2 розетки (в т.ч. около зеркала для фена и бритвы).
Если решили водонагреватель ставить в туалете, запитать и его от этой линии. Крайне желательно, чтобы водонагреватель обогревал ванную - зашейте его гипсокартоном, а снизу и сверху сделайте в эту полость дырки из ванной, чтобы была циркуляция воздуха из ванной.
4.Количество и мощность розеточных линий в кухню должно соответствовать мощности оборудования. Нужно нарисовать 1-линейную схему питания всей квартиры с указанием всех аппаратов, их мощностей, марок и сечений кабелей.
До заказа кухни (мебели) и получения её дизайнерского проекта - делать проект питания кухни крайне рискованно.
5.Схема питания освещения - неотъемлемая часть схемы питания квартиры. Нужно показать расположение всех светильников и разбивку их по группам. Рекомендую 2 группы, с чередованием их по квартире (вложение), с питанием от разных УЗО.
6.Для определенности нужно знать, кто будет делать монтаж - сами или электрик со стороны.
7.В таких квартирах я делаю до 20 групп питания розеток и освещения.
8.План кабельных трасс нужно перерисовать в 1-линейном виде. Если будете делать сами, на нем нужно указать все жилы (вложение). Типы, жильность и количество кабелей решится потом.
9.На планах я рисую собственные обозначения соединительных коробок, розеток, выключателей, светильников.
10.Постарайтесь рисунки вместить на форум без ссылок. Не сильно сложные картинки вполне влезают.
11.Я правильно понял - квартирный щит внутри квартиры?
12.Как с электрическими покупками? Пока всё не станет совершенно ясно - ничего не покупайте.
Вложения
План кабельных трасс 2.png
Чередование групп освещения.png
Одиночный свободный электрик
Опыт ремонтов квартир 20лет
Высшее электрическое образование
Бывший инженер-электрик
Пенсионер
64 года
Пишу для владельцев частного жилья
Запасной E–mail для россиян: [email protected]
Аватара пользователя
A.Li
Сообщения: 1766
Зарегистрирован: 03 дек 2015, 09:02
Репутация: 69
Откуда: Омская обл.
Контактная информация:

Раскинутая розеточная сеть квартиры

Сообщение A.Li » 29 авг 2017, 04:27

elalex писал(а):Источник цитаты В20

elalex писал(а):Источник цитаты 2,5кв

По таб.ПУЭ 1.3.4 длит.допустим.ток для этого сечения 25А, АВ20 около часа держит 29А. Плюс зачастую жилы пониж.качества. Так неужели не лучше ставить АВ16 ? То же касается и соотношения АВ13 И 1.5кв., где я бы предпочел 2.5кв., т.б. учитывая современную растущую нагрузку розеток.
Аватара пользователя
elalex
Сообщения: 7423
Зарегистрирован: 21 июл 2015, 08:08
Репутация: 591
Откуда: [email protected]
Контактная информация:

Раскинутая розеточная сеть квартиры

Сообщение elalex » 29 авг 2017, 06:32

1.ПУЭ - филькина грамота по сравнению с ГОСТ Р 50571.5.52-2011/МЭК 60364-5-52:2009
"Электроустановки низковольтные. Часть 5-52.
Выбор и монтаж электрооборудования. Электропроводки", Приложение B
Почитайте, какие бывают способы прокладки и токовые нагрузки при этом.
2.Вы как-то уже удивлялись разночтению ПУЭ и этого ГОСТ (прокладка кабеля по дереву) - удивитесь ещё раз.
3.Единственный критерий допустимого тока - допустимый нагрев изоляции (для ВВГ - 70°). Возьмите провод из ВВГ и нагружайте его, пока не сможете удержать рукой. Это будет при максимально допустимом токе.
Для разных условий прокладки и окружающей среды допустимый ток разный.
Верите ПУЭ - применяйте его. Я верю другой таблице.
4.Откуда Вы знаете качество жил?
5.Если кабель хорошо ведет себя с автоматом В20, то с автоматом В16 будет хуже - уменьшается пропускная способность кабеля.
6.Уже говорили про сложность монтажа розеток сечением 2,5кв.
7.Увеличение сечения подходящего провода не увеличивает максимальную мощность, которую можно снять с розетки. Все розетки имеют одинаковый максимальный ток - 16А.
Среди мотоциклистов ходит миф, что увеличение объема топливного бака увеличивает мощность двигателя.
Одиночный свободный электрик
Опыт ремонтов квартир 20лет
Высшее электрическое образование
Бывший инженер-электрик
Пенсионер
64 года
Пишу для владельцев частного жилья
Запасной E–mail для россиян: [email protected]
Аватара пользователя
A.Li
Сообщения: 1766
Зарегистрирован: 03 дек 2015, 09:02
Репутация: 69
Откуда: Омская обл.
Контактная информация:

Раскинутая розеточная сеть квартиры

Сообщение A.Li » 29 авг 2017, 07:04

elalex писал(а):Источник цитаты Откуда Вы знаете качество жил?

А Вы не заметили снижение качества , экономии во всем, после развала совка и отмены строгих обязательных ГОСТов ( имхо большой минус в нашем диком капитализме ).
elalex писал(а):Источник цитаты Если кабель хорошо ведет себя с автоматом В20, то с автоматом В16 будет хуже - уменьшается пропускная способность кабеля.

Не понятная формулировка. Номинал АВ ограничивает макс. мощность нагрузки с целью защиты проводника.
elalex писал(а):Источник цитаты Уже говорили про сложность монтажа розеток сечением 2,5кв.

Лично, не испытываю большой сложности, это же не 4кв.
elalex писал(а):Источник цитаты Увеличение сечения подходящего провода не увеличивает максимальную мощность, которую можно снять с розетки.

Согласен. Дело в допустимом нагреве проводника.
ПАВ
Сообщения: 7647
Зарегистрирован: 13 авг 2015, 19:54
Репутация: 923
Откуда: Одесса
Контактная информация:

Раскинутая розеточная сеть квартиры

Сообщение ПАВ » 29 авг 2017, 07:52

О сложности монтажа розеток. Дело да же не в ней, правда, если сделать одну-две- несложно, но десяток-два? Не подарок. Второй вопрос- какая нужда, за редким исключением- стиралка, бойлер, иметь в квартире розетки с такими проводами? Все они, даже на них написано- не более 16 А, что, 1,5 мм. кв. недостаточно? С учетом тенденции к снижению потребления и по техническим, и финансовым соображениям, 16 А мало?
О качестве совковой продукции, проводов, в частности- кто-то еще верит, что Докторская была вся из отборного мяса, а не изсисек-писек-обрези? Новые ГОСТы разве не есть старые совковые, и там сечение меди было точно по написанному?
В жизни все не так, как на самом деле...
Аватара пользователя
elalex
Сообщения: 7423
Зарегистрирован: 21 июл 2015, 08:08
Репутация: 591
Откуда: [email protected]
Контактная информация:

Раскинутая розеточная сеть квартиры

Сообщение elalex » 29 авг 2017, 08:22

A.Li писал(а):Источник цитаты
elalex писал(а):Источник цитаты Откуда Вы знаете качество жил?

А Вы не заметили снижение качества , экономии во всем, после развала совка и отмены строгих обязательных ГОСТов ( имхо большой минус в нашем диком капитализме )
1.Я не лаборатория, определять качество кабелей не умею.
2.Экономию во всем делают для нищих. Нормальные люди имеют возможность покупать без экономии.
3.Строгие обязательные ГОСТ - отрыжка тоталитаризма. Различаете успехи тоталитаризма и демократии?
Одиночный свободный электрик
Опыт ремонтов квартир 20лет
Высшее электрическое образование
Бывший инженер-электрик
Пенсионер
64 года
Пишу для владельцев частного жилья
Запасной E–mail для россиян: [email protected]
Аватара пользователя
elalex
Сообщения: 7423
Зарегистрирован: 21 июл 2015, 08:08
Репутация: 591
Откуда: [email protected]
Контактная информация:

Раскинутая розеточная сеть квартиры

Сообщение elalex » 29 авг 2017, 08:32

A.Li писал(а):Источник цитаты .
elalex писал(а):Источник цитаты Если кабель хорошо ведет себя с автоматом В20, то с автоматом В16 будет хуже - уменьшается пропускная способность кабеля.

Не понятная формулировка. Номинал АВ ограничивает макс. мощность нагрузки с целью защиты проводника.
Считаю, что ограничивать максимальную мощность нагрузки на сечении 2,5кв с автомата В20 на автомат В16 смысла не имеет. Считаю, что автомат В20 и так нормально защищает сечение 2,5кв
elalex писал(а):Источник цитаты Уже говорили про сложность монтажа розеток сечением 2,5кв.

Лично, не испытываю большой сложности, это же не 4кв.
Покажите фото, посмотрим.
Последний раз редактировалось elalex 29 авг 2017, 09:39, всего редактировалось 1 раз.
Одиночный свободный электрик
Опыт ремонтов квартир 20лет
Высшее электрическое образование
Бывший инженер-электрик
Пенсионер
64 года
Пишу для владельцев частного жилья
Запасной E–mail для россиян: [email protected]
ПАВ
Сообщения: 7647
Зарегистрирован: 13 авг 2015, 19:54
Репутация: 923
Откуда: Одесса
Контактная информация:

Раскинутая розеточная сеть квартиры

Сообщение ПАВ » 29 авг 2017, 08:47

elalex писал(а):Источник цитаты 3.Строгие обязательные ГОСТ - отрыжка тоталитаризма. Различаете успехи тоталитаризма и демократии?

Ну тут вы загнули...По-вашему, то сортамент проводов, в частности, в самой демократической стране производится после плебисцита? А не здравого смысла ?
В жизни все не так, как на самом деле...
Аватара пользователя
elalex
Сообщения: 7423
Зарегистрирован: 21 июл 2015, 08:08
Репутация: 591
Откуда: [email protected]
Контактная информация:

Раскинутая розеточная сеть квартиры

Сообщение elalex » 29 авг 2017, 08:57

Демократия - политический режим, а не способ принятия любых решений:
https://ru.wikipedia.org/wiki/Демократия
Одиночный свободный электрик
Опыт ремонтов квартир 20лет
Высшее электрическое образование
Бывший инженер-электрик
Пенсионер
64 года
Пишу для владельцев частного жилья
Запасной E–mail для россиян: [email protected]
ПАВ
Сообщения: 7647
Зарегистрирован: 13 авг 2015, 19:54
Репутация: 923
Откуда: Одесса
Контактная информация:

Раскинутая розеточная сеть квартиры

Сообщение ПАВ » 29 авг 2017, 09:04

elalex писал(а):Источник цитаты Демократия - политический режим, а не способ принятия любых решений:
https://ru.wikipedia.org/wiki/Демократия

Правильно, поэтому сечения выбирают специалисты и укладывают их в антинародные нормы и правила, у них без этого нельзя. У них даже ПДД есть и работают.
Поэтому в разговорах о технике вспоминать силу народа не стоит. Достаточно технических правил.
В жизни все не так, как на самом деле...
Аватара пользователя
Восток
Сообщения: 850
Зарегистрирован: 30 янв 2016, 18:07
Репутация: 429
Контактная информация:

Раскинутая розеточная сеть квартиры

Сообщение Восток » 29 авг 2017, 09:28

На бойлер ведите отдельную группу 3*2,5 автомат + УЗО (или дифавтомат по мощности бойлера)
На стиралку отдельную группу 3*2,5 автомат + УЗО (или дифавтомат по мощности бойлера)
Общее УЗО 32А/30 мА
На духовку одельную группу 3*2,5 автомат по мощности духовки
На розетку и микроволновку отдельную группу 3*2,5 автомат на 16А
Остальные розетки без изминения автоматы на 16А
Аватара пользователя
elalex
Сообщения: 7423
Зарегистрирован: 21 июл 2015, 08:08
Репутация: 591
Откуда: [email protected]
Контактная информация:

Раскинутая розеточная сеть квартиры

Сообщение elalex » 29 авг 2017, 09:34

В демократических странах обязательных стандартов на изделия нет, есть только обязательные стандарты на безопасность изделий. Кто хочет - внедряет у себя стандарты качества. Вот что делает сила народа с техническими правилами.
Одиночный свободный электрик
Опыт ремонтов квартир 20лет
Высшее электрическое образование
Бывший инженер-электрик
Пенсионер
64 года
Пишу для владельцев частного жилья
Запасной E–mail для россиян: [email protected]
albi
Сообщения: 2
Зарегистрирован: 28 авг 2017, 21:00
Репутация: 0
Контактная информация:

Раскинутая розеточная сеть квартиры

Сообщение albi » 29 авг 2017, 10:49

elalex писал(а):Источник цитаты 11.Я правильно понял - квартирный щит внутри квартиры?

да, правильно (вынес чтоб не загромождать чертёж)

elalex писал(а):Источник цитаты 12.Как с электрическими покупками? Пока всё не станет совершенно ясно - ничего не покупайте.

это понял как начал вникать в электрику и после приглашения разных мастеров/специалистов, но понял одно надо начать с проекта и вот делаю :wink: с подсказками.

elalex писал(а):Источник цитаты 7.В таких квартирах я делаю до 20 групп питания розеток и освещения.

так и выйдет

elalex писал(а):Источник цитаты Я в каждую комнату пускаю 2 слабые (3квт=1,5кв) линии питания розеток

я рад поставить слабые линии, но есть "но", для женщины, мамы женщины и детей трудно достучаться. Да и говорить вот в эту розетку можно включить обогреватель (на 1,8 кВт), а в эту нет (мне кажется у них сразу срабатывает "что-то сделал не так" или плохо) не хочется. Ещё довод: если переставит мебель в комнате и будет холодно и как следствие поближе переставит и "воткнёт" в слабую линию...
ещё несколько сценарием можно расписать, думаю чтоб наверняка 2,5 кв.

Восток писал(а):Источник цитаты На бойлер ведите отдельную группу 3*2,5 автомат + УЗО (или дифавтомат по мощности бойлера)
На стиралку отдельную группу 3*2,5 автомат + УЗО (или дифавтомат по мощности бойлера)
Общее УЗО 32А/30 мА
На духовку одельную группу 3*2,5 автомат по мощности духовки
На розетку и микроволновку отдельную группу 3*2,5 автомат на 16А
Остальные розетки без изминения автоматы на 16А

полезная и понятная информация
Аватара пользователя
A.Li
Сообщения: 1766
Зарегистрирован: 03 дек 2015, 09:02
Репутация: 69
Откуда: Омская обл.
Контактная информация:

Раскинутая розеточная сеть квартиры

Сообщение A.Li » 29 авг 2017, 11:17

ПАВ писал(а):Источник цитаты не более 16 А, что, 1,5 мм. кв. недостаточно?

Достаточно, подвожу 2.5кв и разветвляю на розетки блока 1.5кв
Аватара пользователя
A.Li
Сообщения: 1766
Зарегистрирован: 03 дек 2015, 09:02
Репутация: 69
Откуда: Омская обл.
Контактная информация:

Раскинутая розеточная сеть квартиры

Сообщение A.Li » 29 авг 2017, 11:20

ПАВ писал(а):Источник цитаты Докторская

Имхо не стоит ровнять колбасу к проводам. Колбаса и раньше была из бумаги, хоть не из сои как сейчас. А провода и др. Тех. Производство было лучше.
Аватара пользователя
A.Li
Сообщения: 1766
Зарегистрирован: 03 дек 2015, 09:02
Репутация: 69
Откуда: Омская обл.
Контактная информация:

Раскинутая розеточная сеть квартиры

Сообщение A.Li » 29 авг 2017, 11:21

ПАВ писал(а):Источник цитаты Докторская

Имхо не стоит ровнять колбасу к проводам. Колбаса и раньше была из бумаги, хоть не из сои как сейчас. А провода и др. Тех. Производство было лучше.
Аватара пользователя
A.Li
Сообщения: 1766
Зарегистрирован: 03 дек 2015, 09:02
Репутация: 69
Откуда: Омская обл.
Контактная информация:

Раскинутая розеточная сеть квартиры

Сообщение A.Li » 29 авг 2017, 11:23

elalex писал(а):Источник цитаты ГОСТ - отрыжка тоталитаризма

Не хайте ГОСТ, сейчас мы едим дерьмо без ГОСТов
Аватара пользователя
A.Li
Сообщения: 1766
Зарегистрирован: 03 дек 2015, 09:02
Репутация: 69
Откуда: Омская обл.
Контактная информация:

Раскинутая розеточная сеть квартиры

Сообщение A.Li » 29 авг 2017, 11:31

elalex писал(а):Источник цитаты Считаю, что ограничивать максимальную мощность нагрузки на сечении 2,5кв с автомата В20 на автомат В16 смысла не имеет. Считаю, что автомат В20 и так нормально защищает сечение 2,5кв

Посмотрел ГОСТ рекомендованный Вами. Нашел аналогию ПУЭ. Т.е. 2.5кв держит 29А в земле. На воздухе 25А. Поэтому больше подходит АВ16. Поправьте если я не увидел с точной сноской на таблицу.

По соображениям электробезопасности лучше взять проводник большего сечения чем впритык.
Аватара пользователя
A.Li
Сообщения: 1766
Зарегистрирован: 03 дек 2015, 09:02
Репутация: 69
Откуда: Омская обл.
Контактная информация:

Раскинутая розеточная сеть квартиры

Сообщение A.Li » 29 авг 2017, 11:47

albi писал(а):Источник цитаты думаю чтоб наверняка 2,5 кв.

На одну розетку вести 1.5кв. Если больше одной вместе ( блок ) то вести 2.5кв и перед блоком в распредкоробке делить 2.5кв на 1.5кв. для кажд. розетки.


  • Реклама

Вернуться в «Проектирование внутреннего электроснабжения»

Кто сейчас на конференции

Сейчас этот форум просматривают: Bing [Bot] и 15 гостей