Эл. схема для систему водоснабжения

Выбор, пуск, схемы подключения и соединения обмоток, реверс различных электродвигателей.
Kamil
Сообщения: 1
Зарегистрирован: 05 окт 2017, 17:38
Репутация: 0
Контактная информация:

Эл. схема для систему водоснабжения

Сообщение Kamil » 05 окт 2017, 19:14

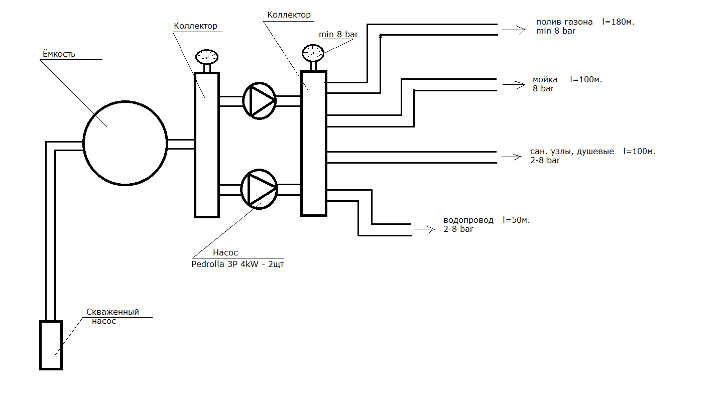
Как правильно задействовать эту систему водоснабжения. Нужна эл. схема.
Вложения
Безымянный.png
Последний раз редактировалось Kamil 05 окт 2017, 19:18, всего редактировалось 2 раза.
Реклама
Аватара пользователя
elalex
Сообщения: 7423
Зарегистрирован: 21 июл 2015, 08:08
Репутация: 591
Откуда: [email protected]
Контактная информация:

Эл. схема для систему водоснабжения

Сообщение elalex » 05 окт 2017, 19:18

1.Стандартно электрическая схема водоснабжения имеет датчик давления после гидроаккумулятора, который управляет насосом.
2.У вас система сложнее. Я не сантехник, но инженер-электрик по автоматике. Меня учили гордиться своей специальностью, потому что я должен знать не только автоматику, но и технологический процесс, который она обеспечивает. Т.е. быть на голову выше технологов.
3.Так вот: думаю, технология подачи воды неправильная.
Думаю, в линии подачи воды от скважинного насоса должен быть обратный клапан. Может, он и есть в составе этого насоса, но не нарисован.
Ко второму коллектору должны быть подключены: емкость (гидроаккумулятор) и датчик давления.
Емкость (гидроаккумулятор) после скважинного насоса не помешает. Имеет смысл на эту емкость поставить датчик давления, который будет управлять скважинным насосом.
Датчик давления - простейший аппарат, имеет 2 последовательных контакта - должен включать через контакторы все 3 насоса.
4.В более простом случае (с одним датчиком давления) производительности и давления всех насосов должны быть согласованы. Аварии не будет (нормальные насосы имеют предохранительные клапаны давления), но ни один насос не должен работать вхолостую из-за чрезмерного давление или производительности. У меня был случай, когда из-за залипания датчика давления насос работал непрерывно месяц - ничего страшного, кроме напрасно потраченной эл.энергии.
Одиночный свободный электрик
Опыт ремонтов квартир 20лет
Высшее электрическое образование
Бывший инженер-электрик
Пенсионер
64 года
Пишу для владельцев частного жилья
Запасной E–mail для россиян: [email protected]


  • Реклама

Вернуться в «Электродвигатели переменного и постоянного тока»

Кто сейчас на конференции

Сейчас этот форум просматривают: нет зарегистрированных пользователей и 11 гостей