Всем доброго времени суток!
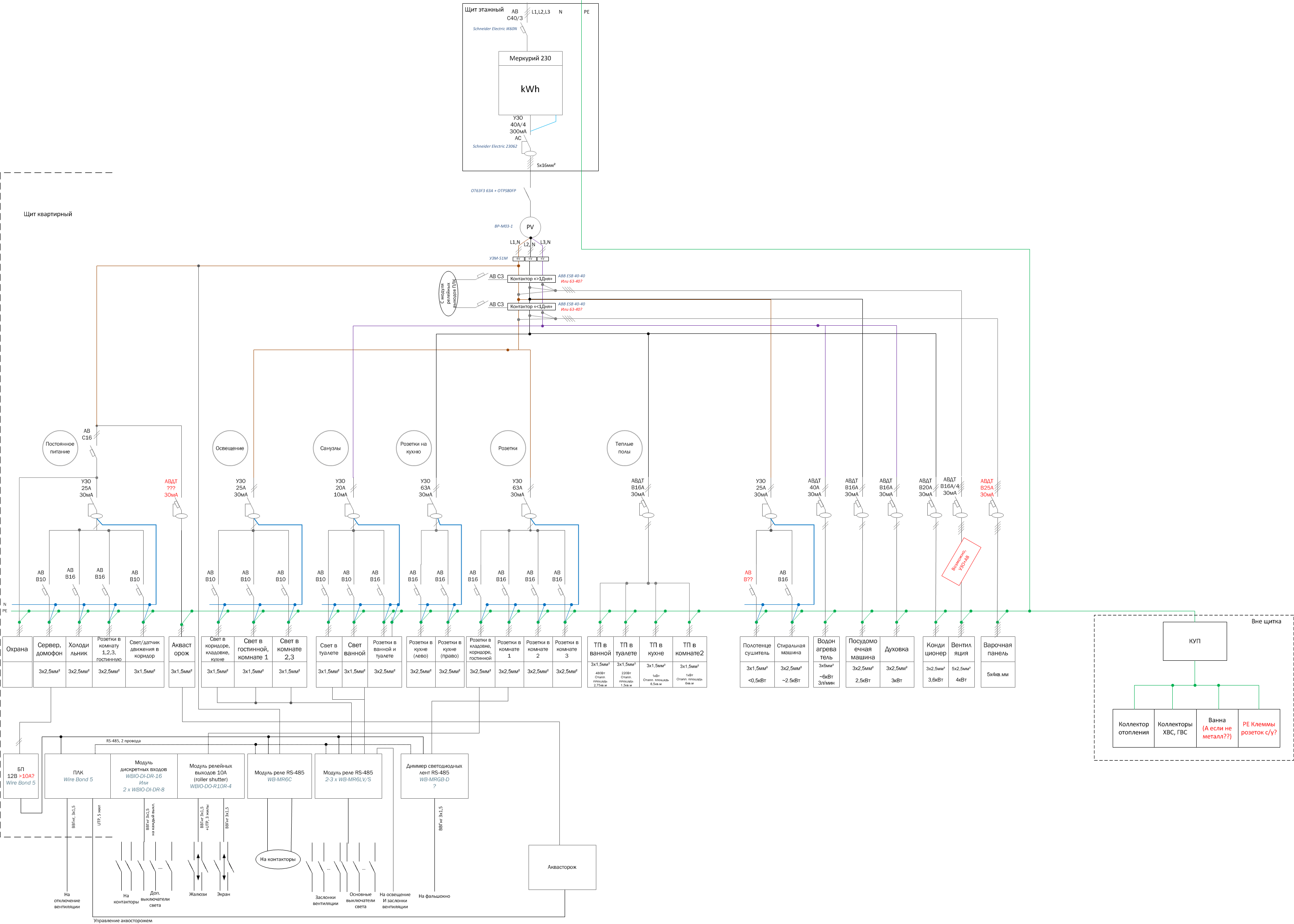
В квартиру в новом доме проектирую себе электрощиток. Ввод 3-х фазный.
Пока нарисовал однолинейную схему и буду очень благодарен за замечания по ней.
Помимо общих замечаний буду благодарен если посоветуете:
[*]Как оптимизировать щиток - сейчас сам вижу, что он избыточен?
[*]Где стоит ставить УЗО/диф на 10мА
[*]Где стоит ставить УЗО/диф типа А
[*]Автоматы нужно ставить после релейных блоков ПЛК (как сейчас между релейными блоками и контактором) или до (как для групп освещения)?
[*]При вводном автомате в 40А/3 контакторы стоит брать на 40А или на 63А?
[*]Какой диф ставить на Аквасторож и Полотенцесушитель - они какие-то маломощные...
[*]Как сделать, что бы схема попроще читалась? (мне то все понятно, я ее почти наизусть помню, а вот другим показывать...)
После того как получу все замечания и исправлю их, планирую нарисовать монтажную схему, а уж потом собирать сам щиток.
Спасибо!

