Я не уверен, но мне кажется, сетевая организация должна была довести линию до участка.Garpiy 717 писал(а):Источник цитаты Силовики поставили трубостойку возле столба с двумя боксами. Участок через дорогу. Есть прокол, проложена ПНД, но тянуть буду бронированный кабель.
ПУЭ требует на все отходящие ставить свою защиту (автоматы).Уже на своем участке решил поставить дополнительную трубостойку для разводки кабелей на баню, септик, дом и ворота.
Никакого ТТ у Вас нет, имеется повторное заземление нуля (на ЩУ) - всё правильно.Судя по всему у меня сделали ТТ,
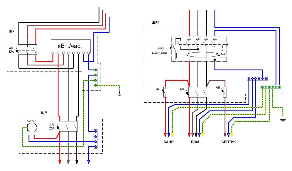
Если собираетесь делать TN-C-S, то и на остальные, отходящие линии тяните пятижильные кабеля (а не только на дом).а я хочу TNCS. Делить хочу в ЩР1. Набросал схему.Требуется критика.
PEN превращается в N только после коммутирующего оборудования (диф и просто автоматы, УЗО, всякие реле и контакторы) ... счетчик к таким приборам не относится (надеюсь Ваш счетчик не имеет функцию отключения).Garpiy 717 писал(а):Источник цитаты TOPMO3, меня больше интересует PEN . Остался ли он полноценным или после счетчика превратился в N?

TOPMO3 писал(а):Источник цитаты Мое видение
elalex писал(а):Источник цитаты останетесь с Тормозом.
elalex писал(а):Источник цитаты 2.Я люблю давать советы, спрашивая
Если монтаж делали специалисты, они должны были учитывать требования ПУЭ ... делайте запрос к монтажникам.Garpiy 717 писал(а):Источник цитаты... Все равно есть сомнения на счет PEN или N из счетчика, так как не знаю 10мм ли вытащил электрик на шину или меньше. ЩУ опечан , а в окошко особо не видно--загораживают провода СИП.
Как я понял - однофазка. Тогда схема типа такого ...Кабели на баню, септик и ворота пойдут 3-х жильные.
Интересно было бы узнать, какое максимальное расстояние должно быть по НТД. Я знаю, что свое вводное, Вы имеете право устанавливать не далее 25 метров (в глубь участка) от границы ... а до куда они обязаны тащить линию - не знаю.Самому не нравится, что трубостойка у столба через дорогу, но ничего не попишешь.
Поэтому и писал, что желательно УЗО ставить за дорогой.Дорога свежая, летом отсыпали, поселок новый совсем, все строятся--ездят Тонары по 40т с песком, щебенкой. Вот и решил запихнуть в кусок ПНД, что под дорогой ВБбШВ и дальше он пойдет без труб.
Зря Вы так пишите ... явно не "в теме". Задавая свои вопросы, Вы показали полную свою дремучесть ... а им надо работать, а не читать лекции по ОЭ.Garpiy 717 писал(а):Источник цитатыПриезжает электрик и монтирует трубостойку со всеми причиндалами с подключением. Я пытался вызнать у этого электрика, когда он вел монтаж на соседнем участке, какая система заземления, как он делает разводку в ЩУ.....но мне дали понять , что сие великая тайна типа читайте свои ТУ. А ТУ и не будет никаких---силовики ставят трубостойку и все---дальше все сам......стоит это удовольствие--23000р.
TOPMO3 писал(а):Выбор полностью зависит от Вашего желания (с учетом параметров питающей линии) ... система организуется уже на Вашей территории, в границах Вашей эксплуатационной ответственности.
)
)Garpiy 717 писал(а):Источник цитаты нарисовал
Вернуться в «Заземление и молниезащита»
Сейчас этот форум просматривают: Baidu [Spider] и 11 гостей