Подключение четырех-полюсного УЗО.

Принцип работы, типы и разновидности, выбор, проверка, схемы подключения, причины отключения и т.п.
Таок
Сообщения: 5
Зарегистрирован: 26 дек 2017, 03:35
Репутация: 0
Контактная информация:

Подключение четырех-полюсного УЗО.

Сообщение Таок » 26 дек 2017, 03:50

Приветствую!
Ситуация такова. В щит приходит 5-жильный кабель. Фазы и ноль заходят в счетчик, а РЕ соответственно на РЕ-шину. Из счетчика фазы на АВ трех-фазный, а ноль на шину. Ставлю УЗО. Четырех-полюсное. Из вводного АВ фазы на УЗО, ноль из счетчика вынимаю из шины и втыкаю в УЗО. Все это время вводной АВ отключен. Подключаю в УЗО ноль, снизу, прикасаюсь этим нолем к нулевой шине и УЗО вырубается. Без напряжения в щите!
Щит металлический. УЗО не влезало, поэтому снизу поставил маленький щиток . В него поставил УЗО. Когда тянул кабеля между щитами - вроде нигде металлического корпуса не касаются они.
Выручайте знатоки. :sorry:
Реклама
Аватара пользователя
elalex
Сообщения: 7423
Зарегистрирован: 21 июл 2015, 08:08
Репутация: 591
Откуда: [email protected]
Контактная информация:

Подключение четырех-полюсного УЗО.

Сообщение elalex » 26 дек 2017, 04:23

1.Где это всё стоит и кто Вы при нём?
2.Всё, что сказали словами - нарисуйте. Всю схему тоже.
Последний раз редактировалось elalex 26 дек 2017, 05:11, всего редактировалось 1 раз.
Одиночный свободный электрик
Опыт ремонтов квартир 20лет
Высшее электрическое образование
Бывший инженер-электрик
Пенсионер
64 года
Пишу для владельцев частного жилья
Запасной E–mail для россиян: [email protected]
Таок
Сообщения: 5
Зарегистрирован: 26 дек 2017, 03:35
Репутация: 0
Контактная информация:

Подключение четырех-полюсного УЗО.

Сообщение Таок » 26 дек 2017, 04:36

Это магазин. Оборудование все однофазное. 2 компа, 2 принтера, роутер, сигнализация, вывеска, пара ЖК, кондиционер.

IMG_20171225_231243-1.jpg
Фото щита
Аватара пользователя
elalex
Сообщения: 7423
Зарегистрирован: 21 июл 2015, 08:08
Репутация: 591
Откуда: [email protected]
Контактная информация:

Подключение четырех-полюсного УЗО.

Сообщение elalex » 26 дек 2017, 05:03

1.ЖК - это что?
2.Зачем 3-фазные аппараты?
3.Что за автоматы АВВ со знаком российской сертификации?
4.Остальные ответы будут?
Одиночный свободный электрик
Опыт ремонтов квартир 20лет
Высшее электрическое образование
Бывший инженер-электрик
Пенсионер
64 года
Пишу для владельцев частного жилья
Запасной E–mail для россиян: [email protected]
Таок
Сообщения: 5
Зарегистрирован: 26 дек 2017, 03:35
Репутация: 0
Контактная информация:

Подключение четырех-полюсного УЗО.

Сообщение Таок » 26 дек 2017, 11:20

ЖК-панель. Телевизор. Автоматы ABB S233r и S231r.
Про трехфазные аппараты вообще не понял.
Есть мысли почему это происходит?
Аватара пользователя
TOPMO3
Сообщения: 4181
Зарегистрирован: 29 фев 2016, 10:37
Репутация: 626
Откуда: Ижевск
Контактная информация:

Подключение четырех-полюсного УЗО.

Сообщение TOPMO3 » 26 дек 2017, 12:15

Таок писал(а):Источник цитаты ... Все это время вводной АВ отключен. Подключаю в УЗО ноль, снизу, прикасаюсь этим нолем к нулевой шине и УЗО вырубается. Без напряжения в щите!
Щит металлический.
01.JPG

"Нуль" выходящий из УЗО, должен иметь свою (отдельную от других) шину "нуль".
Сколько УЗО установлено в щите, столько и шинок нулевых. :wink:
Смеюсь последний ... тормоз однако!
Аватара пользователя
ант@нио
Сообщения: 1174
Зарегистрирован: 19 ноя 2015, 19:17
Репутация: 96
Откуда: МО,Королев
Контактная информация:

Подключение четырех-полюсного УЗО.

Сообщение ант@нио » 26 дек 2017, 12:26

Смею предположить,что рабочий ноль и земля,у вас после УЗО замыкаются,тем самым создавая утечку,которой хватает для срабатывания УЗО!
Таок писал(а):Источник цитаты вводной АВ отключен

Это нормально!
Не ищи причину, ищи средство.
Аватара пользователя
ант@нио
Сообщения: 1174
Зарегистрирован: 19 ноя 2015, 19:17
Репутация: 96
Откуда: МО,Королев
Контактная информация:

Подключение четырех-полюсного УЗО.

Сообщение ант@нио » 26 дек 2017, 12:29

elalex писал(а):Источник цитаты 1.ЖК - это что?
2.Зачем 3-фазные аппараты?
3.Что за автоматы АВВ со знаком российской сертификации?

Вот какая Вам разница???????????
Не ищи причину, ищи средство.
Таок
Сообщения: 5
Зарегистрирован: 26 дек 2017, 03:35
Репутация: 0
Контактная информация:

Подключение четырех-полюсного УЗО.

Сообщение Таок » 14 янв 2018, 19:57

Мда. Ну вообщем проблема в одной линии. Линия освещения. Если ноль этой линии откинуть - УЗО не срабатывает. Проверка непрерывности этого ноля почему то показывает что он замкнут с несколькими РЕ-проводниками других линий. Не со своим. Разбирал, искал, отключал - не нашел. Видимо проще перетянуть линию и забыть.
Аватара пользователя
Леопольд
Сообщения: 2199
Зарегистрирован: 05 янв 2016, 14:35
Репутация: 74
Контактная информация:

Подключение четырех-полюсного УЗО.

Сообщение Леопольд » 14 янв 2018, 21:21

По моему РЕ общий для всех, а вот 0 после каждого УЗО свой.
Кандидат в младшие помощники начинающего ученика электрика
Аватара пользователя
TOPMO3
Сообщения: 4181
Зарегистрирован: 29 фев 2016, 10:37
Репутация: 626
Откуда: Ижевск
Контактная информация:

Подключение четырех-полюсного УЗО.

Сообщение TOPMO3 » 15 янв 2018, 09:05

Таок писал(а):Источник цитаты Мда. Ну вообщем проблема в одной линии. Линия освещения. Если ноль этой линии откинуть - УЗО не срабатывает. Проверка непрерывности этого ноля почему то показывает что он замкнут с несколькими РЕ-проводниками других линий. Не со своим. Разбирал, искал, отключал - не нашел. Видимо проще перетянуть линию и забыть.
Извините, или я чото недопонял, или Вы сами не можете толком описать свою ситуацию. :pardon:
Начнем с начала ... если Вы не против.
Ставлю УЗО. Четырех-полюсное.
Где оно? На фото я вижу только два УЗО (двухполюсных).
Из вводного АВ фазы на УЗО, ноль из счетчика вынимаю из шины и втыкаю в УЗО.
Эти слова не подтверждаются с картинкой. :nea:
Если Вы действительно сделали так, то Вы сделали большую глупость ... оставив верхнюю часть щитка без нуля.
Все это время вводной АВ отключен. Подключаю в УЗО ноль, снизу, прикасаюсь этим нолем к нулевой шине и УЗО вырубается. Без напряжения в щите!
Это штатное отрабатывание УЗО.
УЗО отключается и при касании РЕ и фазой, и при касании нулем.
То что вводное отключено, не имеет значения ... на "нуле" всегда имеется какой нить потенциал (за счет перекоса фаз)
... поставил маленький щиток . В него поставил УЗО.
Почему не дали фото?

з.ы. Чем не удовлетворял имеющий щиток и зачем Вы вообще решили ставить это УЗО?
Проверка непрерывности этого ноля почему то показывает что он замкнут с несколькими РЕ-проводниками других линий. Не со своим.
Блин!!! Вы что не в курсе, что они (N и PE) ... ДОЛЖНЫ ПРОЗВАНИВАТЬСЯ? У Вас же система TN-C-S!!!
:sad:...однако
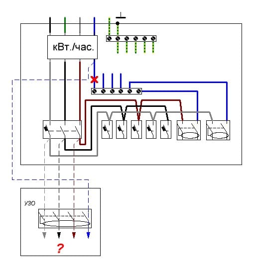
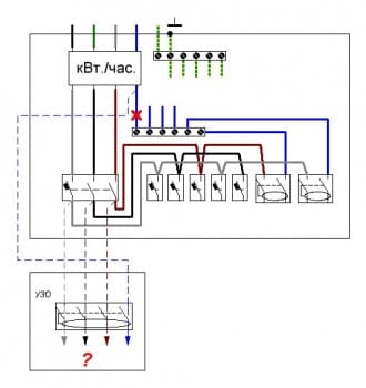
Если у Вас есть желание разобраться - давайте нарисуем Вашу схему. Вот по фото и описанию ... подправляйте.
Вложения
00.JPG
Смеюсь последний ... тормоз однако!
Аватара пользователя
Леопольд
Сообщения: 2199
Зарегистрирован: 05 янв 2016, 14:35
Репутация: 74
Контактная информация:

Подключение четырех-полюсного УЗО.

Сообщение Леопольд » 15 янв 2018, 12:21

ант@нио писал(а):Источник цитаты Вот какая Вам разница???????????

Думаю это была разведка. Прощупывание собеседника - на каком языке с ним говорить...
Кандидат в младшие помощники начинающего ученика электрика
Аватара пользователя
Oasis
Сообщения: 34
Зарегистрирован: 11 янв 2018, 14:33
Репутация: 0
Контактная информация:

Подключение четырех-полюсного УЗО.

Сообщение Oasis » 15 янв 2018, 23:09

После счётчика фаза и N должны прийти на УЗО на соответствующие клеммы. А с шины РЕ напрямую к потребителю (розетке). РЕ через УЗО не пропускать.. УЗО срабатывает от разности потенциалов между фактически нулевой точкой трансформатора и землёй. Напряжение не большое, но достаточное для срабатывания УЗО. :secret:
Семь раз замерь - один подключай


  • Реклама

Вернуться в «УЗО и дифференциальные автоматы»

Кто сейчас на конференции

Сейчас этот форум просматривают: Google [Bot] и 9 гостей