сбор схемы водяного насоса

Делимся информацией по ремонту бытовой техники (стиральные машины, пылесосы, фены, вентиляторы, электроплиты, холодильники, СВЧ-печи и т.п.)
Сергей-Батайск
Сообщения: 1
Зарегистрирован: 25 фев 2018, 14:57
Репутация: 0
Контактная информация:

сбор схемы водяного насоса

Сообщение Сергей-Батайск » 25 фев 2018, 15:08

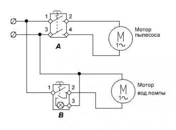
Разобрал пылесос, чтоб почистить, как собрать обратно эл.схему не помойму подскажите, какой куда провод подключать, цвета также как и в реальной схеме. Кнопка "В" со светодиодом. Кнопка "А" одновремено замыкает клемы 1-2 и 3-4. Кнопка "В" замыкает 1-2
Вложения
SAM_1626.JPG
Схема
Реклама
Аватара пользователя
TOPMO3
Сообщения: 4181
Зарегистрирован: 29 фев 2016, 10:37
Репутация: 626
Откуда: Ижевск
Контактная информация:

сбор схемы водяного насоса

Сообщение TOPMO3 » 25 фев 2018, 17:39

Сергей-Батайск писал(а):Источник цитаты Кнопка "В" со светодиодом. Кнопка "В" замыкает 1-2
Вы в чем то ошибаетесь ... по схеме подходят три провода, значит и замыкания должны быть ... или переключение ... 3_ий вывод для чего то служит ведь!?
Кнопка "А" одновремено замыкает клемы 1-2 и 3-4.
С "А" понятно и логично.
00.JPG
00.JPG (5.48 КБ) 3270 просмотров

Вопрос: Свечение "В" постоянно было, после подключения к розетке ... или только при работе пылесоса (возд.насос)?
Предположительно схема выглядит так ...
01.JPG
Последний раз редактировалось TOPMO3 25 фев 2018, 18:08, всего редактировалось 2 раза.
Смеюсь последний ... тормоз однако!
Аватара пользователя
Voloxa
Сообщения: 468
Зарегистрирован: 02 авг 2015, 09:01
Репутация: 38
Откуда: рядом с морем
Контактная информация:

сбор схемы водяного насоса

Сообщение Voloxa » 25 фев 2018, 17:49

Нормально ДА?
Сергей-Батайск писал(а):Источник цитаты Разобрал пылесос, чтоб почистить,

По винтикам что ли разобрал, чтоб каждый болтик, винтик почистить? Или что? Уж так и задавай вопрос: " По своей дурости разобрал пылесос на болтики, винтики и не могу собрать..."! Для начала марку (тип) пылесоса?


  • Реклама

Вернуться в «Ремонт бытовой техники (стиральные машины, пылесосы, фены, вентиляторы, СВЧ-печи и т.п.)»

Кто сейчас на конференции

Сейчас этот форум просматривают: нет зарегистрированных пользователей и 12 гостей