что делать с основным трехфазником?
Rumato писал(а):Источник цитаты Непрочитанное сообщение Rumato » Сегодня, 06:45
что делать с основным трехфазником?
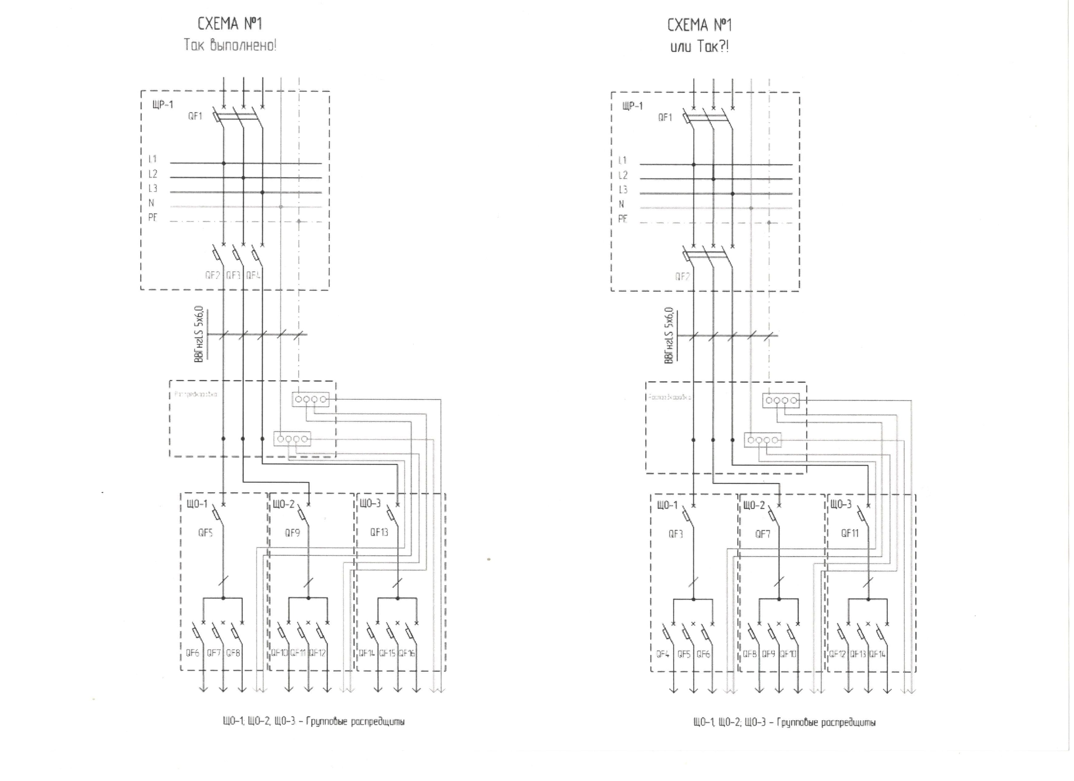
Ничего. На вводе в щит должен стоять коммутационный аппарат отключающий все фазные проводники
Разрешите не согласиться ... в ПУЭ на этот счет написано, что "коммутационный аппарат отключающий все фазные проводники", должен быть установлен перед счетчиком, а не на вводе всех, подряд, щитков ... на фото, счетчик не проглядывается.Rumato писал(а):Источник цитатыНичего. На вводе в щит должен стоять коммутационный аппарат отключающий все фазные проводники.что делать с основным трехфазником?
и жирнее может- не 16, а 25А) . А после СЭ- хоть вешайся.Нет ... сколько дифов - столько же отдельных нулевых шинок.AABBBB писал(а):Источник цитаты И, кстати. На входе можно кинуть нулевые перемычки на дифавтоматы. А что тогда на выходе? Все на нулевую шину?
Ну Вам же написали ... ТБ не разрешает делить вводной автомат ... я считаю что нужно.Ребята... тут уже не стоит вопрос, как ПРАВИЛЬНО должно быть. Изначально все неправильно. НО нужно просидеть в этом помещении как минимум год. Я вас прошу делиться мнениями, чтобы потом принимать решение уже самому.
AABBBB писал(а):Источник цитаты Вот реально, как бы вы сделали на моем месте?
Ни чем не хуже ... просто вырубало бы каку нить одну фазу, а не все хором.AABBBB писал(а):Источник цитаты Спасибо... Но места, действительно, нету. Погодите-ка, а чем те самые дифы АВВ хуже АВ+УЗО?
AABBBB писал(а):Источник цитаты
Ребята... тут уже не стоит вопрос, как ПРАВИЛЬНО должно быть. Изначально все неправильно. НО нужно просидеть в этом помещении как минимум год. Я вас прошу делиться мнениями, чтобы потом принимать решение уже самому
Предлог "в" предполагает "внутри" группы или как?кви-45 писал(а):Источник цитаты... При этом в двух- и трехфазных групповых линиях запрещается применение предохранителей и [u]однополюсных автоматических выключателей.

TOPMO3 писал(а):Источник цитаты Запрет "предохранителей" и "однополюсных" - предполагает, что должны применяться автоматы с разрывом "нуля"?
Извините ... насчет трехфазных и двухфазных потребителей (электродвигатели и т.д.) я сам прекрасно знаю, что нельзя допускать отключение одной фазы.кви-45 писал(а):Источник цитаты [attachment=0]... А если допустим у трехфазного двигателя отключится автомат ...
TOPMO3 писал(а):Источник цитаты
Выше Вы цитировали запрет однополюсников в группах освещения ... зачем запрещать, если они однофазники?
Вернуться в «УЗО и дифференциальные автоматы»
Сейчас этот форум просматривают: нет зарегистрированных пользователей и 8 гостей